| Скачать .docx |
Реферат: Расчет схемы широкополосного усилителя
МИНИСТЕРСТВО ОБЩЕГО И ПРОФЕССИОНАЛЬНОГО ОБРАЗОВАНИЯ РОССИЙСКОЙ ФЕДЕРАЦИИ
РЯЗАНСКАЯ ГОСУДАРСТВЕННАЯ РАДИОТЕХНИЧЕСКАЯ АКАДЕМИЯ
Кафедра ПЭл
Пояснительная записка к курсовому проекту по курсу:
«Электронные цепи и микросхемотехника».
Расчет широкополосного усилителя
Выполнил: Абабков А.В. гр.523
Проверил: Борисовский А.П..
Рязань 2008 г.
Оглавление:
Введение 3
1. Задание 4
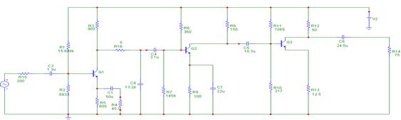
2. Принципиальная схема широкополосного усилителя 5
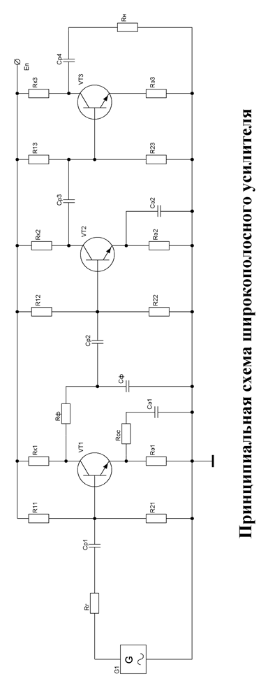
3. Описание схемы широкополосного усилителя 6
4. Расчет
4.1. Расчет входного каскада 7
4.2. Расчет промежуточного каскада 10
4.3. Расчет выходного каскада 13
5. Расчет эмиттерных емкостей 16
6. Расчет фильтра 16
7. Расчетразделительных емкостей 17
8.Оценка нелинейных искажений 17
9.Моделирование работы схемы усилителя в Micro-Cap 8 19
Заключение 21
Библиографический список литературы 22
Спецификация 23
Введение
Широкополосные усилители широко применяются в аппаратуре радиосвязи и измерительной технике. Как правило широкополосные усилители состоят из нескольких каскадов так как в большинстве случаев одиночные каскады не обеспечивают необходимое усиление и заданные параметры усилителей. Поэтому усилители, которые применяют в технике, как правило, многокаскадные. При анализе и расчете многокаскадного усилителя необходимо определить общий коэффициент усиления усилителя, распределить его по каскадам, определить требование к источникам сигналов, решить вопросы введения обратных связей и т.д. В большинстве случаев типовой широкополосный усилитель, состоит из трех каскадов: входного, промежуточного, выходного или оконечного. Входной каскад осуществляет согласование источника сигнала с усилителем, промежуточный выполняет основное усиление сигнала, выходной передает сигнал в нагрузку, как правило, низкоомную, осуществляя, в основном усиление по току.
1. Задание
Широкополосный усилитель
RГ =200 Ом;
KУС =60;
Rн =75 Ом;
fн =100 Гц;
fв =10 МГц;
Мн =3;
Мв =3;
Uвых =3 В;
Kг =3 %;
3. Описание схемы широкополосного усилителя
Схема широкополосного усилителя состоит из следующих элементов:
- входного каскада;
- фильтра высокой частоты;
- промежуточного каскада;
- выходного каскада;
Входной каскад необходим для согласования генератора обладающего внутренним сопротивлением с промежуточным каскадом. Во входной каскад введена местная ООС по переменному току, изменением коэффициента которой достигается заданный коэффициент усиления всего усилителя. Сигнал с выхода промежуточного каскада поступает на фильтр верхних частот, который определяет заданную верхнюю граничную частоту усилителя, нижняя же граничная частота определяется величинами разделительных емкостей.
После фильтра сигнал поступает на промежуточный каскад усилителя, который из всех трех каскадов обладает наибольшим усилением. Далее усиленный сигнал через выходной каскад передается в нагрузку. Выходной каскад имеет ООС по току, что позволяет существенно уменьшить нелинейные искажения.
4.1 Расчет выходного каскада
1. Определение напряжения питания Eп :
![]()
Здесь Uвых – максимальное выходное напряжение, UКЭнас ≈1 В – падение напряжение на транзисторе в состоянии насыщения, Uзап ≈9 В – запас по напряжению; Исходя из данных задания Uвых = 3 В, получаем Eп =15 В.
2. Выбор транзистора выходного каскада.
Для выходного каскада транзистор выбирают по следующим параметрам: верхней граничной частоте fb , максимальной величине тока коллектора Iк, наибольшему допустимому напряжению коллектора UКЭ доп , максимальной рассеиваемой транзистором мощности.
Граничная частота передачи тока базы fb должна более чем в 5 раз превышать заданную верхнюю частоту усилителя fв :
f
b
5 fв
Исходя из данных задания fв =10 МГц следовательно fb ≥50 МГц.
Максимальный ток коллектора выбирается из условия:
![]()
Подставляя данные получаемIKmax ≥ 240 мА. Выберем IKmax =240 мА, тогда ток IК0 выберем равным половине IKmax : IK0 = 0.5 IKmax = 120 мА.
Напряжение питания усилителя Еп должно быть меньше 0.8 UКЭ доп .
Максимальная рассеиваемая транзистором мощность должна превышать величину IK0 UКЭ0 =0,9 Вт, где UКЭ0 – падение напряжения на переходе коллектор-эмиттер транзистора в рабочей точке, определяется по нагрузочной прямой: = 7,5 В.
Поставленным требованиям удовлетворяет транзистор КТ624В. Его параметры:
fb = 450 МГц
IК доп = 1,3 А > 0,24 А
UКЭ доп = 30 В. Еп = 15 В < 0.8UКЭ доп = 24 В.
P доп = 1,5 Вт > IK0 UКЭ0 =0,9 Вт.
3. Расчет резисторов RК и RЭ .
Значение максимального напряжения на коллекторе UKмакс = Еп = 15 В. Величину сопротивления в цепи эмиттера RЭ выбирают исходя из условия, чтобы падение напряжения на нем не превышало величину 0,1-0,3 Еп :
URЭ = 0.1 Еп
При Еп = 15 В, URЭ =1,5 В.
![]()
Подставляя IК0 =0,12 А, получаем: RЭ =12,5 Ом.
Сопротивление в цепи коллектора RК рассчитываем аналогично, задавшись напряжением на нем:
,
Подставив полученные данные получим: URК = 6 В. Сопротивление RК определяется по формуле:
RK = URК / IK0 ,
RК = 50 Ом.

Выходной каскад: Выходные характеристики и нагрузочная прямая.
Выходной каскад: Входные характеристики.
4. Расчет сопротивления нагрузки по переменному току RН~ :
Сопротивление нагрузки по переменному токуRН~ образовано параллельным соединением RН и RК и равно:
![]()
Подставляя, получим: RН~ =30 Ом.
5. Определение входной проводимости транзистора:
Определяем ток базы в рабочей точке (рис. 1): Io б =2 мА, проводим касательную в этой точке на входной характеристике, и по касательной определяем входную проводимость:
![]()
∆IБ =8 мА, ∆UБЭ =0,1 В, y11 =0,08 См.
6. Определение крутизны транзистора:
![]()
∆IК =0,15 А, ∆UБЭ =0,03 В S=5 А/В.
7. Расчет резисторного делителя:
С помощью резисторного делителя задается положение рабочей точки; определим U0Б :
U 0Б = U 0Э + U 0БЭ ,
По входным характеристикам определяем U0БЭ =0,67 В, U0Э =UR Э =1,5 В и подставляя получаем U0Б =2,17 В.
Номиналы резисторов рассчитываются по формулам:
,
, ![]()
Пренебрегая обратным током IК0 , выбирая IД =5I0Б , рассчитываем номиналы резисторов:
R1=1069Ом, R2=217 Ом;
8. Рассчитываем входное сопротивление каскада по переменному току:
Его величина определяется как суммарное сопротивление параллельно включенных R1, R2, и (1/y11 )*γ, где γ=1+SRЭ – глубина ООС:
R ВХ≈ = R1//R2//[(1/y11 ) ( 1+ SR Э ) ] ,

Подставляя числовые данные получаем:RВХ≈ =146 Ом.
9. Определим коэффициент усиления каскада:
,
S=5 А/В, RН~ =30 Ом, RЭ =12,5 Ом: KU =1,36.
4.2 Расчет промежуточного каскада
1. Напряжение питания Eп равно напряжению питания выходного каскада– 15 В:
2. Выбор транзистора промежуточного каскада.
Для промежуточного каскада транзистор выбирают аналогично транзистору выходного каскада: по верхней граничной частоте fb , максимальной величине тока коллектора Iк, максимальной рассеиваемой транзистором мощности и наибольшему допустимому напряжению коллектора UКЭ доп . Различие в величине максимального тока.
Максимальный ток коллектора выбирается из условия:
,
Здесь KU 3 =1,36 – коэффициент усиления выходного каскада, Rвх3 =146 Ом – его входное сопротивление по переменному току;
Подставляя данные получаемIKmax ≥ 51 мА. Определим IKmax =60 мА, ток IК0 выберем равным половине IKmax : IK0 = 0.5 IKmax = 30 мА.
Напряжение питания усилителя Еп должно быть меньше 0.8 UКЭ доп .
Максимальная рассеиваемая транзистором мощность должна превышать величину IK0 UКЭ0 =0,225 Вт, где UКЭ0 – падение напряжения на переходе коллектор-эмиттер транзистора в рабочей точке, определяется по нагрузочной прямой: = 7,5 В.
Поставленным требованиям удовлетворяет транзистор КТ385А. Его параметры:
fb = 200 МГц
IК доп = 400 мА >> IKmax =60 мА;
UКЭ доп = 40 В. Еп = 15 В < 0.8UКЭ доп = 32 В.
P доп = 0,3 Вт > IK0 UКЭ0 =0,225 Вт.
3. Расчет резисторов RК и RЭ .
Значение максимального напряжения на коллекторе UKмакс = Еп = 15 В. Величину сопротивления в цепи эмиттера RЭ выбирают исходя из условия, чтобы падение напряжения на нем не превышало величину 0,1-0,3 Еп :
URЭ = 0.2 Еп
При Еп = 15 В, URЭ =3 В.
![]()
Подставляя IК0 =30 мА, получаем: RЭ =100 Ом.
Сопротивление в цепи коллектора RК рассчитываем аналогично, задавшись напряжением на нем:
,
Подставив полученные данные получим: URК = 4,5 В. Сопротивление RК определяется по формуле:
RK = URК / IK0 ,
RК = 150 Ом.

Промежуточный каскад: Выходные характеристики и нагрузочная прямая.

Промежуточный каскад: Входные характеристики.
4. Расчет сопротивления нагрузки по переменному току RН~ :
Сопротивление нагрузки по переменному токуRН~ образовано параллельным соединением RН и RК и равно:
![]()
![]()
Подставляя RН =Rвх3 =146 Ом, RК = 150 Ом, получим: RН~ =74,2 Ом.
5. Определение входной проводимости транзистора:
Определяем ток базы в рабочей точке (рис. 1): Io б =0,5 мА, проводим касательную в этой точке на входной характеристике, и по касательной определяем входную проводимость:
![]()
∆IБ =4 мА, ∆UБЭ =0,3 В, y11 =0,013 См.
6. Определение крутизны транзистора:
![]()
∆IК =30 мА, ∆UБЭ =0,05 В S=0,45 А/В.
7. Расчет резисторного делителя:
С помощью резисторного делителя задается положение рабочей точки; определим U0Б :
U 0Б = U 0Э + U 0БЭ ,
По входным характеристикам определяем U0БЭ =0,64 В, U0Э =UR Э = 3 В и подставляя получаем U0Б =3,64 В.
Номиналы резисторов рассчитываются по формулам:
,
, ![]()
Пренебрегая обратным током IК0 , выбирая IД =5I0Б , рассчитываем номиналы резисторов:
R1=360 Ом, R2=1456 Ом;
8. Рассчитываем входное сопротивление каскада по переменному току:
Его величина определяется как суммарное сопротивление параллельно включенных R1, R2, и (1/y11 ):
R ВХ≈ = R1//R2//(1/y11 ) ,

Подставляя числовые данные получаем:RВХ≈ =71,6 Ом.
9. Определим коэффициент усиления каскада:
,
S=0,45 А/В, RН~ =74,2 Ом : KU =33,4.
Выбор сопротивления фильтра
Выберем RФ так чтобы ослабление амплитуды сигнала делителем образованным RФ и Rвх2 было незначительным: RФ =5 Ом.
4.3 Расчет входного каскада
1. Напряжение питания Eп равно напряжению питания выходного каскада– 15 В:
2. Выбор транзистора промежуточного каскада.
Для выходного каскада транзистор выбирают аналогично транзистору выходного и промежуточных каскадов: по верхней граничной частоте fb , максимальной величине тока коллектора Iк, максимальной рассеиваемой транзистором мощности и наибольшему допустимому напряжению коллектора UКЭ доп . Различие в величине максимального тока. Максимальный ток коллектора выбирается из условия:
,
Здесь KU 3 =1,36 , KU 2 =33,4 – коэффициенты усиления выходного и промежуточного каскадов, Rн1 =Rвх2 +Rф =76,6 Ом – сумма сопротивлений фильтра и входного сопротивления промежуточного каскада по переменному току; подставляя данные получаемIKmax ≥ 3 мА. Определяем IKmax равным 10 мА. Ток IК0 выберем равным половине IKmax : IK0 = 0.5 IKmax = 5 мА. Максимальная рассеиваемая транзистором мощность должна превышать величину IK0 UКЭ0 =0,0375 Вт, где UКЭ0 – падение напряжения на переходе коллектор-эмиттер транзистора в рабочей точке, определяется по нагрузочной прямой: = 7,5 В.
Поставленным требованиям удовлетворяет транзистор КТ315В. Его параметры:
fb = 250 Мгц
IК доп = 100 мА > 10 мА
UКЭ доп = 40 В. Еп = 15 В < 0.8UКЭ доп = 32 В.
P доп = 0,15 Вт > IK0 UКЭ0 =0,0375 Вт.
3. Расчет резисторов RК и RЭ .
Значение максимального напряжения на коллекторе UKмакс = Еп = 15 В. Величину сопротивления в цепи эмиттера RЭ выбирают исходя из условия, чтобы падение напряжения на нем не превышало величину 0,1-0,3 Еп :
URЭ = 0.2 Еп
При Еп = 15 В, URЭ =3 В.
![]()
Подставляя IК0 =5 мА, получаем: RЭ =600 Ом.
Сопротивление в цепи коллектора RК рассчитываем аналогично, задавшись напряжением на нем:
,
Подставив полученные данные получим: URК = 4,5 В. Сопротивление RК определяется по формуле:
RK = URК / IK0 ,
RК = 900 Ом.

Входной каскад: Выходные характеристики и нагрузочная прямая.
Входной каскад: Входные характеристики.
4. Расчет сопротивления нагрузки по переменному току RН~ :
Сопротивление нагрузки по переменному токуRН~ образовано параллельным соединением RН и RК и равно:
![]()
![]()
Подставляя RН =Rн1 =76,6 Ом, RК = 900 Ом, получим: RН~ =70,6 Ом.
5. Определение входной проводимости транзистора:
Определяем ток базы в рабочей точке (рис. 1): Io б =0,12 мА, проводим касательную в этой точке на входной характеристике, и по касательной определяем входную проводимость:
![]()
∆IБ =0,2 мА, ∆UБЭ =0,15 В, y11 =0,0013 См.
6. Определение крутизны транзистора:
![]()
∆IК =10 мА, ∆UБЭ =0,1 В S=0,1 А/В.
7. Расчет резисторного делителя:
С помощью резисторного делителя задается положение рабочей точки; определим U0Б :
U 0Б = U 0Э + U 0БЭ ,
По входным характеристикам определяем U0БЭ =0,56 В, U0Э =UR Э =3 В и подставляя получаем U0Б =3,56 В.
Номиналы резисторов рассчитываются по формулам:
,
, ![]()
Пренебрегая обратным током IК0 , выбирая IД =5I0Б , рассчитываем номиналы резисторов:
R1=15888 Ом, R2=5933 Ом;
8. Определение коэффициента глубины ООС для переменного тока и входного сопротивления каскада по переменному току для получения требуемого коэффициента усиления устройства:
Общий коэффициент усиления усилителя равен произведению коэффициентов усиления всех его каскадов:
KU = Kвх.дел KU 1 KU 2 KU 3 , где
![]()
Требуемый же коэффициент усиления равен KU Т =60. В цепь эмиттера входного каскада включена цепочка ООС по переменному току, при этом коэффициент усиления будет равен:
,
При этом глубина ООС выбирается исходя из соотношения:
![]()
Величина входного сопротивления каскада по переменному току определяется как суммарное сопротивление параллельно включенных R1, R2, и (1/y11 )*γ~ , где γ~ =1+S(Rос //RЭ ) – глубина ООС:
R ВХ ≈ =R1//R2//[(1/y11 )( 1+S(R ос //R Э ))],

В итоге получаем систему уравнений:
,

Решая которую, получаем RВХ≈ =2077 Ом, Rос =45,1 Ом
5. Расчет эмиттерных емкостей
Емкость конденсаторов Сэ1 и Сэ2 выбираются большими исходя из того, что его сопротивление цепочки RЭ СЭ по переменному току существенно только на самой низкой частоте должно :

![]()
Подставляя, получаем: (Сэ1 ≥37мкФ)=50мкФ, (Сэ2 ≥15мкФ)=22мкФ.
6. Расчет фильтра
Фильтр предназначен для обеспечения заданной верхней частоты. При этом fв определяется по формуле:
,
Где Rвых1 есть RК1 . RФ =5 Ом, тогда СФ =17,6 пФ.
Производим расчет СФ с учетом коэффициента частотных искажений на верхней рабочей частоте MВ .
Коэффициент MВ в данной схеме определяется искажениями вносимыми цепочкой фильтра RФ СФ :
,
Выражаем СФ с учетом заданного коэффициента частотных искажений MВ :
,
СФ =13,2 пФ.
7. Расчет разделительных емкостей
Расчет разделительных емкостей производится с учетом заданного коэффициента искажений на нижней рабочей частоте:
M Н = M Н1 M Н2 M Н3

Пусть доли частотных искажений, вносимых на нижней частоте в каждом каскаде будут равны:
M Н_ i = M Н1 = M Н2 = M Н3 ,
Тогда
MН_ i =0,887.
Формулы для расчета разделительных емкостей для данной схемы усилителя примут вид:
,
,
,

Подставляя в выражения данные получаем: Ср1 = 1,3 мкФ, Ср2 = 3,1 мкФ, Ср3 =10,3 мкФ, Ср4 =24,5 мкФ.
8. Оценка нелинейных искажений
Так как входной и промежуточный каскады работают в режиме малого сигнала то нелинейные искажения обусловлены влиянием выходного каскада. Проведем оценку нелинейных искажений c помощью метода пяти ординат.
При помощи пяти ординат находятся гармонические составляющие. Входной ЭДС Eг m 1 , Eг m 2 , Eг m 3 , по которым рассчитывается коэффициент гармоник:
,
На нагрузочной прямой наносятся точки мгновенных значений тока Iк1 ,Iк2 , Iк3 ,Iк4 ,Iк5 ,соответствующие IK min , (IK0 -IK min )/2, IK0 , (IK max -IK0 )/2, IK max , по выходным характеристикам находятся отвечающие им токи базы Iб1 ,Iб2 , Iб3 ,Iб4 ,Iб5 , и по входным характеристикам находятся мгновенные значения напряжения база-эмиттер Uб1 , Uб2 , Uб3 , Uб4 ,Uб5 . Рассчитываются размахи ЭДС:
,
,
,
,
Далее находим амплитуды первых трех гармонических составляющих ЭДС:
,
,
,
И рассчитываем коэффициент гармоник каскада:
,
где γ – коэффициент ООС.
Подставляя числовые данные получаем Kг = 1,43 %.
9. Моделирование работы схемы усилителя в Micro - Cap 8.0
Моделирование электрических процессов происходящих при работе усилителя производилось с помощью программы схемотехнического моделирования Micro-Cap 7.1.
С использованием этой программы был проведен анализ узлов схемы по постоянному току, расчет мощности рассеиваемой на элементах схемы, построены временные диаграммы сигнала на входе и выходе рассчитана АЧХ. Построение АЧХ потребовало перевода из децибел, перевод осуществлялся согласно выражениям:
,
,
![]()
Нормировка АЧХ производилась делением на коэффициент усиления усилителя. Номинальная мощность резисторов выбиралась согласно проведенному программой
анализу рассеиваемой на них мощности.

Принципиальная электрическая схема
Расчет узлов по постоянному току
Сигнал на входе

Сигнал на выходе
Передача синусоидального сигнала вход-выход ( F =1МГц)
Построение АЧХ (внизу-нормированная на единицу)
Результаты моделирования работы схемы с использованием Micro-Cap 8, показали хорошую корреляцию электрических процессов происходящих в усилителе с данными проведенных расчетов.
Заключение
В данном курсовом проекте был произведен выбор и расчет схемы широкополосного усилителя с заданными параметрами. Выбранная схема усилителя включает в себя три каскада: входной, промежуточный, выходной и фильтр верхних частот. После расчета схемы производилось моделирование её работы с анализом по основным параметрам. В качестве программы для моделирования была выбрана программа для схемотехнического моделирования электрических цепей Micro-Cap 8. В модели использовались зарубежные аналоги отечественных транзисторов. Результаты моделирования показали хорошую корреляцию процессов происходящих в усилителе с данными расчетов. Наблюдаемые расхождения связаны прежде всего с упрощенной, по сравнению с Micro-Cap 8, методикой расчета, а также в следствие неполного соответствия параметров зарубежного аналога отечественному.
Библиографический список
1.Левкоев Б.И. Оконечные каскады усилителей: Методические указания к лабораторным работам, Рязань 1989.
2.Мамонтов Е.В. Курсовое проектирование по дисциплине «Электронные цепи непрерывного и импульсного действия», Рязань 1979.
3.Мамонтов Е.В., Свиязов А.А., Малолетков Б.Д. Электронные цепи непрерывного действия: Методические указания к лабораторным работам, Рязань 2000.
4.Мамонтов Е.В., Малолетков Б.Д. Электронные цепи непрерывного и импульсного действия: Учебное пособие, Рязань 1991.
5.Войшвилло Г.В. Усилительные устройства, «Радио и связь», 1983.
6.Полупроводниковые приборы: транзисторы: справочник под ред. Горюнова А.В., «Энергоатомиздат», 1985.
7.Аксенов А.И., Нефедов А.В. Резисторы, конденсаторы, провода, припои, флюсы: справочное пособие. М.: «Солон-Р», 2000.
8.Разевиг В.Д. Схемотехническое моделирование с помощью Micro-Cap 7.М.: «Горячая линия-Телеком», 2003.