| Скачать .docx |
Реферат: Розрахунок та оптимізація характеристик системи електрозв язку
КУРСОВА РОБОТА
З дисципліни «Теорія електричного зв ’ язку»
На тему:
„Розрахунок та оптимізація характеристик системи
електрозв 'язку"
Зміст
1. Вихідні дані.
2. Вступ.
3. Структурна схема цифрової системи передачі (ЦСП)
4. Розрахунок характеристик аналого-цифрового перетворення та інформаційних характеристик повідомлень на виході АЦП
5. Розрахунок характеристик завадостійкості прийому сигналів у дискретному каналі
6. Вибір корегуючого коду та розрахунок характеристик завадостійкого декодування.
7. Розрахунок пропускної спроможності каналу зв 'язку.
8. Розробка структурної схеми демодулятора.
9. Розрахунок ефективності системи передачі.
10. Висновок
11. Список використаної літератури
Вихідні дані до курсової роботи
Верхня гранична частота спектру:...................................................................... Fв=9 кГц
Амплитуда модульованого сигналу:.................................................................. a=0,2 В
Спектральна щільність потужности завади:…………………………………...No, B2/Гц
Рівні квантування:................................................................................................. 11 , 29 , 53
Пік-фактор сигналу:............................................................................................. П=3,8
Допустиме відношення сигнал-шум:.................................................................. Ркв=28 дБ
Модуляция:............................................................................................................. ВФМ
Вступ
В даний час широко використовується метод обробки радіотехічних сигналів за допомогою мікроелектронних обчислюватих систем та пристроїв. Ми розглянемо найбільш вивчений класс систем дискретної обробки сигналу: цифрові системи передачі неперервних повідомлень. Перевага цифрових систем передачі цифрових систем передачі заключається в основному у тому, що:
-основиним джерелом викривлень сигналу аналогових систем являються нестабільність параметрів і характеристик самої апаратури, чого можна уникнути при цифровій обробці сигналів;
-цифрові методи передачі дозволяють регенерувати форму сигналу, тобто уникнути нагромадження завад.
Взагалі принцип цифрової обробки сигналу можна описати так: неперервний вхідний сигнал x(t) поступає в аналогово-цифровий перетворювач (АЦП), що управляється синхронизуючими імпульсами від генератора, що задає частоту дискретизації. В момент подачі синхронизуючого імпульсу на виході АЦП виникає сигнал, що відображає результат вимірення моментального значення вхідного коливання у вигляді двійкового числа з фіксованою кількістю розрядів. Перетворений сигнал поступає в основний блок приладу, що складається із модулятора, ліній зв»язку і демодулятора, де сигнал модулюється , на нього накладається аддитивна завада, і демодулятор виділяє низькочастотну огинаючу сигналу. Далі для перетворення інформації в аналогову форму , використовується цифро-аналоговий перетворювач (ЦАП), в якому виконується перевірка прийнятої кодової комбінації. Якщо в ній знайденя помилка, то вона виправляється. А на виході фільтру в ЦАП отримаємо вихідний передаваємий неперервний сигнал, але трохи викривленим. І сигнал приходить до отримувача.
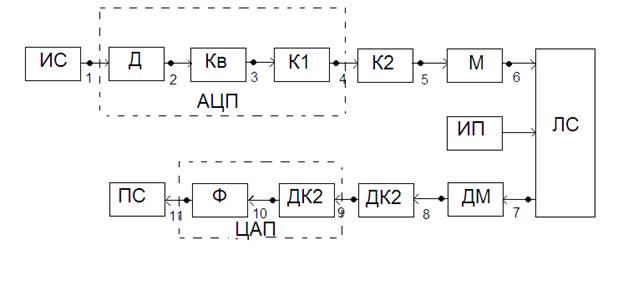
Структурна схема цифрової системи передачі (ЦСП)
Завдання:
Зобразити структурну схему ЦСП неперервних повідомлень, яка включає джерело і отримувач повідомлень, АЦП, ЦАП, кодер і декодер завадостійкого коду, модулятор і демодулятор, лінію зв»язку і джерело завад.
Зобразить часові діагами у всіх точках схеми, задавши довільну форму неперервного вихідного сигналу і число рівнів квантування.
Пояснити, по яким критиріям вибираються: інтервал дискретизації по часу і крок квантування по рівню. До часових діаграм дати необхідні пояснення, виходячі з призначення кожного блока.
Рішення:
Для передачі неперервних повідомлень можна використати дискретний канал. При цьому необхідно перетворити неперервний сигнал джерела повідомлень в цифровий сигнал тобто в послідовність нулів і одиниць. Типовим прикладом цифрової системи передачі неперервних повідомлень являється система з імпульсно-кодовою модуляцію (ІКМ). Для перетворення неперервного повідомлення в цифрову форму використовуються операції дискретизації і квантування. Отримана таким чином послідовність квантованих відрахунків кодується і передається по дискретному каналу, як всяке дискретне повідомлення. На стороні прийому неперервне повідомлення після декодування не востановлюється.
Основна технічна перевага цифрових систем передачі перед неперервними системами передачі повідомленя складається з їх високої завадостійкості.
Структурна схема цифрової системи передачі (ЦСП) має наступний вигляд:
ИС – джерело неперервних повідомлень;
АЦП – аналогово- цифровий перетворювач, який складається з наступних елементів:
• Д - дискретизатор
• Кв - квантувач
• К1 -кодер 1
К2 - кодер 2
М - модулятор
ЛС – лінії зв»язку
ИП – джерело завад
ДМ - демодулятор
ДК2 - декодер 2
ЦАП – цифрово-аналоговий перетворювач, який складається із слідуючих елементів:
• ДК1 - декодер 1
• Ф – зглажуючий фільтр
• С – отримувач повідомлень.
Джерело повідомлень видає на виході неперервний сигнал. На відміну від неперервного каналу передачі в складі ЦСП передбачені прилади для перетворення неперервного повідомлення в цифрову форму - аналогово-цифровий перетворювач (АЦП) на стороні що передає і прилад перетворення цифрового сигналу в неперервний - цифро-аналоговий перетворювач (ЦАП) на стороні прийому.
В склад АЦП входить дескритизатор, квантувач і кодер. Перетворення «аналог-цифра» складається з трьох операцій:
• Спочатку неперервне повідомлення піддається дискретизації по часу. Ця операція здійснюється за допомогою дискретизатора. Інтервал дискретизації вибирається на основі теореми Котельникова, в котрій сказано, що будь-який неперервний сигнал з кінцевим спектром можна представити у у вигляді відрахунків, що відстають один від одного на інтервал дискретизації
- верхня частота спектра сигнала. На практиці частоту дискретизації вибирають рівній![]()
• Отримані відрахунки моментальних значень квантуються по рівню квантування в квантувачі. Кількість рівнів квантування М визначається вихлдячи з помилки квантування, пік-фактору сигналу і відношенню сигнал/шум. Число розрядів у кодовому слові буде рівно![]()
• Послідовність отриманих квантованих значень передаваємого повідомлення являється результатом кодування у вигляді послідовних кодових комбінацій . число розрядів у кодовому слові рівне m = log2(M). Частіше за все кодування зводиться до запису рівня в двійковій системі числення . Таке перетворення називається імпульсно-кодовою модуляцією і здійснюється в кодері.
• Побудуєм і поясним часові діаграми для структурної схеми ЦСП неперервних повідомлень, виходячи з призначення кожного блока:
1- Вихід джерела неперервних повідомлень: в даній точці ми спостерігаєм аналоговий сигнал, який слід передати по лінії зв»язку, попередньо перетворившивы;
2- Вихід дискретизатора : в моменти часу, котрі відстають один від одного на інтервал дискретизації
- верхняя частота спектра сигналу), на виході дискретизатора ми отримаємо короткі імпульси, амплітуди котрих відповідають амплітуді сигналу в указаний момент часу;
3- вихід квантувача. Квантувач здійснює операцію квантування по рівню ,а це значить, що амплітуди кожного відрахунку прив»язуються до певного рівня квантування . кожному рівню квантування відповідає кодова комбінація. Кількість символів в кодовій комбінації визначається із відношення:
де М – кількість рівнів квантування. Якщо ![]()
4- вихід кодера 1: в даній точці ми отримуємо послідовність імпульсів, які відображають кодові комбінації в певний момент;
5- вихід кодера 2. В кодері 2 до інформаційної частини кодової комбінації додаються перевірочні розряди, при чому відстань між імпульсами
залишається такою ж ,а продовжність імпульса зменшується, тобто ![]()
6- вихід модулятора. В модуляторі цифровий сигнал перетворюється в аналоговий ( в данному випадку за допомогою частотної модуляції (ЧМ) , тобто за рахунок зміни частоти несучого аналогового коливання);
7- вихід лінії зв»язку. В дану точку поступає аналоговий сигнал, викривлений завадами при проходженні лінії зв»язку. При передачі також відбувається затримка сигналу, ктора рівна продовжності одного імпульсу;
8- вихід демодулятора. В демодуляторі сигнал, викривлений завадами, піддається демодуляції, тобто перетворенню аналогового сигналу в цифровий;
9- вихід декодера 2. Декодер 2 служить для пошуку і виправлення можливих помилок на основі властивостей завадостійкого коду;
10- вихід декодера 1. Декодер 1 перетворює послідовності імпульсів кодових комбінацій в послідовності коротких імпульсів, що відстають один від одного на інтервал дискретизації
, і амплітудами, котрі відповідають амплітуді аналогового сигналу в моменти дискретизації;
11- вихід згладжуючого фільтру. В даній точці отримуєм аналоговий сигнал, що відповідає перданому від джерела повідомлень, але з деякою затримкою. Отримане неперервне повідомлення передається далі отримувачу
Таким чином, часові діаграми для структурної схеми ЦСП неперервних повідомлень у вказаних точках мають наступний вигляд:
Розрахунок характеристик аналого-цифрового перетворення і інформаційних характеристик на виході АЦП.
Завдання:
Визначити:
По заданій верхній граничній частоті спектру повідомлення, пікфактору сигналу П та допустимому відношенні сигнал/завада квантування Рк визначити:
1)мінімально допустиме число рівнів квантування L ( L вибирають рівним цілого степеня числа 2);
2)значність кодових комбінацій та тривалість символу на виході АЦП, вважаючи, що тривалість кодової комбінації дорівнює інтервалу дискретизації.
Якщо задані:
• верхня гранична частота спектру повідомлень
Fв=9 кГц
пік-фактор сигналу П = 3,8
• допустиме відношення сигнал/шум квантування![]()
Знайти:
ентропію незалежних дискретних повідомлень на виході АЦП та продуктивність джерела повідомлень, якщо імовірність передачі символу«1»: Р(1)=0,81
Вихідні дані:
Fв= 9кГц , П=3,8 ,
, Р(1)=0,81
Реішення:
Визначим мінімальне допустиме число рівнів квантування L.
Частота дискретизації вибирається на основі теореми Котельникова
- верхня частота спектра сигналу. Тобто для точного відтворення вихідного сигналу по відлікам частота дискретизації має умові. На практиці
частоту дискретизації вибирають рівній![]()
Розрахуєм частоту дискретизації у відповідночті з:
fд =2,5*9*103 =22,5 кГц
Кількість рівнів квантування L визначається, вихлдяи:
• Помилки квантування;
• пік-фактора сигнала;
• відношення сигнал/шум.
Визначаєм помилку квантування виражену в разах.
Розрахуєм кількість рівнів квантування за формулою
![]()
Розрахуєм кількість рівнів квантування у відповідності з умовами:
![]()
![]()
Так як в ЦСП використовуються двійкові коди, то округлим число рівнів квантування L до найближчого степені числа 2.
L = 64
Так як продовжність кодових комбінацій рівна інтервалу дискретизації, то значність кодових комбінацій і довжина символа на виході АЦП,
![]()
Розрахуєм продовжність символа на виході АЦП:
![]()
Визначимо ентропію по формулі Шеннона для незалежних повідомлень джерела, так як згідно умові на виході АЦП повідомлення якляються дискретними:
![]()
Згідно умові вірогідність появи одиниці
Р(1) = 0.81
Тоді вірогідність появи нуля
Р(0) = 1 - Р(1) = 1 - 0.81 = 0.19
Визначимо ентропію, виходячи з вірогідності появи одиници і нуля:
Н(А) =-(0.81log2
(0.81) + 0.19log2
(0.19)) =0,2462+0,4552=0,7 біт/повідомлення
Згідно отриманим значенням розрахуєм виробничість джерела:
![]()
де:
- довжина кодової комбінації;
Н(А) - ентропія повідомлення джерела.
Розрахунок характеристик завадостійкості прийому сигналів в дискретному каналі
Завдання:
Вважаючи канал зв'язку каналом із постійними параметрами, побудувати залежність імовірності помилки двійкового символу на виході оптимального демодулятора від відношення енергії сигналу Е до спектральної щільності потужності завади N0 на вході демодулятора,
h2 =E/N0 , для чого розрахувати 5..7 значеньРзав , задавши такі значення , при яких Рош зміниться від 0.5 до 10-6 : зав =f(h)
Формула для розрахунку імовірності помилки обрана з урахуванням методу модуляції та способу прийому.
Розрахувати імовірність помилки символу на виході демодулятора для заданих виду та способу прийому, вважаючи, що в каналі зв'язку немає завадостійкого кодування.
Задані:
- Амплітуда модульованого сигналу а (потужність сигналу Рс = a 2 /2 )
- Спектральна щільність потужності завади N0 на вході демодулятора задані.
Вихідні дані: а = 0.2 В; N0 =7*10-9 В2 /Гц
Рішення:
Розрахуємо вірогідність появи помилкового символа на виході демодулятора для заданих:
• вида модуляції (ОФМ)
• способу прийому (оптимальний прийом), враховуючи, що в каналі зв»язку нема завадостійкого кодування.
Розрахуєм потужність сигнала, прийнявши його як синусоїдальний:
Pc = a2 /2=0.22 /2=0.02 [BT ]
Знайдем енергію сигналу:
![]()
Розрахуєм відношення енергії сигнала Е до спектральної щільності потужності завади n0 на вході демодулятора:
![]()
звідси:
Вірогідність помилки на виході демодулятора визначається формулою:
![]()
де Ф(k*h) - функція Крампа (табульована функція)
Для систем ОФMмодуляція
тобто формула розрахунку вірогідності помилки символа на виході демодулятора для АМ приме наступний вигляд:
![]()
Згідно задуманим умовам ![]()
Рахуючи канал зв»язку каналом з постійними параметрами, побудуємо залежності вірогідності помилки двійкового символа на виході оптимального демодулятора від відношення енергії сигналу Е ло спектральної щільності завадиn0
на виході демодулятора,
для чого розрахуємо 6 значень Рош
, задавши такі значенняh, при яких вірогідність помилки буде змінюватись в діапазоні 1
до 10-8
.
h |
0 |
1 |
2 |
3 |
4 |
6,5 |
Pош( ОФМ ) |
1 |
01585 |
0,0051 |
0,000027 |
10-7 |
10-8 |
За отриманими даними побудуємо графік залежності ![]()

Висновок: для зменшення вірогідності помилки і збільшення завадостійкості необхідно ввести завадостійке кодування.
Основний принцип завадостійкого кодування полягає в тому, що додаючи додаткові перевірочні розряди ми отримуємо код, кількість комбінацій якого перевищує число повідомлень. Всі варіанти кодових комбінацій діляться на дозволені і недозволені, кодові відстані між якими такі, що дозволяють знайти і виправити задану кількість помилок.
При виборі коригуючого коду має бути виконана умова:![]()
Подбирём значения
соответствующее вышеуказанному словию для k = 7:
Для n = 6:
умова не виконується;
Для n = 7:
умова не виконується;
Для n = 8:
умова не виконується;
Для n= 9:
умова не виконується;
Для n= 10:
умова виконується для n = 10.
Таким чином, заданим умовам відповідає код (10,6), в якому:
• загальна кількість розрядів: n= 10;
• кількість інформаційних розрядів: k = 6;
• кількість перевірочних розрядів:![]()
Вібір корегуючого коду і розрахунок характеристик завадостійкості кодування
Завдання:
Сигнал з виходу АЦП надходить на вхід кодера завадостійкого коду. В дискретному канапі зв'язку використовується завадостійке кодування систематичним кодом (10.6) або (11.7) з мінімальною кодовою відстанню d0 = 3
Записати кодові комбінації на вході та виході завадостійкого кодера для трьох заданих рівнів квантування.
Породжуюча матриця кодів:

Визначити відстані між комбінаціями на вході кодера та між комбінаціями на його виході.
Визначити тривалість символу на виході кодера завадостійкого коду.
Розрахувати імовірності однократних та двократних помилок на вході декодера. Зробіть висновок про те, чи поліпшиться завадостійкість прийому при виправленні декодером однократних помилок.
Описати принцип виправлення однократної помилки для випадку передачі комбінації.
Вихідні дані:
Рівні квантування: 11, 29, 53
Рішення:
Закодуєм згідно умови рівні квантування за допомогою двійкового кода:
11=001011
29=011101
53=110101
Визначимо кодову відстань між комбінаціями на виході кодер 1.
Робим висновок, що при d <3 кодові комбинації не смжуть бути прийнятими вірно при однократній помилці і тому застосовуєм завадостійке кодування, що дозволяє підвищити завадостійкість коду при однократній помилці. Для формування завадостійкого коду необхідно в кодері 2 визначити значення перевірочних розрядів за відомими інформаційним. Ця операція виконується на основі породжуючої матриці.
Породжуюча матриця для коду (10,6) має вигляд:

Перевірочна матриця для кода (10,6) має вигляд:

Визначаєм формули для розрахунку перевірочних розрядів:
b1 =a1 +a4 +a6
b2 =a1 +a2 +a5
b3 =a2 +a3 +a4
b4 =a3 +a5 +a6
Визначим перевірочні розряди для кожного рівня квантування:
b1 (11) =1
b2 (11) =1
b3 (11) =1
b4 (11) =1
b1 (29) =0
b2 (29) =1
b3 (29) =1
b4 (29) =0
b1 (53) =1
b2 (53) =0
b3 (53) =0
b4 (53) =1
Визначаєм кодові відстані між комбінаціями:
Оскільки кодові відстані не менше 3, то дані комбінації являються завадостійкими.
Довжина символа на виході кодера завадостійкого коду:
![]()
Даний завадостійкий код (10,6) з мінімальною кодовою відсанню d0 =3 забезпечує віднайдення та виправлення однократних помилок. При завадостійкому кодуванні введенні надлишковості (додаткових перевірочних розрядів) досягається збільшенням кодової відстані між комбінаціями. В свою чергу мінімальна кодова відстань між комбінаціями визначає корегуючи властивості коду:
· приd0 =1 код не має коригуючих властивостей;
· приd0 =2 код знаходить 1 помилку;
· приd0 =3 код знаходить і виправляє 1 помилку.
В загальному випадку для забезпечення виправлення tпомилок мінімальна кодова відстань між комбінаціями визначається за формулою ![]()
4.2 Розрахуєм імовірності однократних та двократних помилок на вході декодера
![]()
Імовірність g-кратних помилок на вході кодера визначається за формулою:
, де:
g- кратність помилки;
n – кількість розрядів кодової комбінації.
Звідси вірогідність однократних помилок (g=1):
![]()
Вірогідність двухкратних помилок (g=1):
![]()
З розрахунків виходить, що імовірність однократних помилок набагато більшв , чим імовірність двукратних. Таким чином, при виправленні однократних помилок завадостійкість прийому збільшиться. При виправленні двухкратних помилок завадостійкість прийому складала би не на багато більшу величину, з чого можна зробити висновок, що введення ще більшого надлишку не виправдовує себе. Так як було сказано вище, принцип завадостійкості кодування оснований на введенні надлишковості, тобто додавання додатковий перевірочних розрядів. При цьому кількість можливих кодових комбінацій стає більшою, ніж кількість вихідних повідомлень. Частина комбінацій є дозволеними, а частина забороненими. Дозволені комбінації сформовані кодером, заборонені ж з»явились в результаті дії на модульований сигнал завади, і, як наслідок декодування невірної кодової послідовності.
Розподіл всього набору кодових комбінацій на дозволені і заборонені дає змогу знайти і виправити помилки на прийомі, які при матричному завданні виконуються за допомогою синдрома помилки.
Синдром помилки – це р-розрядне кодове слово, отримане в результаті складання послідовності прийнятих перевірочних розрядів з перевірочними розрядами прорахованими на прийомі (Декодер 2) за тими ж формулами, що й на передачі (Кодер 2).
Якщо синдром помилки рівний 0, то дана кодова комбінація безпомилкова, або помилка не може бути виявлена. Нулевий синдром помилок однозначно вказує положення помилкового розряду в кодовій комбінації. Якщо встановлений номер помилкового розряду, то виправлення помилки зводиться до інвертування помилкового розряду, в резульнаті чого на виході Декодера 2 отримаєм привильну вихідну кодову кобінацію.
Розрахунок пропускної властивості каналу зв»язку
Завдання:
Визначити пропускну спроможність дискретного каналу: вхід модулятора - вихід демодулятора Ск . Значення імовірності помилки символу
розраховано раніше в пункті 3. Порівняти пропускну спроможність дискретного каналу з продуктивністю джерела цифрового повідомлення, зробити висновки на підставі теореми Шеннона.
Визначити пропускну спроможність неперервного каналу, необхідну для передачі цифрових сигналів, при цьому потужність сигналу розраховувалась в п. 3., спектральна потужність завади N0 береться з вхідних даних, а смуга попускання Fk розраховується, виходячи з спектру сигналу.
довжина символа на Кодері 2
Рішення:
Визначим пропускну спроможність дискретного каналу: вхід модулятора - вихід демодулятора. Розрахуєм пропускну спроможність в двійкових одиницях в одиницю часу для двійкового симетричного каналу зв»язку:

Порівняєм розраховану потужність джерела повідомлень з пропускною спроможністю канала, враховуючи, що в нашому випадку ![]()
Основна теорема кодування Шеннона застосовується до дискретного джерела і має зміст: «Якщо потужність джерела повідомлень Н(А) менше пропускної спроможності каналу С, то існує такий спосіб кодування і декодування, при якому вірогідність помилкового декодуання і ненадійність можуть бути скільки можливо малі. Якщо ж потужність джерела повідомлень Н(А) більше пропускної спроможності канала, то таких способів не існує».
Відповідно, для правильної передачі повідомлень необхідно, щоб швидкість передачі інформації була не менша потужності джерела.
Так як потужність джерела повідомлень менше пропускної спроможності каналу
<Cд
=225,225(кбит/сек)то, згідно теоремі Шеннона, існує такий спосіб кодування і декодування, при яких вірогідність помилкового декодування і надійності можуть бути скільки завгодно малі.
5.2. Оскільки пропускна спроможність канала залежить тільки від швидкості передачі двійкових символів (відповідно, імовірність помилки в цих символах), а пропускна спроможність неперервного каналу залежить від ширини полоси пропускання і співвідношення сигнал – шум, то запишемо розрахункову формулу для пропускної спроможності неперервного каналу зв»язку згідно теоремі Шеннона:
Полоса пропускання для канала з частотною модуляцією визначається за формулою:
![]()
де - довжина символа на виході Кодера 2
Розрахуєм пропускну спроможність неперервного каналу:
Порівняєм отримані значення пропускної спроможності дискретного каналу і пропускної спроможності неперервного канала для передачі цифрових сигналів:
Сн >Сд
З даної нерівності слідує, що для заданих параметрів за критеріє пропускної спроможності неперервний канал набагато краще підходить для передачі цифрових сигналів, чим дискретний канал.
Розробка структурної схеми демодулятора.
За вдання :
Представити структурну схему демодулятора для заданого виду модуляції та способу прийому, записати алгоритм прийому, описати призначення та принцип роботи його вузлів.
Вихідні дані: вид модуляції - ОФМ ;
Рішення:
В даному випадку задачею демодуляятора являється правильний прийом сигнала з різними апріорними імовірностями по каналу, в якому діє нормальний («білий») шум зі спектральною потужністюРш
Вибираєм для демодулятора когерентний спосіб прийому, так як він має перевагу. Для заданого виду модуляції критерій оптимального прийому для ОФМ:
![]() |
Даний вираз представляє собою функцію взаємної кореляції між прийнятим сигналом x(t) і варіантами передаємих сигналів
і ![]()
Складемо структурну схему оптимального демодулятора по критерію Котельникова для ОФМ.
![]() |
Складові даної структурної схеми оптимального приймача.
Фунціональні блоки, що складають дану структурну схему оптимального приймача (демодулятора), має слідуюче призначення:
• Блок
- являється квадратором, який підносить до квадрату
• Блок
- представляє собою інтегратор, який інтегрує прийнятий квадрат різниці сигналів
по часу;
• Блок
- пристрій рішення - приймає рішення на користь того варіанта сигналу («0» або «1»)
Для випадку частотної одуляції функціональні блоки мають наступне призначення:
• Блок
- являє собою помножувач, котрий множить два поданих на нього сигнали;
• Блок
- являється інтегратором, який обраховує функцію взаємної кореляції прийнятого сигналу і варіанту передаваємого сигналу;
- дискримінатор полярності;
- комірка пам»яті;

- Схема полярностей
![]() |
- Опорний генератор
Демодулятор являє собою когерентний приймач. Демодулятор обраховує функцію взаємної кореляції прийнятого сигналу і варіантів передаваємого. Рішення приймає на користь того варіанта, де ця функція буде максимальна.
Розрахунок ефективності схеми передачі
Завдання:
Розрахувати коефіцієнти η, β, γ, які визначають ефективність системи
зв'язку, вважаючи, що втрати інформації в каналі зневажливо малі і швидкість передачі дорівнює продуктивності джерела повідомлень.
Рішення:
Розрахуєм швидкість передачі інформації згідно заданим параметрам:
![]()
Ефективність будь-якої системи визначається кількістю і якістю видаваємої продукції, а в системі передачі інформації такою придукцією якляється передаваєма інформація.
Кількість інформації за одиницю часу визначається середньою швидкістю передачі V [біт/с],а якість - величиною імовірності помилки.
Згідно теоремі оптимального кодування можна завжди забезпечити таку імовірність помилки, що Рош
Рош доп, де - Рош доп допустиме значення імовірності помилки.
Так як швидкість передачі інформаціїVне може бути більше пропускної спроможності Сд , то головнішим показником ефективності системи передачі інформації являється швидкість передачі V, при якій забезпечується задана імовірність помилки Рош.
Швидкість передачі інформації доцільно оцінювати не в абсолютних, а в відносних одиницях:![]()
Інформаційна ефективність системи визначає степінь використання пропускної спроможності каналу Сд
. Коефіцієнт вткористання каналу за пропускною спроможністю:
![]()
Значення коефіцієнта використання каналу за пропускною спроможністю
завжди менше одиниці, при чому ближче
до одиниці, тим ідеальніша система.
Необхідні параметри передачі: швидкість і імовірність – досягаються за рахунок певних затрат: потужності сигналу і полоси частот каналу.
В зв»язку з цим вводиться ще два показника ефективності: коефіцієнт використання канала за потужністю (енергетична ефективність) та коефіцієнт використання каналуза полосою частот (частотна ефективність).
Розрахуєм відношення потужності сигналу до спектральної щільності шуму:
![]()
![]()
Визначимо коефіцієнт використання каналу за полосою частот:
![]()
Розрахуєм полосу частот для частотно модульваного сигналу:
![]()
![]()
Визначимо коефіцієнт використання каналу за потужністю:
![]()
Показники
і
мають сенс віддалених швидкостей:
-кількість інформації (в біт/с), що приходиться на 1 Вт потужності сигналу;
- кількість інформації (в біт/с), що приходить на 1 Гц полоси частот каналу.
Висновок
Виконавши дану роботу, можна прийти до висновку, що відносна фазова модуляція може забезпечити на два порядки менше імовірності помилки, тобто більш високу завадостійкість. Основна технічна перевага цифрових систем передачі перед неперервними системами є їх висока завадостійкість. При цифровій системі передачі неперервних повідомлень можна підвищити імовірність застосуванням завадостійкого кодування. В даній системі зв»язку використовується завадостійке кодування систематични м кодом (10, 6) з мінімальною кодовою відстанню
.Висока завадостійкість цифрових систем передачі надає змогу реалізувати практично необмежений за дальністю зв»язок при використанні каналів поріняно невисокої якості.
Список використаної літератури
- Стеклов В. К., Беркман Л. Н. Телекомунікаційні мережі: Підручник. – К.: Техніка, 2001. – 392 с.
- Стеклов В. К., Беркман Л. Н. Проектування телекомунікаційних мереж.: Підручник – К.: Техніка, 2002. – 792 с.
- Теория передачи сигналов. Учебник для вузов . Зюко А.Г., Кловский Д.Д. Назаров М.В., Финк Л.М. М.: Радио и связь,1986
- Теорія електричного зв’язку. Підручник для ВНЗ. Панфілов І.П., Дирда В.Ю., Капацін А.В./К.:Техніка,1998.
- Гоноровский И.С. Радиотехнические цепи и сигналы. Учебник. – М.:Радио и связь, 1986. – 512 с


