| Скачать .docx |
Курсовая работа: Разработка цифрового таймера
МІНІСТЕРСТВО ОСВІТИ УКРАЇНИ
Одеський національний університет ім. І.І.Мечникова
Миколаївський навчально-науковий центр
Курсова робота
по дисципліні «Прикладна теорія цифрових автоматів»
на тему «Розробка цифрового таймера»
Керівник: К.т.н., доцент
Мельник В.А.
Виконавець: Студент групи К- 220
К i наш Олекс i й Анатол i йович
Миколаїв 2001
Опись документов:
Техническое задание на цифровое устройство
Введение
Функциональная схема
Применение устройства
Общая часть и выбор триггера
Структурная схема
Таблица состояний и граф-схема
Кодирование таблицы переходов
Выводы
Литература
Техническое задание на цифровое устройство
Цель разработки
Синтезировать цифровое устройство, подсчитывающее число секунд. Результат представить с помощью дешифратора. Счётчик замкнуть по модулю 60.
Основное назначение
При необходимости цифровой таймер можно использовать не только для подачи звукового сигнала в определённоё время, но и для включения или выключения какой-нибудь внешней нагрузки, например осветительной лампы, телевизора, радиоприёмника, магнитофона.
Общая характеристика устройства
Данное устройство обеспечивает отсчёт времени от 0 до 60 секунд с автоматическим сбросом. Пуск и остановку секундомера, возможно, осуществлять вручную в любой момент времени. Точность хода секундомера обуславливается стабильностью частоты задающего генератора.
Условия эксплуатации устройства
Рабочая температура окружающего воздуха от минус 30 до +50°С; относительная влажность воздуха до 98% при температуре до +35°С.
Устройство устойчиво к циклическому изменению температуры окружающего воздуха от предельной положительной до предельной отрицательной.
Комплектующие элементы
В данной схеме используются универсальные JK триггеры, элементы И-НЕ, И, ИЛИ.


Введение
В быту нередко бывает нужен прибор для отсчёта интервалов времени. Необходимость в нём возникает, например, при проявке фотоплёнок, приготовлении растворов, требующих дозировки времени, приготовлении пищи и во многих других случаях. Большую помощь здесь окажет цифровой таймер, позволяющий отсчитывать и индицировать время через 1с. Максимальная продолжительность отсчёта составляет 59 секунд.
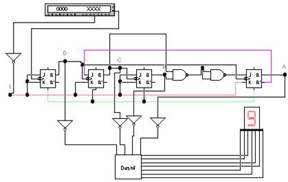
Функциональная схема таймера изображена рис.1.
Рис.1.


Основой прибора является генератор тактовых импульсов, вырабатывающий последовательность импульсов с частотой 1 Гц. С генератора тактовых импульсов, импульсы попадают на счётчик секунд (единиц). Счётчик вырабатывает последовательность импульсов с периодом следования 1с. Счётчик содержит два сдвигающих регистра, выполняющих функции собственно счётчиков, два дешифратора, расшифровывающих их состояния, и управляющих сегментами индикаторов. Импульсы поступают на дешифратор. К выходам дешифратора подключаетсяиндикатор. (Рис.2.) Цифры на индикаторах такого типа формируются из семи сегментов высвечиваемыхв определённых сочетаниях.
Рис. 2

Объект "Семисегментный индикатор" служит для отображения поступающих на него данных в числовом виде.
Применение цифрового устройства
В настоящее время всё более широко применяются в качестве базового элемента устройств формирования и преобразования импульсов так называемые таймеры, непосредственно предназначенные для формирования стабильных временных интервалов. Схемы интегральных таймеров обычно содержат помимо элементов времязадающего моста и ряд других – триггеры, формирователи, ключи и другие, позволяющие реализовать на основе таймера различные импульсные устройства.
При необходимости цифровой таймер можно использовать не только для подачи звукового сигнала в определённое время, но и для включения или выключения какой-нибудь внешней нагрузки, например осветительной лампы, телевизора, радиоприёмника, магнитофона.
Общая часть и выбор триггера
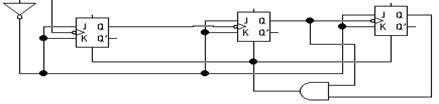
Асинхронный десятичный счётчик .
Так как десятичный счётчик имеет десять состояний, то для его реализации необходимо четыре триггера. На рисунке 3. показана схема счётчика, а на рисунке 4. – его временные диаграммы.
Рис. 3.

Первоначально все триггеры установлены в состояние 0.Счёт осуществляется в соответствии с нормальной двоичной последовательностью чисел, включая число 8. В момент появления отрицательного фронта десятого тактового импульса первый триггер перебрасывается из состояния 1 в состояние 0. Поскольку сигнал с выхода триггера Т1 является тактовым для триггера Т2, то его изменение должно привести к переходу триггера Т2 в состояние 1. Однако этого не происходит по следующей причине. В момент входной сигнал J2 триггера Т2 равен D'=0 и, следовательно, триггер Т2 остаётся в состоянии сброса. В этот же момент в состоянии сброса необходимо установить и триггер Т4. Так как J4=BC=0 и K4=1, то когда в момент окончания импульса S9 триггер Т1 осуществляет переход 1®0, триггер Т4 устанавливается в состояние Т4=0. Теперь все триггеры установлены в нулевое состояние и готовы для приёма первого импульса и начала следующего цикла. Десятичный счётчик является так же схемой, производящей деление на10, поскольку в ответ на каждые десять импульсов, подаваемых на вход триггера Т1, на выходе триггера Т4 появляется один импульс.
Состояния счётчика
Xвх
Q 1
Q 2
Q 3
Q
4
0
0
0
0
0
1
1
0
0
0
1
0
1
0
0
1
1
1
0
0
1
0
0
1
0
1
1
0
1
0
1
0
1
1
0
1
1
1
1
0
1
0
0
0
1
1
1
0
0
1
1
0
0
0
0
Асинхронный счётчик с автоматическим сбросом (деление на пять)
В счётчике с автоматическим сбросом используется несколько иные методы счёта. Счётчик по модулю 5 производит счёт от 0 до 5, причём логический сигнал, представляющий число 5, используется для очистки всех триггеров счётчика. На рис.5. показана диаграмма состояний счётчика с автоматическим сбросом по модулю 5.

Счетчик остаётся в каждом из первых пяти состояний в течение интервала времени, равного периоду тактового сигнала. Но при записи шестого состояния (101) элемент И-НЕ вырабатывает сигнал сбросаr =(Т1 Т1' Т3)' . Как это делается, показано на рис.2.2. На рис.6.изображенывременные диаграммы, характеризующие работу схемы счётчика.
Рис.6
S5
Время сброса для разных триггеров, образующих счётчик, бывает разным.
![]()



Рис. 7.

Например, в следующей схеме рис. 7. триггер Р1 может сбрасываться быстрее, чем триггер Р3 .
В предыдущей схеме (Рис.7.) на выходе элемента 3 появляется логическая <<1>>, когда счётчик переходит в состояние S5 . Это означает, что на выходе Q появляется логический <<0>>.Следовательно, сигнал Q'=r используется для очистки триггеров счётчика. Схема запирания остаётся в состоянии Q=1 до тех пор, пока не появится шестой тактовый импульс. Этот импульс сбрасывает триггер, и значение Q'=r становится равным логической <<1>>. Цикл работы схемы запирания завершается, когда значение AB'C становится равным логической <<1>>.
Рис. 8.

Дешифратор, с коэффициентом пересчёта 10 (включая 0), схема которого показана на Рис 8., имеет четыре входа и один выход и выполняет следующую функцию: каждому входному слову (m-разрядному коду), соответствует сигнал 1 (или в других случаях – сигнал 0) на выходе. Таким образом, для построения дешифратора можно использовать элементы И, на входы которых подаются входные сигналы и их инверсные значения.
Дешифратор преобразует поступающий на него двоичный код в десятичный.
Аналогично строится дешифратор с коэффициентом пересчёта 6 (включая 0)Рис.10.
Рис.10.

С выходов дешифратора десятичные импульсы поступают на индикатор Рис.11.
Принцип синтеза цифр в семисегментном коде иллюстрируется Рис.11. На Рис.11. приведена семисегментная матрица.
Рис. 11

Её отдельные сегменты, соответствующие определённым выходам дешифраторов, D1-D7, обозначены последовательностью прописных букв латинского алфавита (A-G). На рис.12. приведена конфигурация цифр 0…9, выраженная в семисегментном коде.
Рис.12.
![]()
Такое представление цифр является наиболее распространённым, хотя используются и другие начертания.
Исходя из того, что светящемуся сегменту индикатора соответствует уровень 1 на выходе дешифратора, а несветящемуся – уровень 0, можно рассмотреть примеры формирования отдельных цифр. Для формирования цифры 5 необходимо обеспечить уровень 0 на выходах «b» и «e», а на остальных - уровень 1.
Выводы
Выполняя курсовую работу, можно сделать вывод, что с помощью электронной среды «ElectronicsWorkbench» эффективно моделируются и конструируются различные цифровые устройства на логических элементах.
С помощью данной среды можно моделировать схемы до начала их изготовления, так что можно с самого начала быть уверенным в адекватностиих архитектуры. Она детально показывает, из каких элементов состоит схема и как она функционирует, поэтому разработчики могут использовать ее в качестве эскиза или чертежа создаваемого устройства. С помощью готовой модели недостатки проекта легко обнаружить на стадии, когдаих исправление не требует еще значительных затрат.
Литература
1. Гольденберг Л.М.«Импульсные устройства»; Москва; Радио и связь, 1981г.
2. Научно-популярный радиотехнический журнал «Радио» №2 1976г. статья кандидата технических наук С. Бирюкова
3. «В помощь радиолюбителю»: Сборник. Выпуск 72 статья Р. Майзульса 1981г.
4. «В помощь радиолюбителю»: Сборник. Выпуск 74 статья С. Горшкова 1981г.
5. «В помощь радиолюбителю»: Сборник. Выпуск 80 статья В. Скрыпника 1983г.
6. Научно-популярный радиотехнический журнал «Радио» №5 1979г. статья С. Алексеева
7. Б. Голдсуорт; под ред. Директора техн. наук проф. Ю.И. Топчеева; Москва 1995г.