| Скачать .docx |
Реферат: Кодоимпульсный аналого-цифровой преобразователь
Министерство образования и науки Российской Федерации
ОМСКИЙ ГОСУДАРСТВЕННЫЙ ТЕХНИЧЕСКИЙ УНИВЕРСИТЕТ
Кафедра «Автоматизированные системы обработки информации и управления»
к курсовому проекту
по дисциплине «Электротехника и электроника»
«Кодоимпульсный аналого-цифровой преобразователь»
Принял: Преподаватель
______________________
подпись, дата
Выполнил: студент
гр.
_______________________
подпись, дата
Омск –
Реферат
Пояснительная записка 18 с., 8 рис., 6 табл., 12 источников
СЧЕТЧИК, ЦАП, КОМПАРАТОР, РЕГИСТР, ЛОГИЧЕСКАЯ МИКРОСХЕМА, операционный усилитель.
Цель работы – разработка кодоимпульсного аналого-цифрового преобразователя с возможностью считывания результатов в ЭВМ, работающего в автоматическом режиме и имеющей большое входное сопротивление.
Содержание
1 Расчет на структурном уровне.. 7
1.1 Распределение погрешностей. 8
2 Расчет электрической схемы... 10
2.2 Выбор элементов схемы.. 10
3 Анализ метрологических характеристик.. 15
4 Электрическое моделирование.. 17
Введение
Аналого-цифровой преобразователь (АЦП) – устройство, осуществляющее преобразование непрерывно изменяющегося аналогового сигнала в цифровой код.
В кодоимпульсном АЦП дискретизация происходит по величине напряжения. Метод преобразования характеризуется наличием нескольких мер, равных числу разрядов кода; комбинации мер по логической программе сравниваются с измеряемой величиной [6].
1 Расчет на структурном уровне
В основе проектирования АЦП было положено кодоимпульсное преобразование, реализующее следящее уравновешивание.
В качестве базовой была взята схема из [6], реализующая выбранный метод преобразования. Эта схема, несколько преобразованная, изображена на рисунке 1.

Рисунок 1 – Преобразованная схема АЦП
Порядок следования сигнала следующий: на входы операционного усилителя подается входное напряжение и, компенсирующее его, напряжение с ЦАП (при этом усилитель в зависимости от разности напряжений может работать и в своем основном режиме и в режиме насыщения, алгоритм работы такой, что разностный сигнал удерживается в пределах разрешающей способности АЦП). Далее с помощью двух компараторов и схемы 2ИЛИ происходит определение режима изменения кода в зависимости от полярности сигнала. После этого сигнал подается на счетчик, который выполняет тактирование (по входу С) , при этом счетчик работает только тогда, когда с блока управления есть разрешающий сигнал (по входу R). Далее используя ЦАП, сигнал преобразуется в напряжение и выводится для сравнения с заданным входным. Процесс повторяется снова.
Таким образом, по истечению времени преобразования, в счетчике мы получим требуемое значение.
1.1 Распределение погрешностей
Исходя из требований ТЗ погрешность АЦП не должна превышать 1%. За максимальную методологическую погрешность (прежде всего погрешность дискретности) взята
δм =0.25%
Отсюда на приборную погрешность приходится:
δп =1% - δм =0.75%
По основной цепи преобразования распределение погрешности представлено в Таблице 1
Таблица 1
| Элемент | Допустимая погрешность |
| Усилители | ≤0.01% |
| Компараторы | ≤0.01% |
| Схема И-НЕ | ~0% |
| Схема ИЛИ | ~0% |
| Счетчик | ~0% |
| АЦП | 0.1% |
1.2 Счетчик
В качестве счетчика берется двоичный реверсивный счетчик. Его разрядность определяется исходя из величины методологической погрешности (δм )
Вначале определяется ступень квантования:
Δ=0.0025*10=0.025
Соответственно емкость счетчика высчитывается следующим образом:
(1)
Отсюда разрядность счетчика N=9 (наименьшая целая степень двойки при которой получается число покрывающая емкость счетчика).
1.3 Опорный генератор
Частота опорного генератора высчитывается по формуле из [6]:
МГц (2)
1.4 Компараторы
В связи с заданием ступени квантования важно определить для компаратора опорное напряжение и максимальную ширину зоны неопределенности, это можно сделать по формуле 3 из [6].
(3)
(4)
1.5 ЦАП
ЦАП в схеме должен быть девяти разрядным. Согласно [3] такой ЦАП в униполярном режиме не поддерживается стандартом. Поэтому в данной схеме берется десятиразрядный ЦАП, после которого строится усилительная схема для соответствия входных активных разрядов и выходных напряжений, а также умножения напряжения.
Так, если при 10 разрядах напряжение было Umax =1В, то
(5)
В тоже время максимальное выходное напряжение должно соотносится к коду на входе системы, так чтобы при максимуме мы получили 10 В (для минимального это соотношение выполняется Umin =0). Для этого необходимо подобрать коэффициент усиления:
0.9К=107
К=10/0.9=11,11
Корректирующее устройство представляет собой инвертирующий усилитель с коэффициентом усиления 11,11 и максимальным выходным напряжением не менее 10 В.
2 Расчет электрической схемы
2.1 Выбор схемы
В качестве элементарной базы было выбрано КМДП так как:
· Она способна обеспечить заданное быстродействие
· Эта серия является полной и способной синтезировать АЦП, заданного вида
· По энергопотреблению серия является рекомендуемой, т.к. считается, что при частоте меньшей 3МГц потребление мощности на схемах КМОП меньше чем у ТТL (в данной схеме f = 0.4 МГц).
2.2 Выбор элементов схемы
2.2.1 Регистр
Для соединения АЦП с ЭВМ, чтобы исключить взаимное влияние необходимо поставить регистр, который изображен на рисунке 2.

Рисунок 2- Регистр 530ИР22
Регистр КР531ИР22 предназначен для хранения восьмиразрядного слова, записываемого и считываемого в виде параллельного кода. Запись кода производится асинхронно при действии напряжения логической 1 на входе L. При записи на выходах Q формируется записываемый код. Для перевода регистра в режим хранения необходимо на вход L подать напряжение логического 0. При записи кода и его хранении на входе OE должно действовать напряжение логического 0.
Перевод регистра в третье состояние выходов Z (состояние высокого импеданса) осуществляется подачей напряжения логической1 на инверсный вход OE.
2.2.2 ЦАП
В качестве ЦАП выбрана микросхема КР752ПА1[5]. Это 10-разрядный ЦАП (рисунок 3), выполненный по КМОП технологии с коэффициентом нелинейности δ=0,1%

Рисунок 3 ЦАП КР752ПА1
В Таблице 2 приведены основные параметры ЦАП [11]:
Таблица 2 - Основные параметры ЦАП
| Число разрядов | 10 |
| Время установления | 5 мкс |
| Δ | 0,1% |
| Максимальное выходное напряжение | 1 В |
| Uоп | 10.24 |
| Uип | 5.4 |
2.2.3 Усилител ь
В качестве элементной базы для всех усилителей схемы (если это специально не оговорено) выбрана микросхема К140УД7. Она имеет параметры [11],которые отображены в таблице 3:
Таблица 3
| Коэффициент усиления напряжения | 50000 |
| Дрейф напряжения смещения | 6МкВ/˚C |
| Входное напряжение | 12 В |
| Выходное напряжение | 11,5 В |
| Напряжение источника питания | ±15 В |
2.2.4 Сравнивающий усилитель
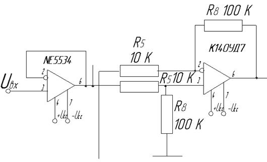
В соответствии с ТЗ должно обеспечиваться подключение к АЦП нагрузки не менее 1МОм.
На рисунке 4 представлена схема подключения через повторитель напряжения, называемый также буфером, так как он обладает изолирующими свойствами (большим входным импедансом и малым выходным).

Рисунок 4 – Повторитель напряжения
Входное сопротивление для повторителя напряжения может быть равным многим сотням мегом на низких частотах, а выходное сопротивление меньше 1Ом, поэтому используется не взятая за базисную микросхема К140УД7, а импортный усилитель NE5534, который предназначен для работы на нагрузку до 600 0м.
Далее в каскаде с повторителем напряжения используется дифференциальный усилитель, для которого справедливо следующее соотношение[10]:
(8)
2.2.6 Компараторы
Элементная база компаратора представляет собой микросхему КМ594СА3[11], совместимой с КМОП цифровыми микросхемами.
Основные характеристики компаратора приведены в Таблице 4:
Таблица 4 – Основные характеристики компаратора
| Напряжение источника питания Uп | ±15 В |
| Время задержки tЗ | 200нс |
| Коэффициент усиления Kу | 150000 |
| Напряжение смещения нуля Uсм | 0,003 В |
2.2.7 Счетчик
Девятиразрядный двоичный реверсивный счетчик построен на трех четырехразрядных серии К564ИЕ11[5]. Условное графическое обозначение микросхемы К564ИЕ11 изображено на рисунке 5.

Рисунок 5 – Счетчик
D1, D2, D3, D4–вход установки 1‑го, 2‑го, 3‑го и 4‑го разрядов соответственно; V–вход разрешения установки; P0–вход переноса; ±1–вход определяющий режим сложение/вычитание; Q1, Q2, Q3, Q4–выходы соответствующих разрядов; p-выход переноса.
Для синтеза девятиразрядного счетчика необходимо знать таблицу истинности данного устройства. Таблица истинности данного счетчика соответствует таблице 5
Таблица 5
| Вход переноса | Сложение / вычитание | Разрешение установки | Установка нуля | Действие |
| P0 | ±1 | V | R | |
| 1 | X | 0 | 0 | Нет счета |
| 0 | 1 | 0 | 0 | Работа на сложение |
| 0 | 0 | 0 | 0 | Работа на вычитание |
| X | X | 1 | 0 | Установка |
| X | X | X | 1 | Установка нуля |
Связь счетчиков осуществляется через соединение выхода переноса младшего к входу старшего.
Режимы Сложение/Вычитание осуществляются в младшем счетчике. Когда компаратор зафиксирует выход за пределы разрешающей способности (что соответствует тому, что нужно увеличить модуль напряжения) на сумматор в соответствующий вход поступает высокий уровень и он работает на сложение.
3 Анализ метрологических характеристик
Разработанное устройство полностью соответствует техническим требованиям, изложенным в техническом задании. В устройстве использованы быстродействующие микросхемы (операционный усилитель К140УД7, компаратор КМ597СА3, ЦАП КР572ПА1, регистр 530ИР22).
Устройство обеспечивает работу в необходимом динамическом диапазоне. Диапазон входного напряжения, исходя из способа построения (это подразумевалось при подборе ступени квантования, разрядности счетчика, ЦАП и, в целом, конструируемого АЦП) рассчитан на напряжение до минус 10 В. Входное сопротивление более 1 Мом, благодаря использованию повторителя.
Время преобразования выбрано равное 1 с. обеспечено благодаря выбору тактовой частоты генератора, что соответствует требованиям ТЗ.
В связи с использованием обратной связи устройство работает в автоматическом режиме.
Аддитивная погрешность складывается из суммы аддитивных погрешностей четырех усилителей (вне зависимости от схемы их включения), и аддитивной погрешности ЦАП. Используемые при расчете аддитивной погрешности характеристики приведены в таблице 6. Характеристики прочих звеньев главного круга преобразования не включены, т.к. подразумевается, что цифровые элементы данным видом погрешностью не обладают, а точность компаратора, с которой он может входной и опорный сигнал достаточна велика.
Таблица6 – Характеристики
| Параметр | Значение |
| Дрейф напряжения смещения (в усилителях) | 6мкВ/С° |
| Коэффициентом нелинейности для ЦАП (δ) | 0,1% |
Будем искать погрешности, в том числе аддитивную, для входной величины, равной ступени квантования (в данном случае она максимальна) по формуле 9 из[7]:
(9)
где С — суммарная аддитивная погрешность устройства; δ1, δ2—аддитивные погрешности усилителей и ЦАП соответственно
Мультипликативная погрешность (возникает при изменении коэффициентов преобразования), будет складываться за счет некоторых факторов, таких как точный подбор резисторов в схемах включения усилителей (они обладают своей точностью). Если погрешность, возникающая при этом порядка d=0,05%, то по формуле из [7] получим предел относительной основной погрешности:
(10)
Полученная погрешность носит лишь оценочный характер. Введу сложности устройства, более точно погрешность может быть оценена путем моделирования.
4 Электрическое моделирование
Моделирование схемы проводилось в пакете программ схемотехнического моделирования Micro-Cap 7.0.
В качестве устройства для моделирования было предложено смоделировать работу генератора. В программе MicroCap была создана схема, показанная на рисунке 6.
Данная схема представляет собой простейший кварцевый генератор на микросхемах КМОП Х1 и Х2. На данной схеме вместо кварца был использован импульсный генератор V1.
На рисунке 7 изображен выходной сигнал модели и выходной сигнал

Рисунок 7 – Выходной сигнал модели
На рисунке 8 изображен выходной сигнал в промежутке времени между преобразованиями.

Рисунок 8 – Выходной сигнал в промежутке времени между преобразованиями
Список литературы
- Джонс М.Х. Электроника – практический курс. Москва: Постмаркет, 1999 –528 с.
- Забродин Ю.С Промышленная электроника: Учебник для вузов. — М.: Высш. школа, 1982. –496 с.
- Кончаловский В.Ю. Цифровые измерительные устройства: Учеб. пособие для вузов .—М.:Энергоатомиздат, 1985.—304 с.
- Ладик А.И. Сташкевич А.И. Изделия электронной техники. Знакосинтезирующие индикаторы: Справочник.–М.: Радио и Связь, 1994–176 с.
- Нефедов А.В. Интегральные микросхемы и их зарубежные аналоги. Справочник. Т.5.–M.:ИП Радиософт, 1999–608 с.
- Никонов А.В. Методические аспекты построения цифровых измерительных устройств: Учебное пособие.- Омск: Изд-во ОмГТУ, 2001 – 52
- Основы метрологии и электрические измерения: Учебник для вузов / Б.Я. Авдеев, Е.М. Антонюк, Е.М. Душин и др.; Под ред. Е.М.Душина.—6‑е изд., перераб. И доп.—Л.: Энергоатомиздат,1987.—480 с.
- Разевиг В.Д. Система схематехнического моделирования Micro-Cap 6 – М.: Горячая линия-Телеком, 2001. –344 с.
- Федорков Б.Г., Телец В.А. Микросхемы ЦАП и АЦП: функционирование, параметры, применение. –М.: Энергоатомиздат, 1990.—320 с.
- Хоровиц П., Хилл У. Искусство схемотехники: В 2-х т. Е.1. Пер. с анг.–Изд. 3-е, стереотип.–М.: Мир, 1986.–598 c.
- Цифровые и аналоговые интегральные микросхемы: Справочник/ С.В.Якубовский, Л.Н.Ниссельсон, В.И. Кулешова и др./ под ред. С.В.Якубовского. –Радио и связь, 1989.—496с.: ил.
- Шило В.Л. Популярные цифровые микросхемы: Справочник.—М.: Радио и связь, 1987.—352с.