| Скачать .docx |
Реферат: Расчет усилителя на биполярном транзисторе
Расчетно-графическая работа по курсу электроники.
Расчет однокаскадного усилителя.
Вариант №25.
Задание: Требуется рассчитать однокаскадный усилитель на биполярном транзисторе, схема которого приведена ниже. В этой схеме тип транзистора определяется полярностью заданного напряжения.
![]() |
Порядок расчета усилителя:
1. Оценка предельных параметров работы транзистора:
Uкэмах = 1,2 * 18= 21.6 в
Rк выбираем в 3.5 раз меньше Rн, где Rн из условия задания = 420 ом
Iкм = Uвых.мах. * (Rк + Rн) / Rк * Rн = 6 * (420 + 115) / 420 * 115 = 66.46 мА
Предельно допустимое значение тока коллектора
Ikmax = 2Ikm + 0.2Ikm = 66.46*2 + 66.46*0.2=146.22 мA
Выбираем транзистор ГТ404В
2. Уточняем Iкmin. Для этого на входной ВАХ найдем ток базы, с которого
предположительно начинается линейная часть входной ВАХ: Iкmin = 4 мА
3. На выходной ВАХ стоим линию нагрузки по постоянному току:
Iкп = 66.46 + 4= 70.46 мА
Uкп = 6 + 2 = 8 В, где DU=2 в,
4. Сопротивление коллекторной цепи Rоб = Rк + Rэ ,
Rоб = Eп/I = 18/0.12772 = 141 Ом, -> Rэ=141 – 115 = 26 Ом
5. Сопротивление Rэ попадает в диапазон 0,1 - 0,25 Rk
6. Построим линию нагрузки по переменному току:
l= arctg ((Rk+Rн)/RкRн);
Найдем точку пересечения нагрузочной линии по переменному току:
Учитывая масштаб по осям Ox и Oy решая систему уравнений:
Приходим к решению Ik*=158.46 мА
В градусном измерении нельзя решать т.к. ветви имеют не одинаковый масштаб.
7. По выходной характеристике строим переходную характеристику, а на
выходной характеристике эпюру изменения напряжения коллектора.
8. Напряжение покоя базы Uбэп = 0,65 В
Ток покоя базы Iбп = 7,5 мА
9.Входное сопротивление каскада по переменному току:
Rвх~ = Uбзm / Iбm = 400 Ом
10. Зададимся необходимым коэффициентом нестабильности S=4, отсюда найдем
напряжение Rд;
Rд = [S*(Rэ+h21 * Rэ)-h21*Rэ] / [h21-S] = (3224-780)/26=94 Ом
11.Определим вeличину разделительной емкости С2:
C2=1 / [2hf (Rк + Rн) (M²-1)½] = 1/823151=1.22*10
Ф
12.Найдем емкость конденсатора Сэ:
Cэ=10/2hfнRэ=10/2 * 3,14 * 250 * 26 = 2.45*10
Ф
13.Рассчитываем сопротивление делителя R1и R2:
UR2 = Uбэп + (Iбп + Iкп) * Rэ = 0,65 + (0,0075 +0,07) ∙26 = 2,665 В
Iдподбираем эмпирически по правилам (Iд = 3 * Iбн): =22.5 мА
R2=UR2/Iд; R2 = 118.4444Ом; R1 = R2*Rд / (R2+Rд) = 53 Ом
14.Рассчитываем коэффициент усиления по напряжению:
По графическим характеристикам: Ku~ = 6/0.06 = 100

Для диапазона средних частот определим Ku~:

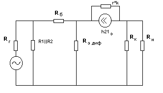
Анализируя схему работы транзистора на средних частотах получим
Кu~ = h21э ∙ Rвх / Rк = 30 ∙ 400/115=104.34
Вывод: При выполнении данного расчетно – графического задания был использован германиевый транзистор ГТ 404В. Из расчета видно, что коэффициент усиления определенный графо – аналитическим методом мало отличается от коэффициента определенного из схемы замещения однокаскадного усилителя на средних частотах. Это связано с неточностью самого графо – аналитического метода и приближенность формул используемых при расчете. Но так как значения отличаются меньше чем на порядок то результаты расчета считаем удовлетворительными в рамках этого расчетно – графического задания.
Министерство общего и профессионального образования
Российской Федерации
ХГТУ
Кафедра «Электроника и электротехника»
Расчетно – графическая работа
Расчет усилительного каскада на биполярном транзисторе
Выполнил: ст-т гр.ВМ-71
Спорыхин Денис Игоревич
Проверил: зав. кафедрой
«Электроника и электротехника»
Зелев Л.В.
Хабаровск 2000
