| Скачать .docx |
Курсовая работа: Проектирование суммирующего двоично-десятичного счетчика импульсов
Содержание
1.2 Выбор и обоснование структурной схемы устройства
1.4 Составление карт функций перехода FQ
1.5 Составление минимизированных логических уравнений
1.6 Разработка принципиальной схемы устройства
2. Конструкторско-технологический раздел
2.1 Выбор и обоснование способа изготовления печатных плат
2.1.1 Методы изготовления печатных плат
2.1.2 Выбор и обоснование способа изготовления печатной платы
2.1.3 Очистка заготовки, сверловка, нанесение флюса, лужение
2.2 Выбор и обоснование способа монтажа элементов
3.1 Меры безопасности при изготовлении печатных плат
3.1.1 Основы безопасности производства печатных плат
Введение
Основной элементной базой современной дискретной техники является интегральная микроэлектроника. Огромные успехи, достигнутые интегральной полупроводниковой микроэлектронной технологией, позволили создать приборы, по всем параметрам превосходящие изделия сходного назначения, собранные на отдельных компонентах. Переход к интегральным микросхемам существенно изменил способы построения электронной аппаратуры, поскольку изделия микросхемотехники представляют собой законченные функциональные узлы, будь то логические элементы для выполнения простейших операций или процессоры вычислительных машин, состоящие из многих тысяч элементов.
Современный этап развития микроэлектронной техники характеризуется широким применением микросхем средней и большой степени интеграции. Преимущество цифровых систем на интегральных схемах СИС сравнительно с устройствами, реализованными на приборах МИС, не только в меньшем числе корпусов. С помощью СИС достигается более высокое быстродействие, поскольку задержка импульсов в объеме кристалла меньше задержек во внешних соединениях. Кроме того, элементы, образующие СИС, для уменьшения времени переключения используются, где это допустимо, в ненасыщенном режиме. Функциональные устройства СИС расходуют меньше энергии, поскольку мощность, потребляемая внутренним элементом для переключения конкретной нагрузки, наперед известна, тогда как изделия МИС рассчитываются на максимальную возможную нагрузку, которая в большинстве случаев используется не полностью. Помехоустойчивость СИС также выше, если учесть, что соединения внутри кристалла менее подвержены действию наводок, чем соединения между отдельными интегральными схемами и платами.
В качестве активных элементов цифровых микросхем сейчас применяются два типа транзисторов: биполярные и полевые (униполярные). Последние имеют структуру металл - окисел - полупроводник (МОП) или, как ее еще называют, металл-диэлектрик-полупроводник (МДП). Цифровые микросхемы на биполярных и полевых транзисторах существенно различаются по многим показателям, и развитие их идет самостоятельными путями.
Микросхемы на основе полевых транзисторов также широко используются в настоящее время. Наиболее распространены и перспективны схемы, основанные на совместном включении пары транзисторов с каналами разных видов проводимости, так называемые комплементарные структуры (КМОП-структуры).
Для удобства разработчиков аппаратуры и по технологическим признакам цифровые интегральные схемы выпускают сериями. Серией называют совокупность микросхем различного функционального назначения, которые имеют согласованные электрические и временные параметры для совместного использования. Микросхемы одной серии изготавливают по единой технологии, и они имеют сходное конструктивное исполнение. В состав современных развитых серий входят десятки типов микросхем - от логических элементов до функционально законченных узлов: счетчиков, регистров, сумматоров, запоминающих устройств, арифметико-логических узлов, микропроцессоров и других.
Но не смотря на это возникает задача проектирования узкоспециализированных устройств.
1. Проектировочный раздел
1.1 Назначение устройства
Счетчики предназначены для подсчета числа входных импульсов. Основным элементом при построении счетчиков являются триггерные устройства. Один триггер образует один разряд счетчика. n - триггеров образуют n - разрядный счетчик. Так как каждый триггер имеет два устойчивых состояния, то n - триггеров имеют 2 n состояний. Основным параметром любого счетчика является его емкость (коэффициент пересчета, модуль счета).
Ксч = 2 n - максимальное число состояний счетчика, включая нулевое состояние. Количество импульсов, которое может быть подсчитано n - разрядным счетчиком равно N = 2 n - 1 (исключается нулевое состояние).
Счетчики можно классифицировать:
По основанию системы - двоичные и десятичные.
По способу организации счета - асинхронные и синхронные.
По направлению переходов - суммирующие, вычитающие, реверсивные.
По способу построения цепей сигналов переноса - с последовательным, сквозным, групповым и частично - групповым переносом.
1.2 Выбор и обоснование структурной схемы устройства
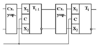
Нужно спроектировать суммирующий двоично-десятичный счетчик импульсов. Для данного счётчика подойдёт схема параллельного суммирующего счётчика, т.к этот вариант отличается хорошим быстродействием.

Рис 1. Структурная схема параллельного счетчика
Каждый разряд состоит из схемы управления и триггера. Вся выходная информация параллельного счетчика формируется почти одновременно.
1.3 Логический расчёт
Задание:
Счетчик задан следующими параметрами:
код 2421
двоичные наборы 0, 1, 2, 3, 4, 11, 12, 13, 14, 15.
старший разряд реализовать на JK-триггерах младший на DV-триггерах
Определим оптимальное количество триггеров для недвоичного счётчика с коэффициентом счёта Кс=10.
M = log 2 (Кс) = 4.
M = 4 значит для реализации каждого разряда двоично-десятичного счётчика необходимо 4 триггера.
Составление таблицы функционирования счётчика и определение функций переходов
Таблица функционирования отображает состояния счетчика до переключающего сигнала и после в зависимости от заданного кода (2-4-2-1), а также функции перехода, показывающие, как изменится состояние (таблица 2). При использовании четырёх разрядов можно закодировать 16 возможных комбинаций цифр двоичной системы счисления, для кодировки 10 цифр достаточно 10 комбинаций. Чтобы исключить некоторые комбинации (в зависимости от кода) используют разные виды кодировки. В коде 2-4-2-1 (код Айкена) исключаются такие комбинации как:
1000,1001,1010,1011,1100,1101
Остаются комбинации представленые в таблице 1.
Таблица 1:
| 0000 | 0001 | 0010 | 0011 | 0100 | 0101 | 0110 | 0111 | 1110 | 1111 |
| 0 | 1 | 2 | 3 | 4 | 5 | 6 | 7 | 8 | 9 |
Таблица 2:

Где значения функций перехода:
0 - переход из LOG”0" в LOG”0"
1 - переход из LOG”1" в LOG”1”
▲ - переход из LOG”0" в LOG”1"
▼ - переход из LOG”1" в LOG”0”
№ - цифра десятичной системы счисления.
1.4 Составление карт функций перехода FQ
Эти карты показывают, какое значение принимает функция перехода для данного триггера при определенной комбинации значений на выходах триггеров. Карты функций перехода потребуются в дальнейшем для составления функций управления входами триггеров.
Карты состояний счётчика:
| T1 | Q5 Q3 | ||||
| 00 | 01 | 11 | 10 | ||
| Q2 Q1 | 00 | ▲ | ▲ | ▲ | |
| 01 | ▼ | ▼ | ▼ | ||
| 11 | ▼ | ▼ | |||
| 10 | ▲ | ▲ | |||
| T2 | Q5 Q3 | ||||
| 00 | 01 | 11 | 10 | ||
| Q2 Q1 | 00 | 0 | 0 | 0 | |
| 01 | ▲ | 0 | ▲ | ||
| 11 | ▼ | ▼ | |||
| 10 | 1 | 1 | |||
| T3 | Q5 Q3 | ||||
| 00 | 01 | 11 | 10 | ||
| Q2 Q1 | 00 | 0 | ▼ | 1 | |
| 01 | 0 | ▼ | 0 | ||
| 11 | ▲ | ▲ | |||
| 10 | 0 | 0 | |||
| T4 | Q5 Q3 | ||||
| 00 | 01 | 11 | 10 | ||
| Q2 Q1 | 00 | 0 | 0 | 0 | |
| 01 | 0 | 0 | 0 | ||
| 11 | 0 | 0 | |||
| 10 | 0 | 0 | |||
| T5 | Q5 Q3 | ||||
| 00 | 01 | 11 | 10 | ||
| Q2 Q1 | 00 | 0 | ▲ | 1 | |
| 01 | 0 | ▼ | 1 | ||
| 11 | 0 | 1 | |||
| 10 | 0 | 1 | |||
| T6 | Q5 Q3 | ||||
| 00 | 01 | 11 | 10 | ||
| Q2 Q1 | 00 | 0 | 0 | 0 | |
| 01 | 0 | 0 | 0 | ||
| 11 | 0 | 0 | |||
| 10 | 0 | 0 | |||
| T7 | Q5 Q3 | ||||
| 00 | 01 | 11 | 10 | ||
| Q2 Q1 | 00 | 0 | 0 | 0 | |
| 01 | 0 | 0 | 0 | ||
| 11 | 0 | 0 | |||
| 10 | 0 | 0 | |||
| T8 | Q5 Q3 | ||||
| 00 | 01 | 11 | 10 | ||
| Q2 Q1 | 00 | 0 | 0 | 0 | |
| 01 | 0 | 0 | 0 | ||
| 11 | 0 | 0 | |||
| 10 | 0 | 0 | |||
В левом верхнем углу каждой карты указано, для какого триггера составлялась карта.
Составление карты Карно функций управления входов для каждого триггера счётчика
Карты Карно составляются в соответствие со словарём перехода триггера.
Для младшего разряда будут использоватся DV-триггеры, для старшего JK-триггеры.
Словарь перехода для DV-триггера представлен в таблице 3
Таблица 3:
| FQ | D | V |
| ▲ | 1 | 1 |
| ▼ | 0 | 1 |
| 0 | 0 | 1 |
| 1 | 1 | 1 |
Используя этот словарь, получим:
| D1 | Q5 Q3 | V1 | Q5 Q3 | ||||||||
| 00 | 01 | 11 | 10 | 00 | 01 | 11 | 10 | ||||
| Q2 Q1 | 00 | 1 | 1 | * | Q2 Q1 | 00 | 1 |
1 | 1 | * | |
| 01 | 0 | * | 0 | 0 | 01 | 1 | * | 1 | 1 | ||
| 11 | 0 | * | * | 0 | 11 | 1 | * | * | 1 | ||
| 10 | * | * | 1 | 10 | 1 | * | * | 1 | |||
| D2 | Q5 Q3 | V2 | Q5 Q3 | ||||||||
| 00 | 01 | 11 | 10 | 00 | 01 | 11 | 10 | ||||
| Q2 Q1 | 00 | 0 | 0 | 0 | * | Q2 Q1 | 00 | 1 |
1 | 1 | * |
| 01 | * | 0 | 01 | 1 | * | 1 | 1 | ||||
| 11 | 0 | * | * | 0 | 11 | 1 | * | * | 1 | ||
| 10 | * | * | 1 | 10 | 1 | * | * | 1 | |||
| D3 | Q5 Q3 | V3 | Q5 Q3 | ||||||||
| 00 | 01 | 11 | 10 | 00 | 01 | 11 | 10 | ||||
| Q2 Q1 | 00 | 0 | 0 | * | Q2 Q1 | 00 | 1 |
1 | 1 | * | |
| 01 | 0 | * | 0 | 0 | 01 | 1 | * | 1 | 1 | ||
| 11 | * | * | 1 | 11 | 1 | * | * | 1 | |||
| 10 | 0 | * | * | 0 | 10 | 1 | * | * | 1 | ||
Таблица 4:
| D4 | Q5 Q3 | V4 | Q5 Q3 | ||||||||
| 00 | 01 | 11 | 10 | 00 | 01 | 11 | 10 | ||||
| Q2 Q1 | 00 | 0 | 0 | 0 | * | Q2 Q1 | 00 | 1 |
1 | 1 | * |
| 01 | 0 | * | 0 | 0 | 01 | 1 | * | 1 | 1 | ||
| 11 | 0 | * | * | 0 | 11 | 1 | * | * | 1 | ||
| 10 | 0 | * | * | 0 | 10 | 1 | * | * | 1 | ||
Словарь перехода для JK-триггера представлен в таблице 5
Таблица 5:
| FQ | J-вход | K-вход |
| 0 | 0 | * |
| 1 | * | 0 |
| ▲ | 1 | * |
| ▼ | * | 1 |
| J1 | Q5 Q3 | K1 | Q5 Q3 | ||||||||
| 00 | 01 | 11 | 10 | 00 | 01 | 11 | 10 | ||||
| Q2 Q1 | 00 | 0 | 1 |
* | * | Q2 Q1 | 00 | * | * | 0 | * |
| 01 | 0 | * | * | * | 01 | * | * |
1 | 0 | ||
| 11 | 0 | * | * | * | 11 | * | * | * | 0 | ||
| 10 | 0 | * | * | * | 10 | * | * | * | 0 | ||
| J2 | Q5 Q3 | K2 | Q5 Q3 | ||||||||
| 00 | 01 | 11 | 10 | 00 | 01 | 11 | 10 | ||||
| Q2 Q1 | 00 | 0 | 0 | 0 | * | Q2 Q1 | 00 | 0 | 0 | 0 | * |
| 01 | 0 | * | 0 | 0 | 01 | 0 | * | 0 | 0 | ||
| 11 | 0 | * | * | 0 | 11 | 0 | * | * | 0 | ||
| 10 | 0 | * | * | 0 | 10 | 0 | * | * | 0 | ||
| J3 | Q5 Q3 | K3 | Q5 Q3 | ||||||||
| 00 | 01 | 11 | 10 | 00 | 01 | 11 | 10 | ||||
| Q2 Q1 | 00 | 0 | 0 | 0 | * | Q2 Q1 | 00 | 0 | 0 | 0 | * |
| 01 | 0 | * | 0 | 0 | 01 | 0 | * | 0 | 0 | ||
| 11 | 0 | * | * | 0 | 11 | 0 | * | * | 0 | ||
| 10 | 0 | * | * | 0 | 10 | 0 | * | * | 0 | ||
| J4 | Q5 Q3 | K4 | Q5 Q3 | ||||||||
| 00 | 01 | 11 | 10 | 00 | 01 | 11 | 10 | ||||
| Q2 Q1 | 00 | 0 | 0 | 0 | * | Q2 Q1 | 00 | 0 | 0 | 0 | * |
| 01 | 0 | * | 0 | 0 | 01 | 0 | * | 0 | 0 | ||
| 11 | 0 | * | * | 0 | 11 | 0 | * | * | 0 | ||
| 10 | 0 | * | * | 0 | 10 | 0 | * | * | 0 | ||
1.5 Составление минимизированных логических уравнений
В картах Карно выделены клетки, которые описываются наиболее простыми логическими уравнениями, и охватывающие все единичные состояния триггеров. Исходя из этого, составим минимизированные логические уравнения функций управления:
D1
=![]()
D2
=![]()
+![]()
![]()
D3
=
+![]()
![]()
D4 =0
J1 =Q3
K1 =Q1 Q3
V1 = V2 = V3 = V4 =1
K2 = J2 = K3 = J3 = K4 = J4 =0
1.6 Разработка принципиальной схемы устройства
Для разработки электрической принципиальной схемы нам понадобятся простые логические микросхемы серии 74HC.
В таблице 6 представлены выбранные микросхемы
Таблица 6:
| Микросхема | Функционально назначение |
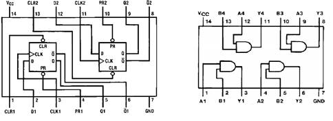
| 74HC74 | Содержит 2 DV-триггера |
| 74HC73 | Содержит 2 JK-тригера |
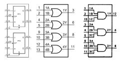
| 74HC11 | Содержит три элемента 3И |
| 74HC08 | Содержит четыре элемента 2И |
| 74HC32 | Содержит четыре элемента 2ИЛИ |

а) б)
а-74HC74A, б-74HC08
Рис.2 Логические микросхемы

а) б) в)
а-74HC73, б-74HC32, в-74HC11.
Рис.3 Логические микросхемы.
Принципиальная схема КП62.294024.201ЭЗ, перечень элементов КП 62.294024.201 ПЭ3, функциональная схема КП62.294024.201Э2 находятся в приложениях.
2. Конструкторско-технологический раздел
2.1 Выбор и обоснование способа изготовления печатных плат
2.1.1 Методы изготовления печатных плат
Субтрактивный метод (от лат. "отнимание") в настоящее время самый распространенный, лучше освоен технологически. В качестве исходного материала используют одно - или двухсторонние фольгированные диэлектрики (в основном фольгированные медью).
Рисунок печатного проводника наносится на фольгированную основу в виде защитной резистивной пленки, а непокрытые резистом места удаляются с помощью травления.
Аддитивный метод (от лат. "прибавлять") - при этом методе исходным является нефольгированный диэлектрик, на поверхность которого наносится желаемый рисунок печатной платы.
Преимущества аддитивного метода по сравнению с субтрактивным:
более высокая надежность, так как проводники и металлизация отверстий получаются в едином гальваническом цикле;
однородность соединений между проводниками и металлизацией отверстий;
отсутствие подтравливания;
отсутствие гальванического защитного покрытия при травлении;
экономия меди и химикатов;
упрощение технологического процесса.
Существуют два основных варианта аддитивного метода получения ПП:
химический;
химико-гальванический.
При химическом методе слои получают на основе восстановительного соединения, при этом слои получаются до 10 мкм при удовлетворительных механических и физических свойствах покрытия. Недостатки - высокая стоимость изделий (в 3-4 раза дороже, чем при гальваническом осаждении) и низкая скорость осаждения.
Чтобы устранить недостатки химического метода часто обращаются к комбинированным методам (химико-гальванический метод). При этом на поверхности нефольгированного диэлектрика сначала химически получают связанный с подложкой слой меди толщиной до 5 мкм, который при последующем селективном гальваническом наращивании служит рисунком печатных проводников, а по окончании наращивания вытравливается, где это необходимо. Недостаток метода - неравномерная толщина покрытия в отверстиях из-за неравномерного распределения плотности тока гальванических ванн и возникновение переходной зоны между химически восстановленной и гальванически осажденной медью.
2.1.2 Выбор и обоснование способа изготовления печатной платы
Собственно, весь процесс изготовления печатной платы можно условно разделить на пять основных этапов:
предварительная подготовка заготовки (очистка поверхности, обезжиривание);
нанесение тем или иным способом защитного покрытия;
удаление лишней меди с поверхности платы (травление);
очистка заготовки от защитного покрытия;
сверловка отверстий, покрытие платы флюсом, лужение.
Мы рассматриваем только наиболее распространенную "классическую" технологию, при которой лишние участки меди с поверхности платы удаляются путем химического травления. Помимо этого, возможно, например, удаление меди путем фрезерования или с использованием электроискровой установки. Однако эти способы не получили широкого распространения ни в радиолюбительской среде, ни в промышленности (хотя изготовление плат фрезерованием иногда применяется в тех случаях, когда необходимо очень быстро изготовить несложные печатные платы в единичных количествах).
Остановимся теперь подробнее на каждом из этапов изготовления печатной платы.
Предварительная подготовка заготовки:
данный этап является начальным и заключается в подготовке поверхности будущей печатной платы к нанесению на нее защитного покрытия. В целом за продолжительный промежуток времени технология очистки поверхности не претерпела сколько-нибудь значительных изменений. Весь процесс сводится к удалению окислов и загрязнений с поверхности платы с использованием различных абразивных средств и последующему обезжириванию.
Нанесение защитного покрытия:
нанесение защитного покрытия является самым важным этапом в процессе изготовления печатных плат, и именно им на 90% определяется качество изготовленной платы. В настоящее время в радиолюбительской среде наиболее популярными являются три способа нанесения защитного покрытия. Мы их рассмотрим в порядке возрастания качества получаемых при их использовании плат:
ручное нанесение защитного покрытия. При этом способе чертеж печатной платы переносится на стеклотекстолит вручную при помощи какого - либо пишущего приспособления.
использование "технологии лазерного принтера и утюга". Данная технология появилась сравнительно недавно, однако сразу получила широчайшее распространение в силу своей простоты и высокого качества получаемых плат.
применение фоторезистов. Фоторезистом называется чувствительное к свету вещество, которое под воздействием освещения изменяет свои свойства.
Травление.
Известно много составов для химического стравливания меди. Все они отличаются скоростью протекания реакции, составом выделяющихся в результате реакции веществ, а также доступностью необходимых для приготовления раствора химических реактивов. Ниже приведена информация о наиболее популярных растворах для травления:
хлорное железо (FeCl) - пожалуй, самый известный и популярный реактив. Сухое хлорное железо растворяется в воде до тех пор, пока не будет получен насыщенный раствор золотисто-желтого цвета (для этого потребуется порядка двух столовых ложек на стакан воды). Процесс травления в этом растворе может занять от 10 до 60 минут. Время зависит от концентрации раствора, температуры и перемешивания. Перемешивание значительно ускоряет протекание реакции. В этих целях удобно использовать компрессор для аквариумов, который обеспечивает перемешивание раствора пузырьками воздуха. Также реакция ускоряется при подогревании раствора. По окончании травления плату необходимо промыть большим количеством воды, желательно с мылом (для нейтрализации остатков кислоты). К недостаткам данного раствора следует отнести образование в процессе реакции отходов, которые оседают на плате и препятствуют нормальному протеканию процесса травления, а также сравнительно низкую скорость реакции.
персульфат аммония - светлое кристаллическое вещество, растворяется в воде исходя из соотношения 35 г вещества на 65 г воды. Процесс травления в этом растворе занимает порядка 10 минут и зависит от площади медного покрытия, подвергающегося травлению. Для обеспечения оптимальных условий протекания реакции раствор должен иметь температуру порядка 40 градусов и постоянно перемешиваться. По окончании травления плату необходимо промыть в проточной воде. К недостаткам этого раствора относится необходимость поддержания требуемого температурного режима и перемешивания.
раствор соляной кислоты (HCl) и перекиси водорода (H 2 O 2). Для приготовления этого раствора необходимо к 770 мл воды добавить 200 мл 35% соляной кислоты и 30 мл 30% перекиси водорода. Готовый раствор должен храниться в темной бутылке, не закрытой герметически, так как при разложении перекиси водорода выделяется газ. Внимание: при использовании данного раствора необходимо соблюдать все меры предосторожности при работе с едкими химическими веществами. Все работы необходимо производить только на свежем воздухе или под вытяжкой. При попадании раствора на кожу ее необходимо немедленно промыть большим количеством воды. Время травления сильно зависит от перемешивания и температуры раствора и составляет порядка 5-10 минут для хорошо перемешиваемого свежего раствора при комнатной температуре. Не следует нагревать раствор выше 50 градусов. После травления плату необходимо промыть проточной водой.
2.1.3 Очистка заготовки, сверловка, нанесение флюса, лужение
После завершения травления и промывки платы необходимо очистить ее поверхность от защитного покрытия. Сделать это можно каким-либо органическим растворителем, например, ацетоном.
Далее необходимо просверлить все отверстия. Делать это нужно остро заточенным сверлом при максимальных оборотах электродвигателя. В случае, если при нанесении защитного покрытия в центрах контактных площадок не было оставлено пустого места, необходимо предварительно наметить отверстия (сделать это можно, например, шилом). Прижимное усилие в процессе сверления не должно быть слишком большим, чтобы на обратной стороне платы не образовывались бугорки вокруг отверстий. Обычные электродрели практически не подходят для сверления плат, поскольку, во-первых, имеют низкие обороты, а во-вторых, обладают достаточно большой массой, что затрудняет регулирование прижимного усилия. Удобнее всего для сверления плат использовать электродвигатели типа ДПМ-35Н и им подобные с насаженным на их вал небольшим цанговым патроном. После сверловки нужно обработать отверстия: удалить все зазубрины и заусенцы. Сделать это можно наждачной бумагой.
Следующим этапом является покрытие платы флюсом с последующим лужением. Можно использовать специальные флюсы промышленного изготовления (лучше всего смываемые водой или вообще не требующие смывания) либо просто покрыть плату слабым раствором канифоли в спирте. Лужение можно производить двумя способами: погружением в расплав припоя либо при помощи паяльника и металлической оплетки, пропитанной припоем. В первом случае необходимо изготовить железную ванночку и заполнить ее небольшим количеством сплава Розе или Вуда. Расплав должен быть полностью покрыт сверху слоем глицерина во избежание окисления припоя. Для нагревания ванночки можно использовать перевернутый утюг или электроплитку. Плата погружается в расплав, а затем вынимается с одновременным удалением излишков припоя ракелем из твердой резины.
2.2 Выбор и обоснование способа монтажа элементов
Радиоэлементы и микросхемы тоже необходимо подготовить к монтажу и пайке. Для этого их выводы формуют (придают им нужную форму), обрезают до необходимой длины, зачищают и лудят.
Формовку выводов делают для того, чтобы, во-первых, привести в соответствие расстояния между ними и контактными площадками, во-вторых, чтобы предотвратить отслаивание печатных проводников и площадок при неосторожном нажатии на корпус элемента. Формовку можно выполнить с помощью пинцета, миниатюрных плоскогубцев, круглогубцев или несложного приспособления.
Поскольку прочность сцепления фольги с платой невелика и при нагревании уменьшается, то при пайке соединений на печатной плате необходимо соблюдать осторожность не допускать перегрева, так как это может привести к отслаиванию проводников и площадок от платы.
Способы монтажа элементов:
1) Компаундный способ монтажа заключается в следующем: на дно формы, соответствующей размерам будущей платы, помещают слой пластичной массы (формовочная глина или пластилин); сверху накладывают эскиз монтажной схемы, выполненный на кальке в масштабе 1: 1, с указанием мест расположения элементов и их выводов. Эскиз покрывают прозрачным защитным слоем, например полиэтиленовой пленкой. Далее расставляют элементы в соответствии с эскизом. При этом выводами прокалывают защитный слой, кальку и пластичную массу. После этого форму заливают компаундом.
Выводы радиоэлементов перед установкой их в пластичную массу рихтуют, изгибают по эскизу монтажа, а при необходимости и укорачивают. Принцип компоновки элементов схемы тот же, что и при обычном монтаже.
В экспериментальных образцах монтажных плат элементы схемы располагают с таким расчетом, чтобы после заливки корпуса они оказались над слоем компаунда. В отработанных же схемах корпуса элементов могут быть частично или полностью погружены в компаунд. Детали из ферритов без специальной защиты заливать компаундом не рекомендуется.
Для монтажа таким способом можно использовать эпоксидиные, полиэфиракрилатные и подобные им компаунды. Компаунд должен быть прозрачным и легкотекучим, а после затвердевания-эластичным. Этим требованиям отвечает эпоксидный компаунд такого состава (в массовых частях): смола эпоксидная-100, дибутил-фталат от 20 до 25, полиэтиленполиамин от 12 до 15.
Толщина слоя компаунда может быть 1,5-3,5 мм. Полимеризуется компаунд сначала при комнатной температуре в течение 6-12 ч, а после извлечения из формы при температуре 60-80 °С еще 4-6 ч. Приведенный выше состав компаунда обеспечивает надежное крепление как частично залитых им, так и не залитых элементов, а также устойчивость монтажа к ударным нагрузкам. Электрическое сопротивление изоляции между выводами деталей получается не менее 1000 МОм.
Электрические соединения выполняют монтажным проводом с помощью пайки. При необходимости замены элементов достаточно нагреть паяльником выводы, чтобы расплавить припой и размягчить вблизи выводов эпоксидный компаунд по всей толщине слоя, затем удалить пинцетом или металлическим крючком элемент, вставить на его место новый и залить компаундом.
Полностью отработанную и настроенную схему, если она предназначена для работы в условиях повышенной влажности, целесообразно выполнить в виде модуля, т.е. полностью залить компаундом как со стороны корпусов элементов, так и со стороны монтажа.
2) Монтаж методом вдавливания в термопластичный материал (винипласт, органическое стекло и др.). Выводы всех элементов перед установкой на плату формуют. При монтаже их прижимают к плате острозаточенным паяльником. При этом материал платы плавится и вывод погружается в плату на глубину, несколько большую его диаметра. Затем паяльник отводят, а элемент удерживают в неизменном положении до тех пор, пока пластмасса не затвердеет. Выводы элементов, которые должны соединяться между собой, нужно крепить возможно ближе один к другому и паять.
При пайке крепление элементов не нарушается, так как во время разогрева выводов механические нагрузки на них практически отсутствуют и выводы достаточно хорошо удерживаются обволакивающей их пластмассой. При таком монтаже удобно пользоваться двумя паяльниками: одним запрессовывать детали, другим лаять соединения.
Смонтированную и проверенную в работе плату покрывают защитным слоем эпоксидного клея.
3) Монтаж самодельных модулей. Конструирование и сборка малогабаритных устройств, особенно рассчитанных на изготовление в нескольких экземплярах (аппаратура для народного хозяйства, для телеуправления моделями и др.), значительно упрощается при использовании модулей, представляющих собой законченные функциональные узлы.
Узел предварительно макетируют, добиваясь того, чтобы он был работоспособен без какой-либо дополнительной регулировки при монтаже его из исправных стандартных элементов с заданным допуском параметров. Затем проверяют устойчивость работы узла при таком размещении элементов, каким оно будет в модуле. Каждый элемент обертывают двумя-тремя слоями лакоткани или надевают на корпус отрезок полихлорвиниловой трубки и помещают в обойму. Элементы, имеющие на корпусе кольцевой выступ (например, стабилитроны), выравнивают по диаметру намоткой лакоткани. Транзисторы в круглом корпусе укладываю г попарно выводами в противоположные стороны. Прижимная планка обоймы со штифтами перемещается под действием стальной пружины в направляющих пазах и фиксирует положение элементов при монтаже модуля.
Корпус обоймы изготовляют из листовой стали толщинок 0,5мм. Размеры, указанные на рисунке, ориентировочные. Размер А определяется объемом модуля. Монтируют элементы пайкой, изолируют лакотканью весь блок и помещают его в корпус-экран, который изготовляют из листовой латуни или меди толщиной 0,2 - 0,3 мм. Модуль заливают эпоксидным компаундом или закрывают изоляционной пластиной с отверстиями, через которые пропускают выводы.
4) Монтаж накруткой при макетировании позволяет лучше сохранить элементы, так как исключает многократные перепайки их выводов.
Суть монтажа методом накрутки состоит в том, что все соединения в устройстве делают медным неизолированным (лучше луженым) проводом, туго наматывая его на выводы деталей. Обеспечить надежный электрический контакт в соединении и облегчить выполнение этой операции позволяет несложное приспособление.
Основой приспособления служит патрон держателя грифеля от чертежного циркуля (пригоден держатель со сквозным осевым отверстием). На хвостовик держателя напрессована латунная трубка длиной около 80 мм. К верхнему (по рисунку) концу трубки припаяны две латунные полоски размером 25Х5Х0,5 мм с крепежными отверстиями. Эти полоски образуют держатель катушки с запасом монтажного провода; осью катушки служит винт. В патрон держателя грифеля зажимают две стальные трубки, отрезанные от игл медицинского шприца.
Трубка 1 имеет наружный диаметр 0,8 и длину 35 мм, а трубка 2-соответственно 1,2 и 25 мм. Трубка 2 служит направляющей для монтажного провода и одновременно резцом, снимающим с него оксидную пленку. Выступающий торец этой трубки нужно заточить перпендикулярно ее оси на шлифовальном круге; кромки должны быть острыми, но без заусенцев. Кромки противоположного конца трубки сглаживают и надевают на него направляющую трубку длиной около 100 мм из полихлорвинила. Трубка 1 является как бы осью: ее надевают на вывод детали и вокруг нее вращают приспособление, прижав конец монтажного провода пальцем к плате. При этом монтажный провод вытягивается из трубки 2 и плотно наматывается на вывод. Из патрона трубка 1 должна выступать на 4 мм, а трубка 2-на 3,7 мм.
После намотки провода на один вывод приспособление переносят на другой вывод и так, не обрывая провода, соединяют нужное число выводов. Необходимое натяжение провода устанавливают гайкой винта. После небольшой практики работы с приспособлением получается достаточно надежный электрический контакт.
3. Охрана труда
3.1 Меры безопасности при изготовлении печатных плат
3.1.1 Основы безопасности производства печатных плат
Одним из наиболее распространенных методов создания электрических цепей в радиоэлектронной, электронно-вычислительной и электротехнической аппаратуре является применение печатного монтажа, реализуемого в виде односторонних, двусторонних и многослойных печатных платах.
Объем аппаратуры на печатных платах и их производство в отечественной промышленности и за рубежом неуклонно увеличивается. Именно поэтому знание опасных и вредных факторов производства, возникающих при изготовлении печатных плат, является одним из непременных условий подготовки специалистов электронной промышленности.
К заготовительным операциям относят раскрой заготовок, разрезку материала и выполнение базовых отверстий и изготовление слоев на печатных платах.
В крупносерийном производстве разрезку материала выполняют методом штамповки в специальных штампах на эксцентриковых прессах с одновременной пробивкой базовых отверстий на технологическом поле. В серийном и мелкосерийном производстве широкое распространение получили одно - и многоножевые роликовые ножницы, на которых материал разрезается сначала на полосы заданной ширины, а затем на заготовки. Разрезку основных и вспомогательных материалов (прокладочной стеклоткани, кабельной бумаги и др.), необходимых при изготовлении многослойных печатных плат в мелкосерийном и единичном производстве, осуществляют с помощью гильотинных ножниц.
Таким образом, выполнение заготовительных операций по раскрою материала сопряжено с опасностью повреждения рук работающего в случае попадания их в зону между пуансоном и матрицей, в частности верхним и нижним ножом гильотинных ножниц, при ручной подаче материала.
Наибольшую опасность представляет работа пресса в автоматическом режиме, требующая большого напряжения, внимания и осторожности работающего, так как всякое замедление движения рабочего может привести к травматизму. Во избежание попадания рук рабочего в опасную зону применяют систему двурукого включения, при котором пресс включается только после одновременного нажатия обеими руками двух пусковых кнопок.
В прессах и ножницах с ножными педалями для предотвращения случайных включений педаль ограждают или делают запорной. Часто, кроме этого, опасную зону у пресса ограждают при помощи фотоэлементов, сигнал от которых автоматически останавливает пресс, если руки рабочего оказались в опасной зоне. При ручной подаче заготовок необходимо применять специальные приспособления: пинцеты, крючки и т.д.
Радикальным решением вопроса безопасности является механизация и автоматизация подачи и удаления заготовок из штампа, в том числе с использованием средств робототехники.
Базовые отверстия получают различными методами в зависимости от класса печатных плат. На печатных платах первого класса базовые отверстия получают методом штамповки с одновременной вырубкой заготовок. Базовые отверстия на заготовках плат второго и третьего классов получают сверлением в универсальных кондукторах с последующим развертыванием. В настоящее время в серийном и крупносерийном производстве традиционное сверление базовых отверстий по кондуктору на универсальных сверлильных станках уступило место сверлению на специализированных станках (например, модель AB-2 фирмы "Schmoll", ФРГ). Таким образом, станки в одном цикле со сверлением предусматривают установку фиксирующих штифтов, плотно входящих в просверленное отверстие и скрепляющих пакет из 2-6 заготовок. Во избежание травм при работе на сверлильных станках необходимо следить за тем, чтобы все ремни, шестерни и валы, если они размещены в корпусе станка и доступны для прикосновения, имели жесткие неподвижные ограждения. Движущиеся части и механизмы оборудования, требующие частого доступа для осмотра, ограждаются съемными или открывающимися устройствами ограждения. В станках без электрической блокировки должны быть приняты меры, исключающие возможность случайного или ошибочного их включения во время осмотра.
Во избежание захвата одежды и волос рабочего его одежда должна быть заправлена так, чтобы не было свободных концов; обшлага рукавов следует застегнуть, волосы убрать под берет.
Образующуюся при сверлении, резке материала заготовок печатных плат пыль необходимо удалять с помощью промышленных пылесосов.
Заключение
При выполнении курсового проекта я спроектировал двухразрядный двоично-десятичный счетчик, младший разряд реализовал на DV-триггерах, старший на JK-триггерах. Провел логический расчет внутренних состояний счетчика и функций перехода. Разработал принципиальную схему устройства. Для реализации счетчика были выбраны микросхемы серии 74HC. Монтаж данных микросхем на печатную плату осуществляется при помощи технологии монтажа в отверстия (THT), также называемой штырьковым монтажом. Обоснование метода представлено в подразделе 2.2
Литература
1. Дроздов В.Г. Проектирование цифровых устройств на интегральных микросхемах. Методические указания по курсовому проектированию для учащихся специальности 40 02 02 “Электронные вычислительные средства". - Минск: МГВРК, 2002. - 20с.
2. Нешумова К.А. Электронные вычислительные машины и системы. Учеб. для техникумов спец. ЭВТ. - 2-е изд., доп. и перераб. - М.: Высш. шк., 1989. - 366 с.
3. Угрюмов Е.П. Цифровая схемотехника. - СПб: БВХ, 2000.
1
1
1
1
1
*