| Скачать .docx |
Реферат: Особенности транзисторов
Реферат
На тему
Особенности транзисторов
2010
Содержание
Введение
1. Устройство и принцип действия транзисторов
2. Схема включения транзисторов
3. Классификация и маркировка транзисторов
4. Характеристики
5. Применение
Выводы
Литература
Введение
В данном реферате речь пойдёт о полупроводниковом приборе - транзисторе.
Транзисторами называют трехэлектродные полупроводниковые приборы, предназначенные для преобразования различных электрических сигналов. Слово транзистор произошло от комбинации английских слов "transfer of resistor", что в переводе означает (преобразователь сопротивления). Их можно разделить на 2 основные группы - биполярные и полевые (униполярные), принцип действия которых отличается. В биполярных транзисторах происходит перемещение как основных, так и неосновных носителей заряда. В биполярных транзисторах управление потоком носителей заряда осуществляется путём изменения уровня их инжекции (или экстракции), в полевых транзисторах поток носителей заряда управляется электрическим полем.
Устройство и принцип действия транзисторов
Биполярный транзистор - это трёхэлектродный полупроводниковый прибор с двумя взаимодействующими электронно-дырочными переходами. Он представляет собой трёхслойный полупроводниковый монокристалл с чередующимся типом электропроводности. Существуют n-p-n структуры и p-n-p структуры.
Центральную часть монокристалла называют базой (Б). С одной стороны к базе примыкает область с высокой концентрацией примеси, называемая эмиттером (Э), с другой – область с низкой концентрацией примеси, называемая коллектором (К). Между базой и эмиттером находится эмитерный переход (ЭП), между базой и коллектором – коллекторный переход (КП). Взаимодействие между переходами будет существовать, если толщина базы много меньше диффузионной длины не основных носителей заряда. На рисунке 1.1 показана структура кремневого монокристалла, изготовленного по эпитаксиально-планарной технологии, которая характерна для большинства современных транзисторов. На сильнолегированной подложке 1 n+-типа методом эпитаксии сформирован слаболегированный слой 2 n-типа толщиной около 10 мкм, в котором методом локальной диффузии созданы слой базы 3 с дырочной электропроводностью и слой эмиттера 4 n+-типа. Толщина базового слоя составляет около 1 мкм. На поверхности кристалла расположен защитный слой диоксида кремния SiO2 толщиной порядка 1мкм, через отверстия в котором осуществлены металлические выводы от эмиттера и базы. Тонкая база имеет значительную протяженность в горизонтальном направлении, поэтому она обладает сравнительно большим сопротивлением. Чтобы снизить это сопротивление, от базы делают два вывода, которые соединяют вместе.

Рис. 1.1.
Основные физические процессы в такой структуре протекают под эмиттером. Эту область называют активной. Остальная часть структуры является пассивной, не оказывающей существенного влияния на работу транзистора. Поэтому в дальнейшем будет рассматриваться упрощенная модель транзистора, показанная на рис. 1.1 (б). На рис. 1.1 (в) представлено схематическое изображение транзисторов. У полевых транзисторов, ток обусловлен носителями заряда только одного знака. Эти транзисторы относятся к классу униполярные. Основу полевого транзистора составляет полупроводник электронной (n) или дырочной (р) проводимости. В этом полупроводнике образуется проводящий канал – это область, в которой регулируется поток носителей заряда (тока). При этом ток, протекающий через канал, управляется электрическим полем, создаваемым напряжением. Электрод, на который подается управляющий электрический сигнал, называется затвором (З). Электрод, через который в проводящий канал втекают носители заряда, называется истоком (и). Электрод, через который носители заряда вытекают из канала, называются стоком (с).
Существует два вида полевых транзисторов: с управлением p-n-переходом; с изолированным затвором. У полевых транзисторов с управляющем p-n-переходом с противоположных сторон основного полупроводника (в котором образуется проводящий канал) создаётся область противоположной проводимости. Она является затвором и управляет с помощью электрического поля током через канал рис 2.1 (а).
В зависимости от типа канала полевые транзисторы с управляющем p-n-переходом бывают (n ) типа и (p) типа. условно графические обозначения этих транзисторов приведены на рис 2.1 (б), (в).
|
Рис. 2.1.
Схема включения транзисторов
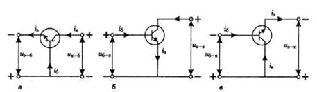
Биполярный транзистор является активным прибором, позволяющим осуществлять усиление электрических сигналов. В конкретных электронных схемах он включается как четырехполюсник, у которого имеются входная и выходная цепи. Один из электродов транзистора является общим. Возможны 3 схемы включения: схема с общей базой (ОБ), схема с общим эмиттером (ОЭ) и схема с общим коллектором (ОК) – показанные на рисунке 3.1 (а), (б), (в). Для обозначения напряжений, подаваемых на электроды транзистора используют двойные индексы. Первый индекс идентифицирует электрод, на который подаётся напряжение, измеряемое относительно общего электрода, обозначаемого вторым индексом. Например, U к-э-напряжение между коллектором и эмиттером, U к-б напряжение между коллектором и базой и т.д. На рисунке 3.1 показана полярность напряжений, соответствующая активному режиму работы транзистора и направления тока в этом режиме (для транзисторов типа p-n-p полярность напряжений и направления тока противоположны). Схема включения полевых транзисторов аналогична.

Рис. 3.1.
Классификация и маркировка транзисторов
Система условных обозначений транзисторов такая же, как и у полупроводниковых диодов, только 2 и 3 элемент имеют другие значения. Второй элемент: буква Т – биполярный транзистор; буква П. – полевой транзистор. Третий элемент - цифра, определяющая функциональные возможности транзистора. Например: ГТ322Г-германиевый транзистор малой мощности, высокой частоты; КТ 940А - кремневый транзистор большой мощности, высокой частоты. В таблице 1.1 показана расшифровка третьего элемента условных обозначений транзисторов.
Табл. 1.1
| Частота, мГц |
Мощность, Вт |
||
| малая (до 0,3) |
средняя (0,3 – 1,5) |
большая (выше 1,5) |
|
| Низкая (до 3) Средняя (3 – 30) Высокая (30 – 300) Сверхвысокая (более 300) |
1 2 3 3 |
4 5 6 6 |
7 8 9 9 |
Система обозначения силовых транзисторов
В соответствии с ней приняты следующие обозначения - первый элемент (у некоторых типов транзисторов он может отсутствовать) – цифра обозначающая исходный полупроводниковый метал (1-германий, 2-кремний, 3-арсенид галлия, 4-карбид кремния); второй элемент – буквы ТК, ТКД, или ТКП, обозначающие вид прибора (соответственно дискретный биполярный, составной биполярный, и полевой транзистор); третий элемент - цифра, указывающая порядковый номер разработки; четвертый элемент – цифра, определяющая размер корпуса для каждого конструктивного исполнения; пятый элемент-цифра, обозначает конструктивное исполнение корпуса (1-штыревое с гибкими выводами,2-штыревой с жесткими выводами, 3 – таблеточное, 4 – под запрессовку, 5 – фланцевое, 6-9 – иное исполнение); шестой элемент – отделенное дефисом число, соответствующее максимально допустимому постоянному току коллектора (стока) в амперах; седьмой элемент – отделенное дефисом число, обозначающее класс транзистора в зависимости от максимально допустимого постоянного напряжения коллектор-эмиттер при отключенной базе (или от напряжения сток-исток). Например: ТКД133-80-4, ТК235-40-3. При маркировке транзисторов на корпусах могут указываться их условные обозначения или применяться кодированная система маркировки с помощью определённых меток и цвета (точек или меток). На корпусе транзисторов также могут указываться год (код латинской буквой) и месяц (код цифрой или латинской буквой) изготовления. рис 3.2
Конкретно по каждому типу транзисторов при расшифровке маркировки необходимо пользоваться справочной литературой или ТУ на соответствующий транзистор, в которых также определяется цоколёвка выводов (Э.К,Б).
Характеристики
У транзисторов большое количество различных характеристик и параметров. Обычно рассматриваются семейства входных и выходных характеристик транзистора, снимаемых для схем с ОЭ и ОБ. Входная характеристика-это зависимость силы входного тока транзистора от входного напряжения при постоянном выходном напряжении. Разделение токов и напряжений на входные и выходные зависит от схем включения транзистора.
|
||||||||||||||||||||||||||||||||||||||||||
|
|
||||||||||||||||||||||||||||||||||||||||||
Рис.3.2 Транзисторы. Кодовая маркировка. Корпус КТ-26 (ТО-92)
Выходная характеристика - это зависимость выходного тока транзистора от выходного напряжения при постоянном входном токе. Семейства этих характеристик для схем с ОЭ и ОБ обычно приводятся в различной справочной литературе иле ту на соответствующие типы транзисторов. Все параметры транзисторов можно разбить на несколько групп; постоянного тока; в режиме малого сигнала; частотные; в режиме большого сигнала; предельных режимов.
Пример параметров транзисторов :
1-Обратный ток коллектора I к.б.о – ток через коллекторный переход при заданном обратном напряжение коллектор-база и разомкнутом выводе эмиттера.
2-Напряжение насыщения коллектора – эмиттер Uк.э.нас –напряжение между выводами коллектора и эмиттера транзистора в режиме насыщения при заданных силах тока базы и коллектора.
3-Статический коэффициент передачи тока по схеме с ОЭ h21э – отношение постоянного тока I а к току I б при заданных постоянном обратном напряжении коллектор-эмитер и силе тока Iэ.
4-Предельная частота fh21 коэффициента передачи тока - частота, при которой модуль коэффициента передачи тока снижается на 3дБ по сравнению с его значением на низкой частоте.
5-Граничная частота fгр коэффициента передачи тока – частота, при которой модуль коэффициента передачи тока в схеме с общим эмиттером равен единице.
6-коэффициент передачи тока h21э в режиме малого сигнала в схеме с ОЭ- отношение изменения выходного тока к вызвавшему его изменению входного тока в режиме короткого замыкания выходной цепи по переменному току.
7-Максимальное допустимое постоянное напряжение коллектор – эмиттер: при силе тока базы, равной 0, U к.э.о max при сопротивление в цепи база – эмиттер.
Применение
1- схемы (УНЧ) существует множество схем усилителей низкой частоты, где применяются транзисторы как полевые, так и биполярные. У полевых транзисторов качество усиления лучше чем у биполярных так как они меньше входят в режим насыщения.
2- Схемы (УВЧ) - усилители высокой частоты, применяются на входных цепях приёмников Р.Т.А. для усиления высокой частоты.
3- Схемы генераторов - в которых происходит различные преобразования импульсов (синусоидальные, пилообразные, прямоугольные, и т. д.)
4- Cхемы регуляторов напряжения и тока.
Вывод
В настоящее время транзисторы нашли себе широкое применение в схемах Р.Т.А. они используются в качестве схем усилителей различных частот, преобразования импульсов, регулирования напряжения и тока. Они имеют множество различных характеристик и параметров, которые позволяют использовать их для необходимых целей, например усилителей низкой (КТ 819г) или высокой частоты. (ГТ 322а).
Их различная структура n-p-n или p-n-p даёт нам возможность получать различные генераторы, которые позволяют нам преобразовать переменное напряжение из постоянного.
Литература
1. Техническое обслуживание бытовой радиоаппаратуры: спецтехнология:учеб пособие . П.И. Мисюль
2. Е.В Зарежецкий – Радиотовары.
3. К.С Петров Радиоматериалы, радиокомпоненты и электроника
4. А.В. Нефёдов, А.И. Аксенов Отечественные транзисторы для бытовой промышленности
5. Джо Карр Карманный справочник радиоинженера
КТ313
КТ503