| Скачать .docx |
Реферат: Исследование усилительных каскадов
ИССЛЕДОВАНИЕ УСИЛИТЕЛЬНЫХ КАСКАДОВ НА ОУ
Методические указания к лабораторной работе №204
ОСНОВНЫЕ УСЛОВНЫЕ ОБОЗНАЧЕНИЯ И СОКРАЩЕНИЯ
ОУ - операционный усилитель,
ООС - отрицательная обратная связь,
КООС - коэффициент ослабления синфазного сигнала (Fs),
К - коэффициент усиления по напряжению ОУ без обратной связи,
К – - коэффициент усиления по напряжению инвертирующего усилителя на ОУ,
К+ - коэффициент усиления по напряжению неинвертирующего усилителя на ОУ,
«–» - инвертирующий вход ОУ,
«+» - неинвертирующий вход ОУ,
Rвх . оу , Rвх . ус , - входное сопротивление ОУ и усилительного каскада на ОУ, соответственно,
Rвых . оу , Rвых.оу - выходное сопротивление ОУ и усилительного каскада на ОУ, соответственно,
Uсм - входное напряжение смещения ОУ,
Jсм1,2 - токи смещения инвертирующего и неинвертирующего входов ОУ, соответственно,
Jр - разностный входной ток ОУ,
Jсм - средний ток смещения ОУ.
1. ЦЕЛЬ РАБОТЫ
Целью настоящей работы является:
1. изучение основных параметров ОУ и их влияния на характеристики усилителя на ОУ;
2. изучение схемотехники усилительных устройств на ОУ;
3. выработка навыков экспериментальной работы с ОУ на интегральных микросхемах.
2. ДОМАШНЕЕ ЗАДАНИЕ
2.1 Изучить основные параметры ОУ и методики их определения (подразделы 3.1, 3.2, Приложение 1).
2.2 Изучить принципиальные схемы инвертирующего, неинвертирующего, дифференциального усилителей на ОУ и принципиальную схему лабораторного макета (подразделы 3,2,4).
2.3 Уяснить назначение всех элементов на лицевой панели лабораторного макета (раздел 4).
2.4 Найти ответы на все контрольные вопросы (раздел 6).
2.5 Заготовить отчет о лабораторной работе, внеся в него все необходимые данные, кроме экспериментальных (раздел 5).
3. ОПЕРАЦИОННЫЕ УСИЛИТЕЛИ
Операционный усилитель (ОУ) - это усилитель постоянного тока с дифференциальным входом, имеющий большой, но нестабильный коэффициент усиления по напряжению К>>1 (К=104 ...106 ), большое входное (Rвх =0.1...100 МОм) и малое выходное (Rвх =50...400 МОм) сопротивления. В линейных усилителях применяют ОУ только с цепями отрицательной обратной связи (ООС), которая уменьшает коэффициент усиления К по напряжению до 1...103 , но одновременно с этим стабилизирует К, увеличивает Rвх.ус и уменьшается Rвых.ус. Применение ОУ в усилителях без цепей ООС недопустимо .
3.1. Основные параметры ОУ.
Параметры ОУ можно условно разделить на две группы: к первой группе относятся параметры, характерные для всех линейных усилительных устройств:
1) коэффициент усиления по напряжению без обратной связи - К;
2) входное сопротивление Rвх.оу и входная емкость Cвх.оу ;
3) выходное сопротивление Rвых.оу ;
4) переходная характеристика (ПХ) и амплитудночастотная характеристика (АЧХ);
5) напряжение питания (обычно ±15 В), ток потребления и мощность, рассеиваемая ОУ без нагрузки.
Ко второй группе относят параметры, учитывающие специфику ОУ, как дифференциального усилителя, имеющего два входа - инвертирующий (вход «–») и неинвертирующий (вход«+»).

Рис. 3.1.
При подаче сигнала на вход «–» выходное напряжение противофазно входному, при подаче сигнала на вход «+» фазы входного и выходного напряжений совпадают. Ко второй группе параметров ОУ относятся:
1) входное напряжение смещения Uсм ;
2) входной ток смещения Jсм (входной ток по входу «–» - Jсм1 , входной ток по входу «+» - Jсм2 );
3) разность входных токов смещения Jр =Jсм1 –Jсм2 ;
4) коэффициент ослабления синфазных сигналов Fs оу , характеризующий способность ослаблять (не усиливать) сигналы, приложенные к обоим входам ОУ одновременно.
Входное напряжение смещения Uсм определяется, как напряжение, которое требуется приложить между входами «–» и «+» ОУ (см. рис. 3.1) с тем, чтобы обеспечить Uвых =0. В идеальном случае при нулевом дифференциальном входном напряжение на выходе ОУ напряжение Uвых =0, реально имеется Uвых ¹0, возникающее из-за разбаланса входного дифференциального каскада. Когда обеспечено Uвых =0 путем подачи на вход усилителя Uсм, говорят, что в усилителе установлен нуль, или он сбалансирован. Установка нуля усилителя на ОУ может быть выполнена подачей соответствующих сигналов как на вход «+», так и на вход «–».
ОУ в первом (входном) дифференциальном каскаде содержит транзисторы (биполярные или полевые). Этим транзисторам, как приборам, управляемым током, для базового смещения необходим определенный ток. Поэтому во всех усилителях на ОУ должны быть предусмотрены цепи протекания постоянных токов смещения Jсм , в противном случае усилитель будет неработоспособен . Входной ток смещения Jсм , приводимый в справочных данных на ОУ, определяется как средний ток смещения
Jсм =(Jсм1 –Jсм2 )/2, (3.1)
отличие во входных токах смещения характеризуется справочными параметром
Jр.=Jсм1–Jсм2. (3.1а)
Влияние параметров Uсм , Jсм , Jр на работу усилительного каскада на ОУ зависит от схемы включения ОУ в усилителе.
3.2 Схемы включения ОУ
Основными схемами включения ОУ являются инвертирующая, неинвертирующая, дифференциальная схемы.
Инвертирующее включение ОУ
Схема инвертирующего включения ОУ представлена на рис. 3.2.


Рис. 3.2 Рис 3.3
Сопротивление отрицательной обратной связи Rос , включенное с выхода усилителя на инвертирующий вход «–», образует цепь параллельной обратной связи по напряжению. Коэффициенты усиления инвертирующего усилителя:
K_ = _ ___KR ос_____________________
R1(Rос/R1 + Rос/Rвх.оу + 1 + K) (3.3)
где Rвх.оу, - дифференциальное входное сопротивление ОУ,
К - коэффициент усиления ОУ без ООС.
При Rвх.оу >> Rос и К >> 1
K_ » - Rос / R1. (3.4)
Входное сопротивление инвертирующего усилителя определяется величиной R1:
Rвх.ус » R1,
и так как R1 относительно мало (от единиц до сотен килоом), то эта схема включения характеризуется малой величиной входного сопротивления.
Выходное сопротивление инвертирующего усилителя
Rвых.ус »Rвых.оу /(1+К/K_), (3.5)
где Rвых.оу - выходное сопротивление ОУ.
Для установки нуля инвертирующего усилителя используется вход «+» (см. рис. 3.3.).
Неинвертирующее включение ОУ.
Схема неинвертирующего включения ОУ представлена на рис. 3.4.


Рис. 3.4 Рис. 3.5
Коэффициент усиления неинвертирующего усилителя
(3.6)
При Rвх.оу >> Rос и К >> 1
. (3.7)
Входное сопротивление неинвертирующего усилителя
.
При глубокой ООС, когда фактор обратной связи F=(K/K+ )>>1,
Rвх.ус »R3, (3.8)
то есть входное сопротивление определяется величиной навесного элемента R3.
Выходное сопротивление неинвертирующего усилителя
Rвых.ус »Rвых.оу / (1+F) <<Rвых.оу . (3.9)
Для установки нуля неинвертирующего усилителя используется вход «–» (см. рис.3.5).
Важным частным вариантом схемы рис.3.4 при Rос = ¥, является схема повторителя напряжения на ОУ, представлена на рис.3.6.

Рис.3.6.
Повторитель охвачен 100%-й ООС (F=К>>1),имеет единичный коэффициент передачи по напряжению и входные и выходные параметры, близкие к параметрам идеального усилителя:
K+ =1,
Rвх.ус = (Rвх.оу К)®¥, (3.10)
Rвых.ус = (Rвых.оу / К)®0.
Дифференциальное включение ОУ.
Схема дифференциального включения ОУ (рис.3.7) использует инвертирующий и неинвертирующий входы

рис.3.7
Дифферециальный усилитель (ДУ) усиливает дифференциальные входные сигналы Uвх.диф. =(Uc 2 –Uс1 ), действующие между инвертирующими и неинвертирующими входами усилителя. ДУ ослабляет синфазные входные сигналы Uвх.синф. =Uc 2 =Uс1 , действующие между входами усилителя и общей точкой («землей»).
Ослабление Uвх.синф. происходит только в том случае, если модули коэффициентов усиления по инвертирующему (вход 1) и неинвертирующему (вход 2) входами равны. Из формул (3.3) и (3.7) следует, что при одних и тех же элементах R1 и Rос, в инвертирующем и неинвертирующем усилителях │K – │¹K+ .
Для их выравнивания в ДУ перед входом «+» включается делитель напряжения R3, R2 с коэффициентом деления R2/(R2+R3), обеспечивающий результирующий коэффициент усиления по входу2:
(3.11)
При обеспечении равенства
(3.12)
из (3.11) следует, что
.
В этом случае при подаче на входы 1, 2 сигналов Uc2, Uс1, напряжение на выходе усилителя равно
. (3.13)
Из (3.13) следует, что ДУ ослабляет синфазные сигналы
Uвх.синф.=Uc2=Uс1
так как при этом
Uвых =(Uвх синф К+ * )/ Fs ус → 0,
где Fs ус - коэффициент ослабления синфазных сигналов дифференциальным усилителем на ОУ (сам ОУ имеет коэффициент ослабления синфазных сигналов Fs ). В идеальном ДУ когда Fs ®¥ и абсолютно точно выполняется (3.12), величина Fs ус ®¥. На практике из-за ограниченности Fs реальных ОУ и неточности выполнения (3.12) наблюдается конечная величина Fs ус. . Для ее увеличения при заданном типе ОУ часто применяют вместо дискретных сопротивлений R1, R2, R3, Rос интегральные резистивные матрицы сопротивлений, выполненные на одной подложке по одному технологическому циклу. Значения сопротивлений резистивных матриц при действии дестабилизирующих факторов (температура, старение и др.) изменяются по одинаковому закону, при этом условие (3.12) выполняется с высокой точностью (с относительной погрешностью 10-3 …10-4 ). Это позволяет достигнуть в ДУ на ОУ, работающих в широком диапазоне температур окружающей среды, значения Fs ус. , близкие к Fs . При использовании в ДУ дискретных сопротивлений R1, R2, R3, Rос увеличение Fs ус. может быть достигнуто только в узком температурном диапазоне путем подстройки сопротивлений для обеспечения (3.12), (3.13) с требуемой точностью.
Дифференциальные сигналы в ДУ, как следует из (3.13), усиливаются с коэффициентом усиления
(3.14)
3.4. Влияние напряжения и токов смещения на работу усилителя на ОУ
Наличие Uсм и Jсм приводит к возникновению в усилительном каскаде на этом ОУ выходного напряжения сдвига Uвых.сдв при нулевом входном сигнале. Амплитудные характеристики неинвертирующего усилителя при различных Uвых.сдв приведены на рис.3.8.

Рис.3.8.
Видно, что наличие Uвых.сдв ¹0 приводит к погрешности усиления полезных сигналов, а так же к изменению динамических диапазонов входных сигналов положительной и отрицательной полярности. Величина Uвых.сдв определяется параметрами ОУ и схемой его включения.
Порядок оценки Uвых.сдв в усилителях на ОУ.
1. В анализируемом усилителе определяют эквивалентное сопротивление R – по постоянному току между входом «–» ОУ и общей точкой («землей») и эквивалентное сопротивление R+ по постоянному току между входом «+» ОУ и общей точкой (R+ и R – определяют с учетом сопротивления Rс источников сигналов по постоянному току).
2. Рассчитывают напряжения, вызываемые Jсм1, Jсм2 на инвертирующем и неинвертирующем входах усилителя
U1=Jсм 1 R – , U2=Jсм2 R+ .
3. Рассчитывают коэффициенты усиления К+ и К – на постоянном токе.
4. Рассчитывают Uвых.сдв по формуле
Uвых.сдв = К+ Uсм + К – U1 + К+ U2 (3.15)
Например, для схемы инвертирующего усилителя (рис.3.2)
при Rc <<R1,
R – =R1Rос / (R1+Rос ), R+ =R2,
Uвых.сдв. »Rос [(Uсм +Jсм2 R2)/R1 - Jсм1 ], (3.15а)
для схемы неинвертирующего усилителя
Uвых.сдв. »Rос [(Uсм +Jсм2 Rс )/R1 - Jсм1 ], (3.15б)
3.5. Измерение напряжения и токов смещения ОУ
Измерение Uсм
Из формул (3.3), (3.7), (3.15) следует, что Uсм можно определить по выходному напряжению усилителя при R – =R+ =0, то есть путем измерения Uвых. В схеме повторителя рис.3.9. при R – =0.

рис.3.9.
Uсм
= Uвых
(3.16)
R+ =0
R – =0.
Измерение Jсм1 и Jсм2
При R+=0, R – ¹0 (см. формулу (3.15)) Uвых = Uсм – Jсм1 R – , откуда
![]()
(3.17)
аналогично, при R – =0, R+ ¹0, Uвых = Uсм + Jсм2 R+ ,
(3.18)
Определив Jсм1 и Jсм2 , рассчитывают Jсм и Jр по формулам (3.1) и (3.1а).
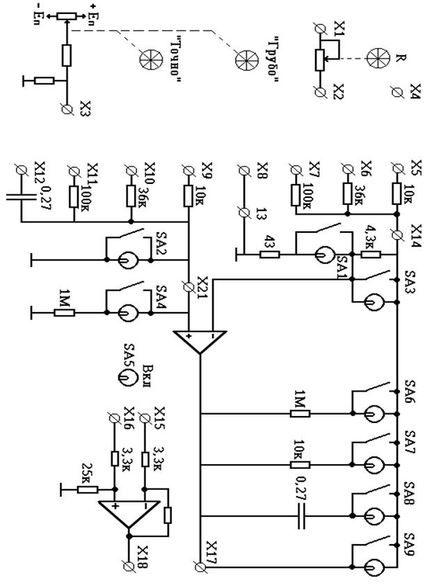
4.ОПИСАНИЕ ЛАБОРАТОРНОЙ УСТАНОВКИ
В состав лабораторной установки входят:
1) лабораторный макет;
2) лабораторный блок питания (типа ТЭС 13);
3) универсальный вольтметр (типа В7-15, В7-16).
Лабораторный макет содержит:
а) усилитель на ОУ (типа К140УД9) с коммутационными элементами, обеспечивающими набор схем инвертирующего усилителя, повторителя напряжения, не инвертирующего усилителя;
б) дифференциальный усилитель на ОУ с внешними сопротивлениями, выполненными на микросхемной резистивной матрице (типа 301НР1); дифференциальный усилитель включается специальным переключателем (Вкл) и расположен в правой нижней части лицевой панели лабораторного макета;
в) два встроенных источника регулируемого постоянного напряжения (Uвых = – 1.5…+1.5В), расположенных на верхней части корпуса лабораторного макета (U1, U2);
г) встроенное переменное сопротивление (для измерения Rвых усилителя), выводы которого расположены в левой верхней части лицевой панели лабораторного макета;
д) встроенный источник регулируемого постоянного напряжения, предназначенного для компенсации напряжения смещения усилителя (с возможностью грубой и плавной регулировки), расположенный в левой нижней части лицевой панели лабораторного макета.
Питание лабораторного макета осуществляется от источника постоянного напряжения Еп =24…30В.
Внешний вид лицевой панели с нанесенной на нее принципиальной схемой лабораторного макета представлен на рис.4.1.

5. ПОРЯДОК ВЫПОЛНЕНИЯ РАБОТЫ
5.1. Измерение токов и напряжения смещения.
а) Набрать на лабораторном макете схему повторителя напряжения (рис.3.9.), обеспечив R – =0 и R+ =0. Измерить Uвых усилительного каскада, Uсм =Uвых .
б) Набрать на лабораторном макете схему повторителя напряжения (рис.3.9.), обеспечив R+ =0 и R – =1 Мом. Измерить Uвых , рассчитать Jсм1 по формуле (3.17), используя значение Uсм , полученные в пункте а.
в) Набрать на лабораторном макете схему повторителя напряжения (рис.3.9.), обеспечив R – =0 и R+ =1 Мом. Измерить Uвых , рассчитать Jсм2 по формуле (3.18).
г) Определить Jсм и Jр по формулам (3.1) и (3.1а). Занести результаты в таблицу 5.1.
Таблица 5.1.
| тип ОУ | Uсм | Jсм1 | Jсм2 | Jсм | Jр |
| К14ОУД9 |
5.2. Исследование инвертирующего усилителя
а) Набрать на лабораторном макете схему инвертирующего усилителя (рис.3.2), обеспечив R1»36 кОм, Rос »1 Мом, R2»1 Мом.
Провести измерения R1 и Rос при помощи универсального вольтметра (с обязательным их отключением в процессе измерения от входа «–» ОУ). Рассчитать К – по формуле (3.3).
Определить Uвых.сдв. усилителя по формуле (3.15а). Результаты занести в таблицу 5.2.
Таблица 5.2.
| R1 | Rос | К – | Uвых.сдв | Rвх |
| Расчет | ||||
| Эксперимент |
б) Снять зависимости выходного напряжения усилителя от входного, построить амплитудную характеристику усилителя. В качестве Uвх Использовать встроенные источники регулированного постоянного напряжения (U1,U2). Измерить Uвых.сдв. усилителя путем измерения Uвых при Uвых.сдв =0, сравнить с результатами расчетов по формуле (3.15а).
в) Подключить на вход усилителя напряжение, компенсирующее сдвиг нуля (см.рис.3.3.). используя грубую и точную регулировку Uсм установить Uвых =0 с погрешностью £±5мВ. Повторно снять амплитудную характеристику усилителя и построить ее на одном графике с АХ, полученной в пункте б). Измерить К – =Uвых /Uвх , сравнить с расчетом по формуле (3.3).
г) Измерить Rвх при помощи внешнего переменного сопротивления, выводы которого выведены на панель лабораторного макета. Измерения проводить по методике, изложенной в приложении 1. Результат измерения сравнить с R1, сделать выводы.
Занести результаты в таблицу 5.2. результаты измерения К – , Uвых.сдв , Rвх .
Примечание: Номиналы сопротивлений R1, R2, Rос могут быть отличны от указанных в пункте а. и заданны преподавателем из имеющегося набора сопротивлений.
5.3 Исследование неинвертирующего усилителя
а) Набрать на лабораторном макете схему неинвертирующего усилителя (рис.3.4.), обеспечив R1»100 кОм, Rос »1 Мом, R3»1 Мом (см. примечание в подразделе 5.1).
Провести измерения R1, Rос как это указанно в подразделе 5.1. Рассчитать К+ по формуле (3.7). Определить Uвых.сдв усилителя по формуле (3.15б). Результаты занести в таблицу 5.3.
Таблица 5.3
| R1 | Rос | К+ | Uвых.сдв | Rвх |
| Расчет | ||||
| Эксперимент |
б) Измерить Uвых.сдв усилителя путем измерения при Uвых при Uвх =0.
Подключить на вход усилителя напряжение, компенсирующее сдвиг нуля (см.рис.3.5). Используя грубую и точную регулировку Uсм установить нулевое входное напряжение с погрешностью менее ±5мВ. Снять амплитудную характеристику усилителя, построить ее на одном графике с АХ инвертирующего усилителя. Измерить К+ =Uвых /Uвх , сравнить с расчетом по формуле (3.7)
в) Определить Rвх неинвертирующего усилителя по методике изложенной в приложении 1. Сравнить входное сопротивление инвертирующего и неинвертирующего усилителей, сделать выводы. Занести в таблицу 5.3. результаты измерения.
5.4 Исследование дифференциального усилителя.
а) Включить схему дифференциального усилителя. Измерить Uвых.сдв для чего измерить Uвых при подключенных к общей точке («земле») обоих выходов усилителя.
б) Используя встроенные источники регулируемого напряжения подать на неинвертирующий вход дифференциального усилителя сигнал Uс1 =+30…+50 мВ, а на неинвертирующий вход - сигнал Uс2 =+50…+100 мВ. Измерить Uвых , сравнить его с результатом расчета по формуле (3.13).
в) Подключить ко входам дифференциального усилителя сигналы Uс1 =Uс2 =(2…3)В. Измерить Uвых , рассчитать коэффициент ослабления синфазных сигналов усилителем по формуле:

где К+ определяется по формуле (3.11),
Повторить измерения Fsус при Uс1= – (2…3)В.
Определить Fs ус [дБ]=20lg Fs ус
5.5 Оформление отчета.
Отчет должен содержать:
а) схемы инвертирующего, неинвертирующего и дифференциального усилителей на ОУ;
б) результаты расчетов, измерений, таблицы и графики, требуемые лабораторными заданиями;
в) заключение о соответствии полученных результатов теоретическим данным.
КОНТРОЛЬНЫЕ ВОПРОСЫ
1. Основные параметры ОУ.
2. Инвертирующее включение ОУ.
3. Неинвертирующее включение ОУ.
4. Дифференциальное включение ОУ.
5. Повторители напряжения на ОУ.
6. Схемы установки нуля в инвертирующем и неинвертирующем усилителях.
7. Влияние выходного напряжения сдвига на амплитудную характеристику усилителя.
8. Определение выходного напряжения сдвига усилителей на ОУ.
9. Измерение токов и напряжения смещения ОУ.
10. Методика измерения входного сопротивления усилительных каскадов.
ЛИТЕРАТУРА
1. Остапенко Г.С. Усилительные устройства: Учеб. пособие для вузов. – М.: Радио и связь, 1989, подразделы 7.1, 7.2, 8.2.
2. Проектирование усилительных устройств: Учеб. пособие /Ефимов В.В., Павлов В.Н., Соколов Ю.П. и др.; под редакцией Н.В. Терпугова. - М.: Высш. школа, 1982, §3.2.
3. Фолкенберри Л. Применение операционных усилителей и линейных ИС. - М.: Мир, 1985, §1.5-1.8, 3.1-3.3.
Приложение 1.
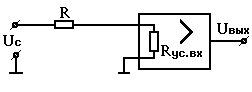
ИЗМЕРЕНИЕ ВХОДНОГО СОПРОТИВЛЕНИЯУСИЛИТЕЛЯ ПРИ ПОМОЩИ ИСТОЧНИКА СТАБИЛЬНОГО СИГНАЛА И ИЗВЕСТНОГО ВНЕШНЕГО СОПРОТИВЛЕНИЯ
Схема для измерения Rвх.ус представлена на рис.П.1., где R- известное внешнее сопротивление, Uс - напряжение входного сигнала.

рис.П.1.
При подаче на вход исследуемого усилителя Uс при R=0 (R - короткозамкнуто) напряжение на выходе усилителя равно:
U1=Uc K0 ,
где K0
- коэффициент усиления усилителя по напряжению. При включении R¹0 напряжение на выходе усилителя уменьшается, так как из-за наличия делителя напряжения (R, Rвх.ус
) уменьшается напряжение на выходе усилителя пропорционально величине
= Rвх.ус
/(R+
Rвх.ус
). При этом напряжение на выходе усилителя равно
.
Из выражения для U2 и U1 видно, что
, откуда следует:
![]()
Следовательно, зная R и
, можно определить Rвх.ус
.