| Скачать .docx |
Реферат: Передача электрической энергии, характеристика ЛЭП
Основу системы передачи электрической энергии от электрических станций, ее производящих, о крупных районов электропотребления и распределительных узлов ЭЭС составляют различные сети электропередач или отдельные электропередачи внутрисистемного и межсистемного значения (системообразующие сети) и питающие сети напряжением 220 кВ и выше. Их появление вызвано необходимостью размещения крупных ТЭС и АЭС за пределами жилых зон, а так же возможностью выработки части ЭЭ гидроэлектростанциями, расположенными на относительно удаленным расстоянии от городов. Внутрисистемные и межсистемные магистральные линии электропередачи, включая дальние (протяженные) ЛЭП, объединяющие на совместную (параллельную) работу электростанции и более крупные подстанции (районы потребления), составляет системообразующую сеть. Назначение такой сети – формирование ЭЭС и одновременно выполнение функции передачи, транзита электрической энергии.
Одним из основным требований, предъявляемых к таким передающим и связующим сетям, является обеспечение надежности и устойчивости их работы, т.е. обеспечение ее работоспособности во всех возможных состояниях (режимах) – нормальных, ремонтных, аварийных и послеаварийных. Решение этой задачи в значительной мере возлагается на большой комплекс автоматических устройств: управление релейной защиты, режимной и противоаварийной автоматики. Совокупность магистральных и системообразующих (передающих) электрических сетей и устройств автоматического регулирования образуют систему передачи электрической энергии.
Приведем краткую характеристику такой системы по ряду показателей, к которым в первую очередь относятся величины передаваемой мощности, номинального напряжения, функциональное значение и дальность передачи, конфигурация (топология) сети.
Системообразующая сеть, является основной сетью энергосистем, предназначена для передачи больших потоков мощности ( от сотен МВт до нескольких ГВт) отдельным потребителям (расстояние до 1000 км и более)и выполняется в основном магистральными линиями электропередачи на переменном токе. Межсистемные линии электропередачи сооружают обычно на напряжение более высокое, чем напряжение внутрисистемных линий соединяемых систем, и включают трансформаторные подстанции по концам. Межсистемные передачи ЭЭ переменным током осуществляется преимущественно на напряжение 500 и 750 кВ. Напряжение 500 кВ используется для системообразующих сетей в энергосистемах со шкалой номинальных напряжений сетей 110-220-500-1150 кВ и напряжение 750 кВ в ОЭС со шкалой 150-330-750 кВ, в которой в качестве следующей ступени возможно напряжение 1800 кВ.
Сети этих напряжений служат для выдачи мощности крупных электростанций, создания межсистемных связей и питания нагрузочных узлов 550/200, 500/110, 330/110 (150) кВ, а в некоторых ЭЭС –линии 220 кВ, используются для внутрисистемных связей: выдачи мощности и связи крупных электростанций, для питания и объединения центров электроснабжения 330/110 (150), 220/110 систем распределения электроэнергии. В мощных концентрированных ЭЭС с развитой сетью 500 кВ сети 220 кВ выполняют, как правило распределительные функции.
Линии электропередачи, передающие потоки равными мощностями группы генераторов или соизмеримыми с установленной мощностью энергосистем, относятся к сильным связям. При пропускной способности, не превышающей 10-15% от установленной мощности меньшей из объединяемых энергосистем, связь между ними характеризуются как слабая. По этим связям практически проводят границу между отдельными ЭЭС.
Если одна из энергосистем постоянно располагает избыточной по балансу мощностью и энергией, стоимость которой ниже, чем в другой энергосистеме, то межсистемная ЛЭП работает с неизменным направлением потока мощности.
Линию электропередачи с переменным направлением потока называют реверсивной (маневренной). Ее роль состоит главным образом во взаимопомощи между соседними сравнительно мощными системами. Различие между магистралями и реверсивными связями часто очень неопределенной.
Условность деления системы передачи и распределения электрической энергии на основные электрические сети, т.е. протяженные (дальние) электропередачи, системообразующие сети и системы распределения электрической энергии по их номинальному напряжению. По мере развития основных сетей (роста нагрузок и присоединения понижающей подстанции, появление новых генерирующих источников и охвата территории электрическими системами) они в большей мере выполняют функцию распределения электроэнергии. Это означает, что сети, выполняющие функцию передающих, системообразующих, с появлением в энергосистемах сетей более высокого напряжения постепенно “передают” им эти функции, превращаясь в распределительные.
Номинальное напряжение линии электропередачи зависит от передаваемой мощности, количества цепей и расстояния (дальности), нат которое передается электроэнергия . Выбор номинальных напряжений выполняют на этапе проектирования систем передачи ЭЭ. В данном случае необходимо отметить, что чем больше передаваемая мощность и протяженность линии, тем выше по техническим и экономических причинам должно быть номинальное напряжение электропередачи. На современном этапе развития ЭЭС ориентировочная передаваемая мощность и длинна линии электропередачи в зависимости от класса напряжения характеризуется данными приведенными в таблице №1.
Таблица №1 Передаваемая мощность и дальность передачи

Передача мощности от удаленных электростанций на первых этапах развития межсистемных межсистемной связи выполняются в виде неразветвленной электропередачи напряжением (330) 5001150 кВ (рисунок №1). Мощные КЭС или ГЭС имеют блочную схему. К каждому трансформатору присоединяют от одного до трех генераторов, отдающих энергию на шины 500-150 кВ. Далее энергия передается по длинной линии, через понижающую подстанцию в приемную систему, часть нагрузки которой обеспечивается собственными генерирующими станциями (рис. №1) 
Если на станции несколько блоков и связующая линия многоцепная, то электропередачи могут выполняться на основе блочной или связной схем. В блочной схеме (рисунок №2) дальняя передача мощности осуществляется по отдельным поперечно не связанным электропередачам (блокам) на общую группу шин (подстанций) приемной системы, соединенных между собой связями 110-220 кВ.

Эти связи и станции приемной системы должны удовлетворять потребность мощности в случае выхода из строя какого-либо блока. При отключении цепи (блока) авария локализуется на одной из станции, однако приемная система полностью лишается соответствующей части мощности передающей станции. В связанной схеме (рисунок №3) обеспечивающей большую надежность электроснабжения, многоцепная дальняя ЛЭП имеет вдоль своей трассы несколько соединений – переключательных пунктов (ПП) – между отдельными цепями, делящими длинную линию на короткие участки (250-350 км). Сооружение ПП сопровождается возрастанием количества применяемых дорогостоящих выключателей. Отключение отдельной линии участка сети между переключательными пунктами незначительно увеличивает суммарное сопротивление, что позволяет сохранить передачу заданной мощности по передаче мощности или пропускной способности электропередачи.

Под пропускной способностью электропередачи понимается наибольшая активная трех фаз электропередачи, которую можно передать в длительном установившемся режиме с учетом режимно–технических ограничений. Наибольшая передаваемая активная мощность (предел) электропередачи ограничена условиями статической устойчивости генераторов электрических станций, передающей и приемной части ЭЭС, связанных электропередачей с номинальным напряжением Uном:

и допустимой мощностью по нагреву проводов линии с допустимым током Iдоп:
![]()
где Е и U -ЭДС генераторов предающей станции и напряжения приемной системы;
и
- результирующие (суммарное) индуктивное сопротивление и коэффициент мощности электропередачи.
Из практики эксплуатации ЭЭС следует, что пропускная способность электропередач 500-750 кВ обычно определяется фактором статической устойчивости, для электропередач 220-330 кВ ограничения могут наступать как по условию устойчивости, так и по допустимому нагреву.
Предельно передаваемую мощность линии можно сопоставить с ее натуральной мощностью. Приняв неизменными и равными номинальному напряжение по концам линии, перепишем приближенное выражение №1 в виде:

где Рнат- натуральная мощность линии без потерь; - коэффициент изменения фазы волны напряжения (тока); L- длинна линии.
Характерные данные о пропускной способности линии электропередачи приведены в таблицу №2
Таблица №2
Характеристика пропускной способности линий электропередачи

Обеспечение необходимой пропускной способности электропередачи при удовлетворительных экономических показателях представляет наибольшую техническую трудность.
На дальних ЛЭП использую наиболее высокие из освоенных номинальных напряжений: 500,750 кВ. В ближайшем будущем будет широко применяться напряжение 1150кВ. При более высоком напряжении, как следует из принципиальных выражений №1 и №3, увеличивается предельная мощность электропередачи; наряду с этим снижаются потери мощности и энергии в активном сопротивлении линии. Одновременно возрастает стоимость ВЛ и оборудования подстанций, потери энергии на корону и емкостный ток линии.
Снижение суммарного реактивного сопротивления электропередачи, включающего сопротивление генераторов, так же повышает предел мощности по статической устойчивости. При снижении реактивного сопротивления уменьшается потеря напряжения, но возрастает величина тока короткого замыкания, для отключения которого необходимы более мощные и дорогие выключатели. Суммарное реактивное сопротивление уменьшают за счет применения на удаленной станции генераторов с пониженной величиной синхронного сопротивления и трансформаторов на повышающей подстанции, имеющей сниженное напряжение короткого замыкания и сопротивления. На понижающей подстанции в конце электропередачи устанавливают автотрансформаторы, сопротивление которых меньше, чем у трансформаторов. Расщепление фазы на несколько проводом и совершенствование конструкции расщепленных фаз и конструкции опор линий снижают индуктивность и индуктивное сопротивление линий(примерно на 25-35%), повышают ее натуральную мощность и критическое напряжение короны. При этом усложняется конструкция линий и увеличивается ее стоимость. Возрастание емкости линии при расщеплении вызывает нежелательное увеличение емкостного тока и соответственно ему мощности. Данные о количестве проводов в фазах линий приведены в таблице №2. На ВЛ 220 кВ в редких случаях фаза состоит из двух проводов.
Дальнейшее увеличение придела передаваемой мощности достигается с помощью специальных мер по изменению (компенсации) параметров линий, которые в этом случае именуются компенсированными. Снижение индуктивного сопротивления достигается за счет последовательного включения в линию конденсаторных установок продольной компенсации (УПК), которые повышают стоимость ЛЭП и увеличивают токи короткого замыкания.
Большой емкостной ток дольних линий при сниженной нагрузке вызывает дополнительные потери активной мощности и энергии, активной мощности и энергии, нежелательной или недопустимое распределение в пунктах линии, а также снижение реактивной нагрузки, ЭДС и устойчивости генераторов удаленной станции. Поэтому емкостной ток и соответствующую проводимость линии компенсируют включением на шины высшего напряжения удаленной электростанции и в переключательных пунктах линии установок (реакторов) поперечной компенсации (РПК). При нагрузках, близких к натуральным, РПК отключают. По размерам стоимости РПК близки к трансформаторам соответствующего напряжения и мощности и потребляют электроэнергию. Капитальные вложения в ЛЭП увеличивается также за счет применения дополнительных выключателей для РПК.
Установка устройств продольной и поперечной компенсации по воздействию на режим электропередачи соответствует уменьшению ее длины по сравнению с некомпенсированной электропередачей. При определенных параметрах и расположении УПК эквивалентное продольное сопротивление линий становится активным. Емкостной ток линии возможно полностью компенсировать посредствам РПК. По эквивалентным реактивным параметрам такая компенсированная линия имеет нулевую длину. Электрическая энергия передается электромагнитными волнами, распространяющимися со скоростью, близкой к скорости 300*103 км/с, т.е. за 0,02 с, равной длительности периода при частоте 50 Гц, электромагнитная волна проходит расстояние 6000 км. Линия длинной 3000 км по условию устойчивости обладает повышенной пропускной способностью и называется полуволновой. За счет включения управляемых реактивных элементов (конденсаторов, реакторов) линии, длинна которых отлична от 3000 км, придаются свойства, характерные для некомпенсированной полуволновой линии. Настройка на полуволну может оказаться целесообразной при длине линии 1500-2000 км.
На рисунке №4 изображена упрощенная схема компенсированной ЛЭП 500 кВ повышенной пропускной способности.

По длинной компенсированной линии при максимальной нагрузке экономически нецелесообразно передавать реактивную мощность. Для ее регулирования на приемной подстанции и в некоторых случаях на промежуточных подстанциях или ПП устанавливают источники реактивной мощности (компенсирующие устройства)- синхронные, статические теристорные компенсаторы.
Указанные мероприятия по повышению пропускной способности электропередачи являются достаточно долгими. Опыт, показал, что при возникновении новых промышленных районов более целесообразным является сооружение электропередачи с промежуточными подстанциями, включенными вдоль нее. Подстанции могут совмещаться с переключательными пунктами линии или создаваться вновь (рисунок №5, а). Такая электропередача обладает большой устойчивостью, не требует установки реакторов и т.п. стоимость ЛЭП снижается.
На рисунке №5 изображены упрощенные схемы электропередачи 500 кВ с включенными вдоль линии промежуточными подстанциями ПС1-ПС3. Для повышения устойчивости электропередачи в линию включают последовательно конденсаторы (УПК) (рисунок№5,а) или компенсаторы (синхронные или статические) на промежуточных подстанциях (рисунок №5, б)

Наряду с отмеченными, применяют устройства автоматического регулирования: автоматическое регулирование возбуждения генераторов и синхронных компенсаторов, быстродействующее регулирование мощности турбин, регулирование напряжения по концам электропередачи, быстродействующие выключатели и релейную защиту и др., что способствует повышению устойчивости и пропускной способности электропередачи.
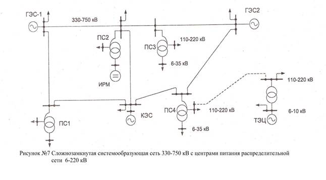
Рассмотренные схемы линий электропередачи (рисунок №1-№5) позволяют доставить электроэнергию потребителям от двух генерирующих источников и называются электропередачами с двусторонним питанием. По мере развития передающей сети в промежуточных пунктах магистральной сети наряду с понижающими подстанциями подключается отдельная электропередача, имеющая генерирующие источники, с оборотом или выдачей мощности (рисунок №6). В итоге формируется узловая система с тремя центрами питания и более высокой устойчивостью и пропускной способностью. В дальнейшем магистральные системообразующие сети, присоединены к двум-трем центрам питания, усложняются и преобразуются в замкнутые многоконтурные передающие сети с сосредоточенными нагрузками (рисунок №7). Замкнутые сети обеспечивают наибольшую надежность, поскольку авария (отключение) на каком-либо участке сети имеет последствия (например, ограничение потребляемой мощности) только для потребителей, непосредственно подключенных к этому участку.
В системах передачи электроэнергии с сосредоточенными нагрузками непрерывность электроснабжения не может быть нарушена отдельной аварией, т.к. электроснабжение подстанций ПС1-ПС4 (центров питания распределительных сетей 6-220 кВ) осуществляется по двум и более линиям от нескольких независимых источников. Однако в замкнутых сетях более сложна, чем в разомкнутых релейная защита и автоматика.
Внутрисистемные передачи электроэнергии, осуществляемые магистральными одно-двухцепными воздушными линиями220-330 кВ, обеспечивают связь отдельно расположенных электростанций и центров питания 6-220 кВ распределительных сетей. 
