| Скачать .docx |
Курсовая работа: Розрахунок номіналів компонентів електронних схем
Національний технічний університет
України “КПІ”
Кафедра Фізичної та біомедичної електроніки
КУРСОВА РОБОТА
з курсу Аналогова схемотехніка
тема Розрахунок номіналів компонентів електронних схем
Зміст
1. Підсилювальні каскади на біполярних транзисторах
1.3 Кінцеві схеми з вказаними номіналами елементів
2. Активні RC–фільтри нижніх частот
2.3 Кінцеві схеми з вказаними номіналами елементів
3.3 Кінцева схема з вказаними номіналами елементів
Висновки
1. Підсилювальні каскади на біполярних транзисторах
1.1 Початкові дані
Рис 1.1 Підсилювальні каскади на біполярних транзисторах,,включені за схемою: а) з загальним емітером; б) з загальною базою
Табл. 1
| № Варіанту | Схема включення | fH, Гц | fв, кГц | Мн=Мв | RH, кОм | U2m, В | Тип транзистора |
| 1 | ЗЕ , ЗБ | 100 | 120 | 1,1 | 18 | 2 | МП39 |
Для даних схем включення і у відповідності з номером варіанта був вибраний транзистор МП39. Це германієвий сплавний транзистор p-n-p типу. Призначений для використання в каскадах підсилення напруги проміжної та низької частоти, імпульсних та інших пристроях радіоелектронної апаратури широкого використання. Випускаються в металоскляному корпусі з гнучкими виводами.

Рис.1.1. Транзистор МП39
В таблиці 2 представлені основні характеристики вибраного транзистора.
Табл. 2. Основні характеристики транзистора МП39
| Параметри | Режим вимірювання | Значення параметрів |
| h21Э | Uкб=5 В, IЭ=1 мА, f=1 кГц , Θокр=200 С | 12 |
| IКБО, мкА | Uкб=5 В, Θокр=200 С | 15 |
| Θокр=700 С | ≤400 | |
| fh21Э, МГц | Uкб=5 В, IЭ=1 мА | 0.5 |
| h11Б ,Ом | Uкб=5 В, IЭ=1 мА, f=1 кГц | 25 |
| h22Б , мкСм | Uкб=5 В, IЭ=1 мА, f=1 кГц | 3,3 |
| Cк, пФ | Uкб=5 В, f=465 кГц | 60 |
| Iк доп, мА | Uкб=5 В, IЭ=1 мА, f=1 кГц , Θокр=200 С | 40 |
Табл.3. Гранично допустимі експлуатаційні дані транзистора МП39
| Параметри | Режим вимірювання | Значення параметрів |
| UКЭ max , B | RбЭ=200 Ом, Θокр =400 С | 15 |
| UКБ max , B | -600 С ≤Θокр≤400 С | 10 |
| IК max , мА | -600 С ≤Θокр≤700 С | 40 |
| IК нас max , мА | -600 С ≤Θокр≤700 С | 150 |
| IЭ нас max , мА | -600 С ≤Θокр≤700 С | 150 |
| PК max , мВт | -500 С ≤Θокр≤550 С | 150 |
| Θпер max , 0 С | - | 85 |
1.2 Розрахунок параметрів для схеми з ЗЕ
Транзистор обирається з вимоги забезпечення необхідної амплітуди вихідного сигналу
і смуги пропускання
при заданій вихідній напрузі та коефіцієнті частотних спотворень
в області верхніх частот
:
![]()
![]()
Вибираємо
(для p-n-p транзистора живлення набуває від`ємного значення )
Опір резистора RK ОЭ , і допустима ємність конденсатора навантаження Cн.доп. обираються з умови
![]()
![]()
![]()

На сімействі вихідних характеристик транзистора побудуємо лінію навантаження по постійному струму і визначимо положення точки спокою (Uкэ A , Iк A , Iб A ) для режиму класа А. На сімействі вхідних характеристик транзистора по Iб A визначається напруга початкового зміщення Uбэ A .

Рис. 1.2 Сімейство вхідних характеристик транзистора МП39 схеми з ЗЕ (А - обрана робоча точка).

Рис. 1.3 Сімейство вихідних характеристик транзистора МП39 схеми з ЗЕ (А- обрана робоча точка).
При заданих Е1 =-10 В маємо Uкэ A =- 5 В, Iк A = 20 мА, Iб A = 500 мкА,
Iэ A = Iк A +Iб A =20,5 мА , Uбэ A =-0.27 В.
Опір резисторів забезпечуючих початкове зміщення фіксованим струмом бази:

Емність розподільчих конденсаторів С1 , С2
![]()


1.3 Розрахунок параметрів для схеми з ЗБ
Транзистор обирається з вимоги забезпечення необхідної амплітуди вихідного сигналу
і смуги пропускання
при заданій вихідній напрузі та коефіцієнті частотних спотворень
в області верхніх частот
:
![]()
![]()
Вибираємо
(для p-n-p транзистора живлення набуває від`ємного значення )
Опір резистора
і допустима ємність конденсатора навантаження
обираються як і в схемі з ЗЕ, тобто
![]()
![]()
![]()

На сімействі вихідних характеристик транзистора побудуємо лінію навантаження по постійному струму і визначимо положення точки спокою (Uкб A , Iк A , Iэ A ) для режиму класа А. На сімействі вхідних характеристик транзистора по Iэ A визначається напруга початкового зміщення Uэб A .

Рис. 1.2 Сімейство вхідних характеристик транзистора МП39 схеми з ЗБ (В - обрана робоча точка).

Рис. 1.3 Сімейство вихідних характеристик транзистора МП39 схеми з ЗБ (В- обрана робоча точка).
При заданих Е1 =-10 В і Е2 =-1 В маємо Uкб A =0 В, Iк A = 20 мА, Iэ A = 20 мА,
Iб A = Iк A +Iэ A =40 мА , Uэб A =0.32 В.
Опір резисторів забезпечуючих початкове зміщення фіксованим струмом бази :

Ємність розподільчих конденсаторів С1 , С2


2. Активні RC–фільтри нижніх частот
2.1 Початкові дані
Частота зрізу
.
Схеми фільтрів наведені на рис. 2.1
2.2 Методика розрахунку
Параметри компонентів схеми для фільтрів нижніх частот 1–го порядку
, обираємо
;
,
;
![]() |
||||
|
|
|||
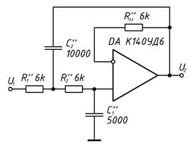
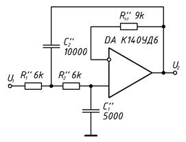
Рис. 2.1. Схеми фільтрів нижніх частот: а – першого порядку; б – другого порядку.
.
Для фільтрів нижніх частот 2–го порядку
, обираємо
;
,
;
,
;
;
,
.
В якості операційного підсилювача можна взяти модель К140УД6.
2.3 Кінцеві схеми з вказаними номіналами елементів
Схеми фільтрів першого та другого порядків наведені на рис. 2.2.
3.1 Теоретичні відомості
Лінійні електронні осциляторні схеми, які генерують синусоїдальний вихідний сигнал, складаються з підсилювача і частотно-вибіркового елемента - фільтра. Схеми генераторів які використовують RC кола, комбінацію резисторів і конденсаторів, в їх частотно-вибіркових частинах називаються RC генераторами.
3.2 Початкові дані
Частота генерації
,
10
Вихідна напруга
,
2
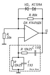
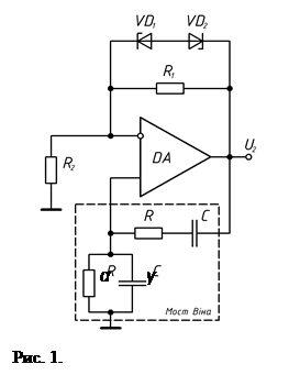
Схема генератора представлена на рис. 1.


Рис. 2.2 Схеми фільтрів нижніх частот с вказаними номіналами елементів:
а – першого порядку; б – другого порядку.
Генератор з мостом Віна. В схемі (рис. 1) RC–генератора використовується частотно–залежний позитивний зворотній зв'язок (міст Віна) і частотно–незалежний негативний зворотній зв'язок (НЗЗ) за допомогою резисторів
та
. Для зменшення нелінійних спотворень в ланцюгу НЗЗ резистор
шунтується двома зустрічно ввімкненими стабілітронами
,
з напругою стабілізації
. Коли напруга на виході ОП стає більше
стабілітрон (в залежності від полярності
) відкривається та шунтує резистор
, зменшуючи тим самим коефіцієнт підсилення і попереджує досягнення
рівня
. Резистор
дозволяє регулювати амплітуду вихідної напруги
віл
до
.
Вибір та розрахунок допоміжних параметрів.
Приймаємо
,
.
Обрана модель операційного підсилювача: К140УД6
Вхідний струм
,
100
Різниця вхідних струмів
, ![]()
![]()
Вхідний опір
, ![]()
![]()
Напруга зміщення нуля
, ![]()
![]()
Коефіцієнт підсилення напруги ![]()
![]()
Коефіцієнт ослаблення синфазних вхідних напруг
,
70
Частота одиничного підсилення
, ![]()
![]()
Вихідний опір
,
150
Максимальний вихідний струм
,
25
Максимальна вихідна напруга
, ![]()
![]()
Максимальна вхідна диференціальна напруга
, ![]()
![]()
Напруга живлення
, ![]()
![]()
Струм споживання
,![]()
![]()
Вибір стабілітрона:
,
,
таку напругу стабілізації має стабілітрон КС133Г.
Розрахунок опорів та ємностей
,
;
,
.
Резистори
,
обираються у відповідності з умовами
;
,
де
,
– вхідний, вихідний опір ОП.
Обираємо
,
.
При таких значеннях опорів вказані вище умови виконуються:
;
.
3.4 Кінцева схема з вказаними номіналами елементів
Схема представлена на рис. 2.

Рис. 2
Висновки
В даній курсовій роботі проведено розрахунок типових підсилювальних каскадів на біполярних транзисторах, активних RC–фільтрів нижніх частот та RC–генераторів. Розглянуто і обґрунтовано методику розрахунків.
