| Скачать .docx |
Реферат: Расчет стабилизированного источника вторичного электропитания электронных устройств
Министерство образования Российской Федерации
Федеральное государственное образовательное учреждение высшего профессионального образования
Дальневосточный Государственный Аграрный Университет
Институт электрификации и автоматизации сельского хозяйства
Кафедра «ЭПААПК ЭТиА»
Курсовой проект
Расчет стабилизированного источника вторичного электропитания электронных устройств
Выполнил:
студент 3 курса
Яковенко.А.Е
группа 7137
Проверил:
Ременев В.З.
г. Благовещенск 2010г.
Содержание
Введение
1 Обзор и анализ источников питания
2 Выбор и расчет стабилизатора
3 Расчет выпрямителя и LC – фильтра
3.1 Выбор схемы выпрямителя
4 Выбор трансформатора
5 Литература
ВВЕДЕНИЕ
В любой сети напряжение не постоянно в течение времени: в зависимости от времени года, времени суток, потребления энергии промышленными предприятиями, аварийных ситуаций, электрическим транспортом и расхода в наших квартирах напряжение в сети то возрастает, то убывает. Следовательно, при питании аппаратуры от этой сети будет изменяться напряжение на выходах выпрямителя и фильтра. Если колебания напряжения сети составляют ±10%, то в таких же пределах изменяется и величина выпрямленного напряжения. При изменении питающего напряжения нарушается режим работы электронных приборов (транзисторов, электронных ламп), что приводит к ухудшению параметров всего устройства. Например, в радиоприемнике при изменении режима работы транзисторов могут возникнуть сильные помехи. Такие же явления наблюдаются в нем при питании от химических источников тока, напряжение которых по мере разрядки уменьшается. Чтобы этого не происходило, напряжение питания электронных устройств часто стабилизируют. Здесь возможны два способа: стабилизация переменного напряжения на входе силового трансформатора или стабилизация выпрямленного напряжения. В первом случае применяют специальные феррорезонансные стабилизаторы. Их недостатками являются большие габариты и вес. Чаще прибегают к стабилизации выпрямленного напряжения, осуществляемой с помощью электронных стабилизаторов.
ИСХОДНЫЕ ДАННЫЕ ДЛЯ РАСЧЕТА:
выходное напряжение UО H = 12 В;
максимальный ток нагрузки I0н = 1,0 А;
нестабильность выходного напряжения при изменении напряжения сети на ±10% не более Кп.н. = 1%;
электропитание – однофазная сеть;
напряжение U1 = 220 В;
частота fс = 50 Гц;
минимальная рабочая температура Tmin = +15°С;
максимальная рабочая температура Тm ах = +35°С;
относительная влажность окружающего воздуха от 45 до 75;
атмосферное давление от 86 до 106 кПа (от 650 до 850 мм рт.ст.);
в качестве стабилизатора напряжения можно применить микросхему серии КР142;
Кст = 500.
I. ВЫБОР СТАБИЛИЗАТОРА НАПРЯЖЕНИЯ
Так как UB Ы X =12В и IВЫХ =1,0 А, выбирается микросхема КР142ЕН8В со следующими параметрами:
UВ X =20B(Uв x min = 18В и Uвх max = 35B);
Коэффициент нестабильности КHU = 0,05% , КHI = 1 %;
Коэффициент сглаживания пульсации Кст = 30 дБ, на частоте 1 кГц;
Микросхема представляет собой компенсационный стабилизатор напряжения с фиксированным выходным напряжением, выполненный по планарной диффузионной технологии с изоляцией диэлектриком.
Прибор рассчитан на длительную эксплуатации в жестких условиях: при температурах окружающей среды от +80°С до +125°С, пониженном атмосферном давлении до 5 мм рт.ст., минимальная наработка – 50000 часов, сохраняемость – 25 лет.
Микросхема крепится к печатной плате пайкой или через переходные элементы, теплоотвод устанавливают на плату и прикручивают к нему микросхему.
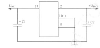
Основная типовая схема включения рассматриваемого стабилизатора представлена на рис. 1.1. При всех условиях эксплуатации ёмкость конденсатора С1 не должна быть менее 10 мкФ, С2 не менее 2,2 мкФ.

Рис. 1.1. Типовая схема включения стабилизатора напряжения типа КР142ЕН8В
II. ВЫБОР СХЕМЫ ВЫПРЯМЛЕНИЯ
Для выбора схемы выпрямления необходимо знать мощность в нагрузке
![]()
Т.к. она меньше 100 ВА, а выпрямленное напряжение меньше 300 В и ток 1 А, можно использовать двухполупериодную схему выпрямления с выводом средней точки.

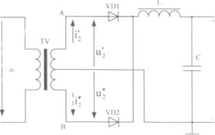
Рис.2.1. Двухполупериодная схема выпрямления с выводом средней точки
В первый полупериод, когда потенциал точки А будет положительным, а потенциал точки В отрицательным, диод VD1 будет открыт и ток протекает через диод VD1, нагрузку RH и верхнюю половину второй обмотки в направлении, показанном сплошными стрелками. Диод VD2 в это время закрыт, ток через него не течет и он находиться под обратным напряжением.
В последующий полупериод ,когда потенциал в точке В становиться положительным, а точки А - отрицательным, VD2 открывается, а диод VD1 закрывается и ток течет через диод VD2, нагрузку RH
и нижнюю половину вторичной обмотки в направлении, показанном пунктирными стрелками. Диод VD1 в это время находится под обратным напряжением. Таким образом, через нагрузку протекает ток в одном и том же направлении в течение всего периода.
В идеализированной схеме отсутствуют потери в диодах и трансформаторе, поэтому форма выпрямленного напряжения u0
повторяет форму напряжения на работающих половинах вторичной обмотки трансформатора, другими словами график u0
отбивающей положительных полусинусоид графиков ![]()
В каждый полупериод u2 по половине вторичной обмотки трансформатора, диоду и нагрузке протекают равные между собой токи, причем ток в идеализированной схеме определяются только сопротивлением нагрузке и равен u0 /Rн .
Как следует из рис. 2.1 а, токи
протекающие по половинам вторичной обмотки трансформатора, имеют такое направление, при котором постоянные составляющие этих токов создают встречно направленные магнитные потоки. Поэтому вынужденное подмагничивание магнитопровода трансформатора в двухполупериодной схемы выпрямления отсутствует.
Форма графика uобр
требует дополнительных объяснений. Каждую половину периода один из диодов схемы закрыт и к его электродам приложено обратное напряжение, которое равно разности потенциалов между анодом и катодом этого диода. В первую половину периода закрытым VD2. Потенциал его анода равен потенциалу точки В, который определяется отрицательной полусинусоидой
. Катод диода VD2 в это время имеет положительный потенциал точки А (положительная полусинусоида
). Поскольку открыт VD1, и падение напряжения на нем в идеализированной схеме равно нулю (рис.2.1).
Таким образом, в течении первого полупериода диод VD2 находится под обратным напряжением, равным разности потенциалом между концами вторичной обмотки трансформатора (точки А и В), и максимальное значение этой разности потенциалов равно удвоенному амплитудному значению напряжения одной из половин вторичной обмотки, то есть
Иобр ип = 2·u2 m
Преимущества двухпроводной схемы по сравнению с однопроводной состоят в следующем:
1. Значительно уменьшается габаритные и масса трансформатора (следствии лучшего использования обмоток и отсутствия подмагничивание магнитопровода);
2. Амплитудное значение тока через диод вдвое меньше;
3. Значительно уменьшаются габариты и масса сглаживающего фильтра (вследствие увеличения в двое основной частоты пульсации, то есть
, и уменьшения более чем в два раза коэффициента пульсации).
Недостатками схемы являются:
1. Необходимость вывода средней (нулевой) точки вторичной обмотки трансформатора;
2. Наличие в схеме двух диодов в место одного.
III. ВЫБОР СХЕМЫ СГЛАЖИВАЮЩЕГО ФИЛЬТРА
а) Входным элементом фильтра выбирается дроссель Iон = 1,0 А;
б) Схема оставшейся части фильтра определяется коэффициентом сглаживания фильтра выпрямителя, т.е.

Поскольку коэффициент сглаживания фильтра в 2,5 раза меньше, то исходя из наилучших массогабаритных характеристик фильтра, его составляют из одного звена LC. Таким образом, если дроссель выбран в качестве входного элемента, оставшаяся часть фильтра представляет собой конденсатор С.
![]() |
IV. НАПРЯЖЕНИЕ НА ВЫХОДЕ СХЕМЫ
Определение напряжения на выходе схемы выпрямления с учетом падения напряжения на дросселе фильтра

где -
%, определяется из графика на рис.4.1.в соответствии со значением Рон
.

Рис. 4.1. График для определения падения напряжения на дросселе фильтра, при f = 50 Гц
В данном случае Рон
= 12 ВА и-
= 10,5% и, следовательно,

V. ОПРЕДЕЛЕНИЕ ОСНОВНЫХ ПАРАМЕТРОВ ДИОДОВ
Для определения параметров диодов воспользуемся таблицей 12.4 [1], согласно которой
![]()
![]() |
![]()
Выбор типа диода производится по приложению 3 [1], откуда выбираем диод КД 204Б со следующими параметрами:
![]()
VI. ЭЛЕКТРИЧЕСКИЙ РАСЧЕТ ВЫПРЯМИТЕЛЯ
а) Активное сопротивление обмоток трансформатора, приведенная ко вторичной обмотке

б) Падение напряжения в обмотке трансформатора
![]()
в) Падение напряжения на дросселе фильтра определяется (ориентировочно)

где -
% подставляется из графика на рис.4.1
% =10,5%,
![]()
г) Выпрямленное напряжение холостого хода
![]()
д) Уточненное значение обратного напряжения на диодах согласно таблице 12.4 [1]
![]()
Таким образом, диод КД 204Б с
= 200 В выбран правильно
е) Электрические данные трансформатора определяются по таб. 12.4 [1]: напряжение на вторичной обмотке

![]()
ток на вторичной обмотке
![]()
коэффициент трансформации
![]()
ток первичной обмотки
![]()
габаритная мощность трансформатора
![]()
VII. РАСЧЕТ СГЛАЖИВАЮЩЕГО ФИЛЬТРА
Минимальное значение индуктивности дросселя
![]()
по приложению 5 [1], выбираем унифицированный дроссель Д66 со следующими параметрами:
Lуниф = 0,05 Гн
Iпод = 0,02 А
rL = 1,1 Ом
Произведение LC с учетом определенного выше q равно
![]()
Емкость конденсатора с учетом выбранного дросселя

По приложению 4 [1], выбираем конденсатор типа К50-6 со следующими параметрами: С = 220 мкФ, Uном = 25 В, устанавливаются три конденсатора общей емкостью С = 660 мкФ.
Проверяем значение q фильтра в соответствии с выбранным Lуниф
и С, причем выражение для q получено из вышеприведенного произведения LC

Таким образом, L и С выбраны правильно
Резонансная частота фильтра
![]()
Проверяем фильтр LC на отсутствие резонанса по неравенству:
![]()
В данном случае 2·174,1 ≤ 2 ·2 ·3,14 · 50 или 348<628, т.е. неравенство выполняется, значит, резонанса нет. Падение напряжения на выбранном дросселе
![]()
Так как полученное
меньше ориентированного, значит дроссель выбран правильно.
VIII. РАСЧЕТ РАДИАТОРА
Расчет для радиаторной пластины необходим, т.к. максимальное значение тока равно 1,0 А, значит данное устройство будет нагреваться, а для отвода тепла необходима дополнительная площадь охлаждения

где 
![]()
Для радиаторной решетки выбирается алюминиевая пластина сечением 0,3 мм2
, и размерами 2×3,2 см.
IX. КОНСТРУКТИВНЫЙ РАСЧЕТ ТРАНСФОРМАТОРА
Производится по исходным данным: U1 =220 В; fc =50Гц; U2 =21,09 В; I2 =0,71 А.
Мощность трансформатора
Рг = 1,7·U2 ·I2 =1,7·21,09·0,71=25,45 ВА≈26 ВА
По табл. 12.1 выбираем сталь 1513, магнитопровод из пластин толщиной 0,5 мм, у которого kс = 0,93, а также находим параметры, соответствующие РГ = 26 ВА, а именно: В = 1,37 Тл; J = 3,2 А/мм; k0 = 0,28; η= 0,92
Ток I1 с учетом cosφ1 =0,9
![]()
Исходная расчетная величина Sc So

По приложению 1 согласно полученного SC S0 выбираем броневой магнитопровод Ш16×32, у которого Sc So = 32,6 > 19 см4 , со следующими параметрами: а = 16 мм; с = 16 мм; h = 40 мм; b = 56 мм; Sc = 4,66 см2
Число витков в обмотках трансформатора
витков
витка
Сечение проводок обмоток

![]()
![]()
По найденным сечениям проводов из приложения 2 находим соответствующие диаметры проводов обмоток с изоляцией. Таким образом, d1 =0,07 мм; d2 =0,290 мм.
Определяем возможность размещения обмоток в окне выбранного магнитопровода
Обмотка ω1 :
число витков в одном слое обмотки
![]()
число слоев обмотки
![]()
толщина всей обмотки δ1 , с учетом, что γ1 = 0
![]()
Обмотка ω2 :
число витков в одном слое обмотки
![]()
число слоев обмотки
![]()
толщина всей обмотки δ2 , с учетом, что γ2 = 0
![]()
Необходимая ширина окна с учетом k= 1,25; ε2 = 1,5; δ12 = 0,75; ε43 =0,75; ε4 = 3.
![]()
Таким образом снеобх
не превышает ширину окна выбранного магнитопровода, которая равна 16 мм, следовательно, обмотки, трансформатора разместятся в окне данного магнитопровода.
X. ВЫБОР УНИФИЦИРОВАННОГО ТРАНСФОРМАТОРА
В данное время широко применяются унифицированные трансформаторы, они легки в выборе вторичного тока. В зависимости от тока, который нам необходим, мы можем подобрать число вторичных обмоток с такими параметрами, которые нам подходят.
Так как габаритная мощность рассчитанного трансформатора равна 26 ВА и вторичное напряжение 21,09 В, а ток нагрузки равен 1,0 А, то выбирается накаленный трансформатор ТПП259, с параметрами Ртр = 31 ВА, U2 = 25 В, I2 = 1,34А.
![]() |


