| Скачать .docx |
Реферат: Частотные фильтры электрических сигналов пассивные
Министерство образования и науки Российской Федераций
ВСЕМИРНЫЙ ТЕХНОЛОГИЧЕСКИЙ УНИВЕРСИТЕТ
ОТЧЕТ
по лабораторной работе №2
по курсу «Электроника»
Частотные фильтры электрических сигналов (пассивные)
ВТУ 220200.62 6008.18 О
Руководитель
___________Коротченко Ю.И.
«___»_______________2008 г.
Исполнитель
студент гр. АУП 3/5-05
_____________ Сулейманов З.Г.
«___»_______________2008 г.
Оренбург 2008
Содержание
Введение
1 Цель и задачи
2 Лабораторный стенд
3 Расчет параметров элемента фильтра по исходным данным
4 Модель схемы исследования фильтра с указанием параметров элемента
5 Таблица экспериментальных данных
6 График АХЧ фильтра построенный на основе экспериментальных данных
7 Выводы
Список использованных источников
Введение
В качестве компьютерной среды изучения основ электроники и вычислительной техники нами выбрана система ElectronicsWorkbench, разработанная фирмой InteractiveImageTechnologies. Особенностью системы является наличие контрольно-измерительных приборов, по внешнему виду и характеристикам приближенных к их промышленным аналогам. Система легко усваивается и достаточно удобна в работе.
Программа Electronics Workbench позволяет моделировать аналоговые, цифровые и цифро-аналоговые схемы большой степени сложности. Имеющиеся в программе библиотеки включают в себя большой набор широко распространенных электронных компонентов.
Возможность изменения цвета проводников позволяет сделать схему более удобной для восприятия. Можно отображать различными цветами и графики, что очень удобно при одновременном исследовании нескольких зависимостей. Стандартный интерфейс Windows Программа Electronics Workbench использует стандартный интерфейс Windows, что значительно облегчает её использование. Интуитивность и простота интерфейса делают программу доступной любому, кто знаком с основами использования Windows.
Программа предполагает овладение необходимыми правилами и приёмами работы с ней.
1 Цель и задачи
Цель: Исследовать пассивные фильтры электрических сигналов.
Задачи:
1 разработать структурную схему лабораторного стенда для измерения амплитудно-частотных характеристик (АЧХ) фильтров электрических сигналов;
2 рассчитать параметры элементов фильтра на основе исходных данных .
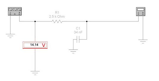
Исходные данные:
моделирование RC- фильтра Г структуры, ФНЧ;
частота срезов fc =1.9 кГц;
R=2.5 кОм;
С=?
2 Лабораторный стенд
![]() |
ФГ- функциональный генератор
Ф- фильтр
ММ- мультиметр
V- вольтметр
3 Расчет параметров элемента фильтра по исходным данным



4 Модель схемы исследования фильтра с указанием параметров элемента



5 Таблица экспериментальных данных
| f | Uвх | Uвых | Кn |
| 100 Гц | 14,1 | 14,1 | 1 |
| 500 Гц | 14,1 | 13,7 | 0,97 |
| 1 кГц | 14,1 | 12,4 | 0,88 |
| 2 кГц | 14,1 | 9,6 | 0,68 |
| 3 кГц | 14,1 | 7,4 | 0,52 |
| 5 кГц | 14,1 | 4,9 | 0,35 |
| 7 кГц | 14,1 | 3,6 | 0,26 |
| 10 кГц | 14,1 | 2,6 | 0,18 |
| 20 кГц | 14,1 | 1,3 | 0,09 |
6 График АХЧ фильтра построенный на основе экспериментальных данных

7 Выводы
Данная лабораторная работа научила нас пользоваться приложением ElectronicsWorkbench раскрыла её возможности.
3 Лабораторную работу можно использовать как практическое руководство по исследованию электронных схем на компьютере с помощью программы Electronics Workbench. Работа научила пользоваться виртуальными измерительными приборами. Рассчитали параметры элементов фильтра, разработали структурную схему лабораторного стенда для измерения амплитудно-частотных характеристик фильтров электрических сигналов.
Список использованных источников
1 Ю.И. Коротченко. «Частотные фильтры электрических сигналов: пассивные фильтры»: Практическое руководство по выполнению расчетно-графической работы. Оренбург 2005.-24 с.
2 Гусев И.Г., Гусев В.М. Электроника: Учебное пособие. - М.: Высш.шк., 1991.- 662 с.
3 Лачин В.И., Савелов Н.С. Электроника: Учебное пособие. - Ростовн/Д.: Феникс, 2002. – 576 с.
4 ГОСТ 2.701-84 ЕСКД. Схемы. Виды и типы. Общие требования к выполнению. – Взамен ГОСТ 2.701-76. Введен 01.07.1985. – М.: Издательствостандартов, 1985. – 16 с.
5 СТП 101-00. Общие требования и правила оформления выпускныхквалификационных работ, курсовых проектов (работ), отчетов по РГР, поУИРС, по производственной практике и рефератов. - Взамен СТП 2069022.101-88, СТП 2069022.102-93, СТП 2069022.103-92, СТП 2069022.105-95, СТП2069022.108-93. Введен 25.12.2000. – Оренбург: ОГУ, 2000. – 62 с.
