| Скачать .docx |
Курсовая работа: Проектирование связного передатчика с частотной модуляцией
Министерство образования Российской Федерации
Уральский Государственный Технический Университет
Кафедра РЭИС
Оценка работы
Курсовой проект
Проектирование связного передатчика с частотной модуляцией
Преподаватель
Харитонов Ф.В.
Студент
Щеблыкин М.В.
Группа Р-404
Екатеринбург 2004
ВВЕДЕНИЕ
Во всем мире для передачи радиосигналов используют различные виды модуляции. Но все большее распространение получает угловая модуляция. И есть из-за чего…
Угловая модуляция может быть частотной или фазовой; она применяется в системах низовой радиосвязи различных диапазонов частот, в радиовещании на УКВ, в звуковом сопровождении телевизионного вещания, наземной радиорелейной связи прямой видимости, тропосферной и космической связи.
Кроме того, угловая модуляция используется в радиотелеметрии, в системах радиоуправления, в некоторых системах радионавигации и радиолокации. Телеграфные сигналы и цифровая информация в настоящее время передаются преимущественно путем частотной и фазовой манипуляции.
Известно, что частотная и фазовая модуляции обеспечивают лучшую помехоустойчивость и более высокие энергетические характеристики, чем амплитудная модуляция, однако для этого им требуются большие необходимые полосы частот. Но и эта проблема постепенно решается в последнее время: в целях экономии радиоспектра ведутся работы по исследованию и внедрению частотной модуляции с одной боковой полосой спектра частот.
ОГЛАВЛЕНИЕ
ЗАДАНИЕ
ВЫБОР СТРУКТУРНОЙ СХЕМЫ
ВЫБОР АКТИВНОГО ЭЛЕМЕНТА
ЭЛЕКТРИЧЕСКИЙ РАСЧЕТ
1. Расчет коллекторной цепи
2. Расчет базовой цепи
3. Расчет цепи питания
4. Выбор способа получения угловой (частотной) модуляции
5. Расчет автогенератора
5.1 Расчет режима автогенератора
5.2 Расчет элементов колебательного контура
5.3 Расчет цепи смещения транзисторов
5.4 Выбор варикапов
5.5 Выбор значений блокировочных элементов
6. Выбор синтезатора частот
7. Выбор источника питания
8. Расчет умножителя частоты
РАСЧЕТ ЦЕПИ СОГЛАСОВАНИЯ
РАСЧЕТ ВЫХОДНОГО ФИЛЬТРА
КОНСТРУКТИВНЫЙ РАСЧЕТ
ВЫБОР СТАНДАРТНЫХ НОМИНАЛОВ
РАСПОЛОЖЕНИЕ ЭЛЕМЕНТОВ НА ПЕЧАТНОЙ ПЛАТЕ
ЗАКЛЮЧЕНИЕ
БИБЛИОГРАФИЧЕСКИЙ СПИСОК
ПРИЛОЖЕНИЕ 1. Параметры транзистора КТ920В
ПРИЛОЖЕНИЕ 2. Схема удвоителя частоты
ПРИЛОЖЕНИЕ 3. Схема электрическая принципиальная
ПРИЛОЖЕНИЕ 4. Перечень элементов
ЗАДАНИЕ
Спроектировать связной передатчик с частотной модуляцией с параметрами:
Диапазон рабочих частот ……………………………….. 180 – 190 МГц
Мощность ………………………………………………… 10 Вт
Сопротивление фидера ………………………………….. 50 Ом
Антенна ..
Подавление внеполосных излучений …………………... 40 дБ
Относительная нестабильность частоты ………………. 3·10-5
Питание от сети 220 В 50 Гц
ВЫБОР СТРУКТУРНОЙ СХЕМЫ
Частотная модуляция может быть получена прямым способом, когда модулируется непосредственно частота автогенератора передатчика, или косвенным, когда в промежуточном каскаде передатчика производится фазовая модуляция. Структурные схемы передатчиков с этими способами модуляции приведены ниже.

Структурная схема передатчика с прямой ЧМ.

Структурная схема передатчика с косвенной ЧМ
Другими словами, прямую частотную модуляцию осуществляют: в полупроводниковых генраторах путём изменения параметров колебательного контура с помощью варикапов, варикондов, реактивного транзистора, нелинейной индуктивности, железоитериевого граната (на частотах до десятков гигагерц); в диодных генераторах (на туннельном диоде, диоде Ганна) путём изменения напряжения смещения на диоде и т.д.
Для косвенного получения частотной модуляции используются фазовые модуляторы в начальных каскадах с последующим умножением частоты и усилением мощности сигнала ФМК.
Тот и другой способы получения ЧМ имеют свои недостатки и достоинства. Достоинство прямого метода – возможность получения глубокой и достаточно линейной частотной модуляции, недостаток – трудность обеспечения стабильности средней частоты колебания с ЧМ. Достоинство косвенного способа – высокая стабильность средней частоты, недостатки – неглубокая модуляция, трудность передачи низких модулирующих частот.
Возможность получения глубокой и линейной ЧМ делает предпочтительным прямой способ в радиовещательных и связных передатчиках. При этом для повышения стабильности средней частоты используют систему автоматической подстройки частоты (АПЧ) по высокостабильному кварцевому эталону. Структурная схема такого передатчика выглядит так:
|

Рис 2.3 Структурная схема ЧМ передатчика с синтезатором частоты
где ДПКД – делитель частоты с переменным коэффициентом
Для построения нашего связного передатчика воспользуемся подобной схемой.
ВЫБОР АКТИВНОГО ЭЛЕМЕНТА
В мощных каскадах передатчиков из полупроводниковых приборов используют биполярные и полевые транзисторы. Отсутствие цепи накала у транзисторов обуславливает их немедленную готовность к работе, хотя не приводит к заметной экономии электроэнергии питания, так как затраты энергии в цепях накала современных мощных ламп составляют 4…5 % и меньше их номинальной мощности. Недостатки транзисторных передатчиков прежде всего связаны с высокой стоимостью мощных транзисторов из-за чрезвычайно сложной технологией их производства. Меньший (как правило) коэффициент усиления по мощности транзисторов (по сравнению с лампами) приводит к большему числу каскадов, т.е. к дополнительным затратам энергии и мощности, рассеиваемой внутри передатчика. Биполярные транзисторы применяют от самых низких частот до, ориентировочно 10 ГГц. Верхняя рабочая частота fв в генераторных транзисторах, как правило, ограничивается его усилительными возможностями, нижняя же частота fн для биполярных транзисторов – опасностью перегрева его структуры за время протекания одного импульса тока и развитием пробоя. Но к современной связной аппаратуре предъявляются жёсткие требования к уменьшению габаритов массы и повышению технологичности.
Но так как наш передатчик работает в диапазоне частот от 180 до 190 МГц, и имеет мощность на фидере 10 Вт то выбор остановим на биполярном транзисторе.
Коэффициент полезного действия каскада связан с величиной сопротивления насыщения транзистора rнас . Чем меньше его величина, тем меньше остаточное сопротивление в граничном режиме и выше КПД генератора. Коэффициент усиления по мощности КР зависит от ряда параметров транзистора: коэффициента передачи тока базы - b0 , частоты единичного усиления fт и величины индуктивности эмиттерного вывода LЭ . При прочих равных условиях КР будет тем больше, чем выше значение b0 , fт и меньше LЭ .
Посчитаем мощность, которую должен развивать каскад с учетом потерь в схеме согласования:
![]()
Исходя из перечисленных выше условий и учитывая Р1 выбираем транзистор КТ920В, его параметры приведены в ПРИЛОЖЕНИИ 1.
ЭЛЕКТРИЧЕСКИЙ РАСЧЕТ
1. Расчет коллекторной цепи
Расчёт будем вести при работе транзистора в граничном режиме, поскольку максимальный КПД достигается только в граничном режиме, а также учитывая, что транзистор будет работать в линейном режиме с углом отсечки q = 90° (поскольку при таком угле отсечки достигается наилучшее соотношение КПД и коэффициента усиления) а схема оконечного каскада передатчика будет строиться по однотактной схеме ГВВ.
Коэффициент использования напряжения питания:
,
Значения коэффициентов an и gn посмотри в справочнике
,
,
,
;
Величину напряжения на коллекторе вычислим по формуле:
Uкгр = ξгр ×EК = 0,957 × 17 = 16,262 В,
Проверим, не превышает ли напряжение на коллекторе предельно допустимого для данного транзистора:
Uк макс =EК + Uкгр = 17 + 16,262 = 33,262 В < 36 В (Uкэ доп = 36 В),
Рассчитаем амплитуду первой гармоники коллекторного тока:
,
Постоянная составляющая коллекторного тока находится из соотношения:
, (Iк0 доп
= 3 А)
Максимальное значение коллекторного тока составляет:
, (Iк мах доп
= 7 А)
Номинальное сопротивление коллекторной нагрузки:

Потребляемая мощность находится по формуле:
P0 = EК ×Iк0 = 17 × 0,978 = 16,667 Вт,
Рассчитаем КПД:
,
Вычислив разность между потребляемой и колебательной мощностью, найдем мощность, рассеиваемую на транзисторе.
Ррас =Р0 - Р1 = 16,667 - 12,5 = 4,121 Вт
2. Расчет базовой цепи
Входную цепь транзистора с ОЭ рассчитываем по схеме расположенной ниже:

![]()
![]()
Коэффициент ослабления тока базы при ведении ОС вычисляется по формуле:
,
Амплитуда базового тока определяется соотношением:
![]()
= 2,18 А
Максимальное значение напряжение на эмиттерном переходе находится как:
(Uбэ доп
= 4 В),
Постоянная составляющая базового тока:
,
Зная постоянные составляющие коллекторного и базового токов, можно найти постоянную составляющую тока эмиттера
Iэ0 = Iко + Iбо = 0,978+0.031 = 1,008 А,
Рассчитаем напряжение смещения:

Рассчитаем параметры эквивалентной схемы входного сопротивления транзистора при включении с общим эмиттером:

,
![]()
,
![]()
![]()
,
Рассчитаем активную и реактивную составляющие входного сопротивления:

,
,
Рассчитаем мощность на входе усилителя:
,
Зная входную и выходную мощности, можно посчитать коэффициент усиления:
.
3. Расчет цепи питания
Сопротивление R2

Исходя из этого, имеем:

Ток делителя:
![]()
Блокировочная и разделительные емкости:

Рассчитаем Lбл :

4. Выбор способа получения угловой (частотной) модуляции
Существует несколько способов получения угловой (частотной) модуляции.
Угловая модуляция может быть получена прямым способом, когда модулируется непосредственно частота автогенератора передатчика, или косвенным, когда в промежуточном каскаде передатчика производится фазовая модуляция. Тот и другой способы имеют свои недостатки и достоинства. Достоинство прямого метода – возможность получения глубокой и достаточно линейной частотной модуляции (ЧМ), недостаток – трудность обеспечения стабильности средней частоты колебания с ЧМ. Достоинство косвенного способа – высокая стабильность средней частоты, недостатки – неглубокая модуляция, трудность передачи низких модулирующих частот.
Возможность получения глубокой и линейной ЧМ делает предпочтительным прямой способ в радиовещательных и связных передатчиках. При этом для повышения стабильности средней частоты используют систему автоматической подстройки частоты (АПЧ) по высокостабильному кварцевому эталону.. Будем строить передатчик именно по такой схеме.

В качестве возбудителя передатчика будем использовать генератор, управляемый напряжением (ГУН). Управление ГУН производится через два варикапа, на один из которых подаётся модулирующее напряжение UW , а на другой – управляющее напряжение системы фазовой автоподстройки частоты. Разделение функций управления между двумя варикапами производится из-за того, что девиация частоты под действием модулирующего сигнала относительно невелика (в случае связного передатчика – 3 кГц) в сравнении с диапазоном перестройки ведомого генератора управляющим напряжением с выхода системы ФАПЧ. Для повышения устойчивости в структуру передатчика включают умножители частоты.
Ширина спектра ЧМ сигнала составляет:
(5.1)
где FВ – верхняя частота передаваемого сообщения, для речевых сообщений FВ = 3 кГц; m – индекс модуляции, рассчитанный по формуле:
(5.2)
где Df – девиация частоты на выходе передатчика.
Подставляя в (5.1) и (5.2) численные значения входящих в них величин, получаем, что П = 31,8 кГц.
Исходя из ширины спектра ЧМ сигнала в данном случае, выбираем шаг сетки частот на выходе передатчика равным 50 кГц. Тогда коэффициент умножения частоты выберем равным 8. При этом шаг сетки генератора сетки дискретных частот будет равен 6,25 кГц, а диапазон генерируемых частот – от 22,5 МГц до 23,75 МГц. Для умножения частоты на 8 поставим усилитель мощности и три последовательно включенных удвоителя частоты. Схема удвоителя приведена в Приложении 2.
5. Расчет автогенератора
5.1. Расчёт режима автогенератора
Произведём расчёт генератора, управляемого напряжением – автогенератора, исходя из следующих условий:
| · диапазон рабочих частот | f = 22,5...23,75 МГц; |
| · колебательная мощность в нагрузке | PH = 5 мВт; |
| · фактор регенерации | G = 5; |
| · электронный КПД автогенератора | h = 0,5; |
| · КПД контура автогенератора | hK = 0,3; |
| · добротность ненагруженного контура | Q = 150; |
| · характеристическое сопротивление контура | r = 300. |
Для построения автогенератора выберем транзистор КТ340Б с параметрами:
| b = 100; | fТ = 800 МГц; |
| СК = 3.7 пФ; | tК = 0,04 нс; |
| IК МАХ = 50 мА; | РК ДОП = 150 мВт; |
| UКЭ ДОП = 20 В. | |
Проверим, можно ли пренебречь инерционностью этого транзистора в данных условиях. Для этого необходимо выполнение условия:
(3.1)
где f – частота генерируемых колебаний, fS – граничная частота транзистора по крутизне.
Зададимся следующими величинами: постоянная составляющая тока коллектора IК0 = 8 мА, ЕК = 0,5 UКЭ ДОП = 10 В.
Граничная частота транзистора по крутизне определяется выражением:
(3.2)
где распределённое сопротивление базы rБ , в свою очередь определяется:
(3.3)
а крутизна статической проходной характеристики S0 :
(3.4)
температурный потенциал перехода jТ :
(3.5)
Подставляя значения величин в (3.3), (3.4), (3.5) и (3.2), получаем:
fS = 128,4 МГц,
что составляет 0,160 от f. Таким образом, транзистор в данном случае можно считать безынерционным устройством.
Рассчитаем угол отсечки импульса коллекторного тока через его коэффициент разложения:
(3.6)
Получаем величину угла отсечки q = 60,5о . Первая гармоника коллекторного тока равна
(3.7)
а величина напряжения на коллекторной нагрузке автогенератора:
(3.8)
Сопротивление коллекторной нагрузки:
(3.9)
Чтобы обеспечить недонапряжённый режим работы автогенератора, зададим величину коэффициента использования напряжения питания:
x = 0.29.
При этом величина напряжения коллекторного питания составит:
(3.10)
Соответственно, мощность, подводимая к автогенератору равна:
(3.11)
Мощность, рассеиваемая на коллекторе, составляет:
(3.12)
что не превышает допустимого значения (РК ДОП = 150 мВт).
Рассчитаем значение коэффициента обратной связи:
(3.13)
Напряжение обратной связи:
(3.14)
Величина входного сопротивления автогенератора:
(3.15)
Постоянная составляющая тока базы:
(3.16)
Величина напряжения смещения на базе:
(3.17)
где Е'Б – величина напряжения отсечки, равная 0,7 В.
5.2. Расчёт элементов колебательного контура
Элементы колебательного контура автогенератора рассчитываются так, чтобы обеспечить найденные ранее сопротивление нагрузки автогенератора RK и коэффициент обратной связи К.
Нагруженная добротность колебательного контура автогенератора определяется выражением:
(3.18)
Тогда коэффициент включения колебательного контура в коллекторную цепь равен:
(3.19)
Рассчитаем значения реактивных сопротивлений элементов колебательного контура, включённых между коллектором и эмиттером, между базой и эмиттером и соответствующих этим сопротивлениям ёмкостей:
(3.20)

(3.21)

Значение ёмкости С3 колебательного контура:
(3.22)

Из номинального ряда выберем С1 = 270 пФ, С2 = 3,83 пФ.
Найдём значение индуктивности колебательного контура:
(3.23)

Коэффициент включения нагрузки в контур автогенератора определяется формулой:
(3.24)
Подставляя числовые значения величин, получаем значение рН = 0,049.
5.3. Расчёт цепи смещения транзистора
Цепь автоматического смещения транзистора предназначена для поддержания транзистора в открытом состоянии при отсутствии колебаний. После самовозбуждения автогенератора напряжение смещения автоматически должно принять значение, которое соответствует режиму с рассчитанным ранее углом отсечки.
Величина сопротивления R1 определяется соотношением: НАЧ
(3.25)
Подставляя в (3.25) значения входящих величин, получаем R1 = 54,1 кОм. Выбираем и ряда номинальных значений R1 = 53 кОм.
Проверим невозможность прерывистой генерации. Для этого необходимо выполнение следующего условия:
(3.26)
Подставляя в (3.26) числовые значения, делаем вывод, что прерывистая генерация отсутствует:
1,48•10-5 < 1,015•10-4 .
5.4. Выбор варикапов
Для осуществления в автогенераторе частотной модуляции необходимо параллельно С3 включить варикап VD2. На этот же варикап подадим управляющее напряжение от ФАПЧ. Для осуществления перестройки частоты в рабочем диапазоне включим в контур автогенератора варикап VD1.
Значения девиации и перестройки частоты автогенератора с учётом умножения частоты в 8 раз будут составлять:


Величина обратного напряжения в зависимости от коэффициента нелинейных искажений по второй гармонике К2 F определяется выражением:
(3.27)
где UВ МОЛ
– напряжение на варикапе в режиме молчания. Принимая
К2
F
= 0,05, а UОБР МОЛ
= 4 В, получаем:
UW = 0,627 В.
Рассчитаем коэффициент включения VD1. Выберем из [ 4 ] варикап Д902, ёмкость которого СВ НОМ
= 600 пФ при UОБР
= 4 В. Т.к.
UОБР МОЛ
= 4 В, ёмкость в режиме молчания СВ НОМ
= СВ МОЛ
= 600 пФ.
Изменение ёмкости VD2 под действием модулирующего напряжения UW = 0,627 В составляет:
(3.28)
DСВ = 36,4 пФ.
Коэффициент включения VD2 в контур автогенератора:
(3.29)
Подставляя в (3.29) числовые значения, получаем:
р2 = 0,379.
Аналогично рассчитаем коэффициент включения варикапа VD1. Выбирая варикап 2В105Б, ёмкость которого СВ НОМ
= 600 пФ при
UОБР
= 4 В, получаем:
DСВ = 0,364 пФ.
р2 = 0,076.
Рассчитаем цепи смещения варикапов. Значения максимальных обратных токов для них составляют: IОБР 1 = 20 мкА, IОБР 2 = 10 мкА. Значения токов через делители, которые устанавливают на варикапах смещения, должны значительно превосходить максимальные значения обратных токов. Пусть:
IД1 = 5 IОБР 1 , IД2 = 5 IОБР 2 .
Тогда сопротивления R3 и R6 равны:

Из номинального ряда выбираем R3 = 82 кОм, R6 = 39 кОм. Значения сопротивлений R4 и R5 :

Из номинального ряда выбираем R4 = 160 кОм, R5 = 75 кОм.
Для того, чтобы произвести включение варикапов в контур с заданными коэффициентами включения пересчитаем значение ёмкости С3 , которая при неполном включении варикапа VD2 разделяется на две – С3 ' и C3 ''.
Значение реактивного сопротивления индуктивности при подключении VD1:
(3.30)
где ХL и ХВ1 МОЛ – значения реактивных сопротивлений индуктивности и VD1 соответственно.
Значение реактивного сопротивления ёмкости С3 ' можно вычислить так:
(3.31)
С3 ' = 310,7 пФ.
Из ряда номиналов Е48 выберем значение 316 пФ.
Реактивное сопротивление ёмкости С3 '':
(3.32)
С3 '' = 57,67 пФ.
Для обеспечения возможности настройки контура автогенератора в качестве ёмкости С3 '' используем подстроечный конденсатор.
5.5. Выбор значений блокировочных элементов
Величины блокировочных ёмкостей С4 , СБЛ выбираются из условия:
(3.33)
Выберем величину С4 такой, что ХC 4 = 0,01 XL . Получаем:

Из ряда номиналов выбираем С4 = 300 нФ, СБЛ = 300 нФ.
Индуктивность LБЛ предназначена для того, чтобы источник питания не шунтировал контур автогенератора. Её величина выбирается из условия:
(3.34)
Пусть ХL БЛ = 100 XL . Вычисляя величину индуктивности LБЛ , получаем:

Такой же величины можно выбрать индуктивности L1 и L2 .
Ёмкость С5 включена для блокировки постоянной составляющей, имеющейся на выходе усилителя сигнала передаваемого сообщения. Её величина выбирается из условия:
(3.35)
где ХС5 – сопротивление ёмкости С5 на нижней частоте модулирующего напряжения FН , что для речевого сообщения составляет 300 Гц.

Из номинального ряда выбираем С5 = 130 пФ.
6. Выбор синтезатора частот
При выборе СЧ необходимо руководствоваться следующими соображениями:
- обеспечение синтеза частот с шагом сетки 50 Гц;
- контроль «захвата» частоты должен производиться системой фазовой автоподстройки частоты (ФАПЧ);
- осуществление быстрого перехода на дежурный канал связи;
- хранение номера последнего канала связи в режиме с низким током потребления;
- возможность программирования СЧ через последовательный канал и считывание служебной информации из внешнего электрически программируемого постоянного запоминающего устройства (ЭППЗУ);
- напряжение питания должно быть равно 6 В;
- для удобства пользователя необходимо обеспечить визуальное отображение номера канала связи на индикаторе.
Всем вышеуказанным требованиям удовлетворяет микросхема программируемого частотного синтезатора АК9601 [9], которая используется в системах связи с цифровым синтезом частот, может работать в 2-х режимах задания данных:
1) служебная информация считывается из ПЗУ с интерфейсом I2 C типа КР1568РР1 (256х8), КР1568РР2 (1024х8) или им подобным (каждому каналу отводится 8 байт);
2) служебная информация записывается микроконтроллером по последовательной шине I2 С.
Структурная схема СЧ АК9601 приведена на рисунке ниже. Назначение выводов схемы приведено в таблице 1.

Рис.2. Структурная схема синтезатора частоты АК9601
Таблица 1.
| № вывода | Обозначение | Назначение | Тип |
| 1 | Х0 | Выводы опорного генератора для подключения кварцевого резонатора (Fкв=6..10 МГц) | Выход |
| 2 | Х1 | Вход | |
| 3..10 | LCD…LCD7 | Выводы для управления сегментами мультиплексного жидкокристаллического индикатора (ЖКИ) | Выход |
| 11,12 | СОМ1, СОМ2 | Выводы мультиплексации сегментов ЖКИ | Выход |
| 13 | Ucc | Вывод питания | - |
| 14 | ТХ/СЕ | Вывод для управления режимами работы «приём-передача» и «рабочий-хранение» | Вход |
| 15 | +/- | Вывод для изменения канала связи | Вход |
| 16 | TS/DEG | Вывод для перехода на дежурный канал связи | Вход |
| 17 | ZB | Вывод для одного из 2-х сигналов: служебного сигнала (для коммутации при переходе на другой диапозон) или сигнала признака «захвата» частоты системой ФАПЧ | Выход с открытым стоком |
| 18 | SMEM | Вывод для включения питания ЭППЗУ на время считывания информации | Выход с открытым стоком |
| 19 | VCO | Вход программируемого делителя системы ФАПЧ, на который подаётся сигнал с ГУНа | Вход |
| 20 | SDA | Вывод для подключения к линии данных шины I2 C | Вход/выход с открытым стоком |
| 21 | SCL | Вывод для подключения к линии синхронизации I2 C | Вход/выход с открытым стоком |
| 22 | ER | Вывод сигнала ошибки с ФД системы ФАПЧ и затвора встроенного N-канального транзистора для построения инвертирующего интегратора | Вход/выход с третьим состоянием |
| 23 | DRV | Вывод стока встроенного транзистора для построения инвертирующего интегратора | Вход/выход с открытым стоком |
| 24 | Uss | Общий вывод | - |
Кварцевый резонатор для синтезатора частот выберем на 10 МГц. Подключать его следует через конденсаторы, включенные на землю.
7. Выбор источника питания
Источником первичного питания является промышленная сеть напряжением 220В, частотой 50Гц. Источник вторичного электропитания должен обеспечивать постоянные выходные напряжения величиной 6В (для питания микросхем) и 17В (для питания транзисторных каскадов).
Схема вторичного источника должна содержать следующие элементы:
· понижающий трансформатор;
· диодный мост с фильтром;
· стабилизатор.
Стабилизатор напряжения выполним на микросхеме LM350 фирмы Motorola, которая обеспечивает выходное напряжение
В, нестабильность по напряжению 0.01%. Выходное напряжение регулируется переменным резистором R2 и вычисляется по формуле:
![]()
где I - ток через резистор R2
Ниже приведена схема источника питания.

Рис.13. Источник вторичного питания
8. Расчет умножителя частоты
Для обеспечения рабочей частоты передатчика f = (180-190) МГц необходимо увеличить частоту автогенератора в восемь раз (fАГ = 22,5-23,25 МГц).
Используем два последовательно включенных однокаскадных удвоителя частоты для обеспечения небольшого значения коэффициента нелинейных искажений сигнала и повышения КПД всей схемы.

РАСЧЕТ ЦЕПИ СОГЛАСОВАНИЯ
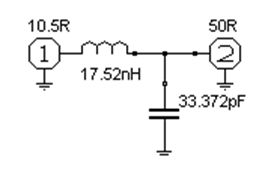
Для расчета цепи согласования использовалась программа Rfsim99
Из всех видов (Г-, Т- и П-образный) согласующих четырехполюсников, лучше всего подходит Г-образная схема, т.к. она имеет меньше всего элементов и легко реализуемую индуктивность, при использовании же П- образной схемы получается лишком маленькая и поэтому сложно реализуемая индуктивность. Если взять Т-образную схему, то пришлось бы мотать вообще две катушки индуктивности, поэтому остановимся все же на Г-образной схеме.
Результат работы программы:
![]() |
Принципиальная схема цепи согласования
РАСЧЕТ ВЫХОДНОГО ФИЛЬТРА
Для расчета фильтра также использовалась программа Rfsim99. Для частотного анализа фильтра использовали программу PSpice, потому что анализ, предложенный разработчиками Rfsim99 неудобен для представления. Задали неравномерность в полосе пропускания равной 0.1 дБ и затухание на 360 МГц 40 дБ. Зная, что только фильтры с нечетным порядком не трансформируют сопротивление, методом подбора выбрали порядок фильтра, он оказался девятым:

Принципиальная схема фильтра
АЧХ фильтра, полученная в программе PSpice:

КОНСТРУКТИВНЫЙ РАСЧЕТ
Главной задачей конструктивного расчёта является расчёт геометрии катушек индуктивности входящих в состав выходного фильтра и цепи согласования. Это необходимо для выполнения помимо требований к заданной индуктивности, высокой добротности, определённой стабильности, также и требований к электрической прочности, допустимого нагрева, механической прочности и т.д.
Следует уточнить расчетное значение индуктивности с учетом влияния экрана катушки. Экран уменьшает индуктивность в соответствии с законом Лоренца. Если диаметр экрана по крайней мере вдвое больше диаметра катушки, то его влияние невелико и следует принять расчетное значение индуктивности катушки Lрасч » (1,1 … 1,2) L. (возьмем 0,2)
Диаметр провода катушек выберем, исходя из соображений её допустимого нагрева. Воспользуемся эмпирической формулой для определения диаметра цилиндрических однослойных, с естественным (конвекционным) охлаждением катушек.
,
где d – диаметр провода, мм I – радиочастотный ток, А (действующее значение); f – частота радиочастотного тока, МГц; DT – разность температур провода и окружающей среды (возьмём DT= 40 °С).
Зададимся соотношением длины намотки катушки l к её диаметру D, а именно l/D = 0,6, т.к. D очевидно меньше 50 мм.
Число витков спирали катушек рассчитывается по формуле:
,
где F(l/D) определяется по графику, если l/D = 0,6, то F» 0,01.
Подставив вычисленные значения для индуктивностей, получаем количество витков каждой катушки:
Рассчитаем ток в последней индуктивности фильтра ( в дальнейшем будем говорить LФ ):
,
где Rн – входное сопротивление фидера.
Рассчитаем диаметр провода катушки индуктивности:
![]()
Рассчитаем количество витков:
![]()
Зададимся диаметром катушки: D = 20 мм. Сейчас можно посчитать длину катушки и шаг её намоток ( g ):
![]()
![]()
Определим такие же параметры для индуктивности в схеме согласования. Ток, протекающий через эту индуктивность – это ток Iк1 и все остальные гармоники, поэтому возьмем ток, больший первой гармоники коллекторного тока на 10%. Следовательно, ток этот будет равен
Iк1 ×1,1 = 1,743×1,1 = 1,917 А
![]()
![]()
![]()
![]()
Дроссель в цепи питания выберем по таблице, представленной в методических указаниях к курсовому проектированию. Через эту индуктивность будет проходить постоянная составляющая коллекторного тока Iк0
= 1,109 А. Lбл
= 7,86 мкГн . Исходя из этих данных по таблице нашли дроссель ДМ – 1,2 – 8 , у которого
lk
= 13,5 мм, d = 0,6 мм, D = 4 мм.
ВЫБОР СТАНДАРТНЫХ НОМИНАЛОВ
Поскольку расчётные значения номиналов получаются очень разные, то требуется подбор наиболее подходящего номинала из стандартных значений. Прежде всего при подборе элемента стандартного номинала нужно учитывать мгновенные амплитудные значения токов и напряжений, протекающих через элементы, мощность, проходящую через элементы, рассеиваемую мощность на элементах, электромагнитную совместимость и диапазон рабочих частот. Отметим также, что поскольку выходной фильтр должен иметь значения номиналов входящих в него элементов в соответствии расчётными, то точность подбора каждой ёмкости обеспечивается посредством параллельного включения двух конденсаторов, один из которых выбирается чуть меньше рассчитанного номинала, а другой подстроечный – для точной настройки. Для нашего усилительного каскада номиналы элементов получились следующими:
Резисторы:
| Обозначение | Расчетное значение, Ом | Стандартный номинал, Ом |
| Rдоп | 23.5 | 22 |
| R1 | 292 | 270 |
| R2 | 12.57 | 12 |
Конденсаторы:
| Обозначение | Расчетное значение, мкФ | Стандартный номинал |
| Сбл | 6,8× 10-6 | 6,8 пФ |
| Ср1 | 65,6 × 10-3 | 68 нФ |
| Ср2 | 8,42× 10-3 | 8,2 нФ |
| Ссогл | 3,372 × 10-6 | 3,9 пФ |
| Сф1, Сф4 | 14,805 × 10-6 | 15 пФ |
| Сф2, Сф3 | 27,825 × 10-6 | 27 пФ |
РАСПОЛОЖЕНИЕ ЭЛЕМЕНТОВ НА ПЕЧАТНОЙ ПЛАТЕ
Для того чтобы избежать самовозбуждения оконечного каскада передатчика необходимо вход и выход каскада расположить на плате как можно дальше друг от друга. Во избежание появления межкорпусных емкостей, элементы нельзя ставить слишком близко друг к другу и к каким либо металлическим частям корпуса передатчика. Соединительные провода необходимо делать как можно более короткими для уменьшения паразитных индуктивностей. Основываясь на этих правилах, и произведена компоновка элементов. Расположение элементов на печатной плате
ЗАКЛЮЧЕНИЕ
В процессе выполнения курсового проекта был рассчитан оконечный каскад передатчика с частотной модуляцией, полностью удовлетворяющий критериям, приведенным в задании на проектирование. Также выбрана, обоснована и представлена структурная схема всего передающего устройства.
Была приведена схема расположения элементов радиопередатчика на печатной плате, построенная из соображений оптимальной работы устройства – уменьшения действия паразитных реактивностей, возникающих на проводниках между элементами и между корпусами элементов, и обеспечения необходимого температурного режима устройства.
Для выполнения курсовой работы были изучены новые аспекты и нюансы проектирования радиопередающих устройств, вследствие чего были приобретены необходимые знания для дальнейшей работы в этом направлении.
БИБЛИОГРАФИЧЕСКИЙ СПИСОК
1. Шумилин М. С., Козырев В. Б., Власов В. А. Проектирование транзисторных каскадов передатчиков: Учебное пособие для техникумов. М.: Радио и связь, 1987.
2. Радиопередающие устройства: Методические указания по курсовому проектированию. Л. И. Булатов, Б. В. Гусев, Ф. В. Харитонов. Екатеринбург; УПИ, 1992.
3. Проектирование радиопередатчиков: Учебное пособие для вузов/ В. В. Шахгильдян, М..С. Шумилин, В.Б. Козырев и др.Ж Под ред. В. В. Шахгильдяна. – М.: Радио и связь, 1990 г.
ПРИЛОЖЕНИЕ А
Параметры транзистора КТ920В
| Параметр | Название | Значение |
| rб | Сопротивление материала базы | 0,25 Ом |
| rэ | Стабилизирующее сопротивление в цепи эмиттера | 0,3 Ом |
| rнас | Сопротивление насыщения | 0,24 Ом |
| RЭУ | Сопротивление утечки эмиттерного перехода | 1 кОм |
| b0 | Коэффициент передачи по току в схеме с общим эмиттером ОЭ на постоянном токе | 32 |
| fт | Граничная частота передачи по току в схеме с ОЭ | 529 МГц |
| Uкэ доп | Максимальное напряжение на коллекторе | 36 В |
| Ск | Барьерная ёмкость коллекторного перехода | 55 пФ |
| Сэ | Барьерная ёмкость эмиттерного перехода | 410 пФ |
| Lэ | Индуктивность вывода эмиттера транзистора | 1 нГн |
| Lб | Индуктивность вывода базы транзистора | 2,4 нГн |
| Lк | Индуктивность вывода коллектора транзистора | 2,4 нГн |
| Uбэ доп | Обратное напряжение на эмиттерном переходе | 4 В |
| Iк0 доп | Допустимое значение постоянной составляющей коллект-ого тока | 3 А |
| Iк мах доп | Допустимое значение Iк мах | 7 А |
| Rпк | Тепловое сопротивление переход (кристалл) ‑ корпус | 10 °С/Вт |
| Df¢ | Диапазон частот | 50 – 200 Мгц |
| Е¢ | Напряжение отсечки | 0,7 В |
| Схема включения с ОЭ | ||
