| Скачать .docx |
Реферат: Описание схемы автомата световых эффектов Бегущие огни
1 ОПИСАНИЕ СХЕМЫ АВТОМАТА СВЕТОВЫХЭФФЕКТОВ «БЕГУЩИЕ
ОГНИ»
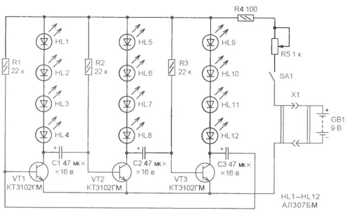
Трехфазный мультивибратор собран на транзисторах VT1-VT3, в их коллекторные цепи включены светодиоды HL1-HL12, разделенные на три группы по четыре последовательно. Транзисторы поочередно открываются и включают соответствующие светодиоды.
Частота мультивибратора, а значит, и частота мигания светодиодов зависит от номинала деталей времязадающих цепей – конденсаторов С1-С3 и резисторов R1-R3. Ее регулируют и переменным резистором R5. Резистор R4 необходим для того, чтобы при крайнем нижнем (по схеме) положении движка резистора R5 ток через светодиоды не превышал максимально допустимого.
Транзисторы VT1-VT3 могут быть любыми из серии КТ3102. Постоянные резисторы – МЛТ-0,125. Переменный резистор – СПЗ-4б или любой другой малогабаритный. Конденсаторы – любые. Разъем Х1 – колодка для подключения батареи «Крона».
Источник питания – батарея «Крона» или аналогичная ей импортная напряжением 9 В, она размещена на площадке за печатной платой. Эту площадку делают из фольгированного стеклотексталита и припаивают к основной печатной плате, на которой размещены все элементы, - предусмотрен участок фольги – к нему и припаивают площадку, которая выполняет еще и функцию опоры, позволяя установить всю конструкцию вертикально. При отсутствии батареи на 9 В можно использовать сетевой блок питания напряжения не более 12В. Следует только знать, что значение напряжения, написанное на этикетке блока, может отличаться от реального на 1,5…2 В.
Не забывайте, что пайка светодиодов должна проводиться очень аккуратно. Если корпус расплавится, светодиод придет в негодность.
После установки всех элементов подключите питание и отрегулируйте частоту переключения и яркость «бегущего огня» переменным резистором R5.

Рисунок 1 – Схема электрическая принципиальная автомата световых эффектов
«Бегущие огни».
2 АНАЛИЗ ПРЕДМЕТНОЙ ОБЛАСТИ
2.1 Назначение автоматов световых эффектов
Для оформления танцевальных залов, рекламных щитов и др. где нужен зрительно- световой эффект, при этом музыка или реклама просматривается или прослушивается более эффективно. Применяются Автоматы Световых Эффектов (бегущие огни). На их основе получается хорошее украшение для новогодней елки. Во многом при выборе схемы будущей конструкции нужно исходить из того, где и как она будет использоваться.
Автоматы световых эффектов входят в перечень обязательного оборудования для проведения световых шоу. Генерируемые ими световые эффекты отличаются большим разнообразием и служат основой для классификации автоматов. Эффекты могут быть с анимацией или без таковой, статическими или динамическими. В основном автоматы световых эффектов проецируют лучи света в такт музыке. Другие имеют определенный алгоритм, согласно которому происходит смена световых эффектов и характер их проецирования.
К основным техническим параметрам автоматов световых эффектов относятся минимальное входное напряжение, количество производимых эффектов, частотный диапазон. Некоторые агрегаты оснащены функцией изменения скорости переключения текущего эффекта и количество его повторений в зависимости от уровня входного сигнала. Подбор агрегата диктуется в первую очередь эстетическими запросами (то есть базируется на производимых автоматом эффектах), а также особенностями помещения и размером аудитории, технической подготовленностью площадки.
Автоматы световых эффектов нередко имеют сложную конструкцию, требующую специальной техники для управления ими. К ним относятся консоли и контроллеры, пульты управления. Когда есть необходимость в создании особо сложных световых эффектов, могут использоваться также и профессиональные медиасерверы, которые дают возможность визуализировать программирование шоу.
2.2 Рекомендации
1. Световое оформление рекламных щитов.
Основное освещение в виде бегущих огней по контору - лучше применять А.С.Э. с программой в виде бегущей точки, с количеством каналов не менее 3-х. Эффект нарастания, бегущая тень или перетекания света, лучше применять для выделения отдельных частей. Применение программируемых А.С.Э. целесообразно если, свет играет главную - несущую роль, выделяя контура, буквы, символы и другие предметы.
2. Световое оформление в танцевальные залы, дискотеки, кафе.
На дискотеки можно использовать все виды А.С.Э. Все зависит, на какую нагрузку - световые приборы вы будете подключать. Для гирлянд сложенных в линию, можно применить не сложные 3-х канальные, с эффектом движения света. Они дают малую освещенность, но хороший эффект движения и темпа.
Для светильников, составленных в группы: софитов, объёмных щитов - лучше применять А.С.Э. с большим количеством программ, при этом цветовая картинка более разнообразна и не так быстро надоедает зрительно.
Для развешенных светильников по залу, лучше применять А.С.Э. с большим количеством программ, где одновременно включено несколько световых приборов. Это не позволит оставлять весь зал в темноте.
Одновременное использование нескольких А.С.Э. и ЦМУ позволит получить более динамичную световую картинку.
2.3 Некоторые схематические возможности А.С.Э.
Простые схемы А.С.Э. на микросхеме триггера, соединенные в кольцо, выполнены на TM2, TM5, TM7, TM8, TM9 и регистрах сдвига ИР1, ИР13. Также выполняют простые программы как: бегущий огонь, нарастание и затухание света. Более сложные схемы выполнены на счетчиках и микросхемах РУ2Б, РЕ3, РТ4, РФ2, РФ5 - памяти. Такие схемы имеют большие возможности в управлении и количестве программ.
Схемы можно разделить по числу каналов:
1. Трехканальные:
- на транзисторах;

Рисунок 2 - Схема трёхканального А.С.Э. на транзисторах.
- на 1 микросхеме;

Рисунок 3 - Схема трёхканального А.С.Э. на микросхеме.
- на микросхемах;

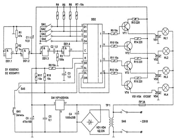
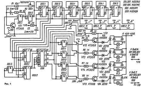
Рисунок 4 - Схема трёхканального А.С.Э. на микросхемах.
2. Четырехканальные:
- на транзисторах;

Рисунок 5 - Схема четырёхканального А.С.Э. на транзисторах.
- на 1 микросхеме;

Рисунок 6 - Схема четырёхканального А.С.Э. на 1 микросхеме.
- на элементах сдвига (по кольцу);

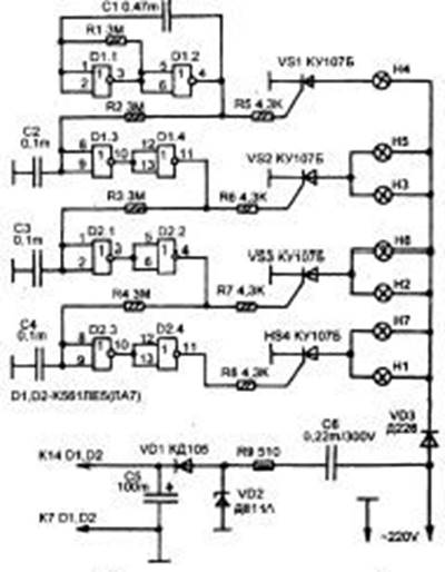
Рисунок 7 - Схема четырёхканального А.С.Э. на элементах сдвига.
- на микро оперативной памяти;

Рисунок 8 - Схема четырёхканального А.С.Э. на микро оперативной памяти.
- на микро постоянной памяти;

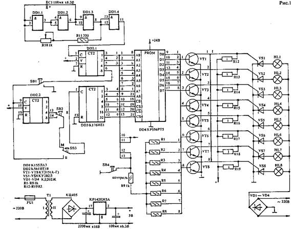
Рисунок 9 - Схема четырёхканального А.С.Э. на микро постоянной памяти.
3. 5-16 – многоканальные:
- на элементах сдвига (по кольцу);

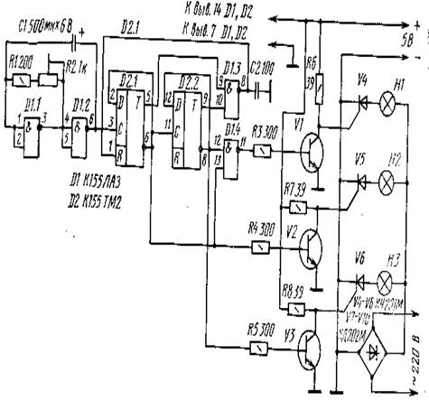
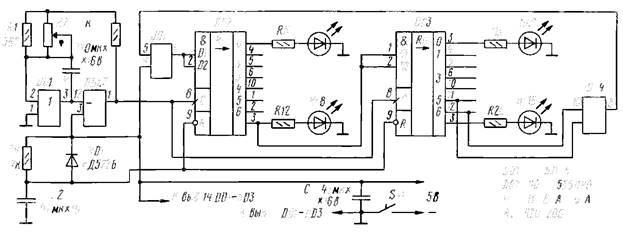
Рисунок 10 - Схема многоканального А.С.Э. на элементах сдвига.
- на микро. постоянной памяти 8 каналов;

Рисунок 11 - Схема 8-канального А.С.Э. на микро постоянной памяти каналов.
4. Новогодние гирлянды.

Рисунок 12 - Схема новогодней гирлянды.
СПИСОК ИСПОЛЬЗОВАННЫХ ИСТОЧНИКОВ
1 Бойко Г. М. Нормоконтроль оформления дипломного (курсового) проекта (работы) / Г. М. Бойко, В. К. Власова. – Балаково, 2007. – 52 с.
2 Журнал «Радио» №12 2006 г. с. 52
3 Журнал «Радио» №4 2006 г. с. 56-57