| Скачать .docx |
Реферат: Разработка СУ для двухсцепного манипулятора
МОСКОВСКИЙ ГОСУДАРСТВЕННЫЙ ОТКРЫТЫЙ УНИВЕРСИТЕТ
ФАКУЛЬТЕТ ИНФОРМАТИКИ И РАДИОЭЛЕКТРОНИКИ
Кафедра управления и информатики в технических системах
![]()

по дисциплине:
«Автоматизированные ИСУ»
на тему:
«Разработка СУ для двухсцепного манипулятора».
Принял : Воронин Ю.Ю.
Москва
2008г.
Дано:
| Последняя цифра шифра | Масса звеньев | Длина звеньев | ||
| М1, кг | М2, кг | L1, м | L2, м | |
| 8 | 10 | 13,5 | 1,8 | 2,5 |
Часть 1. Уравнение динамики двухстепенного манипулятора.
Уравнение динамики в общем виде:
.
, где q
– обобщенные координаты.
, где
- управление.
A( q) – матрица инерции манипулятора 2х2.
- моменты скоростных сил.
- симметричные матрицы 2х2.
Для А(q):
,
где
;
;
;
;
;
.
Для матрицы
:
,
;
;
,
.
При расчете управления потребуются собственные числа матриц
:
.
Их находят из уравнения:
.
Эти числа должны быть вещественные, т. к. матрицы симметричные.
![]()
;
![]()
;
;
.
![]()
;
;
;
;
.
Для матрицы
:
- гравитационные моменты.
;
;
Здесь
- ускорение свободного падения.

.
Для дальнейших расчетов потребуются частные производные от
:
.
;
;
;
;
Часть 2. Управление 2х степенным манипулятором с самонастройкой
по эталонной модели.
Требуется сформировать такое управление
, при котором динамика манипулятора описывалось бы уравнениями желаемой модели вида:
,
здесь
- заданная траектория движения манипулятора в обобщенных координатах.
Управление
, где uл
– линейная составляющая модели;
d – сигнал самонастройки.
, где А0
– постоянная матрица 2х2,
, KV
= const, K
= const – параметры желаемой модели.
В системе имеется эталонная модель:
, где
– скорость эталонной модели.
Ошибка системы относительно эталонной модели:
.
Для сигнала самонастройки:
;
;
;
- ускорение эталонной модели;
;
;
.
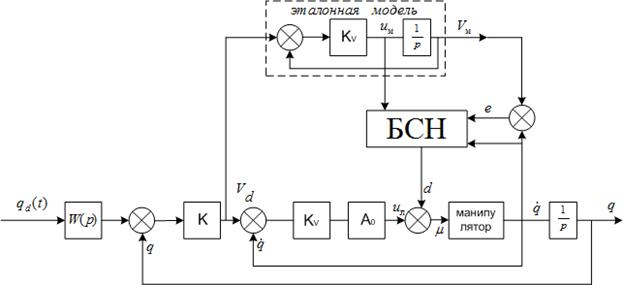
Структурная схема самонастраивающейся системы.

.
Передаточная функция
на структурной схеме вводится для получения произвольных входных воздействий
и
, и ввода их в систему управления. Когда траектория
задается заранее, то можно вычислить её первую и вторую производные заранее.
Часть 3. Расчет параметров системы (для расчетов используются
данные первой части).
Параметры K
, KV
и
рассчитывать не надо, они варьируются в широких пределах. Остальные параметры рассчитываются следующим образом:
1) Для первого положения манипулятора:
.

Для этого положения рассчитывается матрица инерции A( q), которая дает значение A0 .
Это положение манипулятора берется за номинальное.
;
;
.
.
2) Для второго положения манипулятора:
.

;
;
.
.
3) Матрицы
, входящие в выражение для моментов скоростных сил, рассчитываются для первого положения манипулятора, т.к. для второго положения они равны нулю:
,
.
4) Затем расчет ведется по формуле:
.

.
Результат представим в виде:
.
5) Затем расчет ведется по формуле:
.
Для дальнейших расчетов нам необходимо получить точные значения собственных чисел
:
- для матрицы В1:
,
;
- для матрицы В2:
,
;


Результат представим в виде:
.
6) Затем расчет ведется по формуле:
.
Для вычисления
надо рассчитать частные производные по
от гравитационных моментов
.
Частные производные рассчитываются для первого положения манипулятора, так как для второго положения они равны нулю.
Р
;
;
;
.
Результат представим в виде:
.
Ответ:
.
.
.