| Скачать .docx |
Реферат: Детектор излучения сотового телефона
МИНИСТЕРСТВО ОБРАЗОВАНИЯ РОССИЙСКОЙ ФЕДЕРАЦИИ КРАСНОДАРСКИЙ КОЛЛЕДЖ ЭЛЕКТРОННОГО ПРИБОРОСТРОЕНИЯКУРСОВОЙ ПРОЕКТпо дисциплине: Технология производства и обеспечение работоспособности вычислительной техники на тему: Детектор излучения сотового телефона Учащийся ………………………… Яковенко М.В.(подпись) Группа 171-Д9-3ЭВТ Преподаватель ………………….. Дегтярева Н.Е. (подпись) Проект защищен с оценкой ………………….. ….……………… (дата) 2005 г. |
||||||||||
| Подп. и дата | ||||||||||
| Инв. № | ||||||||||
1 Введение Тема курсового проекта предложена цикловой комиссии ЭВТ специальности 2201 «Вычислительные машины, системы, комплексы и сети» и утверждена директором Краснодарского колледжа электронного приборостроения. Важным фактором, определяющим конструктивно-технологические особенности любой РЭА, является ее рабочий диапазон частот. В зависимости от диапазона частот устройства диктуются требования к его конструктивному оформлению и технологии изготовления. С ростом частот повышаются требуемые точность изготовления, качество обработки деталей, чистота применяемых материалов и т. д. Основные особенности диапазона СВЧ, определяющие единый подход к конструированию устройств СВЧ. Длина волны электромагнитного сигнала, как правило, соизмерима или много меньше размеров изучаемого объекта. Это является принципиальными конструктивными и технологическими особенностями СВЧ-элементов РЭА и отличает физику их работы от аналогичных радио- и низкочастотных (НЧ) устройств. При конструктивно-технологическом анализе большое внимание следует уделять ее непосредственному назначению и условиям эксплуатации. Это предусмотрено общей характеристикой радиотехнических систем (РТС) и радиотехнических комплексов (РТК), в которые входит анализируемая аппаратура. Разнообразие и сложность выполняемых РТС и РТК функций и условий их работы, состав и особенности носителей аппаратуры в значительной степени определяют требования к ее конструкции и существенно влияют на выбор технологии изготовления элементов и сборочных единиц. Большие пространственные масштабы (включая континентальный, глобальный и космический) современных РТК приводят к пространственному разделению аппаратуры, составляющей единые РТС, входящие в РТК. |
||||||||||
| Разработал | Яковенко М.В. | ККЭП 2201 028 000 ПЗ | Лист | |||||||
| Проверил | Дегтярева Н.Е. | |||||||||
| изм | лист | № докум | Подпись | Дата | ||||||
Это является источником огромных диапазонов и скоростей изменения разнообразных возмущающих воздействий, одновременно влияющих на различные составляющие части единой работающей в это время РТС. При этом зачастую аппаратура одной и той же РТС, выполняющей ответственные функции, расположена на различных типах объектов: стационарных пунктах и подвижных наземных, надводных и подводных объектах, атмосферных, космических, инопланетных и даже межгалактических летательных аппаратах; обслуживаемых и необслуживаемых объектах, носимой аппаратуре и др. Для разных типов объектов существуют различные требования на условия размещения аппаратуры, весьма различны комплексы возмущающих воздействий, их сочетания, диапазоны изменения и т. п. Всевозможные комбинации электромагнитных, тепловых, радиационных, виброакустических и других воздействий на аппаратуру должны быть обязательно приняты во внимание при проектировании и оптимизации технологических процессов (ТП) ее изготовления. При этом необходимо указать, что, поскольку возможности и ограничения различных технологических систем (ТС) изготовления аппаратуры в сильной степени определяют особенности ее функционирования в условиях различных комплексов возмущающих воздействий, перед конструктором и технологом ставится задача активно участвовать во всех этапах проектирования и создания РТК и РТС. Проектируемый в курсовом проекте прибор относится к группе наземных подвижных приборов. |
||||||||||
| Разработал | Яковенко М.В. | ККЭП 2201 028 000 ПЗ | Лист | |||||||
| Проверил | Дегтярева Н.Е. | |||||||||
| изм | лист | № докум | Подпись | Дата | ||||||
2. Описание принципиальной электрической схемы «Детектора излучения сотового телефона». Схема электрическая принципиальная «Детектора излучения сотового телефона», графическая часть лист 1, состоит из амплитудного детектора СВЧ колебаний элементом которого служит диод VD1. Если амплитуда принятого сигнала достаточно велика, то выходное напряжение детектора откроет транзистор VT1. Это приведет к тому, что на выходе элемента DD1.1, образующего с элементом DD1.2 одновибратор, возникает импульс высокого логического уровня длительностью приблизительно 10 мс (0,7R6C3). Он разрешит работу мультивибратора (элементы DD1.3,DD1.4) на частоте приблизительно 1,5 кГц ,зависящего от номиналов резистора R5 и конденсатора C4. Пакет импульсов, усиленных по мощности транзисторами VT2 и VT3 будет воспроизведен динамической головкой ВА1 как громкий щелчок. Так прибор отреагирует на выход сотового телефона в эфир даже на очень короткое время. Но как не информативен акустический сигнал он не будет услышан, если по близости нет человека. Поэтому прибор дополнен узлом памяти и световой индикации. При срабатывании одновибратора на выходе DD1.2 возникает импульс низкого логического уровня, который переводит триггер на элементах DD2.1 и DD2.2, в состояние высокого логического уровня на выходе элемента DD2.1. Для того чтобы выяснить состояние триггера, необходимо нажать кнопку SB1 и если загорелся светодиод HL1, значит был принят СВЧ сигнал. Импульс, сформированный на выходе элемента DD2.3 при отпускании кнопки, возвращает триггер в исходное состояние. Схема имеет низкое энергопотребление прибора в дежурном режиме (менее 5мкА), что позволяет использовать для его питания любой источник напряжения 6В. Выключатель питания не обязателен – энергии такой батареи хватает на год непрерывной работы. |
||||||||||
| Разработал | Яковенко М.В. | ККЭП 2201 028 000 ПЗ | Лист | |||||||
| Проверил | Дегтярева Н.Е. | |||||||||
| изм | лист | № докум | Подпись | Дата | ||||||
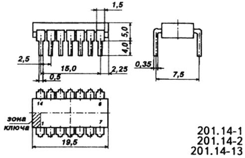
3. Конструктивные особенности типовых элементов схемы «Детектора излучения сотового телефона» Согласно перечню элементов схемы, в неё входят: один конденсатор марки КМ–4, пять конденсаторов марки К10-17, один оксидный конденсатор К50-3А, одиннадцать резисторов 0,125Вт марки МЛТ, одна интегральная микросхема К561ЛА7, четыре транзистора КТ3102ЕМ, один СВЧ диод КД514А, один диод КД522Б, светодиод АЛ307КМ. Ниже приведем конструктивные данные корпусов этих элементов: Интегральная микросхема К561ЛА7. Согласно справочнику, микросхема К561ЛА7 – четыре логических устройства «2И-НЕ». Данная микросхема помещена в прямоугольный пластмассовый корпус, тип которого 201.14-1, габаритные размеры 19,5х7,5х5,0 мм и масса 1г. Диапазон температур, при которых микросхема способна нормально функционировать –10…+70°С. Входные токи при Е=+5В, I=3mА и при Е=+10В, I=7mA. Изображение корпуса микросхемы К561ЛА7 показано на рисунке 2.1.
Рисунок 2.1 |
||||||
| Разработал | Яковенко М.В. | ККЭП 2201 028 000 ПЗ | Лист | |||
| Проверил | Дегтярева Н.Е. | |||||
| изм | лист | № докум | Подпись | Дата | ||
Резисторы МЛТ - 0,125. Согласно справочнику, резисторы МЛТ с металло-электрическим проводящем слоем предназначены для работы в цепях постоянного, переменного и импульсного тока в качестве элементов навесного монтажа. Габаритные размеры корпуса: 0,125Вт 2,2х6,0мм, длина выводов 20мм, масса 0,15г, толщина выводов d=0.6мм. Диапазон номинальных сопротивлений 1,0-3*10ікΩ.Температура окружающей среды от –60 до +155 єС.Относительная влажность воздуха до 98%. Пониженное атмосферное давление до 133Па. Изображение корпуса резистора показано на рисунке 2.2.
Рисунок 2.2 Диод КД522Б. Согласно справочнику, диод КД522Б кремниевый эпитаксиально планарный. Выпускается в стеклянном корпусе с гибкими выводами. Габаритные размеры корпуса: 1,9х3,8мм, длина выводов 28мм, толщина выводов 0,6мм, масса неболее0,15г. Постоянное прямое напряжение 1,1В. Постоянный обратный ток 5мкА. Температура окружающей среды от –55 до +85°С Изображение корпуса диода показано на рисунке 2.3.
Рисунок 2.3 |
||||||
| Разработал | Яковенко М.В. | ККЭП 2201 028 000 ПЗ | Лист | |||
| Проверил | Дегтярева Н.Е. | |||||
| изм | лист | № докум | Подпись | Дата | ||
Диод КД514А. Согласно справочнику, диод кремниевый сплавный. Выпускается в стеклянном корпусе с гибкими выводами. Габаритные размеры корпуса: 7,5х3мм, длина выводов 25мм, толщина выводов 0,5мм, масса не более 0,3г. Постоянное обратное напряжение 30В. Постоянный прямой ток 20мА. Температура окружающей среды от –40 до +70 єС. Изображение показано на рисунке 2.4
Рисунок 2.4Конденсаторы К10 – 17.Согласно справочнику, низковольтные, керамические, монолитные, для работы в цепях постоянного, переменного и импульсного тока. Конструктивно выполнены изолированными, типа 1 – отличаются относительно большой реактивной мощностью, низкими потерями, высоким сопротивлением изоляции, стабильностью ТКЕ. Ёмкость конденсаторов не зависит от температуры. Ширина конденсатора 9,0 мм, толщина выводов 0,8мм, расстояние между выводами 10мм, масса конденсатора 3,0г. Изображение конденсатора показано на рисунке 2.5
Рисунок 2.5 |
||||||
| Разработал | Яковенко М.В. | ККЭП 2201 028 000 ПЗ | Лист | |||
| Проверил | Дегтярева Н.Е. | |||||
| изм | лист | № докум | Подпись | Дата | ||
Конденсатор К50-3А. Согласно справочнику, конденсатор К50-3А алюминиевый оксидно-электролитический, предназначен для работы в цепях постоянного и пульсирующего тока. Выпускается в цилиндрических металлических корпусах с разнонаправленными проволочными выводами. Номинальное напряжение 12В. Номинальная емкость 2 мкФ. D=6мм, L=22мм. Масса не более 2,5г. Изображение конденсатора К50-3А показано на рисунке 2.6
Рисунок 2.6 Светодиод АЛ 307 КМ. Согласно справочнику, светоизлучающий диод арсенид-галий-аллюминиевый в пластмассовом корпусе красного цвета свечения. Предназначен для визуальной индикации. Габаритные размеры корпуса: 5х4,7мм, длина выводов 15мм, толщина выводов 0,5мм, масса не более 0,25г. Сила света 0,15 мкд. Постоянное прямое напряжение 2В. Цвет свечения красный. Температура окружающей среды от –60 до +70 єС. Изображение показано на рисунке 2.7
Рисунок 2.7 |
||||||
| Разработал | Яковенко М.В. | ККЭП 2201 028 000 ПЗ | Лист | |||
| Проверил | Дегтярева Н.Е. | |||||
| изм | лист | № докум | Подпись | Дата | ||
Транзистор КТ3102Е. Согласно справочнику, транзистор кремниевый эпитаксиально-планарный n-p-n усилительный, высоко частотный, маломощный с нормированным коэффициентом шума. Предназначен для применения в усилительных и генераторных схемах высокой частоты. Выпускается в металлостеклянном корпусе с гибкими выводами. Габаритные размеры корпуса: 5,3х5,84мм, длина выводов 13,5мм, толщина выводов 0,5мм, масса не более 0,5г. Прямое напряжение 15В. Обратный ток 10мкА. Изображение показано на рисунке 2.8
Рисунок 2.8 Конденсатор КМ-4. Согласно справочнику, конденсатор предназначен для работы в цепях постоянного, переменного и импульсного тока. Габаритные размеры: L=5мм, A=2,5мм, H=3,3мм, расстояние между выводами 25мм, толщина выводов 0,8мм. Масса не более 0,5г. Изображение показано на рисунке 2.9
Рисунок 2.9 |
||||||
| Разработал | Яковенко М.В. | ККЭП 2201 028 000 ПЗ | Лист | |||
| Проверил | Дегтярева Н.Е. | |||||
| изм | лист | № докум | Подпись | Дата | ||
| Разработал | Яковенко М.В. | ККЭП 2201 028 000 ПЗ | Лист | |||
| Проверил | Дегтярева Н.Е. | |||||
| изм | лист | № докум | Подпись | Дата | ||
4.1 Определение требований к печатной плате Для разработки печатной платы выбираем фольгированный стеклотекстолит марки СФ-2-35-1.5 имеющий следующие свойства: широкий диапазон рабочих температур –60…+105°С, удельное поверхностное сопротивление 1010 …1011 Ом, прочность 3 – 4Н, штампуемость 1,5 – 2, время горения 10с. Стеклотекстолит марки СФ-2-35 обладает значительной стойкостью к короблению и низким водопоглащением. Данные свойства текстолита вполне соответствует условиям эксплуатации «Детектора излучения сотового телефона» - наземная подвижная группа аппаратуры с температурой эксплуатации 40°С, и методу изготовления печатной платы - субтрактивный. Конструкция выполнена на одной двусторонней печатной плате размером 50x65 мм. Площадь платы составляет 3250 мм2 . При определении площади платы учитывались площади размещаемых на плате элементов, площади вспомогательных зон, допустимые габариты с точки зрения технологических возможностей и условий эксплуатации, типы базовых несущих конструкций и их основные размеры. Суммарная площадь всех элементов, устанавливаемых на плату, составляет 1300 мм2 . Для определения площади платы суммарную площадь устанавливаемых на нее элементов умножаем на коэффициент 2,5 и прибавляем площадь вспомогательных зон. Получаем площадь платы 3250 мм2 , что приблизительно соответствует принятой площади и габаритам платы. На основании полученных расчетов (Раздел 5.1) и ГОСТ 23751-86 печатная плата соответствует второму классу точности. В соответствии с ГОСТ 10317-79 основной шаг координатной сетки выбран 2.5мм, исходя из того что наименьшее расстояние между выводами элементов 2,5мм. В соответствии с ГОСТ 10317-79 основной шаг координатной сетки выбран 2.5мм, исходя из того что наименьшее расстояние между выводами элементов 2,5мм. Предельные отклонения монтажных и переходных отверстий в соответствии с пунктом 2.2.3 ГОСТ 23751-86, для второго класса точности |
||||||
| Разработал | Яковенко М.В. | ККЭП 2201 028 000 ПЗ | лист | |||
| Проверил | Дегтярева Н.Е. | |||||
| изм | лист | № докум | Подпись | Дата | ||
печатной платы равны: для выводов диаметром до 1мм ± 0,1мм, для выводов диаметром более 1мм ± 0,15мм. В соответствии со вторым классом точности: - расстояние между краями соседних элементов проводящего рисунка должно быть в приделах: 0,45..0,75мм; - ширина гарантийного пояска отверстия: 0,20..0,30мм; Задаваясь допустимой величиной падения напряжения можно найти реальную γ [п.5.1], а следовательно и площадь поперечного сечения печатного проводника и его ширину. Допустимое падение напряжения для ИМС выбирается по справочнику, для ИМС используемых в схеме «Детектора излучения сотового телефона» допустимое падение напряжения 5%, а напряжение питания ИМС 5В. |
||||||
| Разработал | Яковенко М.В. | ККЭП 2201 028 000 ПЗ | лист | |||
| Проверил | Дегтярева Н.Е. | |||||
| изм | лист | № докум | Подпись | Дата | ||
4.2 Список соединений печатной платы. DD1,9-DD1,11.DD1,8-R3,1-VT1,1. DD1,12-DD1,13-C3,1-R6,1-VD2,1. DD1,6-DD1,10-C3,2. DD1,5-R4,1-R5,2-C4,1. DD1,2-DD1,1-R5,1. DD1,3-C4,2. DD1,11-DD2,8. DD2,9-DD2,11. DD2,10-DD2,12. DD2,12-DD2,6. DD2,4-C6,1-R12,1. DD2,5-C5,1-R9,1. DD2,3-DD2,13. Общаяшина -6В DD1,7-DD2,7-BA1,1-HL1,1-C5,2-R9,2-VT2,2-R7,2-R6,2-VD2,2. Шина питания +6В DD1,14-DD2,14-C7,1-VT4,2-DD2,9-R11,1-VT3,1-R9,1-C5,1-DD2,5. |
||||||
| Разработал | Яковенко М.В. | ККЭП 2201 028 000 ПЗ | Лист | |||
| Проверил | Дегтярева Н.Е. | |||||
| изм | лист | № докум | Подпись | Дата | ||
5.3 Расчет технологичности конструкцииВыполним расчёт показателей технологичности устройства «Детектора излучения сотового телефона». В соответствии со схемой электрической принципиальной и сборочным чертежом в устройство входят: - микросхемы в количестве 2 штук - конденсаторы в количестве 7 штук - резисторы в количестве 13 штук - диоды в количестве 2 штук - транзисторы в количестве 4 штук. Микросхемы имеют один тип корпуса на 14 выводов (штыревые выводы): количество микросхем – 2шт. количество выводов – 28шт. Резисторы имеют 1 типоразмер, конденсаторы имеют 3 типоразмера, диоды имеют 2 типоразмера, транзисторы имеют 1 типоразмер. Каждый резистор, конденсатор и диод имеет по 2 вывода, транзистор 3 вывода Количество выводов резисторов – 26шт. Количество выводов конденсаторов – 14шт. Количество выводов диодов – 4шт. Количество выводов транзистора – 12шт. Все микросхемы и электрорадиоэлементы стандартные. Данная конструкция имеет одну оригинальную деталь: печатную плату. 5.3.1.Расчет показателей технологичности. Рассчитаем конструкторские показатели технологичности. Коэффициент применяемости деталей рассчитывается по формуле: Кпд=(1-Дтр ор )/Дтр общ (5.3.1) где Дтр ор – число типоразмеров оригинальных деталей |
||||||
| Разработал | Яковенко М.В. | ККЭП 2201 200 028 | Лист | |||
| Проверил | Дегтярева Н.Е. | |||||
| изм | лист | № докум | Подпись | Дата | ||
Дтр общ – общее число типоразмеров деталей без учета крепежа. Кпд=1-1/8=0,87 Т.к. все микросхемы и электрорадиоэлементы стандартные, то расчет коэффициента применяемости производится по формуле: Кп эрэ=1-Дтр ор эрэ /Дтр общ эрэ , (5.3.2) где Дтр ор эрэ – число типоразмеров оригинальных электрорадиоэлементов; Дтр общ эрэ – общее число типоразмеров электрорадиоэлементов; Кп эрэ =1- 0=1. Коэффициент повторяемости микросхем и микросборок рассчитывается по следующей формуле: Кпов имс=1-Нтр имс/Нис, (5.3.3) где Нтр имс – число типоразмеров корпусов интегральных микросхем Нис – общее число интегральных микросхем и микросборок в изделии. Конструкция содержит интегральные микросхемы с двумя различными ти-пами корпусов. Всего интегральных микросхем в данном изделии 2шт: Кпов имс=1-1/2=0,5. Так как в данной конструкции используется только одна печатная плата то: Кпов пп=1-1=0. Коэффициент использования интегральных микросхем вычисляется по формуле: Кисп ис=Нис/(Нис+Нэрэ), (5.3.4) где Нэрэ – общее число электрорадиоэлементов. В данной конструкции применяется 26 электрорадиоэлемента и 2 интегральных микросхемы: Кисп ис=2/(2+26)=0,071. Коэффициент установочных размеров электрорадиоэлементов вычисляется по формуле: Кур=1-Нур/Нэрэ, (5.3.5) Где Нур – число установочных размеров электрорадиоэлементов. Количество установочных размеров конденсаторов – 3шт, число в – 1шт. |
||||||
| Разработал | Яковенко М.В. | ККЭП 2201 200 028 | Лист | |||
| Проверил | Дегтярева Н.Е. | |||||
| изм | лист | № докум | Подпись | Дата | ||
установочных размеров резисторов – 1шт, диодов – 2шт, транзисторов-1шт. Всего электро-радиоэлементов – 26шт: Кур=1-8/26=0,70. 5.3.2.Рассчитаем технологические показатели технологичности: Коэффициент автоматизации и механизации монтажных соединений. При расчете считаем, что автоматизированную пайку можно применять только для ЭРЭ и ИМС со штыревыми выводами. Так как вся схема подвергается автоматизации то: Кам= Нам / Нм , (5.3.6) где Нам – число монтажных соединений, выполняемых с использованиемавтоматизации и механизации;Нм - общее число монтажных соединений; Кам =84/84=1. Коэффициент механизации подготовки ЭРЭ к монтажу: Кмп эрэ=Нмп / Нм , (5.3.7) где Нмп - число элементов, подготовленных к монтажу с использованиемавтоматизации и механизации; Нм - общее число подготовленных элементов; Кмп эрэ=26/26=1. Коэффициент автоматизации контроля и настройки примем равным: Км кн =0,7. Определим коэффициент применения типовых технологических процессов. При изготовлении данной конструкции применяются следующие типовые технологические процессы: ТТП изготовления печатной платы; ТТП подготовки ЭРЭ к монтажу, ТТП групповой пайки компонентов со штыревыми выводами. Кроме этого конструкция имеет оригинальную деталь для которой необходимо разработать технологический процесс. Поэтому: Ктп=Нтп / Нп , (5.3.8) где Нтп - число типовых технологических процессов; Нп - общее число технологических процессов; Ктп =3/4=0,75 |
||||||
| Разработал | Яковенко М.В. | ККЭП 2201 200 028 | Лист | |||
| Проверил | Дегтярева Н.Е. | |||||
| изм | лист | № докум | Подпись | Дата | ||
, (5.3.9) где Ki - базовые показатели технологичности; φ - коэффициенты значимости каждого базового показателя, значения функций φ выбираем по таблице из справочника. К=(0,87*0,187)+(1*0,187)+(0,5*0,31)+(0*0,31)+(0,071*1)+(0,7*0,31)+(1*1)+(1*0,75)+ (0,7*1)+(0,75*1)/0,187+0,187+0,31+0,31+1+0,31+1+0,75+1+1= 4,675/6,054=0,77. |
||||||
| Разработал | Яковенко М.В. | ККЭП 2201 200 028 | Лист | |||
| Проверил | Дегтярева Н.Е. | |||||
| изм | лист | № докум | Подпись | Дата | ||
5 Расчетный раздел 5.1 Расчет электрических и конструктивных параметров элементов печатной платы 5.1.1 Расчет площади печатной платы Площадь печатной платы определяется по формуле: S=∑Si *2,5 (5.1.1) где S-площадь печатной платы; Si - площадь каждого элемента схемы; 2,5- коэффициент Определим площадь печатной платы: S=(13*(2,2*6,0)+(3,0*7,5)+(3,8*1,9)+4*(5,3*5,84)+(4,7*5,2)+2*(19,5*7,5)+5*(8* 12)+(22*6)+(15*3)) *2,5 = 3250мм2 Размеры сторон: 50мм Х 65мм 5.1.2 Расчет ширины печатного проводника При определении класса точности печатной платы и ширины печатного проводника, воспользуемся формулой определения ширины печатного проводника. Для нормальной работы печатного проводника должно соблюдаться неравенство: t ≥ I / (γдоп *h) (5.1.2) где t- ширина проводника; I- номинальный ток протекающий по печатному проводнику; γдоп - допустимая плотность тока; h- толщина фольги. Для нашего устройства t ≥ (0,45/(25*0,0355)) = 0,507мм, что близко по значению ко второму классу точности печатной платы: 0,45…0,75мм по ГОСТ |
||||||
| Разработал | Яковенко М.В. | ККЭП 2201 028 000 ПЗ | Лист | |||
| Проверил | Дегтярева Н.Е. | |||||
| изм | лист | № докум | Подпись | Дата | ||
23751-86 таблица 1. На печатной плате будем использовать ширину печатногопроводника 0,5мм ±0,1мм. 5.1.3 Диаметры монтажных и переходных отверстий, контактных площадок для этого воспользуемся формулами: dотв =dвыв +0,1 (5.1.3) D= d + 2b + ∆tв.о (5.1.4) где b- гарантийный поясок; ∆tв.о – верхнее придельное отклонение. Определим диаметры монтажных и переходных отверстий для элементов схемы «Детектора излучения сотового телефона». К561ЛА7, транзисторы КТ3102Е,диоды КД514А,КД522Б, светодиод АЛ307КМ: d=0,5мм + 0,1мм=0,6мм; Резисторы МЛТ: d=0,6мм + 0,1мм=0,7мм; Конденсаторы К50-3А , К10-17, КМ-4: d=0,8мм + 0,1мм=0,9мм; Рассчитаем диаметры контактных площадок для монтажных и переходных отверстий для элементов схемы устройства: К561ЛА7, транзисторы КТ3102Е,диоды КД514А,КД522Б, светодиод АЛ307КМ: D= 0,6мм + 2*0,2мм + 0.1мм = 1,1мм; Резисторы МЛТ: D= 0,7мм + 2*0,2мм + 0.1мм = 1,2мм; Конденсаторы К50-3А , К10-17, КМ-4: D= 0,9мм + 2*0,2мм + 0.1мм = 1,4мм; 5.1.4 Расчет шины питания
ρ – удельное объемное электрическое сопротивление ((Ом*мм2 )/м), l – длина проводника (м). Ширина печатного проводника шины питания: |
||||||
| Разработал | Яковенко М.В. | ККЭП 2201 028 000 ПЗ | Лист | |||
| Проверил | Дегтярева Н.Е. | |||||
| изм | лист | № докум | Подпись | Дата | ||
t ≥ I/(γдоп *h) , где I – ток, протекающий в печатном проводнике, А; h – толщина проводника, мм. Согласно ГОСТ 23.751-86, γдоп =250 А/мм2 . Зависит от допустимого перегрева печатного проводника и технологии получения проводника. Ток, протекающий в печатном проводнике шины питания, определяется суммой токов потребления ИМС, присоединенных к рассчитываемой шине питания. t ≥ (0,4*10-3 )/(250*0,45)=0,35мм. Для нормальной работы схемы необходима ширина печатного проводника не менее 0,35мм, в нашей схеме мы используем ширину печатного проводника 0,5мм что соответствует условию. Падение напряжения на печатном проводнике шины питания: U=I*R=ρ* γдоп * l , (5.1.6) где l – длина проводника шины питания. U=0,4*250*13,5=0,67 В. |
||||||
| Разработал | Яковенко М.В. | ККЭП 2201 028 000 ПЗ | Лист | |||
| Проверил | Дегтярева Н.Е. | |||||
| изм | лист | № докум | Подпись | Дата | ||
| Разработал | Яковенко М.В. | ККЭП 2201 028 000 ПЗ | Лист | |||
| Проверил | Дегтярева Н.Е. | |||||
| изм | лист | № докум | Подпись | Дата | ||
6. Подготовительные операции производства печатных плат в субтрактивных методах. Подготовительные операции предназначены для обеспечения качества при выполнении основных процессов формирования элементов печатного монтажа. Они включают очистку исходных материалов и монтажных отверстий от окислов, жировых пятен, смазки, пленок и других загрязнений, активирование поверхностей проводящего рисунка, специальную обработку диэлектриков, а также контроль качества подготовки. В зависимости от характера и степени загрязнений очистку (активирование) проводят механическими, химическими, электрохимическими, плазменными методами и их сочетанием. Выбор технологического оборудования для подготовительных операций определяется серийностью производства. Механическая подготовка в условиях мелкосерийного производства осуществляется вручную смесью венской извести и шлиф-порошка под струей воды. Экономически оправдано применение механизированных и автоматических конвейерных линий в условиях крупносерийного и массового производства. Инструментом на этих линиях служат абразивные круги, капроновые или нейлоновые щетки, на которые подается абразивная суспензия. В некоторых зарубежных установках для зачистки используются круги из нетканого нейлона, насыщенные мелкодисперсным порошком карборунда или алунда, которые для устранения перегрева обильно смачивают водой. Для очистки монтажных отверстий от наволакивания смолы и других загрязнений широко применяются установки гидроабразивной обработки (рис. 1), в которых платы со скоростью 0,2…0,4м/ мин проходят рабочую, промывную сушильную камеры установки. |
||||||||||||||||||
| Разработал | Яковенко М.В. | ККЭП 2201 200 028 | Лист | |||||||||||||||
| Проверил | Дегтярева Н.Е. | |||||||||||||||||
| изм | лист | № докум | Подпись | Дата | ||||||||||||||
Рис.1. Схема рабочей камеры модуля гидроабразивной очистки отверстий и поверхности печатных плат: 1-камера; 2-форсунки барботажа; 3- фильтр; 4- инжекторные форсунки; 5- заготовка; 6- патрубок слива излишков воды; 7- патрубок слива рабочей смеси из камеры. |
||||||||||||||||||
| Разработал | Яковенко М.В. | ККЭП 2201 200 028 | Лист | |||||||||||||||
| Проверил | Дегтярева Н.Е. | |||||||||||||||||
| изм | лист | № докум | Подпись | Дата | ||||||||||||||
В рабочей камере через инжекторные форсунки, качающиеся вокруг оси с частотой 35…100 циклов в минуту, под давлением 0,5…0,7 МПА подается пульпа, состоящая из абразивного порошка (2А, 63С) и воды, которая производит эффективную очистку. Подача воды под давлением 1…1,2 МПА обеспечивает тщательную промывку отверстий в следующей камере. Сушка заготовок осуществляется сжатым воздухом. Ручная химическая и электрохимическая подготовка поверхности проводится в ваннах с различными растворами при покачивании плат и последующей их промывкой, а механизированная- на автооператорных линиях модульного типа по заданной программе (табл.1). Таблица 1 Состав растворов, режимы химической и электрохимической подготовки фольгированного диэлектрика
|
||||||||||||||||||
| Разработал | Яковенко М.В. | ККЭП 2201 200 028 | Лист | |||||||||||||||
| Проверил | Дегтярева Н.Е. | |||||||||||||||||
| изм | лист | № докум | Подпись | Дата | ||||||||||||||
Высокое качество и производительность обеспечивает плазменная очистка ПП, которая устраняет использование токсичных кислот, щелочей и их вредное воздействие на обслуживающий персонал, материалы обработки и окружающую среду. Установка плазмохимической обработки МПП c программным управлением УПХО-П предназначена для удаления диэлектрика с торцов контактных площадок. Карусельный принцип позволяет обрабатывать при одной загрузке до 8 плат размером 400х800мм или 16 плат-500х500мм, 64 платы-270х170мм. Аналогичная установка для тех же целей разработана фирмой BransonIPC, США. Она состоит из реактора, мощного ВЧ-генератора, устройства управления и регулирования процессов, вакуумного насоса. Давление в камере 20…40 ПА. Плазмообразующий газ, состоящий из кислорода (70%) и тетрафторметана (30%), подается в камеру со скоростью 600…900 смі/мин. Мощность ВЧ-генератора регулируется в диапазоне 0…4000 Вт, а частота составляет 13,56 МГц. На установке одновременно обрабатывается до 15 плат размером 45х60 см, каждая из которых имеет до 3000 отверстий. Длительность операции очистки пакета-10…16 мин. |
||||||||||||||||||
| Разработал | Яковенко М.В. | ККЭП 2201 200 028 | Лист | |||||||||||||||
| Проверил | Дегтярева Н.Е. | |||||||||||||||||
| изм | лист | № докум | Подпись | Дата | ||||||||||||||
7 ЗаключениеВ соответствии с заданием на курсовой проект была рассмотрена работа «Детектора излучения сотового телефона» по схеме электрической принципиальной, приведенной в графической части лист 1 [Э3]. Схема выполнена на одной двухсторонней печатной плате размером 65х50мм. Для печатной платы разработан сборочный чертёж печатной платы, показанный в графической части лист 3 [СБ]. Также были описаны конструктивные особенности элементов устройства и печатной платы, выполнен расчет технологичности конструкции, включающий расчет комплексного показателя технологичности, который равен К=0,77. Показатель соответствует нормативному значению для единичного производства. В технологическом разделе был разработаны подготовительные операции производства ПП в субтрактивных методах. Также определены технологические режимы, технологическое оборудование, инструменты и приспособления, используемые при выполнении технологических операций. Технология изготовления печатной платы «Детектора излучения сотового телефона» представлена в графической части лист 5. Конструкция устройства представляет собой законченное изделие, изготовленное на одной печатной плате и помещенное в специальный корпус. |
||||||
| Разработал | Яковенко М.В. | ККЭП 2201 028 000 | лист | |||
| Проверил | Дегтярева Н.Е. | |||||
| изм | лист | № докум | Подпись | Дата | ||







Рассчитаем значение комплексного показателя технологичности для базовых показателей, представленных в таблице: