| Скачать .docx |
Реферат: Типы технических средств входящих в состав телевизионных систем видеонаблюдения и их выбор
Белорусский государственный университет
Информатики и радиоэлектроники
Кафедра РЭС
Реферат
На тему:
"Типы технических средств, входящих в состав телевизионных систем видеонаблюдения и их выбор, проектирование и монтаж "
Минск 2008
Режимы работы ТСВ
В зависимости от назначения, характера решаемых задач и выполняемых функций различают следующие режимы работы ТСВ:
Режим 1 - видеонаблюдение;
Режим 2 - видеонаблюдение с видеозаписью;
Режим 3 - одновременное наблюдение и видеоохрана;
Режим 4 - видеонаблюдение и видеоохрана с видеозаписью и приоритетным выбором (выделением) для видеонаблюдения и видеозаписи телекамеры (телекамер), с которой поступает сигнал тревоги;
Режим 5 - видеозащита, то есть видеонаблюдение и видеоохрана с видеозаписью и приоритетным выбором (выделением) телекамер, из зон наблюдения которых приходит сигнал тревоги от средств сигнализации, устройств контроля доступа или других приборов, входящих в интегрированную систему охраны (ИСО).
Типы технических средств, входящих в состав ТСВ
К техническим средствам ТСВ относятся:
Устройства формирования изображения:
- телевизионные камеры;
- объективы.
Устройства отображения:
- мониторы;
- компьютеры.
Устройства управления режимом отображения:
- последовательные коммутаторы;
- квадраторы;
- устройства мультиэкранного отображения;
- мультиплексоры;
- матричные коммутаторы;
- видеоменеджеры.
Устройства регистрации:
- специализированные видеомагнитофоны;
- устройства записи на лазерные диски;
- генераторы титров.
Устройства передачи сигналов:
- по кабелю;
- по оптоволоконной линии;
- по телефонной линии;
- по радиоканалу;
Установочные и защитные элементы, устройства обеспечения функционирования телекамер:
- кронштейны;
- защитные корпуса;
- поворотные устройства;
- обогреватели;
- стеклоомыватели;
- стеклоочистители.
Устройства управления:
- контроллеры;
- приемники телеметрической информации.
Устройства анализа видеосигнала:
- видеодетекторы движения;
- устройства регистрации потери сигнала.
Устройства подсветки:
- лампы инфракрасной подсветки;
- фотоэлектронные устройства включения/выключения подсветки.
Вспомогательное оборудование:
- светофильтры;
- устройства настройки систем;
- источники бесперебойного питания.
Выбор технических средств ТСВ.
Выбор телекамеры.
Выбор телекамеры осуществляется на основании классификации. Телевизионные камеры классифицируются по следующим параметрам:
По виду получаемого видеоизображения:
- при чёрно-белом изображении выходного видеосигнала могут использоваться стандарт CCIR (МККР - Международного консультативного комитета по радиосвязи, 625 строк/50 полей);
- при цветном изображении выходного видеосигнала используются стандарты:
a) PAL;
б) SECAM;
в) NTSC.
По чувствительности:
- класс I - телевизионные камеры, работающие при дневном освещении, т.е. до заката (примерно 50 лк);
- класс II - телевизионные камеры, работающие при низком освещении, т.е. до сумерек (приблизительно 4 лк);
- класс III - телевизионные камеры, работающие при лунном свете, т.е. при освещённости, соответствующей свету четверти луны безоблачной ночью (0,1-0,4 лк);
- класс IV - телевизионные камеры, работающие при свете звёзд, т.е. при освещённости, соответствующей свету звёзд безоблачной ночью (0,0007-0,002 лк);
- класс V - инфракрасные телевизионные камеры, в которых используются инфракрасные источники для работы при полном отсутствии видимого освещения.
При выборе телевизионных камер для конкретного объекта необходимо учитывать тип источника света и спектральную характеристику датчика изображения телевизионной камеры
Выбор формата телекамеры актуален только для телекамер, использующих в качестве чувствительного элемента ПЗС-матрицу, так как телекамеры, использующие в качестве чувствительного элемента видиконы, комплектуются встроенными объективами и в настоящее время практически производятся только в России (телекамеры для промышленных телевизионных установок).
Формат телекамеры, использующей в качестве чувствительного элемента ПЗС-матрицу, определяется размером матрицы в дюймах (производятся матрицы в основном японскими и корейскими предприятиями, где в качестве единицы измерения длины приняты дюймы).
Выбор формата телекамеры необходимо производить одновременно с выбором формата объектива. В общем случае необходимо учитывать, что телекамеры меньшего формата совместимы с большим числом форматов объективов, что может быть существенным в последующем при эксплуатации, когда может возникнуть необходимость переноса телекамеры и замене объектива.
Выбор монитора.
Выбор типа монитора: черно-белого или цветного зависит от задач, которые должны решаться с помощью ТСВ. Цветные мониторы целесообразно применять только при необходимости определения цвета объекта наблюдения (например, цвет автомобиля, одежды и волос преступника, осуществившего ограбление, для организации его поиска по горячим следам и т.п.). Во всех остальных случаях целесообразнее применять черно-белые мониторы, обладающие лучшей разрешающей способностью и более низкой стоимостью.
Тип монитора должен соответствовать типу остального оборудования системы (телекамерам и т.д.).
Выбор устройств регистрации.
К устройствам регистрации относятся:
- специализированные видеомагнитофоны;
- видеопринтеры;
- генераторы символов, даты и времени;
- устройства записи на лазерные диски.
Наиболее популярными устройствами регистрации являются специализированные видеомагнитофоны (СВМ) по причине своей дешевизны, привычных навыков обращения и распространенности совместимой техники и расходных материалов.
Выбор специализированного видеомагнитофона в первую очередь зависит от требуемого режима его работы на объекте. Существует два основных режима работы специализированных видеомагнитофонов:
- в реальном времени;
- в покадровом режиме с различными временными промежутками, паузами между отдельными кадрами.
Запись в режиме реального времени осуществляется непрерывно последовательно во времени. Если записывается информация от нескольких телекамер, то временная пауза между кадрами одной телекамеры будет определяться количеством телекамер
![]()
где N - количество телекамер,
tкадра - длительность записи одного кадра = 0,04 сек.
Такой режим неудобен тем, что длительность записи ограничена (определяется длительностью записи стандартной кассеты Е180 - 3 ч), а изображение при записи информации от нескольких телекамер при просмотре получается дерганным как в старых фильмах. Однако кассета меньше изнашивается и имеется возможность использования для записи обычный видеомагнитофон.
Этапы проектирования ТСВ.
Проектирование ТСВ можно осуществлять по следующему алгоритму (рис. 1)
Этапы проектирования видеосистемы в деталях заключаются в следующем:
· Сначала выберите (1) соответствующий для каждого предусмотренного места монтажа тип камеры, который в каждом случае оптимально подходит для конкретной постановки задачи.
· Заданные величины (2), идет ли речь о A. – внутренней ориентации или B. – наружной ориентации, определены при выборе необходимой комплектации камер. Этот пункт должен быть рассмотрен также индивидуально для каждой камеры, т.к. во многих вариантах конфигурации оборудования, как для внутренних, так и для наружных камер он существует. Ниже на соответствующих шагах, в частности в 2A или 2B, вы найдете указания к принятой в расчет комплектации.
· Следующее решение A. – жесткий монтаж или B. – монтаж на головке с изменяемой пространственной ориентацией служит критерием для (3) применяемых монтажных приспособлений, (4) типа применяемого объектива и (5) при известных условиях дополнительно необходимых монтажных приспособлений.
· Вне зависимости, имеется ли наружная или внутренняя ориентация, жесткий монтаж или монтаж на головке с изменяемой пространственной ориентацией, (6) нужно выбрать подходящую систему передачи видео.
· Для камер, которые должны работать на головках с изменяемой пространственной ориентацией (ИПО), (7) нужно выбрать оптимально подходящую систему дистанционного управления. Уже со сложившимся представлением о выборе коммутационного оборудования и центрального блока следует приступить к поиску интегральных системных решений. Если для решения предлагаются, например, системный видеокоммутатор, маленький матричный коммутатор видеосистемы или комплексный матричный коммутатор для видеомодулей, то при соответствующем предложении профессиональной системной видеотехники вы сможете найти подходящее комплексное решение.
· Далее осуществляется выбор таких (8) устройств, как квадраторы, мультиплексоры, сенсоры и т.д.
· На заключительном этапе необходимо правильно выбрать (9) видеомонитор, а также место для его установки или расположения.

Рис. 1. Алгоритм проектирования ТСВ.
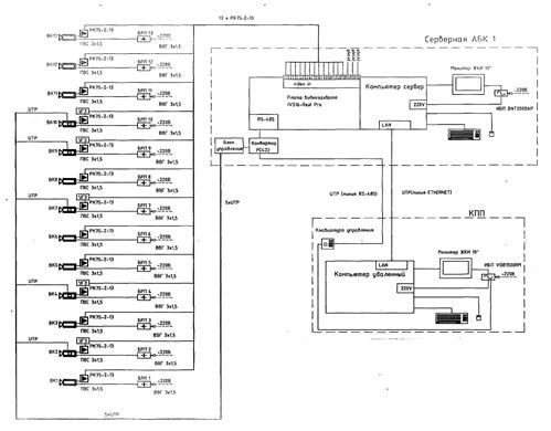
Возможный вариант СВН приведен на рис.10.2. В ее состав входят:
- компьютер-сервер с платой видеозахвата;
- удаленный компьютер;
- блока управления видеокамерами;
- устройств грозозащиты;
- ЖКИ мониторов 19'';
- поворотных наружных видеокамер (ВК2, ВК4, ВК7 и т.п.);
- наружных видеокамер в гермокожухах (ВК1, ВК3, ВК5 и т.п.);
- блоков питания видеокамер (БРП);
- источников бесперебойного питания монитора и компьютера-сервера (ИБП).

Рис. 2 Вариант СВН
Управление поворотными ВК осуществляется по кабелю UTP, а передача видеосигнала к серверу - по кабелю РК75.
Монтаж камер
Во многих случаях в первую очередь рекомендуется выполнить рисунок с расположением камер, по которому можно определить горизонтальный угол обзора камеры и из него фокусное расстояние объектива.
Внутренний монтаж камер. Место монтажа камер нужно выбирать так, чтобы в поле зрения камер не попадали окна и по возможности лампы. Это совершенно необходимо, т.к. регулировка диафрагмы объектива автоматически устанавливается на самую большую освещенность в кадре, и все остальные детали изображения будут воспроизводиться темными.
Пример выбора места монтажа камер для наблюдения за входом в помещение и за охраняемым объектом представлен на рис. 10.2.
На этом примере указано, как в помещении с охраняемым объектом нужно выбирать расположение камер для четкого наблюдения за входом и объектом. Угол обзора камеры, направленной на дверь, при известных условиях должен быть выбран немного больше, так чтобы входящие в помещение люди немного дольше находились в зоне видимости камеры. Однако угол обзора не должен быть существенно увеличен, т.к. для надежной идентификации желательно по возможности более крупноформатное изображение.
Наружный монтаж камер. Выбор места монтажа камер для наблюдения за въездом во двор и автостоянкой для посетителей представлен на рис. 3.
Камера K1 охватывает здесь въезд, в то время как камера K2 направлена на места стоянки легковых автомашин.
В условиях ограниченного размера объекта возможен другой выбор мест монтажа: например, K1 в точке A при соответствующем угле обзора другого объектива. K2 в точке A было бы более худшим вариантом, т.к. в этом случае пришлось бы использовать экстремально широкоугольный объектив. Результатом этого были бы геометрические искажения (эффект рыбьего глаза) и очень маленькое изображение всех автомобилей.
В любом случае при наблюдении за открытым участком местности обязательно должен быть исключен из поля зрения камеры прямой и отраженный солнечный свет, что демонстрируется на рис. 4. При открытом горизонте должно быть также вычислено наиболее низкое расположение солнца в зимние месяцы. В этом случае часто подходящим решением является выбор более высокого места монтажа камеры.

Рис. 5 Выбор правильного места монтажа камеры.
Литература:
1. Барсуков В.С. Безопасность: технологии, средства, услуги / В.С. Барсуков. – М., 2001 – 496 с.
Ярочкин В.И. Информационная безопасность. Учебник для студентов вузов / 3-е изд. – М.: Академический проект: Трикста, 2005. – 544 с.
Барсуков В.С. Современные технологии безопасности / В.С. Барсуков, В.В. Водолазский. – М.: Нолидж, 2000. – 496 с., ил.
Зегжда Д.П. Основы безопасности информационных систем / Д.П. Зегжда, А.М. Ивашко. - М.: Горячая линия – Телеком, 2000. - 452 с., ил.
Компьютерная преступность и информационная безопасность / А.П. Леонов [и др.]; под общ. Ред. А.П. Леонова. – Минск: АРИЛ, 2000. – 552 с.