| Скачать .docx |
Реферат: Электрические преобразователи
“Белорусский государственный университет информатики и радиоэлектроники”
Кафедра защиты информации
РЕФЕРАТ
на тему:
«ЭЛЕКТРИЧЕСКИЕ ПРЕОБРАЗОВАТЕЛИ »
МИНСК 2009
Инвертор – преобразует постоянный ток в переменный.
Конвертор – преобразователь постоянного напряжения в постоянное, но другого уровня (с промежуточным преобразованием входного напряжения в переменное и трансформацией к нужному уровню).
Центральным звеном является преобразователь постоянного напряжения в переменное.
Применяют различные схемы таких устройств:
- транзисторные и на электронных лампах;
- построенные на транзисторах с насыщающимися сердечниками;
- релаксационные генераторы, триггеры, мультивибраторы;
- по однотактной, двухтактной и мостовой схемах;
- тиристорные простые и мостовые схемы (в мощных устройствах).
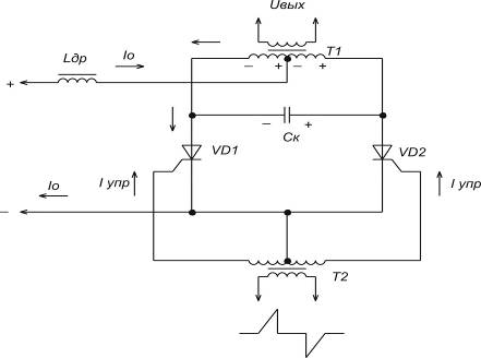
Простая схема двухтактного тиристорного инвертора

Рисунок 1 - простая схема двухтактного тиристорного инвертора
От Т2 поступают импульсы управления в цепь тиристоров.
От постоянного источника напряжение поступает на вход схемы. Оно проходит через
на аноды VD.
заряжается до двойного входного напряжения. Если теперь подать импульсы на VD2, сразу закрывается VD1,
перезаряжается, все знаки в Т1 поменяются на противоположные и ток потечет через VD2.
Как видно из работы схемы, на коммутирующей емкости
в момент закрытия тиристора действует напряжение равное удвоенному напряжению питания, что является недостатком для схемы.
Его устраняет мостовая схема тиристорного инвертора.
Мостовая схема тиристорного инвертора

Рисунок 2 - Мостовая схема тиристорного инвертора
Схема управления открывает сначала VD1 и VD4, а потом, когда емкость зарядится до
, в этот момент, если открыть другие тиристоры, VD1 и VD4 мгновенно закроются.
В данной схеме на закрытых тиристорах действует лишь напряжение источника питания.
Тиристорные выпрямители являются эффективными перспективными инверторами. Применяются на значительной мощности и используются в настоящее время для замены электромашинных агрегатов, преобразующих энергию постоянного тока резервных аккумуляторных батарей в переменный ток, в устройствах гарантированного питания (УГП) аппаратуры на предприятиях связи.
Преобразователи постоянного напряжения
Часто при питании электронных устройств ИП являются низковольтными, а для питания цепей потребления требуются значительные напряжения. При этом прибегают к преобразованию напряжения. Для этого используют инверторы и конверторы. Используются электромагнитные преобразователи, вибропреобразователи и статические преобразователи на п/п приборах.
Электромагнитные преобразователи вырабатывают напряжение синусоидальной формы, в то время как полупроводниковые и вибропреобразователи – напряжение прямоугольной формы. В настоящее время имеются статические преобразователи с выходным напряжением по форме близким к синусоидальному. Недостаток электромагнитного преобразователя: большие габариты и масса. Вибропреобразователи – маломощные и малонадежные. Поэтому наибольшее применение находят полупроводниковые преобразователи с малыми габаритами и массой, высоким КПД и эксплуатационной надежностью.
Построение преобразователей на тиристорах и транзисторах следует связывать с величиной питающих напряжений, требуемой мощности, характером изменения нагрузки.
Транзисторные преобразователи напряжения
Они подразделяются по способу возбуждения на 2 типа: с самовозбуждением и преобразователи с усилением мощности.
Транзисторы могут включаться по схеме с ОЭ, ОК, ОБ, но наиболее широко используются включение с ОЭ, так как в этом случае реализуется максимальное усиление транзисторов по мощности и тем более просто достигаются условия самовозбуждения.
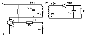
Преобразователи с самовозбуждением выполняются на мощных, до нескольких десятков ватт, по однотактным и двухтактным схемам. Простейшая схема однотактного преобразователя представляет собой релаксационный генератор с обратной связью.




С обратным включ. диода.С прямым включ. диода.
При подключении напряжения питания через резистор на базу транзистора подается опирающий потенциал. Транзистор открывается и через первичную обмотку Wк трансформатора протекает ток, который вызывает магнитный поток в магнитопроводах транзистора. Появляющееся при этом напряжение на обмотке Wк трансформируется в обмотке обратной связи Wб, полярность подключения которой такова, что она способствует отпиранию транзистора. Когда ток коллектора достигает своего максимального значения: Iк=Iб*h21э, нарастание магнитного потока прекратится, полярность напряжений на обмотках трансформатора изменяется на противоположное и происходит лавинообразный процесс запирания транзистора. Напряжение на вторичной обмотке трансформатора имеет прямоугольную форму.
Полярность подключения силового диода выпрямителя на вторичной обмотке трансформатора определяет способ передачи энергии в нагрузку. Диод открывается когда закрывается транзистор, заряжается конденсатор, который поддерживает постоянство тока в нагрузке.
При прямом включении диода передача энергии источника питания Uп в нагрузку Rн происходит в период времени tu, когда транзистор и силовой диод VD1 открыты. В дросселе запасается энергия W = 0,5*Lф*Iн^2*tu. Конденсатор сглаживающего фильтра Cф при этом заряжается выпрямленным напряжением до Uп.
В течении паузы tп, когда транзистор закрыт, цепь тока Iн замыкается через дроссель Lф и блокирующий диод VD2, как и в импульсном стабилизаторе с последовательным регулированием.
В однотактных преобразователях трансформатор работает с подмагничиванием, для борьбы с которым можно применять сердечник с зарядом. Однако он не подходит при использовании тор. транзистора. В нашем случае используется блокирующий конденсатор, который в течении паузы tп разряжаетсячерез обмотку W1, перемагничивая сердечник током разряда.
Емкость Cбл. Выбирается из условия, чтобы при максимальном коэффициенте заполнения φmax длительность паузы tп была не менее четверти периода колебательного контура L, Cбл.
Такой преобразователь с обратным включением диода обеспечивает развязку и защиту выходного напряжения от помех по входным шинам питания.
Транзисторные преобразователи определяются по следующим формулам:
Uп=Uп(Iкм/2Iн-W1/W2)
tu = Iкм*L1/Uп
tп = Iкм*L2/Uн*W2
φ = fп*Iкм*L1/Uп = tu/(tu+tп)
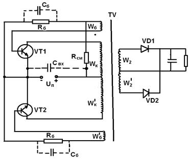
Лучшие массогабаритные показатели имеют двухтактные преобразователи с понижающим трансформатором.
Трансформаторы выполняются на магнитопроводе с прямоугольной петлей гистерезиса. Здесь также используется положительная ОС. Генератор работает следующим образом. При включении напряжения питания Uп из-за неидентичности параметров один из транзисторов, например VT1, начинает открываться и его коллекторный ток увеличивается. Обмотки ОС Wб подключены так, что наведенное в них ЭДС полностью открывает транзистор VT1 и закрывает транзистор VT2.
Переключение транзисторов начинается в момент насыщения транзистора. Вследствие этого наведенные во всех обмотках трансф. Напряжения уменьшаются до нуля, а затем изменяют свою полярность.
Теперь на базу ранее открытого транзистора VT1 подается отрицательное напряжение, а на базу ранее закрытого транзистора VT2 поступает положительное напряжение и он начинает открываться. Этот регенеративный процесс формирования фронта выходного напряжения протекает очень быстро. В дальнейшем процессы в схеме повторяются.
Частота переключения зависит от значения напряжения питания, параметров трансформатора и транзисторов и рассчитываются по формуле:fп=((Uп-Uкэ нас)*10000)/4*B*s*Wк*Sc*Kc.
Такой режим более экономичен, чем при переключении за счет предельного тока коллектора и работа преобразователя более устойчива.
Такие преобразователи используются как задающие генераторы для усилителей мощности и как автономные маломощные источники электропитания. Основные достоинства: простота схемы, а также нечувствительность к короткому замыканию в цепи нагрузки.
Недостатком преобразователя с насыщающимся сердечником является наличие выбросов коллекторного тока в момент переключения транзисторов, что увеличивает потери а преобразователе.
Напряжение на закрытом транзисторе может достигать значения:
Uкэm = (2,2 : 2,4)Uпmax
два напряжения это сумма Uп+ЭДС на неработающей обмотке, кроме того учитываются выбросы напряжения во время переключения. Для уменьшения последних в схему иногда включают шунтирующие диоды.
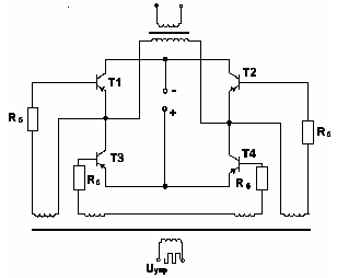
При преобразовании больших мощностей наибольшее распространение получили преобразователи с использованием усилителя мощности. В качестве задающего генератора можно использовать преобразователи с самовозбуждением. Применение таких преобразователей целесообразно если необходимо обеспечить постоянство частоты и напряжения на выходе, а также неизменность формы кривой переменного напряжения при изменении нагрузки преобразователя.
В случае высокого входного напряжения применяют мостовые усилители мощности.
Предположим, в первый полупериод одновременно работают транзисторы T1,T2. Во второй T2,T3. Напряжение питания прикладывается к первичной обмотке транзистора, его полярность меняется каждый полупериод. Напряжение на закрытом транзисторе равно напряжению источника питания. Выходной транзистор работает в ненасыщенном режиме, выполняется он из материала с непрямоугольной петли гистерезиса.
Преобразователи на тиристорах
Тиристоры в отличие от транзисторов имеют одностороннее управление. Для запирания тиристоров в схемах преобразователей используются реактивные элементы в основном в виде коммутирующих конденсаторов.
При отпирании первого тиристора емкость заряжается до напряжения 2Uп. При отпирании второго тиристора напряжение конденсатора прикладывается в обратном направлении к первому транзистору, под действием его он запирается. Конденсатор перезаряжается, и напряжение на его обмотках и на первичной обмотке тиристора меняет знак (потенциалы показаны на схеме в скобках). В следующий полупериод вновь отпирается тиристор T1 и процесс повторяется.
Для обеспечения запирания тиристоров необходимо, чтобы энергия коммутирующего конденсатора была достаточной для того, чтобы в процессе перезаряда обратное напряжение на тиристорах падало достаточно медленно и успело бы обеспечить восстановление их запирающих свойств.
Недостатком такого инвертора является сильная зависимость выходного напряжения от тока нагрузки.

Для уменьшения влияния характера и величины нагрузки на форму и величину выходного напряжения применяют схемы с обратными диодами, которые в свою очередь необходимы для возврата реактивной энергии, накопленной в индуктивной нагрузке и реактивных коммутирующих элементах в источнике питания преобразователя.
Источник питания с бестрансформаторным входом
Особенностью таких источников являются использование процесса преобразования входного напряжения с использованием высокой частоты.
Отсутствие силового транзистора на входе и использование транзисторовна повышенной частоте существенно улучшает массогабаритные характеристики.
Функциональная схема ИПБВ на базе регулируемого преобразователя имеет следующий вид:

ВЧФ - препятствует проникновению во входные цепи помех от ИПБВ и наоборот.
ВУ – выпрямительное устройство,
СФ – сглаживающий фильтр;
РП – регулируемый преобразователь;
ЗГ – синхронизирующий задающий генератор;
ГПН – генератор пилообразного напряжения.
Работу ИПБВ со стабилизацией входного напряжения с использованием ШИМ легко представлять, рассмотрев диаграммы напряжений на отдельных участках схемы.

С целью упрощения регулировки преобразователь как правило строится по однотактной схеме с обеспечением рекуперации части энергии, накопленной в реактивных элементах в источник входного напряжения. На выходе преобразователя при напряжениях 5 - 10В ставят выпрямитель со средней точкой. С целью уменьшения времени коммутации силовых транзисторов на их входах применяют цепи обеспечивающие значительное превышение запирающего напряжения по отношению к отрицательному.
ЛИТЕРАТУРА
1. Иванов-Цыганов А.И. Электротехнические устройства радиосистем: Учебник. - Изд. 3-е, перераб. и доп.-Мн: Высшая школа, 200
2. Алексеев О.В., Китаев В.Е., Шихин А.Я. Электрические устройства/Подред. А.Я.Шихина: Учебник. – М.: Энергоиздат, 200– 336 с.
3. Березин О.К., Костиков В.Г., Шахнов В.А. источники электропитания радиоэлектронной аппаратуры. – М.: Три Л, 2000. – 400 с.
4. Шустов М.А. Практическая схемотехника. Источники питания и стабилизаторы. Кн. 2. – М.: Альтекс а, 2002. –191 с.