| Скачать .docx |
Курсовая работа: Курсовая работа: Устройство приема радиосигналов
МИНИСТЕРСТВО ОБРАЗОВАНИЯ РФ
КАЗАНСКИЙ ГОСУДАРСТВЕННЫЙ ТЕХНИЧЕСКИЙ
УНИВЕРСИТЕТ им. А.Н.ТУПОЛЕВА
КУРСОВАЯ РАБОТА
По дисциплине: «Устройства приема радиосигналов»
Казань 200_ г.
Содержание работы:
1.Анализ исходных данных……………………………………………………… .. 3
2.Выбор обработки сигнала и разработка структурной схемы
2.1. Синтез функциональной схемы ПРМ……………………………………… 5
3. Расчет входной цепи………………………………………………………… 9
4. УРЧ ……………………………………………………………………………….
5.1 Расчет ФСС…………………………………………………………………… 12
5.2. Расчет УПЧ…………………………………………………………………... 15
6. Преобразователь частоты.
6.1. Расчет балансного смесителя……………………………………………… 17
7. Расчет импульсного детектора…………………………………………………… 21
8. Расчет пьезоэлектрического фильтра…………………………………………….. 23
9. Расчет УНЧ………………………………………………………………………… 27
10.Расчёт АРУ……………………………………………………………………… 29
11. Заключение………………………………………………………………………..33
12. Список использованной литературы……………………………………………. 34
1. Анализ исходных данных
Исходные данные формируются в процессе разработки системы, в которую входит приемник и состоит из следующих условий:
- полоса частот принимаемого сигнала Δ F = 0.620÷ 0.625 ГГц
- чувствительность приемника Pч = - 1 20 дБ
- избирательность по соседнему каналу Sск = 60 дБ
- количество каналов связи n = 10
- избирательность по зеркальному каналу Sзк = 80 дБ
- динамический диапазон входного сигнала Dвх =70 дБ
- вид сигнала – ИМП
- вид модуляции – ИМ
- отношение сигнал/шум на выходе приемника ![]()
- амплитуда выходного сигнала Uвых = 5 В
- длительность импульса τ = 5* 106 с
- относительная нестабильность частоты ![]()
Основываясь на ТЗ, можно выбрать способ обработки сигнала и структурную схему с перспективой её корректировки.
2. Выбор обработки сигнала и разработка структурной схемы.
На данный момент существует два способа обработки сигналов:
- цифровой
- аналоговый
Особенности цифрового метода обработки сигналов:
· дискретизация сигнала во времени
· квантование значений
· преобразование дискретных выборок в числа (цифровой код)
Далее все операции с сигналом ведутся над числами. Данный метод используется в сложных схемах, поэтому воспользуемся аналоговым методом обработки информации. Теперь, когда мы определились с методом обработки, составим структурную схему РПУ: на выходе антенны поставим «Входную цепь», которая служит как для согласования антенны и детектора ПРМ, так и для частичной фильтрации помех. Далее ставим «Усилитель радиочастоты», необходимость наличия которого определяется позже. Это зависит от расчетов полученных в синтезе функциональной схеме РПУ. После УРЧ ставим смеситель, который переводит сигнал из ВЧ области в НЧ область. Далее ставим «Усилитель промежуточной частоты» и «Детектор». Описанная схема схематически показана на рис.1.

Рис.1 Структурная схема РПУ.
2.1. Синтез функциональной схемы ПРМ.
2.1.1. Расчет полосы пропускания линейного тракта.
Δ F = ƒ MAX - ƒ MIN = 0.65 – 0.64 = 10 МГц - полоса пропускания, которую
необходимо обеспечить;
Δƒ = Δƒ СП + Δ F Н + 2Δƒ ДП - полоса пропускания линейного тракта ПРМ;
- полоса, занимаемая спектром сигнала;
- полоса частот, связанная с нестабильностями частот и настроек в тракте,
где Δƒ С и Δƒ Г - нестабильность частоты сигнала ƒ С и гетеродина ƒ Г ,
а Δƒ Н и Δƒ П - неточности настроек частот гетеродина и УПЧ.
ƒ
Г
= ƒ
С
- ƒ
П
, где
, ƒ
Г
= 0.645-0.0645=0.641ГГц
Для транзисторного гетеродина с кварцевой стабилизацией, получим:
Δƒ Г = 10 –5 ·ƒ Г = 10 –5 ·0.641·109 = 6.41 КГц
Δƒ С = 10 –5 ·ƒ С = 10 –5 ·0.645·109 = 6.45 КГц
Определим нестабильность частоты, связанная с неточностью начальной установки:
ƒП = 0.2 ·ƒ СП = 30МГц
Δƒ Н = 10 –5 ·ƒ Г = 10 –5 ·0.641·109 = 6.41 КГц - частоты гетеродина при настройке;
Δƒ П = 10 –4 ·ƒ П = 10 –4 ·30*106 = 3 КГц - частоты и долговременной нестабильностью частоты фильтров;
Итак, ![]()
Так как для неподвижных систем Δƒ ДП = 0 , то легко находим полосу пропускания линейного тракта ПРМ: Δƒ =0.15*106 + 10800+2·0 =0.162 МГц
Проверим нужно ли нам АПЧ .
Полоса пропускания линейного тракта ПРМ
должна быть не шире полосы частот поддиапазона
, т.е.
,0.162 МГц <0.2 МГц.
АПЧ применять не надо.
2.1.2 Обеспечение чувствительности приемника.
Чувствительность приемника в Вт;
;
; ![]()
Найдем допустимый коэффициент шума:
, где
P ч - чувствительность приемника Вт;
gВЫХ = 10 - соотношение сигнал/шум на выходе приёмника;
d = 1 – коэффициент, характеризующий уменьшение отношения сигнал/шум по мощности на детекторе (для ИМ d = 1÷3 ).
k =1.38 × 10-23 Дж /град - постоянная Больцмана;
Т0 = 290 К - температура по Кельвину;
Δƒ Ш ≈ 1.1 × Δƒ = 1.1 × 0,162 =0,1782МГц - эффективная шумовая полоса приемника;
, где
шумовая температура антенны, которая находится из графика, (рис.2.)
Находим допустимый коэффициент шума:
![]()
После этого приступаем к расчету реального коэффициента шума:
, где
,
а КР ВХ Ц = 0.5 - коэффициент шума и коэффициент передачи по мощности входной цепи, для несимметричной микрополосковой линии с диэлектрической подложкой;
![]()
КР УРЧ = 10, а N УРЧ = 8
КР ПЧ = 0,1 , а N ПЧ = 5
; ![]()
Отсюда найдём N
0
: ![]()
2.1.3. Выбор средств обеспечения избирательности приемника

Определим количество резонаторов:
=70 дБ, ![]()
;
;
![]()

Количество резонаторов равно n = 4
2.1.4. Расчет коэффициента усиления линейного тракта приемника.
Коэффициент усиления линейного тракта приемника может быть найден по формуле:
, где
= 1 В
- амплитуда на выходе УПЧ (на входе детектора);
R а = 75 Ом - сопротивление антенного тракта на входе приемника;
При выборе средств обеспечения усиления начинают с определения коэффициента усиления преселектора.
В супергетеродинном приемнике СВЧ коэффициент усиления преселектора по мощности равен:
, где
КР ВХ.Ц. = 0.5 - коэффициент передачи по мощности входной цепи;
КР УРЧ = 10 - коэффициент передачи по мощности УРЧ;
n = 4 - число каскадов УРЧ;
КР ПЧ = 0.1 - коэффициент передачи по мощности преобразователя частоты;
Найдем амплитуду напряжения промежуточной частоты на выходе преселектора (на входе УПЧ);
, где
- входное сопротивление первого каскада;
После определения коэффициента усиления преселектора определяется коэффициент усиления по напряжению УПЧ;
Для расчета УПЧ необходимо выбрать схему его построения, то есть, конкретизировать распределение усиления и избирательности внутри схемы. УПЧ разделяют на два типа: УПЧ с распределенной избирательностью и УПЧ с фильтрами сосредоточенной избирательности (ФСИ). Т.к. построение УПЧ с ФСИ имеет некоторые преимущества, то воспользуемся им.
Коэффициент усиления УПЧ записывается так:
, где
КФСИ = 2 - коэффициент усиления каскада с ФСИ;
КОК = 5 - коэффициент усиления широкополосного каскада;
КО = 2 - коэффициент усиления оконечного слабоизбирательного каскада;
Теперь находим количество широкополосных каскадов:
![]()
3. Расчет входной цепи.
На СВЧ в качестве резонаторов используются цепи с распределенными параметрами, а именно, отрезки длинных линий. В диапазоне частот от 300 МГц до 4 ГГц применяются фильтры, состоящие из отрезков коаксиальных, полосковых и микрополосковых линий передач.
Проектирование фильтра преселектора начинается с выбора конструктивного исполнения его элементов (резонаторов). Критериями выбора типа резонатора могут служить габариты, потери, широкополосность, простота изготовления и т.д.
Фильтры на полосковых и микрополосковых отрезках линий имеют большие потери, но более технологичны и широкополосны, а также малогабаритны.
В длинноволновой части СВЧ диапазона целесообразнее применять четвертьволновые резонаторы как имеющие наименьшие габариты.
Рассчитаем полосовой фильтр преселектора приемника по следующим исходным данным [1]:
1. средняя частота настройки приемника f0 =0,645ГГц;
2. полоса пропускания приемника Δf0 =10МГц;
3. промежуточная частота fп =30МГц;
4. ослабление зеркального канала приемника Sзк =70дБ.
Считая , что L=70, n=4. Так Наш приемник состоит из Вх. цепи и УРЧ, то избирательность по зеркальному каналу поделим поровну м/у входной цепью и УРЧ по 35 дБ с запасом

N=2, g0=1 , g1=1,82 , g2=0.66, g3=2.65
ρA =ρB =50 Ом, YA =1/ρA =0.02 См, YA =YB =0.02 См.
![]()
На входе и выходе фильтр должен быть согласован с трактом с волноводным сопротивлением 50 Ом. Габариты фильтра должны быть минимальны.
1. Так как фильтр применяется в приемнике СВЧ, работающем в длинноволновой части дециметрового диапазона волн для сокращения габаритов фильтра используем для его построения четвертьволновые резонаторы и гребенчатую структуру.
2. Ввиду того, что требования к подавлению зеркального канала высокие выберем чебышевскую аппроксимацию характеристики затухания.
3. Зеркальный канал приемника расположен:
fз =f0 ±2·fп =(645±60)МГц
Полоса запирания фильтра равна:
ΔFз =4·fп =120МГц
4. В соответствии с заданием полоса пропускания приемника, определяемая фильтрами УПЧ равна Δf0 =10МГц. Выберем полосу пропускания преселектора в несколько раз больше:
ΔF=8·Δf0 =80МГц.
5. Находим отношение:
ΔFз /ΔF-1=0.5
Из графиков рис. 2.3 [1] находим, что для подавления зеркального канала, равного L=70дБ, фильтр преселектора должен состоять из n=3 звеньев (резонаторов) при пульсациях на вершине характеристики ΔL=1дБ. поделим заданную избирательность между входной цепью и УРЧ, т.е. 40 и 40 дБ соответственно. Тогда из графика изображенного на рис.4 находим, что n = 3 .
Для реализации выберем микрополосковую несимметричную линию передачи на поликоре с εr =9.8.
6. Рассчитаем электрические характеристики фильтра при n=3.
Согласно заданию: ρA =ρB =50 Ом, YA =1/ρA =0.02 См, YA =YB =0.02 См.
Электрическую длину резонатора берем θ0 =π/4.
Волновое сопротивление фильтра принимаем равным ρai =70 Ом.
Yai =1/ρai =0.014 См.
По формуле (6.6) определяем эффективную диэлектрическую постоянную:
εэф =1+q(εr -1)=1+0.62(9.8-1)=6.6,
где q=0.55..0.85.
Параметры прототипа находим из таблицы 2.2 [4]:
g0 =1; g1 =2.02; g2 =0.99; g3 =2.02; g4 =1.
Из формулы (6.7) получаем:

Находим промежуточные параметры.
w=ΔF/f0 =80/645=0.12
Yai /YA =0.014/0.02=0.7





Находим нормированные емкости на единицу длины по формулам:

![]()
![]()

![]()
Находим нормированные взаимные емкости между линиями по следующим формулам
![]()


![]()
Сосредоточенные емкости на концах линий находим по формуле:
![]()
7. Проведем расчет конструкторских параметров .
Зададимся поперечным размером фильтра b=10мм и t/b=0.01.
Расстояние Si +1 между полосками фильтра находим из графика рис 2.6 [1] и по рассчитанным взаимным емкостям Ci , i +1 /ε:
S01 /b=0.22; S12 /b=0.55; S23 /b=0.55; S34 /b=0.22
S01 =2.2мм; S12 =5.5мм; S23 =5.5мм; S34 =2.2мм
Ширину полосок рассчитаем по следующим формулам:
![]()
![]()
![]()
![]()
![]()
S0 =1,9мм; S1 =0,6мм; S2 =0.59мм; S3 =0.64мм; S4 =2.2мм
Найдем уточненное значение эффективной диэлектрической проницаемости по формуле (6.30)
,
где h - высота подложки.
Получаем εэф =7.6
Найдем длину резонаторов:

8. Рассчитаем потери фильтра в полосе пропускания . Расчет произведем в следующем порядке.
Определим потери в проводниках по выражению :
,
где b - поперечный размер резонатора, см, f - частота настройки фильтра, ГГц, α - находится из графика рис. 2.8 [1].
Qc =2000·1·0.78/2.54=614
Оценим потери в диэлектрике:
Qd =1/tgδ=10000
Определим добротность микрополосковой линии
![]()
Потери на излучение снижают добротность резонатора, поэтому для несимметричной микрополосковой линии добротность вычисляют по формуле
Qо =ηQ=0.7·578=405,
где η=0.5..0.7.
Затухание определяется из
d=1/Qо =1/405=2.4·10-3
Проведем расчет потерь по (6.38). В результате получим:
![]()
9. Эскиз фильтра приведен на рис.3

Рис. 3.
4.Усилитель радиочастоты.
Рассчитаем усилитель радиочастоты с центральной частотой f0 =0.6ГГц на биполярном транзисторе КТ391.
Из таблицы 2.3 [5], где приведены S-параметры транзистора при токе коллектора Iк =5мА и напряжении коллектора Uк =5В, видно, что на данной частоте транзистор находится в области потенциальной устойчивости (ОПУ). Коэффициент устойчивости транзистора составляет Ку=0,5<1.
S-параметры транзистора: S11 =0.377, S12 =0.04, S21 =7.149, S22 =0.756,
Φ11 =-90.7, Φ12 =58.8, Φ21 =110, Φ22 =-21.3
Коэффициент передачи номинальной мощности достигает максимального значения в режиме двустороннего согласования активного элемента:
. (7.2)
Далее рассчитываем
, для параллельного включения (рис. 2.16а)
=![]() |
(2.18) |
для последовательного включения (рис.2.16б)
| (2.19) |
где
– коэффициент устойчивости транзистора, находящегося в ОПУ,
– параметры транзистора на той частоте диапазона, где
принимает наименьшее значение.
Далее рассчитывают S -параметры четырехполюсника, состоящего из стабилизирующего резистора. Для параллельного включения
| (2.20) |
![]()
Затем рассчитывают новые S -параметры составного АЭ, состоящего из каскадно включенных транзистора и стабилизирующего резистора:
![]() |
(2.22) |
; 
: S11 =0.377, S12 =0.04, S21 =7.149, S22 =0.756,
Φ11 =-90.7, Φ12 =58.8, Φ21 =110, Φ22 =-21.3
гдеД
=
=1.45
В зависимости от требований к параметрам приемника усилитель может быть рассчитан в одном из двух режимов:
– в режиме минимального коэффициента шума;
– в режиме экстремального усиления.
Режим минимального коэффициента шума рассмотрен, например, в [9]. Рассмотрим режим экстремального усиления.
После расчета параметров усилителя по формулам 2.16-2.22 находят максимальный коэффициент усиления по мощности
![]() |
(2.23) |
В (2.23) знак минус соответствует АЭ, находящемуся в ОБУ, знак плюс, находящемуся в ОПУ.
Экстремальные режимы достигаются при двустороннем комплексном согласовании на входе и на выходе АЭ:
| (2.24) |
При этом входные и выходные сопротивления АЭ находят по формулам;
; ; |
(2.25) |
где Z 0 – волновое сопротивление тракта (подводящих линий).
; ![]() |
(2.26) |
– оптимальные коэффициенты отражения от генератора и нагрузки. В формулах (2.26)
находятся из выражений:
;
;
;
;
;
В выражениях (2.26) знак минус берется при
>0, и знак плюс при
<0. После выполнения этих расчетов переходят к расчету согласующих цепейОптимальные коэффициенты отражения составляют Гг опт
=-0.64j и
Гн опт =0,65j
Определим входное и выходное сопротивления активного элемента на частоте 0,62ГГц (волновое сопротивление W0 =50 Ом):
![]()
![]()
Для согласования применим Г-образные цепи, состоящие из двух одношлейфовых трансформаторов на МПЛ. Первый шлейф, включенный параллельно, компенсирует реактивную составляющую проводимости АЭ, а второй шлейф, представляющий собой четвертьволновый трансформатор полного сопротивления, согласует действительную составляющую проводимости АЭ с характеристическим сопротивлением подводящих линий W01 =W02 =50 Ом. Для расчета параллельных шлейфов пересчитаем входное и выходное сопротивления АЭ в проводимости:
Yвх АЭ =1/Zвх АЭ =08,6-j6,8 См,
Yвых АЭ =1/Zвых АЭ =0,76-j3,5мСм,
Рассчитаем длины шлейфов схемы, полагая ε=5, h=1мм.
Шлейф 1 - четвертьволновый трансформатор с характеристическим сопротивлением
![]()
Находим ширину полоски из :

Ширина полоски составляет b1 =1.38мм.
Длина полоски определяется из:
l=Λ/4,
где
, εэф
=4,2 - эффективная относительная диэлектрическая проницаемость среды в линии.
Длина полоски составляет l1 =60мм.
Шлейф 2 - четвертьволновый трансформатор с характеристическим сопротивлением
(7.10)
Ширина полоски составляет b2 =6.1мм, длина полоски - l2 =60мм
Шлейф 3 - четвертьволновый трансформатор с характеристическим сопротивлением
(7.11)
Ширина полоски составляет b3 =1,61мм, длина полоски - l3 =60мм
Шлейф 4 - четвертьволновый трансформатор с характеристическим сопротивлением
(7.12)
Ширина полоски составляет b3 =16мм, длина полоски - l3 =60мм
Схема УРЧ приведена на рис. 7.1

Рис.7.1.
8. ФСС.
Рассчитаем фильтр сосредоточенной селекции предварительного усилителя промежуточной частоты.
Фильтр должен иметь следующие характеристики: полоса пропускания составляет 5 МГц; избирательность по соседнему каналу 60 дБ; соседний канал отстроен от промежуточной частоты приемника на 5 МГц; нагрузкой фильтра служит входное сопротивление микросхемы 219УВ1А (усилитель ПЧ), которое составляет 25 Ом; промежуточная частота 94 МГц.
1. Ввиду высоких требований к избирательности данного фильтра, целесообразно выбрать фильтр с чебышевской характеристикой затухания.
2. Определим нормированную частоту.
Из задания: 2Δf=10МГц; f0 =fпч =90МГц; fн =100МГц; f-н =80МГц. Отсюда по выражению (8.1) рассчитаем нормированную частоту:
Ω=(fн -f-н )/2Δf=10/10=1 (8.1)
3. Пересчитаем заданное ослабление Sск =60дБ в неперы, считая, что 1дБ=0.115неп. В итоге получим ан =7 неп.
4. По этим значениям по графику определим количество звеньев, класс фильтра n=4.
5. Выберем схему прототипа (рис.1.3а [4]). Схема приведена на рис..

Рис.
6. Так как вход фильтра нагружен на сопротивление намного большее, чем его выход, будем считать r1 =∞. Параметры фильтра прототипа определим из таблицы 1.10 [2].
Катушки индуктивности возьмем с добротностью Q=100.
Потери в элементах фильтра составляют
δ=f0 /[Q·Δf]=90*106 /100*5*106 =0.18
а4 =1,87; а3 =1,69; а2 =2,82; а1 =0,504;
7. Переходим от элементов прототипа к элементам фильтра по следующим формулам (8.3):
![]()
![]()
![]()
![]()
![]()
![]()
![]()
![]()
Электрическая схема фильтра без учета потерь в элементах представлена на рис.8.2.

Рис.8.2.
Величина потерь фильтра в полосе пропускания составляет амин =0.25неп=2.174дБ.
9. Преобразователь частоты.
Преобразователь частоты состоит из смесителя, к которому подводится принимаемый сигнал, и гетеродина напряжение которого периодически изменяет параметры смесителя. На выходе смесителя выделяется сигнал преобразованной частоты f П . В преобразователях с внешним гетеродином функции последнего выполняет отдельный электронный прибор. В преобразователях с внутренним гетеродином для смесителя и гетеродина используется общий электронный прибор.
При простом преобразовании частоты f П = f Г – f С или f П = f С – f Г .
9.1. Расчёт балансного смесителя.
В качестве смесителя используем двух диодный балансный смеситель (БС), наиболее подходящий для СВЧ приёмников. Ниже приведена эквивалентная и топологическая схемы рассчитанного двухшлейфного квадратного моста.

Исходные данные.
-
(f
0
=0.
62 ГГц
)
-
- относительная полоса рабочих частот.
- N БС ≤ 2 дБ (при коэффициенте шума УПЧ N П = 2 дБ )
- Подложка БС из поликора (ε = 9, tgδ = 0.005 ) толщиной h = 0.5 мм
- Волновое сопротивление проводящих линий W = 5О м.
- Материал проводников – медь с удельной проводимостью σ = 4.1·10 7 См/м
Выберем смесительные диоды с барьером шотки типа АЛ112Б, для которых
- Мощность гетеродина P Г опт = 3 мВт
- Потери преобразования α ПР ≤ 6 дБ
- Шумовое отношение ηШ = 0.85
- r ВЫХ сд = 500 Ом
Расчёт.
1. Определяем волновое сопротивление основной линии ![]()
2. Для шлейфов
. Находим ширину полоски основной линии и шлейфа:

3. Эквивалентную диэлектрическую проницаемость рассчитываем по формуле:

Для основной линии:ε ЭЛ = 7.13 ,
дляшлейфов ε ЭШ = 6.7 .
4. Длину четвертьволнового отрезка основной линии и шлейфов найдем по формуле:
.
5. Рассчитываем потери в основной линии и шлейфах и шлейфах моста. Толщина скин-слоя в полосках:
![]()
6. Поверхностное сопротивление проводника:
![]()
7. Полные потери проводимости оцениваются по формуле:
![]()
Для основной линии и шлейфа имеем:
![]()
Потери проводимости отрезка основной линии и шлейфа соответственно равны:
α ПЛ = β ПЛ · l Л = 0.10 дБ; α ПШ = β ПШ · l Ш = 0.11 дБ
8. Погонные диэлектрические потери в подложке микрополосковой линии рассчитываются:




9. Диэлектрические потери в основной линии и шлейфа:
α ДЛ = β ДЛ · l Л = 2.24 ·10 -6 дБ; α ДШ = β ДШ · l Ш = 2.4 ·10 -6 дБ
10. Полные потери основной линии и шлейфа и моста:
α 1 = α ПШ + α ДШ = 0.11+0.158=0.268 дБ = 0.0268 неп;
α 2 = α ПЛ + α ДЛ = 0.10+0. 044 = 0.0144 неп;
11. Коэффициент стоячей волны входных плеч моста равен:
,
дб
12. Развязка изолированного плеча (развязка между сигналом и гетеродином):
,
дб
Потери моста:
, ![]()
На этом расчет квадратного моста закончено.
13. Находим необходимую мощность гетеродина на входе БС, полагая оптимальную мощность гетеродина, равной паспортной и пренебрегая потерями моста:
P Г = 2 · α М · P Г опт = 0.222 мВт
Считаем, что смесительные диоды подобны в паре, тогда:
r БС = 0.5 · r ВЫХ сд = 250 Ом
α БС = α ПР = 6 дБ
η БС = η Ш = 0.85
14.Определим шумовое отношение гетеродина по формуле :η Г = η Г о · P Г
Величина η
Г о
зависит от типа гетеродина, частоты гетеродина и величины промежуточной частоты, и лежит в пределах от единицы до нескольких десятков мВт. Полагаем η
Г о
=
10
, тогда: η
Г
= 2.2 ·10
-3
.
15. Общий коэффициент шума БС преобразователя частоты определяется по формуле:

Полагая, что коэффициент подавления шума гетеродина S Ш = 20 дБ , находим:
.
6. Расчет импульсного детектора.
1. Для детектирования радиоимпульсов используем последовательный диодный детектор на диоде Д2В с параметрами Сд =1пФ, Ri =160Ом, выполненный по схеме:

В таких детекторах используют германиевые диоды.
2. Определим ёмкость конденсатора и сопротивление нагрузки равна:
С Н =10 С Д - С М = 7 пФ ,
где С Д = 1 пФ – ёмкость диода, С М = 3 пФ – монтажная ёмкость.
, после этого определим коэффициент передачи К
д,
, тогда. из графика 9,2 найдём К
д
который равен0,99., зная его из графика 9,5 находим
, отсюда
где (для последовательного детектора)
3. Проверим соотношение,
при невыполнении которого заметно падает коэффициент передачи детектора К
Д
: 1,5*10
-6
>> 1,06*10-8
4. Вычислим индуктивность нагрузки
,
где Q H = 0.6 ,R H K = 1.65· R H = 358.05 КОм .
5. Для улучшения фильтрации напряжение промежуточной частоты служит дроссель настраиваемый собственной ёмкостью С ф = 2 пФ на частоту:
f ф = (0.5…0.7) f п = 45 МГц
6. Определим индуктивность дросселя.
.
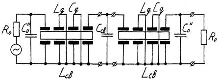
7. Расчет пьезоэлектрического фильтра.
Исходные данные:
- ƒ 0 = ƒ ПЧ = 30 МГц ;
- ƒ -Н = 24.9 МГц; ƒ Н = 25.3 МГц;
- R 0 = 1000 Ом ;
1. Ширина полосы пропускания одного канала Δƒ 0 = 0.2 МГц.
2. В полосе задерживания при расстройке средней частоты на Δƒ = ± 200 КГц затухание должно быть не меньше α 0 = 50 дБ.
3. Материал кварц АТ – среда.
Расчет:
1. Определяем нормированную частоту:
![]()
2. Определяем граничную частоту полосы задерживания фильтра прототипа НЧ:
![]()
По графику на рис.18 определяем класс фильтра n :
![]()
n = 5
Из таб. 3 в приложении находим значения элементов фильтра
| Δ a = 0.05 неп | |||||
| a 1 | a 2 | a 3 | a 4 | a 5 | r 1 |
| 0.61 | 1.61 | 2 | 1.61 | 0.61 | 1 |
3. Прототип фильтра выглядит так:

4. Преобразовываем НЧ прототип в узкополосный с одинаковыми индуктивностями α1 . Величину нормированной индуктивности находим как:
![]()
5. Переходим к схеме МПФ:

6. Выполняем расчет частного резонатора
![]()
7. Вычисляем коэффициенты связи между резонаторами:
![]()
8. Определяем расстояния между резонаторами по формуле (25):
- толщина пластины, где 
Задаёмся величиной частотного понижения Δ = 0,015 и вычислим правые части неравенства
, ![]()
Определяем конструктивные параметры ς по формуле:
; ![]()
По графику на рис.9 находим нормированные частоты:
η = 0.18; η ∞ = 0.15;
;
![]()
Теперь переходим к расчету расстояния между резонаторами непосредственно:

N 1 и N 3 определяются по графику: N 1 = N 3 = 0.9
10. Выбираем размеры пластины = 22х12х0,204мм;
11. Рассчитаем эквивалентную динамическую индуктивность и ёмкость по формулам:
, где ρ= 2649, e
26
= -0.095
![]()
![]()
Номинальная индуктивность резонатора: ![]()
Статическая ёмкость C
0
равна: ![]()
Сопротивление нагрузки на входе и выходе фильтра:
![]()
Величину дополнительной ёмкости связи определим по формуле:
, где ![]()
C СВ = 2 C 0 = 1.4 мФ
12. Переходим к схеме МПФ:

13. Конструкция фильтра.

8. Расчет УНЧ.
Исходные данные:
- f В 0.707 = 30.05 МГц ;
- U m ВЫХ = 5 В;
- С Н = 10 пФ;
- R Н = 100 КОм;
Расчёт.
1. Параметры транзистора должны удовлетворять условиям:
U КЭ max ≥ ΔU ВЫХ + U НАЧ + U Э = 22.5 В ,
где ΔU ВЫХ = 2 U m ВЫХ = 10 В, U НАЧ = 5 В, U Э = 7.5 В .
f T ≥ (20÷50) f В 0.707 =(601÷1502.5) МГц .
Указанным требованиям удовлетворяет транзистор КТ602Г
g 21 ≈ 40·10 -3 См ; r б ≈ 100 Ом; С К = 8 пФ; g 22 ≈ 10 -4 См ; f| Y21 | ≈ 70 МГц.
2. Определим спад частотной характеристики εВ ВЫХ = 0.4 · εВ = 0.12, где
ε В = 0.3 (при М В = 0.7 )
- коэффициент, учитывающий влияние транзистора
на общий спад частотной характеристики.
3. Зададимся Yf = 0.08 и вычислим глубину обратной связи и R f .
;
;
;
;
ε C = ε В ВЫХ - ε | Y 21 | f = 0.03

4. Зададимся монтажной ёмкостью С М = 5 пФ и найдём полную паразитную ёмкость.
С / 2 = С 22 f ( ω B )+ С H ( ω B ) + С М = 0.795 нФ.
, где χ
В
= 2 КОм;
![]()
5. Определим эквивалентную постоянную времени цепи нагрузки (d = 2, d Ш = 2.6).
τ2 ( ω B )= R / 2 ( ω) С / 2 = 66.6 мкс.
;
;
U КЭ = U НАЧ + U m ВЫХ = 10 В
I K = I НАЧ + U m ВЫХ ( g / 2 - g 22 ) = 20 мА.
6. Напряжение источника питания определяется по формуле:
Е П = U КЭ + I K · R K + U Э = 24.18 В
;
g ВХ = 10 -3 См, С ВХ = 80 пФ.
8. Расчёт стационарного режима АРУ.
1. Начальный коэффициент усиления, определяющий наклон линейной части амплитудной характеристики к оси абсцисс, равен:
![]()
.
2. Вычисляем напряжение ограничения видеоусилителя к выходу УПЧ.
, где
К д = 0.97; К ВУ 1 = 4; К ВУ 2 = 2; U ОГР = 5 В.
Это напряжение ниже порога ограничения УПЧ U ОГР ВУ = 0.644 В > U ОГР1 =2 В . Уровень ограничения приёмного канала определяется ограничением УПЧ. Напряжение приведённое к его входу равно:
U ОГР = U ОГР К ·К К+1 ·К К+2 …К n .
U ОГР = 2 ·0.97 ·4·2 = 15.52 В.
3. Напряжение задержки, приведённое к выходу приёмника, определяется заданным начальным уровнем выходного сигнала.
U
З
=
U
ВЫХ 0
= 1 В
. Отсюда ![]()
Т.о. цепь АРУ можно замыкать непосредственно с выхода видеоусилителя.
4. Полное число каскадов приёмника с учётом детектора и видеоусилителя равно
n = 11.
Учитывая, что
можно установить, что эти каскады можно охватить цепью АРУ (Kk
= 4.2). Максимальная амплитуда сигнала на базе регулируемого каскада УПЧ должна быть: ![]()
Коэффициент усиления нерегулируемых каскадов можно определить по формуле:
Это усиление обеспечивается двумя выходными каскадами УПЧ, детектором и двумя каскадами видеоусилителя
(n ВЫХ = 5):
К ВЫХ < 4.22 · 0.97· 4· 2 = 137. Отсюда можно найти максимальное число регулируемых каскадов n р max = 11-5 = 6.
5. Проверим можно ли обойтись без усилителя в цепи АРУ.
Положим К АРУ = К ПД = 0,97. При этом необходимо определить максимальное значение напряжения регулирования:
U р max = К ПД · ΔU вых max = 0.97 · 0.5 = 0.485 В.
Минимальный коэффициент усиления и изменение усиления соответственно равны:
;

Для того, чтобы обеспечить такое изменение в шести каскадных УПЧ, в которых используется регулировка по схеме с регулировкой режима по постоянному току:

Находим регулирующее напряжение (U 0 = 0.3 В, Kmax / K01 = 1.98, n р = 6,
φT = 0.025)


При коэффициенте передачи пикового детектора К
ПД
= 0.97
необходим усилитель с коэффициентом усиления: ![]()
6. Коэффициент N max равен:

7. Постоянную времени фильтра цепи АРУ выбираем из условия
:
![]()
где Ω min = 314, а ρ П представляет собой наименьшее из чисел:
, ρ
2
=
K
ƒ
=
tg 10
o
= 0.176 ρ
3
=
tgφ
1
= 0.15
ρ П = 0.15
Находим N П , соответствующий заданному перепаду амплитуд на входе:

где
, D
П
= 2 (
D
П
= 6÷10 дБ)
Для того, чтобы длительность переходного процесса не превышала заданной величины, постоянная времени τ ф должна удовлетворять условию:
, где t
yy
= 0.3
– длительность переходного процесса.
Условие устойчивости определяется неравенством:
τ ф ≥ χ (0.5· N MAX Т П ) = 5 мкс ,
где χ = 4 – коэффициент запаса устойчивости, а ![]()
С учётом выполнения всех условий выбираем τ ф = 1 с.
Расчёт динамического режима АРУ.
Расчёт.
1. Все данные, полученные при расчёте стационарного режима такие же : n р = 6,
N П =6.2, K АРУ = 0.5, N max = 81.6 , за исключением того, что длительность переходного процесса должна быть меньше t yy = 0.1 с.
2. В системе АРУ первого порядка заданную длительность переходного процесса
обеспечить невозможно, так как условие выбора максимально допустимого значения постоянной времени:
несовместимо с условием
.
3. Для системы АРУ второго порядка максимально допустимое значение:
, ![]()
Параметр
(относительная интенсивность), необходимый для дальнейших расчётов равен: ![]()
Минимальное значение τ
ф
определяем из условия: ![]()
; 
Значение ρ 1 = (Ω min τ ф ) 1 определим графически, построив функцию
tg φ
1
=
f(Ω
min
τ
ф
)
(рис. 10.16 б) с ординатой tg φ
1
=
tg10
0
=0.176.
В результате получим ρ
1
= (Ω
min
τ
ф
)
1
=1.9.
Выбираем из трёх чисел наибольшее ρ
П
= 3.2.
Минимальное значение τ
ф
равно:
. Следовательно
10.2 мс ≤ τ ф ≥ 16.7 мс . Выбираем τ ф = 16 мс . При этом находим постоянную времени τ 2 = 4 N П · τ ф = 0.397 c.
9. Заключение.
В данной работе произведен расчет радиолокационного приемника, который удовлетворяет заданным техническим требованиям, т.е. ослабление по соседнему каналу 60 дБ, по зеркальному каналу – 60 дБ.
Расчет производился с целью уменьшения габаритных размеров, увеличению надежности схемы. Габаритные размеры уменьшены за счет использования СВЧ устройств таких как микрополосковые линии и резонаторы. Повышение надежности обеспечивается РЗП и диодным ограничителем установленных на входе приемника, а так же для повышения стабильности работы цепь питания каждого каскада защищена индивидуальным фильтром.
10. Список использованной литературы.
1. «Проектирование радиоприемных устройств» под редакцией А.П. Сиверса , Москва, «Советское радио», 1976 г.
2. «Радиоприёмные устройства» под редакцией Л.Т. Барулина , Москва, «Радио и связь», 1984 г.
3. «Микроэлектронные устройства СВЧ» под редакцией Г.И. Веселова, Москва, «Высшая школа», 1988 г.
4. «Проектирование радиолокационных приёмных устройств» под редакцией М.А. Соколова, Москва, «Высшая школа» 1984 г.
=


;
;
; 