| Скачать .docx |
Реферат: Электронные ключи Особенности схемотехники РТЛ и ДТЛ
БЕЛОРУССКИЙ ГОСУДАРСТВЕННЫЙ УНИВЕРСИТЕТ ИНФОРМАТИКИ И РАДИОЭЛЕКТРОНИКИ
Кафедра РЭС
РЕФЕРАТ
На тему:
«Электронные ключи. Особенности схемотехники РТЛ и ДТЛ»
МИНСК, 2008
1 Электронные ключи
Ключ – элемент, который под воздействием управляющего сигнала производит различные коммутации (источников питания, активных элементов и т.д.). Электронный ключ является основой для построения более сложных цифровых устройств. При включении активного элемента с общим эмиттером (истоком) ключ выполняет логическую операцию НЕ, т.е. инвертирует входной сигнал.
Ключ имеет два состояния: замкнутое и разомкнутое

![]()
.
Для реализации ключей используют диоды, биполярные и полевые транзисторы.
Рассмотрим простейшие диодные ключи.
Особенность диодных ключей состоит в том, что источником энергии для формирования выходного сигнала является источник входного сигнала.
Рассмотрим схему соединения ключа последовательно с нагрузкой.


Включение ключа параллельно с нагрузкой:

На диодных ключах можно выполнять логические операции И либо ИЛИ.

![]()
![]()
На рис. 1,а показана схема и временные диаграммы диодного логического элемента ИЛИ. Напряжение на выходе элемента ИЛИ будет иметь высокий уровень (логическая единица), если высокий уровень (логическая единица) действует хотя бы на одном входе.
На рис. 1,б показана схема и временные диаграммы диодного логического элемента И. Напряжение на выходе элемента И будет иметь высокий уровень (логическая единица), если на всех входах действуют высокие уровни (логические единицы). Наличие низкого уровня (логического нуля) хотя бы на одном входе приводит к открыванию соответствующего диода и ток, протекающий через резистор R, будет замыкаться через этот диод на «землю», так что выходное напряжение будет иметь низкий уровень (логический ноль).
1.1 Насыщенный транзисторный ключ на биполярном транзисторе
Рассмотрим режимы работы транзисторного ключа.
Выбираем транзистор VTn-p-n типа, схема включения с общим эмиттером показана на рис. 4.2.



Рис. 4.2
Для ключа на транзисторе p-n-p типа меняются полярности напряжений.
Транзистор в нашей схеме может находиться в одном из трёх состояний:
1) Закрыт (выключен), находится в режиме отсечки (область 1);
2) Открыт, находится в линейной области в активном режиме (область 2);
3) Открыт (включён), находится в режиме насыщения (область 3).
1) Режим отсечки:

Режим отсечки создаётся путём подачи на базу VT запирающего отрицательного напряжения
, VT закрыт, оба p-n перехода смещены в обратном направлении.
2) Активный режим:

Активный режим создаётся путём подачи на базу VT положительного напряжения
. При этом эмиттерный p-n переход будет смещён в прямом направлении, а коллекторный – в обратном направлении, т.к.
.
В активной области между входными и выходными токами существует жесткая связь:
, т.к.
;
,
–коэффициент усиления тока базы.
3) Режим насыщения. Такой режим наступает при
, при этом VT открыт. Оба p-n перехода смещены в прямом направлении.
В режиме насыщения транзистор перестаёт управляться по цепи базы, поэтому ток коллектора насыщения
остаётся неизменным и определяется сопротивлением нагрузочного резистора
:
.
Дальнейшее увеличение входного сигнала при
приводит к увеличению потока электронов из эмиттера в базу и электроны (неосновные носители) в виде объёмного заряда скапливаются в области базы.
Наступает так называемое насыщение транзистора.
Условие насыщения VT может быть представлено в виде:
;
.
Количественно глубина насыщения VT характеризуется коэффициентом насыщения
, (
),
а также степенью насыщения
.
С физической точки зрения степень насыщения характеризует собой величину избыточного заряда
неосновных носителей (электронов) в базе транзистора.
С ростом тока базы растёт по экспоненциальному закону объёмный заряд неосновных носителей в базе VT и на границе насыщения при
он достигает значения
,
где
- постоянная времени жизни неосновных носителей в области базы, отражающая частотную зависимость коэффициента передачи
.
, где
- верхняя граничная частота VT.
Чем больше избыточный заряд
, тем сильнее насыщен транзистор, а рассеивание заряда обуславливает инерционность VT при его выключении, что в итоге существенно влияет на быстродействие ключевой схемы.
1.2 Статические характеристики ключа
Перепады амплитуд напряжения и тока:
от 0 до
;
от 0 до
;
от 0 до
;
от UКН
до ЕК
.
Амплитуда выходного напряжения: ![]()
Передаточная характеристика:

Чем уже переходная область, тем лучше передаточная характеристика транзисторного ключа.

–идеальная характеристика
1.3 Динамические характеристики электронного ключа
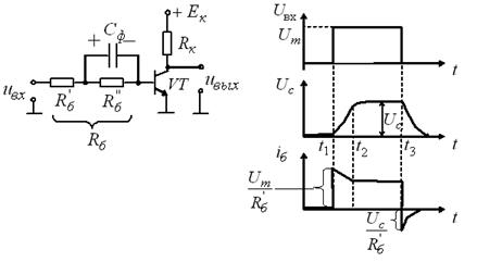
Рассмотрим эпюры токов и напряжений для схемы электронного ключа, изображенной на рисунке ниже.


–объёмный заряд,
–время задержки,
–время фронта,
.
До момента коммутации входной ток
отсутствовал. Объёмный заряд в области базы после момента коммутации появится с некоторой задержкой из-за наличия ёмкости
перехода, паразитной ёмкости монтажа.
–средняя продолжительность жизни неосновных носителей в области базы.

Объёмный заряд
соответствует некоторому току коллектора насыщения
. Для уменьшения времени включения транзистора необходимо увеличить входной ток

–напряжение закрытого транзистора;
–ток базы логической единицы.


, где
– граничная частота усиления транзистора (
).
При выключении транзистора

.
1.4 Способы увеличения быстродействия ключа на биполярном транзисторе
Основным недостатком насыщенного ключа является относительно низкое его быстродействие, обусловленное рассасыванием избыточного заряда в базе VT. Для повышения быстродействия необходимо строить схемы ненасыщенных ключей. Приведём примеры.
1.Использование ускоряющей ёмкости.
Оптимальная форма тока базы для улучшения формы выходного импульса должна иметь следующий вид:

Для получения тока такой формы используется форсирующая (уско-ряющая) ёмкость:

Назначение форсирующей ёмкости состоит в том, чтобы временно увеличить отпирающий ток базы
и обратный ток
на время переходных процессов, когда формируется
и
.
В момент времени
при отпирании ключа и формировании
имеем:
,
т.к. высокочастотная составляющая входного сигнала проходит через
, шунтируя при этом резистор
.
В момент времени
при формировании
имеем:
,
т.к. ёмкость
оказывает существенное реактивное сопротивление низкочастотным составляющим входного сигнала, который, проходя по цепи
уменьшает ток базы.
В момент времени
запирающий ток базы
формируется аналогично току
, когда во входную цепь поступают низкочастотные составляющие, формирующие
.
2.Использование внешнего фиксирующего источника напряжения.
Внешнее смещение можно осуществить по цепи базы или коллектора. В этом случае
выбирается таковым, чтобы
.

3.Использование отрицательной обратной связи.
В этой схеме входной базовый ток ограничивается на уровне тока базы насыщения, а избыток базового тока отводится через открытый диод VD в коллекторную цепь транзистора. В этой схеме транзистор не входит в режим насыщения.
![]() |
2 Серии логических элементов
Исторически развитие импульсной и цифровой техники прошло несколько этапов, разработка основных типов логики:
1.РТЛ – резисторно-транзисторная логика.
2.ДТЛ – диодно-транзисторная логика.
3.ТТЛ – транзисторно-транзисторная логика.
4.ТТЛШ - транзисторно-транзисторная логика с диодами Шотки.
5.ЭЛС – эмиттерно-связанная логика.
6.МОП (МДП) – логика на униполярных транзисторах с каналами проводимости p- и n-типов.
7. КМОП (КМДП) – логика на основе униполярных транзисторов с использованием дополняющих комплементарных транзисторов.
8.
– инжекционная интегральная логика.
Цифровые интегральные микросхемы выпускаются сериями. Внутри каждой серии имеются объединённые по функциональному признаку группы устройств, имеющие единое конструкторско-технологическое исполнение. Основой каждой серии ИМС является базовый логический элемент.
3 Особенности схемотехники РТЛ
Базовый логический элемент РТЛ представлен на рис., он функционирует согласно логическому выражению:
, где
и
- соответственно входные и выходные сигналы.
Достоинство этой схемы: использование только двух видов элементов (резисторов и транзисторов). Недостатки схемы: использование двух источников питания, малая нагрузочная способность по выходу, малое быстродействие.
Существует другая разновидность этой схемы, обладающая повышенной нагрузочной способностью.
4 Особенности схемотехники ДТЛ
Базовая схема ДТЛ показана на рис. 4.3.

Рис. 4.3.
Диоды
выполняют логическую операцию И, диоды
и
являются смещающими и устанавливают совместно с
необходимый порог срабатывания транзистора VT, который выполняет функции ключа-инвертора.
Если на диоды
поданы высокие уровни
, то диоды будут закрыты, а транзистор VT открыт положительным потенциалом
, на выходе схемы -
(лог. 0). Если хотя бы на один из входов поступает напряжение низкого уровня
, то соответствующий диод будет открыт. Положительный потенциал базы VT уменьшается на величину
и транзистор VT закрывается, на выходе схемы будет напряжение
(лог. 1).
Схема ДТЛ (рис. 3) выполняет логическую функцию nИ-НЕ.
ЛИТЕРАТУРА
1. Достанко А.П., Пикуль М.И., Хмыль А.А. Технология производства ЭВМ. Учеб. Мн.: Вышэйшая школа, 2004.
2. Кофанов Ю.Н. Теоретические основы конструирования технологии и надежности РЭС. Учеб. М.: Радио и связь, 2001.
3. Глудкин О.П. Методы и устройства испытаний РЭС и ЭВС. Учеб. М.: Высш. шк., 2001.
4. Технология радиоэлектронных устройств и автоматизация производства: Учебник А.П. Достанко, В.Л. Ланин, А.А. Хмыль, Л.П. Ануфриев. Мн.: Выш. шк., 2002.
