| Скачать .docx |
Курсовая работа: Курсовая работа: Анализ избирательных цепей в частотной и временной областях Расчет отклика
Министерство образования и науки Украины
Харьковский национальный университет радиоэлектроники
Радиотехнический факультет
Кафедра основы радиотехники
КУРСОВОЙ ПРОЕКТ
ПОЯСНИТЕЛЬНАЯ ЗАПИСКА
“АНАЛИЗ ИЗБИРАТЕЛЬНЫХ ЦЕПЕЙ В ЧАСТОТНОЙ И ВРЕМЕННОЙ ОБЛАСТЯХ”
“ОСНОВЫ РАДИОЭЛЕКТРОНИКИ”
Руководитель :
Иванов И.А.
Выполнил :
ст. гр.101
Блинов Б.Б.
ХАРЬКОВ 2008
РЕФЕРАТ
Курсовая работа: 19 c., содержит: 9 рис., 4 табл., 4 источника.
Объект исследования - пассивная линейная цепь первого порядка.
Цель работы – определить частотные характеристики, а также отклик пассивной линейной цепи, к входу которой приложен входной сигнал.
Метод исследования – определение отклика производится классическим и операторным методами.
Расчет отклика в пассивной цепи находится двумя способами. Для расчета отклика классическим методом составляется дифференциальное уравнение, определяются его корни и переходная характеристика цепи. Операторный метод расчета состоит в определении ОПФ цепи и нахождении изображения отклика как произведения ОПФ на изображение входного воздействия.
ОПФ, КПФ, АЧХ, ФЧХ, ОТКЛИК, ВОЗДЕЙСТВИЕ, ПЕРЕХОДНАЯ ХАРАКТЕРИСТИКА, ИМПУЛЬСНАЯ ХАРАКТЕРИСТИКА, КЛАССИЧЕСКИЙ МЕТОД, ОПЕРАТОРНЫЙ МЕТОД.
СОДЕРЖАНИЕ
ПЕРЕЧЕНЬ УСЛОВНЫХ СОКРАЩЕНИЙ
Введение
Задание к курсовому проекту
1 Расчет временных характеристик цепи классическим методом
2 Расчет отклика цепи интегралом Дюамеля
3 Расчет частотных характеристик схемы операторным методом
4 Связь между частотными и временными характеристиками
5 Расчет временных характеристик цепи операторным методом
6 Расчет отклика цепи операторным методом
Выводы по работе
ПЕРЕЧЕНЬ ССЫЛОК
ПЕРЕЧЕНЬ УСЛОВНЫХ СОКРАЩЕНИЙ
ОПФ – операторная передаточная функция;
КПФ – комплексная передаточная функция;
АЧХ – амплитудно-частотная характеристика;
ФЧХ – фазово-частотная характеристика.
ВВЕДЕНИЕ
Дисциплина «Основы радиоэлектроники» принадлежит к фундаментальным дисциплинам в образовании специалистов, которые проектируют электронную аппаратуру.
Курсовая работа по этой дисциплине - один из этапов самостоятельной работы, который позволяет определить и исследовать частотные и временные характеристики избирательных цепей, установить связь с предельными значениями этих характеристик, а также закрепить знания по классическому и операторному методам расчета отклика цепи.
ЗАДАНИЕ К КУРСОВОМУ ПРОЕКТУ
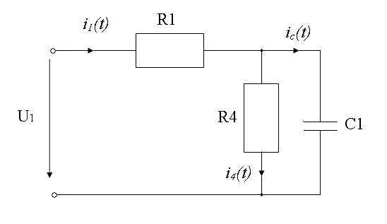
Исследуемая схема изображена на рисунке 1, начальные условия наведены таблице 1.
Таблица 1-Параметры обобщенной схемы.
| R1,Ом | R2,Ом | C,нФ | U1 , В | Воздействие | Отклик |
| 15 | 15 | 600 | 27 | U1 | i4 (t) |

Рисунок 1- Анализируемая схема
1 Расчет временных характеристик цепи классическим методом
Составляем систему уравнений для схемы по первому и второму законам Кирхгофа:

Подставив первое уравнение во второе, получим:
![]()
Ток, протекающий через ёмкость, определяется по закону:
![]()
После подстановки получаем дифференциальное уравнение для данной цепи:
(1.1)
В соответствии с классическим методом заменяем производные
степенями комплексной переменной p
и получаем характеристическое уравнение:
(1.2)
Из последнего уравнения находим p :
(1.3)
Постоянная времени цепи:
(1.4)
Подставив числовые значения в (1.3) и (1.4), получаем:
![]()
Переходную характеристику определяем как отклик цепи
при условии, что входное воздействие
=1В по формуле:
(1.5)
Принуждённую составляющую
находим в установившемся режиме, при
,когда сопротивление ёмкости Cравно бесконечности и она представляет собой разрыв цепи.

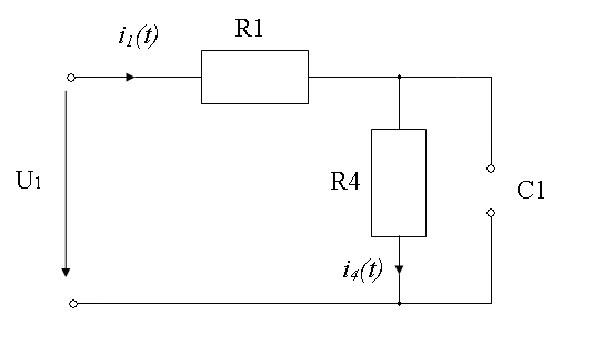
Рисунок 1.1- Состояние схемы для
![]()

Коэффициент A найдём из уравнения (1.5) для момента времени t
(+0)
, воспользовавшись нулевыми начальными условиями
.

Рисунок 1.2- Состояние схемы для
![]()
Резистор R 4 шунтируется ёмкостью С и ток i 4 (+0)=0.
![]()
Из последнего уравнения находим A:
![]()
Подставим это выражение в (1.5) и получим формулу переходной характеристики:
(1.6)
Подставляем числовые значения:

Импульсную характеристику h ( t ) рассчитываем по формуле:
(1.7)
(1.8)
Окончательная формула h(t) :

Таблица 1.1-Мгновенные значения h ( t ) и g ( t ) .
| t, мкс | 0 | 1 | 2 | 5 | 10 | 15 | 20 | 25 |
| g(t) *10-3 См | 0 | 6.042 | 10.989 | 21.070 | 28.822 | 31.673 | 32.722 | 33.108 |
| h(t), См | 6666.67 | 5458.21 | 4468.8 | 2452.53 | 902.235 | 331.914 | 122.104 | 44.919 |
Графики переходной и импульсной характеристик изображены на рисунках 1.3 и 1.4 соответственно.

Рисунок 1.3- График переходной характеристики

Рисунок 1.4- График импульсной характеристики
2 Расчет отклика цепи интегралом Дюамеля
График входного воздействия U ( t ) показан на рисунке 2.1.

Рисунок 2.1- График входного воздействия
Восстанавливаем функцию U ( t ) по графику при помощи формулы для прямой, проходящей через 2 точки:
(2.1)
Подставляем значения из графика, выражаемU ( t ) из уравнения и получаем:
(2.2)
Для расчета отклика цепи y ( t ) воспользуемся интегралом Дюамеля:
(2.3)
где U 1 ( x ) – входное воздействие, U 1 ( x )= U ( t ) , если x=t.
Подставляем выражения для U 1 ( x ) и для h ( t ) в (2.3):

Окончательное выражение для отклика цепи на воздействие U ( t ) :
(2.4)
Таблица 2.1 - Мгновенные значения отклика цепи
| t, мкс | 0 | 1 | 2 | 5 | 10 | 15 | 20 | 25 |
| i4 (t), мА | 0 | 7.91 | 18.02 | 57.85 | 142.3 | 236.6 | 334.5 | 433.7 |
График y ( t ) приведен на рисунке 2.2.

Рисунок 2.2- График отклика цепи
3 Расчет частотных характеристик схемы операторным методом
Найдём ОПФ цепи как отношение изображения отклика I 4 ( p ) к изображению воздействия U 1 ( p ) :
(3.1)
Применяя формулу разброса токов, находим отклик в операторном виде:

Тогда операторная характеристика:
(3.2)
Заменяя в (3.2) комплексную переменную p на jw , получаем КПФ цепи:
(3.3)
(3.4)
Для определения АЧХ находим модуль КПФ:
(3.5)
(3.6)
Для определения ФЧХ находим аргумент КПФ:
(3.7)
(3.8)
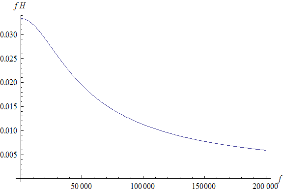
Таблица 1.1-Мгновенные значения H
(
f
)
и
.
| f , кГц | 0 | 5 | 10 | 25 | 50 | 100 | 150 | 200 |
| H ( f ) | 0.033 | 0.033 | 0.032 | 0.027 | 0.019 | 0.011 | 0.007 | 0.005 |
| 0 | -15.78 | -29.47 | -54.71 | -70.51 | -79.96 | -83.27 | -84.94 |
Графики АЧХ и ФЧХ приведены на рисунках 3.1 и 3.2 соответственно.

Рисунок 3.1- График АЧХ

Рисунок 3.2- График ФЧХ
4 Связь между частотными и временными характеристиками
Установим связь между частотными и временными характеристиками цепи, для чего найдём их граничные значения при
.

Из полученных значений делаем вывод, что ![]()
5 Расчет временных характеристик цепи операторным методом
Для расчета h ( t ) воспользуемся тем, что ОПФ соответствует изображению импульсной характеристики. Преобразуем H(p) , найденное в (3.2):

Восстановим оригинал h ( t ) из данного изображения:


Окончательная формула для h ( t ) соответствует выражению (1.8):
(5.1)
Изображение переходной характеристики определяется формулой:
(5.2)
![]()
Разложим последнюю дробь на простые:
![]()
Найдём оригинал G(p) :

Окончательная формула для g ( t ) соответствует выражению (1.6):
(5.3)
6 Расчет отклика цепи операторным методом
Из формулы для ОПФ (3.1) выражаем изображение отклика I 4 ( p ) :
(6.1)
Определяем изображение воздействия U 1 ( t ) :
![]()
![]()
Подставив в (6.1) требуемые формулы, получим:
![]()
Для нахождения оригинала, разложим дроби в последней формуле на простые:

Восстанавливаем оригинал отклика:

Подставляем числовые значения в i 4 ( t ) и упрощаем:

Окончательная формула для i 4 ( t ) соответствует y ( t ) выражения (2.4):
(6.2)
ВЫВОДЫ ПО РАБОТЕ
В процессе расчета курсовой работы проанализировали схему цепи первого порядка в частотной и временной областях.
Обобщая полученные результаты и анализируя АЧХ цепи можно сделать вывод, что исследуемая схема — фильтр низкой частоты.
В результате выполнения работы усвоили классический и операторный методы анализа цепей. Сравнение результатов обоих методов показывает, что расчеты выполнены верно. Также было установлена связь между временными, и частотными характеристиками.
ПЕРЕЧЕНЬ ССЫЛОК
1)Волощук Ю.И. Сигналы и процессы в радиотехнике: Учебник для студентов высших учебных заведений в 4-ч т.- Харьков: Компания Смит, 2003. – Т. 1:580 с.
2) Методичні вказівки до розрахункових завдань з курсів «Теорія електричних кіл», «Основи теорії кіл» для студентів спеціальності «Радіотехніка» / Упоряд.: Л.В. Грінченко, І.О. Мілютченко.– Харків: ХТУРЕ, 1999 – 44 c.
3) Конспект з лекцій «Основи теорії кіл», Ч. 1 /Упоряд.: Л.В. Гринченко, І.В. Мілютченко – Харків: ХНУРЄ, 2002. – 92 с.
4) Конспект з лекцій «Основи теорії кіл», Ч. 2 /Упоряд.: Л.В. Гринченко, І.В. Мілютченко – Харків: ХНУРЄ, 2002. – 116 с.