| Скачать .docx |
Реферат: Расчёт двухполупериодного источника питания.
Вариант N 8.
Домашнее контрольное задание N 3.
Расчёт двухполупериудного выпрямителя.
Цель расчета выпрямителей: определить токи и напряжения обмоток трансформатора, его мощность выбрать диоды и найти емкость конденсаторов фильтра. Надо отметить, что в большинстве случаев применяют простейшие фильтры в виде конденсатора большой емкости.
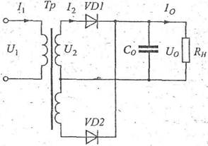
Схема.

Электрическая принципиальная схема двухполупериудного полупроводникового источника питания.
Расчётные значения.
Uc = 127B - сетевое напряжение;
fc ,= 50Гц- частота питающей сети;
U0 ,= 15B – постоянное напряжение на выходе выпрямителя;
I0, = 0.6А -ток на выходе выпрямителя;
КП= 3 % - коэффициент пульсаций;
Расчёт.
Расчётные формулы.
m=2 – число фаз выпрямления;
IB
=
– среднее значение выпрямленного тока вентиля;
UОБР. =
– обратное напряжение на вентиле;
IMAX
=
/2 максимальный ток ( амплитудное значение) вентиля;
RB = Ri + Rm - внутреннее сопротивление выпрямителя;
U2 =2BU0 – напряжение на вторичной обмотке трансформатора;
I2 = DI0 /2 – ток вторичной обмотки трансформатора;
IВД = DI0 /2 – действующее значение тока через вентиль;
РГАБ =1,7Р0 – габаритная мощность трансформатора;
1. Определяем внутреннее сопротивление вентиля.
IB
=
=0,6/2=0,3 А.
Uп=(0,1-1,1)/2=0,3 В.
Ri= 0,6/3×0,3=1 Ом.
2.Определяем внутреннее сопротивление обмоток трансформатора, приведенное ко вторичной обмотке:
![]()
,
Rm=2,15×
×
≈7,24 Ом.
3. Определяем основной расчетный коэффициент А.
А=
≈0,518.
Rв=Ri+Rm=1+7,24=8,24 Ом.
4.Определяем вспомогательные коэффициенты B , F , D .
Вспомогательные коэффициенты B, F, D определяются по графикам, приведенным в конце расчёта.
B=1,25 D=1,8 F=5
5. С помощью коэффициентов B , F , D , по расчётным формулам, проводим расчет всех указанных параметров выпрямителя.
UОБР
. =
Uобр. =2,28×1,8×15=61,56 B.
IMAX =
/2 Imax=5×0,6/2=1,5 A.
U2 =2BU0 U2=2×1,25×15=37,5 B.
I2 = DI0 /2 I2=1,8×0,6/2=0,54 A.
IВД = DI0 /2 Iвд=1,8×0,6/2=0,54 A.
РГАБ =1,7Р0 Pгаб=1,7×0,6×15=15,3 Вт.
Данным параметрам подходит диод КД221А имеющий следующие характеристики:
Iпр. и. max=1 А.
Iпр. ср. max=0,7 A.
Uобр. и. max=100 В.
Uобр. ср. max=100 В.
fmax=1 кГц.
6. Определяем емкость конденсатора фильтра.

Со≈
≈5239 мкФ.
Выбираем электролитический конденсатор удовлетворяющий параметрам расчёта:
Выбран конденсатор EPCOS В41458
6800 мкФ × 63 В.
