| Скачать .zip |
Реферат: Проектирование стабилизированного источника питания
МИНИСТЕРСТВО ОБРАЗОВАНИЯ
РОССИЙСКОЙ ФЕДЕРАЦИИ
ВОЛОГОДСКИЙ ГОСУДАРСТВЕННЫЙ
ТЕХНИЧЕСКИЙ УНИВЕРСИТЕТ
Кафедра
Автоматизации технологических процессов и производств
Курсовая работа
по
Электронике
Выполнил : Мишагин Дмитрий Николаевич Группа: ЗЭМИ – 41 Шифр: 9907302414
Дом. Адрес: 186420 Карелия
г. Сегежа
ул. Антикайнена д.13 кв. 73
ВОЛОГДА
2003
29
3. Расчет структурной схемы.
Uв, Iв
Uф, Iф
Uн, Iн
Uт, Iт
Uс, Iс
т![]()
Ст
Рис.3.1
3.1. Стабилизатор напряжения.
Напряжение на нагрузке
- максимальное выходное напряжение
- минимальное выходное напряжение
Где
- допустимое отклонение выходного напряжения источника питания.
= 9В – номинальное напряжение на выходе цепи
= 3% - отклонение напряжения на выходе цепи от номинального
Тогда
UН ДОП = 0,18 В
UН MAX = 9.18 B
UН MIN = 8.82 B
Напряжение на входе.
- максимальное входное напряжение
- минимальное входное напряжение
Где
- допустимое отклонение входного напряжения источника питания.
= 127В – номинальное напряжение на входе цепи
= 25% - отклонение напряжения на входе цепи от номинального
Тогда
UС ДОП = 31,75 В
UС MAX = 158.75 B
UС MIN = 95.25 B
Ток на нагрузке.
- минимальный ток нагрузки
- максимальный ток нагрузки
Где
RMAX = 5000 Ом – максимальное сопротивление нагрузки
RMIN = 3 Ом – минимальное сопротивление нагрузки
Тогда
0.0018 А
3.06 А
Фильтр
![]()
= 16,005 В
Где
UП = 0,005 В
КП = 0,1
![]()
Где 0,020,05 А – примерные потери в схеме компенсационного стабилизатора.
3,06 + 0,04=3,1 А
Применим П-образный фильтр и найдем напряжение падения на дросселе.
16,005*0,15 = 2,4 В
Выпрямитель.
= 18,405 В
А
где F = 5 7,5
IM_B = 0.5*6*3.1 = 9.3 A
где В =0,9 1,2
![]()
Выберем тип вентиля 2Д210А (4 шт), Uобр = 800В, I = 5A, Uпр = 1,2 В
Схема выпрямителя однофазная, мостовая.
Внутреннее сопротивление вентеля
0,62 Ом
Трансформатор.
Рассчитаем значение сопротивления обмоток трансформатора, приведенное к фазе вторичной обмотки:
![]()
Где
Вm – магнитная индукция в магнитопроводе, принимается равным <=1,5Тл.
Пусть Вm = 1,4Тл.
S = 1 – число стержней магнитопровода.
КТР = 3,5 – коэффициент, зависящий от схемы выпрямителя (у нас для однофазной мостовой схемы).
= 0,312 Ом
Полное активное сопротивление фазы выпрямителя
Rв = RТР + 2Ri = 0,312 + 2*0,62 = 1,552 Ом
Индуктивность рассеивания трансформатора

Где
KL = 5 * 10-3 - для однофазной мостовой схемы,

Основной расчетный параметр:
![]()
Где
m = 2 – число импульсов выпрямленного напряжения (для однофазной мост. схемы);
![]()
Угол сдвига за счет Ls
![]()
По графикам (рис. 3.2) находим вспомогательные коэффициенты: B, D, F



Рис. 3.2.
B = 1.2 D = 1.95 F = 5.3
По графику (рис. 3.3) находим вспомогательный коэффициент: H = 700

Рис. 3.3.
Напряжение вторичной обмотки трансформатора:
UТ = B*UВ = 1,2*18,405 = 22,086 В
Ток вторичной обмотки трансформатора:
IТ = 0,707*D*IВ = 0,707*1,95*3,1 = 4,27 А
Коэффициент трансформации:
КТР = UС/UТ = 127/22,086 = 5.75
Ток первичной обмотки трансформатора:
IС = IТ/КТР = 4,27/5,75 = 0,74 A
Типовая мощность:
РТИП = 0,707*В*D*IВ*UВ= 0,707*1,2*1,95*3,1*18,405 = 94,39 Вт
Защита.
Ток срабатывания защиты:
IЗАЩ = КЗАЩ * IН_MAX = 2*3,06 = 6,12 А.
Расчет принципиальной схемы.
Расчет трансформатора.
Уточним параметры: RТР и RВ:
По справочнику находим для значения РТИП = 94,39 Вт, f = 50 Гц находим Вm = 1,35 Тл
![]()
Где
Вm – магнитная индукция в магнитопроводе, принимается равным <=1,5Тл.
S = 1 – число стержней магнитопровода.
КТР = 3,5 – коэффициент, зависящий от схемы выпрямителя (у нас для однофазной мостовой схемы).
= 0,312 Ом
Полное активное сопротивление фазы выпрямителя
Rв = RТР + 2Ri = 0,312 + 2*0,62 = 1,552 Ом
Индуктивность рассеивания трансформатора

Где
KL = 5 * 10-3 - для однофазной мостовой схемы,

Основной расчетный параметр:
![]()
Где
m = 2 – число импульсов выпрямленного напряжения для однофазной мостовой схемы.
![]()
Угол сдвига за счет Ls
![]()
По графикам (рис. 3.2) находим вспомогательные коэффициенты: B, D, F
B = 1.15 D = 2 F = 5.1
По графику (рис. 3.3) находим вспомогательный коэффициент: H = 650
Напряжение вторичной обмотки трансформатора:
UТ = B*UВ = 1,15*18,405 = 22,166 В
Ток вторичной обмотки трансформатора:
IТ = 0,707*D*IВ = 0,707*2*3,1 = 4,774 А
Коэффициент трансформации:
КТР = UС/UТ = 127/22,166 = 5.73
Ток первичной обмотки трансформатора:
IС = IТ/КТР = 4,27/5,73 = 0,745 A
Типовая мощность:
РТИП = 0,707*В*D*IВ*UВ= 0,707*1,15*2*3,1*18,405 = 92,78 Вт
Определим размеры сердечника трансформатора
![]()
Где
QСТ – полное сечение стержня, на котором расположены обмотки,
Q0 – площадь окна сердечника, приходящаяся на обмотки одного стержня.
Вm = 1,35Тл – максимальная магнитная индукция в сердечнике трансформатора, s = 1 – число стержней трансформатора, на которых расположены обмотки,
f = 50 Гц
Из справочника выбираем для броневых и стержневых трансформаторов из стали Э320 (f = 50 Гц):
= 2,5А/мм2 – плотность тока в обмотках,
= 0,88 – зависимость КПД трансформатора от мощности, для
kМ = 0,3 – коэффициент заполнения окна медью обмотки,
kС=0,93 – коэффициент заполнения сечения сердечника сталью с толщиной ленты = 0,35 мм.
Таким образом
см4
выбираем магнитопровод ШЛ2525, сталь Э320,
Q0 = 16 см2
QСТ = 6,04 см2
Q0 = 5,6 см2 – активное сечение стали
G = 0,9 кг – масса магнитопровода
Рассчитаем число витков обмоток.

Рассчитаем диаметры проводов.
мм
мм
Из справочника выбираем ближайшие обмоточные провода ПЭВ-2 – провод медный, круглого сечения, изолированный лаком ВЛ-931, с изоляцией нормальной толщины.
d1 = 0,62 (с изоляцией = 0,69) мм
d2 = 1,56 (с изоляцией = 1,67) мм
Расчет фильтра.
Определим значение емкости фильтра:
![]()
Выбираем П-образный фильтр. Коэффициент пульсации на входе фильтра:
![]()
Где С1 = С = 10000 мкФ
Коэффициент сглаживания фильтра
![]()
Индуктивность дросселя L1
![]()
С2 = 10000 мкФ
Расчет стабилизатора.
Структурная схема стабилизатора напряжения (рис.4.3.1.)
От выпрямителя
К нагрузке
UBЫХ
Транзисторный
усилитель
![]()
![]()
UB
![]()
Источник опроного напряжения
Усилитель
сигнала ошибки
Делитель
напряжения
![]()
![]()
Рис. 4.3.1.
Выходное напряжение UВЫХ стабилизатора через делитель напряжения поступает на усилитель сигнала ошибки, где сравнивается с выходным напряжением источника опорного напряжения. С выхода усилителя сигнала ошибки напряжение через транзисторный усилитель мощности поступает на выход стабилизатора.
Транзисторный усилитель.
Транзисторный усилитель является силовым элементом, усиливающим сигнал с выхода усилителя сигнала ошибки. Основная его задача – согласование по мощности нагрузки стабилизатора напряжения и маломощного усилителя сигнала ошибки. Выбор транзистора производится по току нагрузки IН, максимальному напряжению на выходе UВ_MAX. Рассеиваемая мощность транзистора с радиатором должна быть не менее IН* UВ_MAX.
В
Вт
Выбираем транзистор 2Т819А: Ркmax = 100 Вт, UK = 80 B, Ikmax = 15A, h21 = 20.
Данный транзистор не подходит по току базы, т.к. нам не найти ОУ с токовым выходом больше тока базы (
)
, поэтому применим составной транзистор состоящий из 2Т819А(VT1) и КТ630Е(VT2) (Ркmax = 0,8 Вт, UK = 50 B, Ikmax = 1A, h21 = 300).
![]()
Необходимый базовый ток будет обеспечивать резистор R5.
![]()
Выбираем R5 = 8.2кОм
Усилитель сигнала ошибки.
Усилитель сигнала ошибки собираем на ОУ, выбираем ОУ К153УД2 у которого UПИТmin = 2, IВЫХ = 0,5мА
Источник опорного напряжения.
Источник опорного напряжения должен формировать стабильное напряжение на входе усилителя ошибки. Стабильность источника опорного напряжения определяет качественные показатели стабилизатора, т.к. любые колебания опорного напряжения однозначно проявляются на выходе схемы. По сути источник опорного напряжения является маломощным высококачественным параметрическим стабилизатором напряжения.
Состоит он резистора R4 и стабилитрона VD1
Стабилитрон выбираем так, чтобы UСТ < UH (на 2-3 вольта) и (температурный коэффициент напряжения стабилизации) был как можно меньшим.
Выбираем: КС162А: UCT = 6.2 B, ICT = 10 мA, RCT = 35 Ом.
резистор
Ом
Вт
Выбираем резистор МЛТ-0,125 – 910 Ом.
Делитель напряжения.
Делитель напряжения обеспечивает согласование заданного выходного напряжения и выбранного опорного. Коэффициент деления рассчитывается по уравнению:
![]()
Коэффициент деления схемы зависит от положения движка подстроечного резистора R2.
![]()
![]()
Он используется для точной установки коэффициента деления в процессе настройки источника питания.
Пусть R1 = 800 Ом, R2 = 1,2 кОм, R3 = 2 кОм.
мА
мВт
Выбираем резистор R1 МЛТ-0,125 – 820 Ом
мВт
Выбираем подстроечный резистор R2 С5-17-0,125 – 1,2 кОм
мВт
Выбираем резистор R3 МЛТ-0,125 – 2 кОм
Проверяем:
= 0,5
= 0.8
Расчет защиты.
Защита от перенапряжения необходима при выходе из строя силового транзистора стабилизатора. В этом случае высокое напряжение с выхода выпрямителя попадает на нагрузку, которое на длительное перенапряжение не рассчитано. Схема защиты выполнена на транзисторе VT3 и шунте - резисторе R6. как только нагрузка достигает заданного максимально допустимого значения, падение напряжения на шунте вызывает открытие транзистора VT3. Транзистор открывается и шунтирует переход база-эмиттер силового транзистора усилительного каскада. Это приводит к уменьшению тока через VT1.
Ом
Вт
Выбираем резистор R6: KNP300 – 0.24 Ом
Транзистор VT3 выбираем КТ630Е.
Для окончательного сглаживания на выходе стабилизатора включим конденсатор С3 К50 35 220 на 10В.
5. Моделирование.
Моделирование стабилизированного источника питания производилось при помощи САПР «Electronics Workbench 5.0». Принципиальная схема промоделированного источника питания приведена в Приложение 1, спецификация в Приложении 2.
6. Разработка конструкции.
Заключение.
Спроектированное и рассчитанное устройство, содержащее реальные компоненты, было продемонстрировано на САПР – «Electronics Workbench 5.0». Результаты моделирования показали, что спроектированное устройство соответствует требованиям технического задания и может быть смонтировано по данной принципиальной схеме.
Список литературы.
Источники электропитания радиоэлектронной аппаратуры: Справочник/ Г.С. Найвельт, К.Б. Мазель, Ч.И. Хусаинов и др.; Под ред. Г.С. Найвельта. – М.: Радио и связь, 1986. – 576 с. ил.
Проектирование источника электропитания. Методические указания к курсовому проектированию по дисциплине «Основы электроники». – Вологда. ВоГТУ. 2002. – 44 с.
Трейстер Р., Мейо Дж. 44 источника электропитания для любительских электронных устройств: Пер. с англ. – М.: Энергоатомиздат, 1990. – 288 с.: ил.
Устройство электропитания бытовой РЭА: Справочник/ И.Н. Сидоров, М.Ф. Васильев. – М.: Радио и связь, 1991. – 473 с.: ил.
Шульгин О.А., Шульгина И.Б. Воробьев А.Б. Справочник о полупроводниковым приборам, аналоговым микросхемам на СD-ROM.; version 1.02
14
Оглавление.
| Техническое задание ………………………………………………………. | 3 | |
| Введение ……………………………………………………………………. | 4 | |
| 1. | Аналитический обзор ………………………………………………… | 5 |
| 1.1. Линейные источники питания ……………………………………. | 5 | |
| 1.2. Стабилизаторы линейных источников питания …………………. | 7 | |
| 1.2.1. Параметрические стабилизаторы ………………………….. | 7 | |
| 1.2.2. Компенсационные стабилизаторы ………………………… | 8 | |
| 1.3. Импульсные источники питания …………………………………. | 9 | |
| 1.3. Выбор схемы источника питания ………………………………… | 10 | |
| 2. | Разработка структурной схемы ……………………………………….. | 11 |
| 3. | Расчет структурной схемы ……………………………………………. | 15 |
| 3.1. Стабилизатор напряжения ………………………………………. | 15 | |
| 3.2. Фильтр ……………………………………………………………… | 16 | |
| 3.3. Выпрямитель ………………………………………………………. | 17 | |
| 3.4. Трансформатор …………………………………………………….. | 17 | |
| 3.5. Защита ……………………………………………………………… | 19 | |
| 4. | Расчет принципиальной схемы ………………………………………. | 20 |
| 4.1 Расчет трансформатора …………………………………………… | 20 | |
| 4.2 Расчет фильтра ……………………………………………………... | 23 | |
| 4.3 Расчет стабилизатора ………………………………………………. | 23 | |
| 4.3.1. Транзисторный усилитель …………………………………. | 24 | |
| 4.3.2. Усилитель сигнала ошибки ………………………………… | 24 | |
| 4.3.3. Источник опорного напряжения …………………………… | 25 | |
| 4.3.4. Делитель напряжения ………………………………………. | 25 | |
| 4.4. Расчет защиты ……………………………………………………... | 26 | |
| 5. | Моделирование ………………………………………………………… | 27 |
| 6. | Разработка конструкции ………………………………………………. | 27 |
| 7. | Заключение …………………………………………………………….. | 28 |
| Список литературы ………………………………………………………… | 29 | |
| Приложения ………………………………………………………………… | 30 | |
Техническое задание.
Проектирование стабилизированного источника питания, обеспечивающего поддержание постоянного напряжения заданного уровня на нестабильной нагрузке.
Напряжение питающей сети переменного тока (номинальное) | UС = 127 В |
Отклонение напряжения питающей сети от номинального в процентах | UС = 25 % |
Номинальное выходное напряжение источника питания | UН = 9 В |
Допустимое отклонение от номинального выходного напряжения источника питания | UН = 3 % |
Минимальное сопротивление нагрузки | RН MIN = 3 Ом |
Максимальное сопротивление нагрузки | RH MAX = 5000 Ом |
Частота питающей цепи | f = 50 Гц |
Коэффициент срабатывания защиты по току | КЗАЩ = 2 |
Введение.
Неотъемлемой частью любого радиотехнического устройства является источник электропитания.
Для питания постоянным током электронных управляющих, измерительных и вычислительных устройств применяют источники питания малой мощности, которые обычно получают энергию от однофазной цепи переменного тока. Такие источники питания в настоящее время строятся как по традиционной схеме с выпрямителем, подключенным к сети через трансформатор, так и по схеме с бестрансформаторным входом, работа которой основана на многократном преобразовании электрической энергии.
Сейчас выпускаемая аппаратура становится все сложнее, к ней предъявляются более строгие требования и при этом возрастает количество элементов. Следовательно, на первый план выходят вопросы, связанные с качеством питания этой аппаратуры. Кроме того, каждый прибор имеет свои требования к источнику питания.
1. Аналитический обзор.
Первая проблема, с которой сталкиваются при конструировании любых устройств — это проблема электропитания.
При выборе и разработке источника питания (далее ИП) необходимо учитывать ряд факторов, определяемых условиями эксплуатации, свойствами нагрузки, требованиями к безопасности и т.д.
В первую очередь, конечно, следует обратить внимание на соответствие электрических параметров ИП требованиям питаемого устройства, а именно:
• напряжение питания;
• потребляемый ток;
• требуемый уровень стабилизации напряжения питания;
• допустимый уровень пульсации напряжения питания. Немаловажны и характеристики ИП. влияющие на его эксплуатационные качества:
• наличие систем защиты;
• массогабаритные размеры.
Являясь неотъемлемой частью радиоэлектронной аппаратуры, средства вторичного электропитания должны жестко соответствовать определенным требованиям, которые определяются как требованиями к самой аппаратуре в целом, так и условиями предъявляемыми к источникам питания и их работе в составе данной аппаратуры. Любой из параметров ИП, выходящий за границы допустимых требований, вносит диссонанс в работу устройства. Поэтому, прежде чем начинать сборку ИП к предполагаемой конструкции, внимательно проанализируйте все имеющиеся варианты и выберите такой ИП, который будет максимально соответствовать всем требованиям и вашим возможностям.
Существует четыре основных типа сетевых источников питания:
• бестрансформаторные, с гасящим резисторомили конденсатором.
• линейные, выполненные по классической схеме:
понижающий трансформатор - выпрямитель - фильтр - стабилизатор.
• вторичные импульсные: понижающий трансформатор -фильтр - высокочастотный преобразователь 20-400 кГц.
• импульсный высоковольтный высокочастотный:
фильтр - выпрямитель ~220 В - импульсный высокочастотный преобразователь 20-400кГц.
Линейные источники питания
Отличаются предельной простотой и надежностью, отсутствием высокочастотных помех. Высокая степень доступности комплектующих и простота изготовления делает их наиболее привлекательными для повторения начинающими радиоконструкторами. Кроме того, в некоторых случаях немаловажен и чисто экономический расчет — применение линейных ИП однозначно оправдано в устройствах, потребляющих до 500 мА, которые требуют достаточно малогабаритных ИП. К таким устройствам можно отнести:
• зарядные устройства для аккумуляторов;
• блоки питания радиоприемников, АОНов, систем сигнализации и т.д.
Некоторые конструкции, не требующие гальванической развязки с промышленной сетью, можно питать через гасящий конденсатор или резистор, при этом потребляемый ток может достигать сотен мА.
Эффективность и рациональность применения линейных ИП значительно снижается при токах потребления более 1 А. Причинами этого являются следующие явления:
• колебания сетевого напряжения сказываются на коэффициенте стабилизации;
• на входе стабилизатора приходится устанавливать напряжение, которое будет заведомо выше минимально допустимого при любых колебаниях напряжения в сети, а это значит, что когда эти колебания высоки. необходимо устанавливать завышенное напряжение, что в свою очередь влияет на проходной транзистор (неоправданно большое падение напряжения на переходе, и как следствие — высокое тепловыделение);
• большой потребляемый ток требует применения габаритных радиаторов на выпрямляющих диодах и регулирующем транзисторе, ухудшает тепловой режим и габаритные размеры устройства в целом.
В настоящее время традиционные линейные источники питания все больше вытесняются импульсными. Однако, несмотря на это, они продолжают оставаться весьма удобным и практичным решением в большинстве случаев радиолюбительского конструирования (иногда и в промышленных устройствах). Причин тому несколько: во-первых, линейные источники питания конструктивно достаточно просты и легко настраиваются, во-вторых, они не требуют применения дорогостоящих высоковольтных компонентов и, наконец, они значительно надежнее импульсных ИП.
Типичный линейный ИП содержит в своем составе:
сетевой понижающий трансформатор
диодный мост с фильтром
стабилизатор, который преобразует нестабилизированное напряжение, получаемое со вторичной обмотки трансформатора через диодный мост и фильтр, в выходное стабилизированное напряжение, причем, это выходное напряжение всегда ниже нестабилизированного входного напряжения стабилизатора.
Основным недостатком такой схемы является низкий КПД и необходимость резервирования мощности практически во всех элементах устройства (т.е. требуется установка компонентов допускающих большие нагрузки, чем предполагаемые для ИП в целом, например, для ИП мощностью 10 Вт требуется трансформатор мощностью не менее 15 Вт и т.п.). Причиной этого является принцип по которому функционируют стабилизаторы линейных ИП. Он заключается в рассеивании на регулирующем элементе некоторой мощности
Ppac = Iнагр * (Uвх - Uвых)
Из формулы следует, что чем больше разница между входным и выходным напряжением стабилизатора, тем большую мощность необходимо рассеивать на регулирующем элементе. С другой стороны, чем более нестабильно входное напряжение стабилизатора, и чем больше оно зависит от изменения тока нагрузки, тем более высоким оно должно быть по отношению к выходному напряжению. Таким образом видно, что стабилизаторы линейных ИП функционируют в достаточно узких рамках допустимых входных напряжений, причем эти рамки еще сужаются при предъявлении жестких требований к КПД устройства. Зато достигаемые в линейных ИП степень стабилизации и подавление импульсных помех намного превосходят другие схемы.
1.2. Стабилизаторы линейных источников питания.
1.2.1. Параметрические стабилизаторы
Основаны на использовании особенностей вольт - амперных характеристик некоторых полупроводниковых приборов — в основном, стабилитронов. Их отличает высокое выходное сопротивление. невысокий уровень стабилизации и низкий КПД. Такие стабилизаторы применяются только при малых нагрузках, обычно — как элементы схем (например, в качестве источников опорного напряжения).
Основа простейшего параметрического стабилизатора (рис.1.1.) - цепочка из резистора R1 и стабилитрона VD1.

Рис. 1.1.
Стабилитрон - это специальный диод, включенный в обратной полярности и работающий в режиме лавинного обратимого пробоя. Если повышать обратное напряжение на стабилитроне, то сначала ток будет небольшим, а по достижении напряжения стабилизации (об этом указывается в справочных данных) резко возрастет. Чтобы ограничить возрастание тока через стабилитрон, его включают через резистор R1 (это так называемый балластный резистор). Рассчитывают ток через стабилитрон по формуле I = (Uвх - Uст)/R. Таким образом, входное напряжение должно быть всегда больше выходного, стабилизированного.
При питании маломощных устройств часто обходятся таким простейшим стабилизатором, снимая выходное напряжение со стабилитрона. При расчете по данной формуле ток I должен включать в себя как ток стабилитрона (обычно 5...20 мА), так и ток нагрузки (такого же порядка).
При большем токе нагрузки используют дополнительный транзистор VT1, включенный как эмиттерный повторитель (рис. 1.2.).

Рис. 1.2.
Он "повторяет" на нагрузке стабилизированное напряжение базы. Выходное напряжение Uст примерно на 0,7 В (падение напряжения на переходе база-эмиттер) меньше паспортного напряжения стабилизации стабилитрона. При больших токах нагрузки используют составной транзистор.
Главные недостатки данного стабилизатора – низкий коэффициент стабилизации 20-50 и низкий КПД 20-30%
1.2.2. Компенсационные стабилизаторы.
С
табилизаторы компенсационного типа характеризуются тем, что напряжение на выходе остается практически неизменным при изменении входного напряжения или тока нагрузки в результате воздействия цепи отрицательной обратной связи на регулирующий элемент схемы. Таким образом, принципиальным отличием компенсационного стабилизатора от параметрического является наличие в схеме отрицательной обратной связи (рис. 1.3.).
Рис. 1.3
На рисунке приведена блок-схема компенсационного стабилизатора, состоящего из трех элементов:
регулирующего 1,
измерительного 2
усилительного 3.
Элемент 1 представляет собой регулируемое активное (для стабилизаторов постоянного тока) и реактивное нелинейное (для стабилизаторов переменного тока) сопротивление, включенное последовательно с нагрузкой. Элемент 2 фиксирует отклонение напряжения на выходе стабилизатора от некоторого эталонного напряжения. Элемент 3 усиливает изменение выходного напряжения и воздействует на регулирующий элемент, изменяя его сопротивление и поддерживая этим постоянство выходного напряжения с высокой степенью точности.
1.3. Импульсные источники питания.
В отличие от традиционных линейных ИП, предполагающих гашение излишнего нестабилизированного напряжения на проходном линейном элементе, импульсные ИП используют иные методы и физические явления для генерации стабилизированного напряжения, а именно: эффект накопления энергии в катушках индуктивности, а также возможность высокочастотной трансформации и преобразования накопленной энергии в постоянное напряжение. Существует три типовых схемы построения импульсных ИП:
повышающая (выходное напряжение выше входного),
понижающая (выходное напряжение ниже входного),
инвертирующая (выходное напряжение имеет противоположную по отношению к входному полярность).
Отличаются они лишь способом подключения индуктивности, в остальном, принцип работы остается неизменным, а именно.
Ключевой элемент (обычно применяют биполярные или МДП транзисторы), работающий с частотой порядка 20-100 кГц, периодически на короткое время (не более 50% времени) прикладывает к катушке индуктивности полное входное нестабилизированное напряжение. Импульсный ток. протекающий при этом через катушку, обеспечивает накопление запаса энергии в её магнитном поле 1/2LI^2 на каждом импульсе. Запасенная таким образом энергия из катушки передастся в нагрузку (либо напрямую, с использованием выпрямляющего диода, либо через вторичную обмотку с последующим выпрямлением), конденсатор выходного сглаживающего фильтра обеспечивает постоянство выходного напряжения и тока. Стабилизация выходного напряжения обеспечивается автоматической регулировкой ширины или частоты следования импульсов на ключевом элементе (для слежения за выходным напряжением предназначена цепь обратной связи).
Такая, хотя и достаточно сложная, схема позволяет существенно повысить КПД всего устройства. Дело в том, что, в данном случае, кроме самой нагрузки в схеме отсутствуют силовые элементы, рассеивающие значительную мощность. Ключевые транзисторы работают в режиме насыщенного ключа (т.е. падение напряжения на них мало) и рассеивают мощность только в достаточно короткие временные интервалы (время подачи импульса). Помимо этого, за счет повышения частоты преобразования можно существенно увеличить мощность и улучшить массогабаритные характеристики.
Важным технологическим преимуществом импульсных ИП является возможность построения на их основе малогабаритных сетевых ИП с гальванической развязкой от сети для питания самой разнообразной аппаратуры. Такие ИП строятся без применения громоздкого низкочастотного силового трансформатора по схеме высокочастотного преобразователя. Это, собственно, типовая схема импульсного ИП с понижением напряжения, где в качестве входного напряжения используется выпрямленное сетевое напряжение, а в качестве накопительного элемента — высокочастотный трансформатор (малогабаритный и с высоким КПД), со вторичной обмотки которого и снимается выходное стабилизированное напряжение (этот трансформатор обеспечивает также гальваническую развязку с сетью).
К недостаткам импульсных ИП можно отнести: наличие высокого уровня импульсных шумов на выходе, высокую, сложность и низкую надежность (особенно при кустарном изготовлении), необходимость применения дорогостоящих высоковольтных высокочастотных компонентов, которые в случае малейшей неисправности легко выходят из строя "всем скопом" (при этом. как правило, можно наблюдать впечатляющие пиротехнические эффекты). Любителям покопаться во внутренностях устройств с отверткой и паяльником при конструировании сетевых импульсных ИП придется быть крайне осторожными, так как многие элементы таких схем находятся под высоким напряжением.
1.4. Выбор схемы источника питания.
В нашем случае ток потребления лежит в пределах
![]()
Этот диапазон в основном попадает в область использования линейных ИП и лишь при использовании нагрузки сопротивлением меньше 9 Ом выходит за пределы эффективность применения линейных источников питания, но простота исполнения и наладки линейных источников питания по отношению к импульсным ИП говорит в пользу использования линейного ИП.
Разработка структурной схемы.
Исходя из заданных требований к разрабатываемому источнику питания, вполне оправданным является использование типичного линейного ИП. Разработаем структурную схему и дадим разъяснение блокам структурной схемы.
Структурная схема линейного ИП изображена на рис. 2.1 содержит в своем составе:
сетевой понижающий трансформатор (Тр),
выпримитель (В)
фильтр (Ф)
стабилизатор (Ст), который преобразует нестабилизированное напряжение, получаемое со вторичной обмотки трансформатора через диодный мост и фильтр, в выходное стабилизированное напряжение, причем, это выходное напряжение всегда ниже нестабилизированного входного напряжения стабилизатора.
![]()
Ст
Рис.2.1
Трансформатором называется статический электромагнитный аппарат, преобразующий электрическую энергию переменного тока одной системы в электрическую энергию переменного тока другой системы с иными параметрами.
Принцип действия трансформатора основан на электромагнитном взаимодействии двух или нескольких электрически несвязанных и неподвижных друг относительно друга обмоток. Если одну из обмоток присоединить к сети переменного тока, то под действием переменного магнитного поля в другой обмотке, магнитно связанно с первой, индукцирется ЭДС. Для улучшения магнитной связи между обмотками служит стальной магнитопровод, собранный из пластин специальной электротехнической стали.
По своей конструкции маломощные трансформаторы весьма разнообразны. Их можно различать по виду сердечника, обмотки, особенности конструкции.
Материалом сердечников силовых трансформаторов обычно является листовая электротехническая сталь различных марок и толщины. Уменьшение толщины листа приводит к уменьшению потерь от вихревых токов. При увеличении содержания кремния в стали также снижаются потери мощности на вихревые токи и гистерезис в сердечнике трансформатора.

Рис. 2.2.
На рис. 2.2 приведены сердечники трансформаторов броневого — (а, б) и стержневого — (в) типов. Участки 1 сердечника, на которых размещены обмотки трансформаторов, называются стержнями, а участки 2, свободные от обмоток и соединяющие стержни в единую конструкцию, называются ярмами.
Наиболее распространенным сердечником в трансформаторах малой мощности является броневой. Этот сердечник обычно набирается из отдельных Ш-образных пластин, полученных штамповкой. Для уменьшения вихревых токов пластины изолируются друг от друга слоем лака или оксидной пленкой.
В броневых сердечниках обмотка размещается на среднем стержне. Магнитный поток при этом разветвляется на правую и левую части, и, таким образом, в крайних стержнях его величина будет в 2 раза меньше, чем в среднем. Поэтому сечение крайних стержней вдвое меньше сечения среднего.
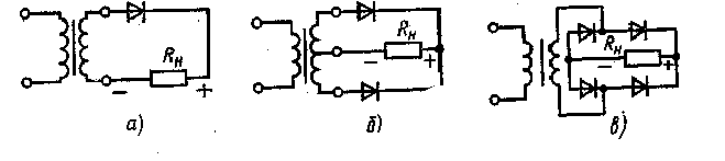
Выпрямителями называют устройства, предназначенные для преобразования переменного тока в постоянный (выпрямления переменного тока), которые служат источниками питания электронных схем автоматики, регулируемого привода и автоматических систем управления технологическими процессами. В зависимости от используемых элементов различают полупроводниковые (диодные или тиристорные) и кенотронные, газотронные и тиратронные выпрямители. В зависимости от числа фаз, а также характера нагрузки выпрямителя и требований к пульсации выпрямленного тока схемы выпрямления бывают однофазные, трехфазные и многофазные и отличаются количеством плеч. Под плечом понимают совокупность обмотки трансформатора и включенных последовательно с ней выпрямляющих приборов. На рис. 2.3. изображены наиболее распространенные схемы выпрямителей.
Рис. 2.3.
В однофазной однополупериодной схеме (а) используется только часть мощности трансформатора, выпрямленное напряжение имеет большую переменную составляющую, к диоду приложено высокое обратное напряжение и, следовательно, выпрямитель обладает низким кпд.
Основным преимуществом однополупериодной схемы является простота. К недостаткам можно отнести: большие габариты и масса трансформатора, большой коэффициент пульсаций.
Однофазная двухполупериодная схема выпрямления (б), имеет следующие преимущества по сравнению с однополупериодной: меньшие габариты трансформатора, в два раза меньший ток текущий через вентиль, частота пульсаций выпрямленного напряжения вдвое меньше, что приводит к уменьшению габаритов сглаживающего фильтра. Недостатки -необходимость среднего вывода обмотки трансформатора, использование 2 вентилей вместо одного.
Однофазная мостовая схема выпрямления (в). К преимуществам этой схемы можно отнести: малая мощность трансформатора, его малые габариты и масса, малое обратное напряжение на вентиле. К недостаткам данной схемы можно отнести: использование 4 вентилей вместо одного или 2, большое внутреннее сопротивление выпрямителя.
Пульсации выпрямленного напряжения ухудшают или делают совершенно невозможной работу радиоэлектронных устройств. Так, например, пульсации выходного напряжения выпрямителей, питающих каскады передатчиков, приемников, усилителей, являются причиной фона — звуковых колебаний с частотой пульсаций. В электронно-лучевых трубках пульсации могут вызывать периодическое изменение яркости свечения, появление на экране трубки сетки, полос и т. д. Наличие пульсаций может привести к ложному срабатыванию автоматических устройств и механизмов. Поэтому на выходе выпрямителя необходим сглаживающий фильтр, доводящий пульсации выпрямленного напряжения до допустимой величины, практически не влияющей на работу радиоэлектронных устройств.
Кроме основного требования — обеспечения необходимого сглаживания —к фильтру предъявляется еще ряд дополнительных:
фильтр не должен вносить заметных искажений в работу нагрузки, что особенно важно при импульсном характере нагрузки,
фильтр не должен создавать значительных перенапряжений, бросков тока при включении и выключении выпрямителя или его нагрузки, во избежание возникновения резонансных явлений, приводящих к резкому возрастанию пульсаций выпрямленного напряжения,
собственная частота фильтра в целом и отдельных его звеньев должна резко отличаться от основной частоты пульсаций потери мощности и падение постоянной составляющей напряжения в фильтре, должны быть минимальными,
высокая надежность работы, малые габариты, масса и стоимость
Основными видами фильтров являются индуктивный (рис.2.4), емкостный (рис. 2.5) и емкостно-индуктивные, которые в свою очередь делятся на Г-образные, П –образные и многозвеньевые и представляют собой комбинацию индуктивный и емкостных фильтров.

Рис. 2.4

Рис.2.5
Стабилизаторами напряжения (тока) называются устройства, автоматически поддерживающие напряжение (ток) на нагрузке с заданной степенью точности.
Основными дестабилизирующими факторами, вызывающими изменение напряжения (ток) являются: колебания питающих напряжений, изменения потребляемой нагрузкой мощности, колебания частоты сети переменного тока и т.д.
При изменениях напряжения сети и тока нагрузки выходное напряжение выпрямителя изменяется, причем иногда значительно. В ряде случаев это вполне допустимо, а вот, скажем, для радиоприемников, генераторов и других радиоэлектронных устройств напряжение должно быть стабильным при изменении тока нагрузки. Здесь без стабилизатора не обойтись. Одновременно этот прибор выполняет и другую функцию - снижает до минимума пульсации питающего напряжения.
14