| Скачать .docx |
Реферат: Анализ и синтез систем автоматического управления и исследование нелинейной системы
СОДЕРЖАНИЕ
1.1 Определение передаточной функции разомкнутой и замкнутой САУ. 4
1.1.1 Преобразование структурной схемы САУ к эквивалентной. 4
1.1.2 Разбиение на вещественную и мнимую составляющие передаточной функции разомкнутой системы. 6
1.1.3 Разбиение на мнимую и вещественную составляющие передаточной функции замкнутой системы. 7
1.2 Построение частотных характеристик исходной САУ.. 8
1.2.1 Частотные характеристики разомкнутой исходной системы. 8
1.2.2 Частотные характеристики замкнутой исходной системы. 13
1.3 Анализ устойчивости САУ. 18
1.3.5 Построение области устойчивости САУ. 23
1.4 Построение переходного процесса системы методом трапеций. 26
1.5 Определение параметров и построение желаемой ЛАЧХ.. 31
1.5.1 Параметры для построения исходной ЛАЧХ. 31
1.5.2 Параметры для построения желаемой ЛАЧХ. 32
1.6 Определение передаточной функции корректирующего устройства. 35
1.7 Построение переходного процесса с использованием ПЭВМ.. 36
2 Исследование нелинейной системы. 39
2.1 Построение фазового портрета нелинейной САУ.. 40
2.2 Оценка устойчивости нелинейной САУ по критерию В.М. Попова. 42
1 АНАЛИЗ И СИНТЕЗ САУ
1.1 Определение передаточной функции разомкнутой и замкнутой САУ.
1.1.1 Преобразование структурной схемы САУ к эквивалентной .
Исходная схема имеет вид:
Буквенным обозначениям параметров соответствуют следующие числовые значения:
K2 = 5;
K3 = 2;
K4 = 0.1;
T1 = 0.02;
T2 = 0.04;
T3 = 0.12.
Пользуясь методами эквивалентного преобразования схем, преобразуем звенья, находящиеся внутри петли обратной связи, в одно, обладающее передаточной функцией разомкнутой системы
. Так как обратная связь не является единичной, следует это учесть, домножив передаточную функцию на коэффициент K4
.


Раскрывая скобки, получаем следующий вид этой передаточной функции:
![]()
Определяем передаточную функцию замкнутой системы, учтя замкнутую петлю обратной связи и то, что, при вычислении передаточной функции разомкнутой системы, происходило дополнительное домножение на K4 :


1.1.2 Разбиение на вещественную и мнимую составляющие передаточной функции разомкнутой системы.
![]()
Производим замену переменной s на j·w:

Для удобства работы по разбиению передаточной функции на вещественную и мнимую составляющие, обозначим слагаемые знаменателя буквами и производим необходимые действия:

,
откуда

.

1.1.3 Разбиение на мнимую и вещественную составляющие передаточной функции замкнутой системы.
![]()
Производим замену переменной s на j·w.

Для удобства работы по разбиению передаточной функции на вещественную и мнимую составляющие, заменим слагаемые знаменателя буквами и произведём с ними необходимые действия:
;
,
откуда


1.2 Построение частотных характеристик исходной САУ
Построение частотных характеристик выполняется в среде MathCAD.
1.2.1 Частотные характеристики разомкнутой исходной системы.
Амплитудно-фазо-частотная характеристика.
ω ∈ (0 ; 1000)

Рисунок 1.2.1.1 — АФЧХ разомкнутой системы
Таблица 1.2.1.1 — Данные для построения АФЧХ разомкнутой системы
| ω |
0 |
2 |
6 |
10 |
20 |
40 |
60 |
80 |
100 |
| Up (ω) |
1 |
0.908 |
0,437 |
0.068 |
-0.171 |
-0.084 |
-0.032 |
-0.013 |
-0.006 |
| Vp (ω) |
0 |
-0.337 |
-0.650 |
-0.579 |
-0.220 |
-0.008 |
0.011 |
0.009 |
0.006 |
Амплитудно-частотная характеристика.
![]()
ω ∈ (0 ; 100)

Рисунок 1.2.1.2 — АЧХ разомкнутой системы
Таблица 1.2.1.2 — Данные для построения АЧХ разомкнутой системы
| ω |
0 |
10 |
20 |
30 |
40 |
50 |
60 |
80 |
100 |
| Up (ω) |
1 |
0.583 |
0.279 |
0.147 |
0.084 |
0.052 |
0.034 |
0.016 |
0.009 |
Фазо-частотная характеристика.
![]()
ω ∈ (0 ; 100)

Рисунок 1.2.1.3 — ФЧХ разомкнутой системы
Таблица 1.2.1.3 — Данные для построения ФЧХ разомкнутой системы
| ω |
0 |
10 |
20 |
30 |
40 |
50 |
60 |
80 |
100 |
| φp (ω),рад. |
0 |
-1.454 |
-2.231 |
-2.716 |
-3.052 |
-3.298 |
-3.485 |
-3.747 |
-3.921 |
Логарифмическая амплитудно-частотная характеристика.
![]()
ω ∈ (0,1 ; 1000)

Рисунок 1.2.1.4 — ЛАЧХ разомкнутой системы
Таблица 1.2.1.4 — Данные для построения ЛАЧХ разомкнутой системы
| ω |
0.1 |
1 |
4 |
10 |
20 |
60 |
100 |
400 |
1000 |
| Lр (ω), дБ |
-0.00 |
-0.07 |
-1.04 |
-4.69 |
-11.09 |
-29.40 |
-40.91 |
-151.71 |
-199.32 |
Логарифмическая фазо-частотная характеристика.
ω ∈ (0,1 ; 1000)

Рисунок 1.2.1.5 — ЛФЧХ разомкнутой системы
Таблица 1.2.1.5 — Данные для построения ЛФЧХ разомкнутой системы
| ω |
0.1 |
1 |
4 |
10 |
20 |
40 |
60 |
100 |
1000 |
| Lp (ω), рад. |
-0.018 |
-0.179 |
-0.686 |
-1.454 |
-2.231 |
-3.05 |
-3.485 |
-3.92 |
-4.63 |
1.2.2 Частотные характеристики замкнутой исходной системы.
Амплитудно-фазо-частотная характеристика.
ω ∈ (0 ; 1000)

Рисунок 1.2.2.1 — АФЧХ замкнутой системы
Таблица 1.2.2.1 — Данные для построения АФЧХ замкнутой системы
| ω |
0 |
2 |
6 |
10 |
20 |
40 |
60 |
100 |
200 |
| Uз (ω) |
5 |
4.917 |
4.224 |
2.763 |
-1.268 |
-0.917 |
-0.328 |
-0.064 |
-0.005 |
| Vз (ω) |
0 |
-0.898 |
-2.614 |
-3.923 |
-2.994 |
-0.090 |
-0.122 |
0.064 |
0.011 |
Амплитудно-частотная характеристика.
![]()
ω ∈ (0 ; 100)

Рисунок 1.2.2.2 — АЧХ замкнутой системы
Таблица 1.2.2.2 — Данные для построения АЧХ замкнутой системы
| ω |
0 |
10 |
20 |
30 |
40 |
50 |
60 |
80 |
100 |
| Uз (ω) |
5 |
4.798 |
3.251 |
1.692 |
0.922 |
0.548 |
0.350 |
0.166 |
0.091 |
Фазо-частотная характеристика.
![]()
ω ∈ (0 ; 100)

Рисунок 1.2.2.3 — ФЧХ замкнутой системы
Таблица 1.2.2.3 — Данные для построения ФЧХ замкнутой системы
| ω |
0 |
10 |
20 |
30 |
40 |
50 |
60 |
80 |
100 |
| φз (ω), рад. |
0 |
-0.957 |
-1.972 |
-2.646 |
-3.044 |
-3.307 |
-3.497 |
-3.757 |
-3.927 |
Логарифмическая амплитудно-частотная характеристика.
![]()
ω ∈ (0.1 ; 1000)

Рисунок 1.2.2.4 — ЛАЧХ замкнутой системы
Таблица 1.2.2.4 — Данные для построения ЛАЧХ замкнутой системы
| ω |
0.1 |
1 |
4 |
10 |
20 |
40 |
100 |
400 |
1000 |
| Lз (ω),дБ |
13.98 |
13.98 |
13.96 |
13.62 |
10.24 |
-0.71 |
-20.85 |
-55.85 |
-79.66 |
Логарифмическая фазо-частотная характеристика.
![]()
ω ∈ (0,1 ; 1000)

Рисунок 1.2.2.5 — ЛФЧХ замкнутой системы
Таблица 1.2.2.5 — Данные для построения ЛФЧХ замкнутой системы
| ω |
0.1 |
1 |
4 |
10 |
20 |
40 |
60 |
100 |
1000 |
| φз (ω), рад. |
-0.009 |
-0.09 |
-0.364 |
-0.957 |
-1.97 |
-3.044 |
-3.497 |
-3.927 |
-4.63 |
1.3 Анализ устойчивости САУ.
1.3.1 Критерий Михайлова.
Для построения годографа Михайлова, необходимо представить характеристическое уравнение передаточной функции замкнутой системы в комплексной форме, заменив переменную s на j ·ω , и разбив получившееся представление на вещественную и мнимую части. Эта операция производилась на этапе разбиения передаточной функции замкнутой системы на вещественную и мнимую, поэтому, воспользуемся её результатами:
— вещественная часть;
— мнимая часть.
Теперь, строим годограф Михайлова на комплексной плоскости:
ω ∈ (0 ; 100)

Рисунок 1.3.1.1 — годограф Михайлова
Таблица 1.3.1.1 — Данные для построения годографа Михайлова
| ω |
0 |
2 |
10 |
20 |
40 |
60 |
100 |
400 |
1000 |
| Cз (ω) |
2 |
1.968 |
1.2 |
-1.2 |
-10.8 |
-26.8 |
-78 |
-1278 |
-7998 |
| Dз (ω) |
0 |
0.359 |
1.704 |
2.832 |
1.056 |
-9.936 |
-78 |
-6072 |
-95820 |
Вектор Михайлова повернулся вокруг начала координат в положительном направлении и ушёл в бесконечность в третьем квадранте, что соответствует порядку характеристического уравнения, а это значит, что, согласно критерию Михайлова, система является устойчивой.
Характеристическое уравнение передаточной функции замкнутой системы:
.
Коэффициенты характеристического уравнения для определителя Гурвица нумеруем соответственно показателям степени переменной при них:
a0 =2; a1 =0,18; a2 =0,008; a3 =0,000096;
Определитель Гурвица:

Подставляя полученные значения, вычисляем его:
![]()
Главный определитель Гурвица положителен. Аналогично исследуем все оставшиеся миноры.
![]()
![]()
Учитывая положительность всех диагональных миноров, заключаем устойчивость системы.
1.3.3 Критерий Рауса.
Характеристическое уравнение передаточной функции замкнутой системы:
.
Коэффициенты характеристического уравнения для таблицы Рауса нумеруем соответственно показателю степени переменной при них:
a0 =2; a1 =0,18; a2 =0,008; a3 =0,000096;
Таблица 1.3.1 — Таблица Рауса.

Так как все коэффициенты первого столбца таблицы Рауса положительны, можно сделать вывод об устойчивости замкнутой системы.
1.3.4 Критерий Найквиста.
Здесь используется АФЧХ разомкнутой системы:

Рисунок 1.3.4.1 — годограф Найквиста
При стремлении частоты в бесконечность, годограф приходит в начало координат, закручиваясь по часовой стрелке, и не охватывает точку с координатами (–1 ; j0), что свидетельствует об устойчивости как разомкнутой, так и замкнутой системы.
Все критерии оценки устойчивости показали, что система устойчива и в замкнутом, и в разомкнутом состоянии.
1.3.5 Построение области устойчивости САУ.
Характеристическое уравнение замкнутой системы с общим коэффициентом усиления, принятым переменным (k), имеет вид:
![]()
Выполним преобразование
:
![]()
D-разбиение в плоскости одного параметра выполняется исходя из условия равенства нулю действительной части характеристического уравнения (полюс на мнимой оси, что соответствует колебательной границе устойчивости системы). Однако, для наглядности представления, график D-разбиения строится на комплексной плоскости. Также, для удобства и наглядности, при построении D-разбиения, учитывают как положительные, так и отрицательные значения частот.
В данном случае, характеристическое уравнение решается относительно коэффициента усиления k:

Действительная часть:

Мнимая часть:

На графике D-разбиения наносится штриховка в сторону устойчивой области.

Рисунок 1.3.5.1 — D-разбиение
Таблица 1.3.5.1 — Данные для построения D-разбиения
| ω |
0 |
2 |
10 |
15 |
20 |
25 |
30 |
40 |
45 |
50 |
60 |
| Ud (ω) |
-10 |
-8 |
-2 |
8 |
22 |
40 |
62 |
118 |
152 |
190 |
278 |
| Vd (ω) |
0 |
-8.88 |
-17.04 |
-23.76 |
-28.3 |
-30 |
-28.1 |
-10.56 |
6.48 |
30 |
99.4 |
Как видно, вся плоскость по параметру K разбивается на три зоны, разделяемые точками на оси Ud (ω) с абсциссами:
![]()
![]()
Первая область — (–∞ ; –10);
вторая область — (–10 ; 190,666667);
третья область — (190,666667 ; +∞).
Так как исходный коэффициент усиления системы, равный 10, находится во второй области устойчивости, можно заключить, что это — область, в которой данная САУ будет устойчива, и штриховку вдоль кривой, описанной графиком D-разбиения, следует нанести в сторону этой области.
1.4 Построение переходного процесса системы методом трапеций
Выполняем построение вещественной частотной характеристики замкнутой системы (рис. 1.4.1).


Рисунок 1.4.1 — ВЧХ замкнутой САУ.
Таблица 1.4.1 — Данные для построения АФЧХ замкнутой системы
| ω |
0 |
2 |
10 |
21 |
25 |
30 |
50 |
70 |
100 |
120 |
| Uз (ω) |
5 |
4.92 |
2.76 |
-1.43 |
-1.67 |
-1.49 |
-0,54 |
-0,21 |
-0.64 |
-0.034 |
Разбиваем ВЧХ на три трапеции.

Рисунок 1.4.2 — Разбивка ВЧХ на трапеции.
Синим цветом выделен контур первой трапеция, зелёным – второй, розовым – третьей.
Определяем параметры трапеций: высоту и частоты начала и окончания наклонной стороны (
и
соответственно).
Для наглядности, совместим трапеции основаниями с осью частот.

Рисунок 1.4.3 — Трапеции, совмещённые по оси частот.
На основании полученных результатов, строим таблицу.
Таблица 1.4.2 — Параметры трапеций
| 1 трапеция |
2 трапеция |
3 трапеция |
|||||||||
| Wd = |
1.25 |
Wп = |
25 |
Wd = |
25 |
Wп = |
50 |
Wd = |
50 |
Wп = |
100 |
| Х = |
0,05 |
R0 = |
6.67 |
Х = |
0,5 |
R0 = |
-1.13 |
Х = |
0,50 |
R0 = |
-0,54 |
В таблице h
-функций находим соответствующую каждому
функцию
. Искомую составляющую
получаем из этой функции путём умножения ординат
на величину
. Время
получаем как частное от деления величины
на
.
;
.
Таблица 1.4.3 — Значения для построения переходного процесса.
| t табл, |
h табл, |
t |
h1(t) |
t табл, |
h табл, |
t |
h2(t) |
t табл, |
h табл, |
t |
h2(t) |
| 0 |
0,0000 |
0,0000 |
0,0000 |
0 |
0,0000 |
0,0000 |
0,0000 |
0 |
0,0000 |
0,0000 |
0,0000 |
| 0,5 |
0,1760 |
0,0200 |
1,1733 |
0,5 |
0,2400 |
0,0100 |
-0,2704 |
0,5 |
0,2400 |
0,0050 |
-0,1296 |
| 1 |
0,3400 |
0,0400 |
2,2667 |
1 |
0,4610 |
0,0200 |
-0,5194 |
1 |
0,4610 |
0,0100 |
-0,2489 |
| 1,5 |
0,4940 |
0,0600 |
3,2933 |
1,5 |
0,6650 |
0,0300 |
-0,7492 |
1,5 |
0,6650 |
0,0150 |
-0,3591 |
| 2 |
0,6280 |
0,0800 |
4,1867 |
2 |
0,8330 |
0,0400 |
-0,9385 |
2 |
0,8330 |
0,0200 |
-0,4498 |
| 2,5 |
0,7390 |
0,1000 |
4,9267 |
2,5 |
0,9670 |
0,0500 |
-1,0895 |
2,5 |
0,9670 |
0,0250 |
-0,5222 |
| 3 |
0,8280 |
0,1200 |
5,5200 |
3 |
1,0610 |
0,0600 |
-1,1954 |
3 |
1,0610 |
0,0300 |
-0,5729 |
| 3,5 |
0,8920 |
0,1400 |
5,9467 |
3,5 |
1,1150 |
0,0700 |
-1,2562 |
3,5 |
1,1150 |
0,0350 |
-0,6021 |
| 4 |
0,9380 |
0,1600 |
6,2533 |
4 |
1,1420 |
0,0800 |
-1,2867 |
4 |
1,1420 |
0,0400 |
-0,6167 |
| 4,5 |
0,9600 |
0,1800 |
6,4000 |
4,5 |
1,1380 |
0,0900 |
-1,2821 |
4,5 |
1,1380 |
0,0450 |
-0,6145 |
| 5 |
0,9770 |
0,2000 |
6,5133 |
5 |
1,1170 |
0,1000 |
-1,2585 |
5 |
1,1170 |
0,0500 |
-0,6032 |
| 5,5 |
0,9860 |
0,2200 |
6,5733 |
5,5 |
1,0920 |
0,1100 |
-1,2303 |
5,5 |
1,0920 |
0,0550 |
-0,5897 |
| 6 |
0,9820 |
0,2400 |
6,5467 |
6 |
1,0510 |
0,1200 |
-1,1841 |
6 |
1,0510 |
0,0600 |
-0,5675 |
| 6,5 |
0,9800 |
0,2600 |
6,5333 |
6,5 |
1,0180 |
0,1300 |
-1,1469 |
6,5 |
1,0180 |
0,0650 |
-0,5497 |
| 7 |
0,9790 |
0,2800 |
6,5267 |
7 |
0,9930 |
0,1400 |
-1,1188 |
7 |
0,9930 |
0,0700 |
-0,5362 |
| 7,5 |
0,9800 |
0,3000 |
6,5333 |
7,5 |
0,9740 |
0,1500 |
-1,0974 |
7,5 |
0,9740 |
0,0750 |
-0,5260 |
| 8 |
0,9850 |
0,3200 |
6,5667 |
8 |
0,9660 |
0,1600 |
-1,0884 |
8 |
0,9660 |
0,0800 |
-0,5216 |
| 8,5 |
0,9890 |
0,3400 |
6,5933 |
8,5 |
0,9660 |
0,1700 |
-1,0884 |
8,5 |
0,9660 |
0,0850 |
-0,5216 |
| 9 |
0,9970 |
0,3600 |
6,6467 |
9 |
0,9700 |
0,1800 |
-1,0929 |
9 |
0,9700 |
0,0900 |
-0,5238 |
| 9,5 |
1,0040 |
0,3800 |
6,6933 |
9,5 |
0,9750 |
0,1900 |
-1,0985 |
9,5 |
0,9750 |
0,0950 |
-0,5265 |
| 10 |
1,0090 |
0,4000 |
6,7267 |
10 |
0,9820 |
0,2000 |
-1,1064 |
10 |
0,9820 |
0,1000 |
-0,5303 |
| 10,5 |
1,0130 |
0,4200 |
6,7533 |
10,5 |
0,9870 |
0,2100 |
-1,1120 |
10,5 |
0,9870 |
0,1050 |
-0,5330 |
| 11 |
1,0150 |
0,4400 |
6,7667 |
11 |
0,9970 |
0,2200 |
-1,1233 |
11 |
0,9970 |
0,1100 |
-0,5384 |
| 11,5 |
1,0160 |
0,4600 |
6,7733 |
11,5 |
0,9970 |
0,2300 |
-1,1233 |
11,5 |
0,9970 |
0,1150 |
-0,5384 |
| 12 |
1,0150 |
0,4800 |
6,7667 |
12 |
0,9970 |
0,2400 |
-1,1233 |
12 |
0,9970 |
0,1200 |
-0,5384 |
| 12,5 |
1,0130 |
0,5000 |
6,7533 |
12,5 |
0,9970 |
0,2500 |
-1,1233 |
12,5 |
0,9970 |
0,1250 |
-0,5384 |
| 13 |
1,0120 |
0,5200 |
6,7467 |
13 |
0,9970 |
0,2600 |
-1,1233 |
13 |
0,9970 |
0,1300 |
-0,5384 |
| 13,5 |
1,0110 |
0,5400 |
6,7400 |
13,5 |
0,9980 |
0,2700 |
-1,1244 |
13,5 |
0,9980 |
0,1350 |
-0,5389 |
| 14 |
1,0110 |
0,5600 |
6,7400 |
14 |
1,0000 |
0,2800 |
-1,1267 |
14 |
1,0000 |
0,1400 |
-0,5400 |
| 14,5 |
1,0120 |
0,5800 |
6,7467 |
14,5 |
1,0020 |
0,2900 |
-1,1289 |
14,5 |
1,0020 |
0,1450 |
-0,5411 |
| 15 |
1,0120 |
0,6000 |
6,7467 |
15 |
1,0050 |
0,3000 |
-1,1323 |
15 |
1,0050 |
0,1500 |
-0,5427 |
| 15,5 |
1,0140 |
0,6200 |
6,7600 |
15,5 |
1,0080 |
0,3100 |
-1,1357 |
15,5 |
1,0080 |
0,1550 |
-0,5443 |
| 16 |
1,0150 |
0,6400 |
6,7667 |
16 |
1,0110 |
0,3200 |
-1,1391 |
16 |
1,0110 |
0,1600 |
-0,5459 |
| 16,5 |
1,0160 |
0,6600 |
6,7733 |
16,5 |
1,0110 |
0,3300 |
-1,1391 |
16,5 |
1,0110 |
0,1650 |
-0,5459 |
| 17 |
1,0160 |
0,6800 |
6,7733 |
17 |
1,0120 |
0,3400 |
-1,1402 |
17 |
1,0120 |
0,1700 |
-0,5465 |
| 17,5 |
1,0150 |
0,7000 |
6,7667 |
17,5 |
1,0090 |
0,3500 |
-1,1368 |
17,5 |
1,0090 |
0,1750 |
-0,5449 |
| 18 |
1,0150 |
0,7200 |
6,7667 |
18 |
1,0080 |
0,3600 |
-1,1357 |
18 |
1,0080 |
0,1800 |
-0,5443 |
| 18,5 |
1,0150 |
0,7400 |
6,7667 |
18,5 |
1,0060 |
0,3700 |
-1,1334 |
18,5 |
1,0060 |
0,1850 |
-0,5432 |
| 19 |
1,0150 |
0,7600 |
6,7667 |
19 |
1,0010 |
0,3800 |
-1,1278 |
19 |
1,0010 |
0,1900 |
-0,5405 |
| 19,5 |
1,0140 |
0,7800 |
6,7600 |
19,5 |
0,9980 |
0,3900 |
-1,1244 |
19,5 |
0,9980 |
0,1950 |
-0,5389 |
| 20 |
1,0130 |
0,8000 |
6,7533 |
20 |
0,9960 |
0,4000 |
-1,1222 |
20 |
0,9960 |
0,2000 |
-0,5378 |
| 20,5 |
1,0120 |
0,8200 |
6,7467 |
20,5 |
0,9950 |
0,4100 |
-1,1210 |
20,5 |
0,9950 |
0,2050 |
-0,5373 |
| 21 |
1,0110 |
0,8400 |
6,7400 |
21 |
0,9950 |
0,4200 |
-1,1210 |
21 |
0,9950 |
0,2100 |
-0,5373 |
| 21,5 |
1,0110 |
0,8600 |
6,7400 |
21,5 |
0,9960 |
0,4300 |
-1,1222 |
21,5 |
0,9960 |
0,2150 |
-0,5378 |
| 22 |
1,0110 |
0,8800 |
6,7400 |
22 |
0,9960 |
0,4400 |
-1,1222 |
22 |
0,9960 |
0,2200 |
-0,5378 |
| 22,5 |
1,0110 |
0,9000 |
6,7400 |
22,5 |
0,9970 |
0,4500 |
-1,1233 |
22,5 |
0,9970 |
0,2250 |
-0,5384 |
| 23 |
1,0110 |
0,9200 |
6,7400 |
23 |
0,9980 |
0,4600 |
-1,1244 |
23 |
0,9980 |
0,2300 |
-0,5389 |
| 23,5 |
1,0100 |
0,9400 |
6,7333 |
23,5 |
0,9990 |
0,4700 |
-1,1255 |
23,5 |
0,9990 |
0,2350 |
-0,5395 |
| 24 |
1,0100 |
0,9600 |
6,7333 |
24 |
1,0000 |
0,4800 |
-1,1267 |
24 |
1,0000 |
0,2400 |
-0,5400 |
| 24,5 |
1,0090 |
0,9800 |
6,7267 |
24,5 |
1,0000 |
0,4900 |
-1,1267 |
24,5 |
1,0000 |
0,2450 |
-0,5400 |
| 25 |
1,0080 |
1,0000 |
6,7200 |
25 |
1,0000 |
0,5000 |
-1,1267 |
25 |
1,0000 |
0,2500 |
-0,5400 |
| 25,5 |
1,0080 |
1,0200 |
6,7200 |
25,5 |
1,0000 |
0,5100 |
-1,1267 |
25,5 |
1,0000 |
0,2550 |
-0,5400 |
| 26 |
1,0070 |
1,0400 |
6,7133 |
26 |
1,0000 |
0,5200 |
-1,1267 |
26 |
1,0000 |
0,2600 |
-0,5400 |
При помощи функции линейной интерполяции linterp, встроенной в математический пакет MathCAD, находим функции переходных характеристик, соответствующих каждой из трапеций, и производим их сложение.

Рисунок 1.4.4 — Графики переходных процессов замкнутой САУ:
h1(t) — переходная характеристика первой трапеции;
h2(t) — переходная характеристика второй трапеции;
h3(t) — переходная характеристика третьей трапеции;
H(t) — суммарная переходная характеристика.
1.5 Определение параметров и построение желаемой ЛАЧХ
1.5.1 Параметры для построения исходной ЛАЧХ.

T1 = 0.02с
T2 = 0.04с
T3 = 0.12с
ω1 = 50 с-1
ω2 = 25 с-1
ω3 = 8.333 с-1
20·log K = 20·log 1 = 0 дБ
1.5.2 Параметры для построения желаемой ЛАЧХ.
В задании выданы следующие показатели качества регулирования САУ, которые необходимо соблюсти:
σmax
= 25%
.
Условно, весь частотный диапазон, в котором будет построена желаемая ЛАЧХ, разбивается на три поддиапазона: поддиапазон низких, средних и высоких частот (рисунок 1.5.1).
ЛАЧХ поддиапазона средних частот строится с наклоном –20 дБ/дек, проходя через частоту среза до пересечения с линиями запас по амплитуде.
Низко- и высокочастотная асимптота ЛАЧХ проводится с наклоном, кратным –20 дБ/дек, до соединения с ЛАЧХ исходной системы в этом диапазоне, или проводится параллельно ей (с одинаковым наклоном).
Среднечастотная асимптота проводится через точку
с наклоном –20 дБ/дек. Определим границы этой асимптоты. Для этого, по номограммам (рисунок 1.5.2) найдем запасы устойчивости по амплитуде.
![]() |
Рисунок 1.5.2 Номограммы для определения запасов устойчивости и частоты среза
При σmax = 30%:
Lmin = 14.5 дБ,


ωс = (0.6 ÷ 0.9)·ωп ; ωс = (0.6 ÷ 0.9)·73,3 = (43,98 ÷ 65,97) с–1 .
Низко- и высокочастотную асимптоты проводим параллельно исходной ЛАЧХ
Построение исходной асимптотической ЛАЧХ производится исходя из значений частот нулей и полюсов разомкнутой передаточной функции.
Определение ЛАЧХ корректирующего устройства производится по разности ЛАЧХ исходной и желаемой системы.
![]()
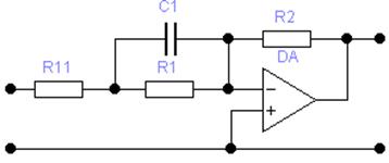
1.6 Определение передаточной функции корректирующего устройства.
Производится по параметрам её асимптотической ЛАЧХ.
Параметры корректирующего устройства:
T1 = 0.04c; T2 = 0.005c; K = 5.3.
Таким образом, передаточная функция корректирующего устройства принимает следующий вид:
![]()
Передаточной функции WКУ (s) соответствует следующая схема корректирующего устройства:

Рисунок 1.6.1 Схема электрическая принципиальная корректирующего устройства
1.7 Построение переходного процесса с использованием ПЭВМ
При построении переходного процесса и оценки качества регулирования итоговой САУ используется математический пакет MathCAD.
Переходный процесс должен удовлетворять следующим показателям качества:
≤0,15с,
≤30%.

Рисунок 1.7.1 Переходный процесс скорректированной САУ
Анализируя переходной процесс системы управления (рисунок 1.7.1), можем сказать, что время регулирования и перерегулирование, не выходит за пределы значений, заданных „коробочкой Солодовникова“. Следовательно, переходный процесс удовлетворяет предъявленным условиям качества регулирования САУ.
1.8 Анализ устойчивости скорректированной САУ
Производится по критерию устойчивости Михайлова.
Передаточная функция разомкнутой скорректированной САУ имеет вид:

Передаточная функция замкнутой скорректированной САУ определяется следующим образом:


Раскроем скобки в знаменателе передаточной функции:
![]()
Заменяем переменную s на jω:

Разобьем это выражение на действительную и мнимую составляющие.
— вещественная часть;
— мнимая часть.
По этим данным строится годограф Михайлова. Для устойчивости САУ, необходимо и достаточно, чтобы вектор годографа Михайлова последовательно обошёл вокруг начало координат и в 3 квадранте ушёл в бесконечность.
ω ∈ (0 ÷ 300)

Рисунок 1.8.1 — Годограф Михайлова для скорректированной системы
Таблица 1.8.1 — Данные для построения годографа Михайлова
| ω |
0 |
10 |
30 |
50 |
60 |
70 |
80 |
100 |
200 |
500 |
| Cз (ω) |
6.3 |
6.00 |
3.52 |
-1.44 |
-4.85 |
-8.88 |
-13.5 |
-24.7 |
-117.7 |
-768.7 |
| Dз (ω) |
0 |
1.438 |
4.03 |
5.75 |
6.108 |
6.03 |
5.46 |
2.5 |
-67 |
-1427 |
Вектор Михайлова обошел вокруг начала координат и в 3 квадранте ушел в бесконечность. Отсюда следует, что скорректированная САУ устойчива.
2 Исследование нелинейной системы.
Согласно заданию, структурная схема нелинейной САУ выглядит следующим образом:

Рисунок 2.1 – структурная схема нелинейной системы.

Рисунок 2.2 – передаточная характеристика нелинейного звена:
с = 2;
b = c/K4 = 2/0.1 = 5.
2.1 Построение фазового портрета нелинейной САУ
Выполняется вручную методом изоклин при помощи математического пакета MathCAD, в котором производится построение изоклин..
Уравнения изоклин получаем исходя сначала из передаточной функции линейной части системы:

![]()
Здесь, N – коэффициент угла наклона фазовой траектории при прохождении через изоклину;
X – отклонение выходной величины от её заданного значения;
X1 (t) – функция, зависящая от свойств нелинейного звена.
X1 (t) принимает следующие значения:
b при X < –c
–b при X > c
K4∙X при –c≤X≤c.

Рисунок 2.1.1 — Изоклины фазового портрета.
Талица 2.1.1 — Данные для построения изоклин.
| C |
-100 |
-50 |
-37.5 |
-25 |
||||||||||||
| X |
-40 |
-20 |
20 |
40 |
-40 |
-20 |
20 |
40 |
-40 |
-20 |
20 |
40 |
-40 |
-20 |
20 |
40 |
| Y |
-137.5 |
-75 |
75 |
137.5 |
-550 |
-300 |
300 |
550 |
-2200 |
-1200 |
1200 |
2200 |
1100 |
600 |
-600 |
-1100 |
| C |
-20 |
-15 |
-10 |
-5 |
||||||||||||
| X |
-40 |
-20 |
20 |
40 |
-40 |
-20 |
20 |
40 |
-40 |
-20 |
20 |
40 |
-40 |
-20 |
20 |
40 |
| Y |
687.5 |
375 |
-375 |
-687.5 |
500 |
272.7 |
-272.7 |
-500 |
392.9 |
214.3 |
-214.3 |
-392.9 |
323.5 |
176.5 |
-176.5 |
-323.5 |
| C |
0 |
5 |
10 |
15 |
||||||||||||
| X |
-40 |
-20 |
20 |
40 |
-40 |
-20 |
20 |
40 |
-40 |
-20 |
20 |
40 |
-40 |
-20 |
20 |
40 |
| Y |
275 |
150 |
-150 |
-275 |
239.1 |
130.4 |
-130.4 |
-239.1 |
211.5 |
115.4 |
-115.4 |
-211.5 |
189.7 |
103.4 |
-103.4 |
-189.7 |
| C |
20 |
25 |
50 |
100 |
||||||||||||
| X |
-40 |
-20 |
20 |
40 |
-40 |
-20 |
20 |
40 |
-40 |
-20 |
20 |
40 |
-40 |
-20 |
20 |
40 |
| Y |
171.9 |
93.8 |
-93.8 |
-171.9 |
157.1 |
85.7 |
-85.7 |
-157.1 |
110 |
60 |
-60 |
-110 |
68.8 |
37.5 |
-37.5 |
-68.8 |
2.2 Оценка устойчивости нелинейной САУ по критерию В.М. Попова.
Для определения устойчивости по критерию Попова, по передаточной характеристике линейной части системы строится частотная характеристика вида
![]()
и определяется возможность проведения хотя бы одной прямой, проходящей через точку с координатой (–1/ k ; j0) , и не пересекающей график частотной характеристики. Коэффициент k здесь — произведение коэффициента усиления линейной части системы и тангенса угла наклона прямой, определяющей класс нелинейности системы. Если такая прямая существует, то система абсолютно устойчива.
Передаточная функция линейной части нелинейной САУ:
;
Произведём замену переменной s на j∙ω :

Разложим получившееся выражение на вещественную и мнимую части:



Значение k определяется следующим образом:
![]()
.

Рисунок 2.2.1 — частотная характеристика критерия Попова
Таблица 2.2.1 — Данные для построения частотной характеристики к критерию абсолютной устойчивости Попова
| ω |
0 |
1 |
1 |
6 |
9 |
20 |
30 |
80 |
200 |
| Up (ω) |
2 |
1.96 |
1.479 |
1.03 |
0.5 |
-0.166 |
-0.195 |
-0.057 |
-0.01 |
| Vp (ω) |
0 |
-0.315 |
-0.193 |
-7.17 |
-10.59 |
-11.55 |
-8.46 |
-1.956 |
-0.341 |
Судя по расположению характеристики и точки с координатой (-1/k ; j0), возможно провести через эту точку прямую, которая не пересечёт частотную характеристику. Следовательно, система абсолютно устойчива.
