| Скачать .docx |
Реферат: Расчет операционного усилителя
Министерство сельского хозяйства российской федерации
Фгоу впо орловский государственный аграрный университет
Факультет Агротехники и энергообеспечения
Кафедра «Электротехники и теплотехники»
Курсовой проект
по дисциплине «Промышленная электроника»
Выполнил: Капитонов А.И.
Группа: Эл-371(1)
Проверил: Деулин Б.И.
Орел, 2010.
Содержание
| Введение |
3 |
|
| 1. Расчет усилительного транзиторного каскада |
5 |
|
| 1.1 Выбор транзистора, определение напряжения источника питания, расчет сопротивления резисторов |
5 |
|
| 1.2 Определение h параметров в рабочей точке транзисторного каскада |
9 |
|
| 1.3 Определение амплитуды напряжения и тока базы, коэффициенты усиления каскада по току, напряжению и мощности, и амплитуду напряжения источника сигнала |
10 |
|
| 1.4 Расчет емкости конденсаторов и выбор их номиналов |
11 |
|
| 2. Расчет инвертирующего усилителя постоянного тока |
13 |
|
| 2.1 Расчет сопротивления резисторов |
13 |
|
| 2.2 Выбор операционного усилителя |
14 |
|
| 3. Расчет логической функции |
17 |
|
| 3.1 Упрощение логической функции, пользуясь алгеброй логики |
17 |
|
| 3.2 Составление таблицы истинности |
18 |
|
| 3.3 Разработка функциональной электрической схемы на базовых элементах |
19 |
|
| Заключение |
20 |
|
| Список используемой литературы |
21 |
Введение
Электроника является универсальным исключительно эффективным средством при решении самых различных задач в области сбора, преобразования информации, автоматического и автоматизированного управления.
Сфера применения электроники постоянно расширяется. Роль электроники в настоящее время существенно возрастает в связи с применением микропроцессорной техники для обработки информационных сигналов и силовых полупроводниковых приборов для преобразования электрической энергии.
Электроника имеет короткую, но богатую событиями историю, которая составляет чуть более 100 лет. Первый период связан с эпохой вакуумных ламп и с появлением чуть позже ионных приборов. На этой основе были разработаны электронные устройства, а затем долгие голы совершенствовались.
Основным показателем совершенства электронной аппаратуры является плотность упаковки, т. Е. количество элементов схемы в 1 см3 действующего устройства. Если основным элементом электронного устройства являются лампы, то можно достигнуть плотности 0,3 эл/см3 .
Создание в конце 40-х годов первых полупроводниковых элементов (диодов и транзисторов) привело к появлению нового принципа конструирования электронной аппаратуры – модульного. Основой при этом является элементарная ячейка-модуль, стандартный по размеру, способам сборки и монтажа. При этом плотность упаковки возросла до 2,5 эл/см3 .
Дальнейшее совершенствование полупроводниковых приборов, резисторов, конденсаторов и других элементов, уменьшение их размеров привели к созданию микромодулей. Плотность упаковки при этом превышала
10 эл/см3 . Микромодули завершили десятилетнюю эпоху транзисторной электроники привели к возникновению интегральной электроники и микроэлектроники.
Технология изготовления интегральных схем позволила резко повысить плотность упаковки, доведя ее до тычяч элементов в 1 см3
.
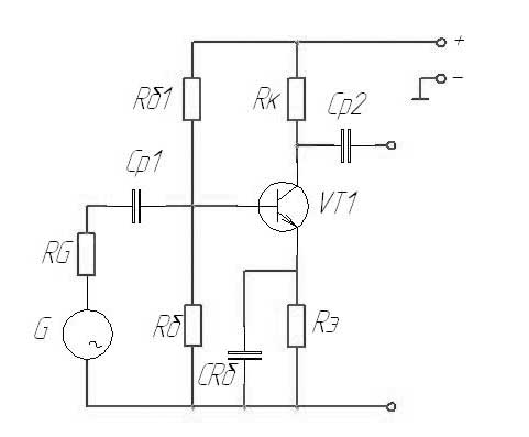
1. Расчет усилительного транзиторного каскада
1.1 Выбор транзистора, определение напряжения
источника питания, расчет сопротивления резисторов
Исходные данные:
Сопротивление нагрузки Rн = 300 Ом;
Амплитуда напряжения в нагрузке Uнм =2 В;
Внутреннее сопротивление источника сигнала RG = 500 Ом;
Допустимые частотные искажения на граничной частоте Мн =Мв =1,41;
Максимальная температура окружающей среды Тм =40 0 С;
Нижняя граничная частота Fн =100 Гц

Рассчитаем сопротивление резистора коллекторной цепи транзистора:
, Ом (1)
где: К R – коэффициент соотношения сопротивлений RН и RК .
К R =1,2-1,5 при RН ≤1 кОм;
К R =1,5-5,0 при RН >1 кОм.
кОм.
Номинал резистора RК выбираем по приложению 2, RК =0,68 кОм.
Определим эквивалентное сопротивление нагрузки каскада
, Ом (2)
Ом.
Найдем амплитуду коллекторного тока транзистора:
, А (3)
мА.
Определим ток покоя (ток в рабочей точке) транзистора
, А (4)
где: kз – коэффициент запаса
kз – 0,7-0,9
kз – 0,7 максимальные нелинейные искажения,
kз – 0,95 максимальный КПД.
мА.
Рассчитаем минимальное напряжения коллектор – эммитер в рабочей точке транзистора:
, В (5)
где: U0 – напряжение коллектор – эммитер, соответствующее началу прямолинейного участка выходных характеристик транзистора, В;

В.
Если Uкэп min – меньше типового значения Uкэп =5 В, то выбираем
Uкэп =5 В.
Рассчитаем напряжение источника питания
, В (6)
В
Значение расчетного напряжения округлим до ближайшего целого числа, 20 В. Принимаем напряжение питания 20 В.
Определим и выберем номинал сопротивления резистора эммитерной цепи транзистора.
, Ом (7)
Ом.
Номинал резистора Rэ выбираем по приложению 2, Rэ =430 Ом.
Выбираем транзистор из приложения 1 по параметрам:
а) Максимально допустимое напряжение коллектор – эммитер
Uкэ доп ≥Uп , В (8)
б) максимально допустимый средний ток коллектора
Iк доп >Iкп , А (9)
в) Максимальная мощность рассеивания на коллекторе Рк max при наибольшей температуре окружающей среды Тm .
, Вт (10)
Рк max – находится по формуле:
, Вт (11)
где: Рк доп – максимально допустимая мощность рассеивания на коллекторе при температуре окружающей среды Т0 , Вт;
Тн
max
– максимальная температура перехода, 0
С
;
Т0 – температура окружающей среды, при которой нормируется Рк доп , 25 0 С ;
По максимально допустимому напряжению эммитер – коллектор и максимально допустимому среднему току коллектора выбираем транзистор КТ-315 Г.
В;
мА
Вычертим выходные характеристики выбранного транзистора.
На выходных характеристиках транзистора КТ 315 Г строим нагрузочную прямую постоянного тока по точкам А и В.
Точка А:
, В
, А (12)
В
А
Точка В:
, В
, А
В
А.
Нанесем рабочую точку С на нагрузочную прямую с координатой
Iк = Iкп =13,71·10-3 А, уточним напряжение Uкэ в точке покоя
Uкэп =4,76 В.
Рассчитаем мощность в точке покоя транзистора:
, Вт.
Определим наибольшую мощность рассеивания транзистора при максимальной рабочей температуре:
Вт,
Pк max =126,3·10-3 Вт>Pкп =65,26·10-3 Вт, следовательно транзистор КТ 315 Г выбран правильно.
Находим координаты рабочей точки С на входной характеристике транзистора Iбп =0,2 мА, Uбэп =0,48 В.
Определим ток базового делителя Rб1 , Rб2 .
, А (13)
![]()
А.
Рассчитаем сопротивление резистора базового делителя:
, Ом (14)
Ом.
Выбираем номинал сопротивления резистора Rб2 = 6,2 кОм.
Определяем сопротивление резистора базового делителя:
, Ом (15)
Ом.
Принимаем номинал резистора Rб1 20 кОм.
Найдем эквивалентное сопротивление базового делителя
, Ом (16)
Ом
1.2 Определение h параметров в рабочей точке транзисторного каскада
По выходным характеристикам транзистора определим h21э в рабочей точке.
, Ом (17)
Ом.
По входным характеристикам найдем h11э в рабочей точке:
, Ом (18)
Ом
Найдем входное сопротивление каскада:
, Ом (19)

Ом
Рассчитаем выходное сопротивление каскада:
, Ом (20)
Ом.
1.3 Определение амплитуды напряжения и тока базы, коэффициенты усиления каскада по току, напряжению и мощности, и амплитуду напряжения источника сигнала
Построим на выходных характеристиках транзистора нагрузочную прямую по переменному току, проходящую через рабочую точку С и имеющую наклон:
А/В.
Найдем амплитуду тока базы по выходным характеристикам:
, А (21)
А.
Определим по входным характеристикам амплитуду входного напряжения транзистора:
, В (22)
В.
Определим коэффициент усиления каскада по току:
(23)
![]()
Найдем коэффициент усиления каскада по напряжению:
(24)

![]()
Рассчитаем коэффициент усиления по мощности:
(25)
![]()
Определим амплитуду напряжения источника сигнала:
(26)
В.
1.4 Расчет емкости конденсаторов и выбор их номиналов
Распределим частотные искажения в области нижних частот, вносимые емкостями конденсаторов Cр1 , Cр2 , Cд1 , равномерно между ними:
(27)
![]()
.
Рассчитаем емкость разделительного конденсатора:
, Ф (28)
Ф.
Выбираем номинал конденсатора Cр1 =3 мкФ.
Рассчитаем емкость разделительного конденсатора:
, Ф (29)
Ф
Выбираем номинал конденсатора Cp 2 =3,3 мкФ.
Найдем емкость блокировочного конденсатора:
, Ф (30)
Ф
Выбираем емкость электролитического конденсатора Cд1
=0,1 мкФ.
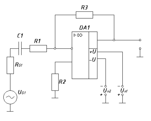
2. Расчет инвертирующего усилителя
переменного тока
2.1 Расчет сопротивления резисторов
Требуется рассчитать схему инвертирующего усилителя постоянного тока.
Нижняя граничная частота Fн =50 Гц
Внутреннее сопротивление источника сигнала RG 1 = 15 кОм.
Коэффициент усиления по напряжению для источника сигнала К u1 =40.
Динамический диапазон выходного напряжения D =26 дБ.
Максимальная температура окружающей среды Тm =40 0 С.

Определяем произведение источника сигнала на коэффициент усиления:
Ом
Рассчитываем сопротивление входного резистора R1 по формуле:
, Ом (1)
Ом.
Выбираем номинал резистора по приложению 2. Резистор R1 принимаем 75 кОм.
Найдем сопротивление резистора R2 :
, Ом (2)

Ом.
Рассчитаем сопротивление резистора R3 :
, Ом (3)
Ом
Выбираем номинал резистора R3 =3·106 Ом.
Рассчитаем емкость разделительного конденсатора С1 :
, Ф
Ф
Выбираем номинал конденсатора С1 =0,36 нФ.
2.2 Выбор операционного усилителя
Выбираем операционный усилитель по приложению 4 из коэффициента усиления по напряжению К u >>Ku1 , и сопротивления источника сигнала:
кОм: К140УД7; К140УД6.
кОм: К140УД6; К140УД14.
кОм: К140УД14; К140УД8; КР544УД1.
кОм: К140УД8; КР544УД1.
Так как сопротивление источника сигнала RG 1 = 15 кОм и коэффициент усиления К u1 =40, выбираем К140УД14.
Таблица№1 - Параметры операционного усилителя К140УД14.
| Параметр |
|
| Коэффициент усиления по напряжению Коу |
50*103 |
| Разность входных токов Δiвх , нА |
0,2 |
| Внутреннее напряжения смещения Uвн , мВ |
2 |
| Тепловой дрейф внутреннего напряжения смещения мкВ/0
С |
6 |
| Тепловой дрейф разности входных токов мА/0
С |
0 |
| Максимальное напряжение на выходе ОУ Uвых max ОУ , В |
10 |
| Номинальное напряжение питания Uu , В |
±15 |
Операционный усилитель должен обеспечивать требуемый динамический
диапазон выходных напряжений:
(4)
где: D – динамический диапазон, дБ;
Uвых max – максимальное выходное напряжение, В;
Uвых min – минимальное выходное напряжение, В.
Минимальное выходное напряжение операционного усилителя ограниченно напряжением смещения нуля, вызванное разностью входных токов, внутренним смещением операционного усилителя и их тепловыми дрейфами.
Определим допустимое напряжение смещения приложенное к входу ОУ и нулевой точкой Rвхо .
, В (5)
В.
Определим напряжение смещения операционного усилителя от разности входных токов:
, В (6)
В.
Определим напряжение смещения операционного усилителя, вызванное внутренним смещением операционного усилителя:
, В (7)
В.
Определяем суммарное смещение напряжение.
, В (8)
В.
меньше
, следовательно операционный усилитель обеспечивает заданный динамический диапазон выходного напряжения во всем интервале рабочих температур.
Операционный усилитель К140УД14 выбран правильно.
3. Расчет логической функции
3.1 Упрощение логической функции, пользуясь алгеброй логики
Упрощают логическую функцию, пользуясь правилами и законами алгебры логики:
а) Инверсия
если
, то
,
если
, то
.
б) Логическое сложение (дизъюнкция):
,
,
,
,
,
,
.
в) Логическое умножение (конъюнкция):
,
,
,
,
,
.
г) Переместительный закон:
,
.
д) Сочетательный закон:
,
.
е) Распределительный закон:
.
ж) Правило склеивания:
,
.
з) Правило двойного отрицания:
.
и) Теорема де Моргана:
,
.
Решение:
1. Упростим функцию:

3.2 Составление таблицы истинности
2.Составим таблицу истинности:
| X |
Y |
Z |
F |
| 0 |
0 |
0 |
0 |
| 0 |
0 |
1 |
0 |
| 0 |
1 |
0 |
0 |
| 0 |
1 |
1 |
0 |
| 1 |
0 |
0 |
0 |
| 1 |
0 |
1 |
1 |
| 1 |
1 |
0 |
1 |
| 1 |
1 |
1 |
1 |
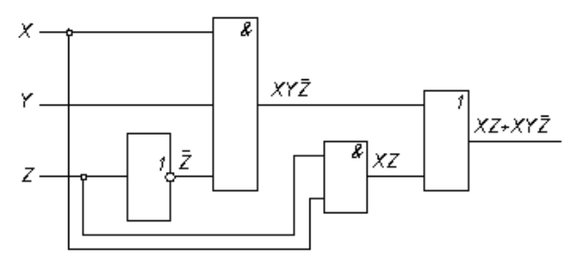
3.3 Разработка функциональной электрической схемы на базовых элементах
3. Разработаем электрическую схему:


Заключение
Целью и задачей курсовой работы является изучение принципов построения действия проектирования электронных устройств, построенных на базе полупроводниковых приборов и интегральных микросхем. А так же: устройство, принцип действия, параметры и характеристики полупроводниковых приборов и интегральных микросхем; принцип построения, принцип действия и методы проектирования электронных устройств, построенных на базе полупроводниковых приборов и интегральных микросхем, микропроцессоров и устройств связи; параметры и характеристики электронных устройств; принцип расчета основных электронных схем и устройств; понимать электронные схемы, определять по условным обозначениям и справочникам параметры электронных элементов, уметь строить и рассчитывать устройства, выполненные на этих элементах; грамотно производить выбор стандартной электронной аппаратуры в зависимости от конкретных требований.
Список литературы
1. Забродин Ю. С. Промышленная электроника М.: Высшая школа, 1982.
2. Герасимов В. Г. Основы промышленной электроники М.: Высшая школа, 1986.
3. Гусев В. Г., Гусев Ю, М. Электроника М.: Высшая школа, 1991.
4. Савельев А. Я. Электронные вычислительные машины М.: Высшая школа, 1987.
5. Жеребцов И. П. Основы электроники Л,: Энергоиздат, 1989.
6. Ефимов И. Е., Козырь И. Я. Основы микроэлектроники М.: Высшая школа, 1988.
