| Скачать .docx |
Реферат: Расчет полупроводникового выпрямителя с фильтром и транзисторного усилителя
МАТИ - Российский Государственный Авиационный Технологический
Университет им. К. Э. Циолковского
Кафедра “Микропроцессорные системы, электроника и электротехника”
Курсовая работа
“Расчет полупроводникового выпрямителя с фильтром и транзисторного усилителя”
по дисциплине “Схемотехника”
Группа: 6ПВК-II-28
Студент: Гаврилин Дмитрий
Вариант: А-4
Выполнил “ “ 199 г.
Сдано на кафедру “ “ 199 г.
Проверил “ “ 199 г.
Группа: 6ПВК-II-28
Студент: Гаврилин Дмитрий
Вариант: А-4
1.1 Расчет полупроводникового выпрямителя с фильтром.
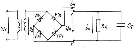
1.2 Расчётная схема согласно варианту:

1.3 Исходные данные согласно варианту:

Примечание: Uнср - среднее напряжение на нагрузке; Iнср - средний ток через нагрузку; qф - коэффициент пульсации выпрямителя с фильтром.
Значения коэффициентов расчета электрических величин.
| Коэффициенты расчета |
||||||
| Вид выпрямителя |
К1 |
К2 |
К3 |
К4 |
m |
q |
| Двухполупериодный |
1.57 |
1.57 |
1.10 |
0.80 |
2.00 |
0.67 |
Примечание. К1 - коэффициент расчета Uд max ; К2 - коэффициент расчета Iд max ; К3 - коэффициент расчета U2 ; К4 - коэффициент расчета Pp ; m - номер основной гармоники (гармоники наинизшей частоты) выпрямленного тока; q - коэффициент пульсации выпрямителя без фильтра.
1.4 Расчёт сопротивления нагрузки RН и средней мощности P н , выделяемой на нагрузке.

1. 5 Расчёт максимального обратного напряжения на диоде U д max и максимального прямого тока через диод I д max .

1. 6 Расчёт действующих значений напряжений на первичной U1 и вторичной U2 обмотках трансформатора, коэффициента трансформации по напряжению n U , потребляемой мощности трансформатора Pp .

1. 7 Расчёт коэффициента фильтрации S кф и ёмкости фильтра Сф .

1. 8 Расчёт постоянной времени t ф переходного процесса в фильтре
1.9 Выбор полупроводникового диода по результатам расчета.
В соответствии с полученными результатами был выбран выпрямительный диод (кремниевый) из «Справочника по электронике»
| Ток, мА |
Напряжение, В |
||||
| Тип выпрямительного диода |
максимальный средний выпрямительный Iвп.ср. ma , мА |
постоянный обратный ток Iорб , мА |
максимальное постоянное обратное Uобр. max , В |
постоянное прямое Uпр , В |
Диапазон рабочих температур |
| КД202А |
5*103 |
0.8 |
35 |
0.9 |
-60 ¸ +130 |
1.10 Графики работы выпрямителя с фильтром по расчётным данным в масштабе.
Группа: 6ПВК-II-28
Студент: Гаврилин Дмитрий
Вариант: А-4
2.1 Расчёт транзисторного усилителя
2.2 Расчётная схема транзисторного усилителя .

На схеме обозначены:
Uп - постоянное напряжение питания усилителя;
Rк - резистор в цепи коллектора;
Rэ - резистор в цени обратной отрицательной связи по току;
Cэ - конденсатор, шунтирующий резистор Rэ по переменному ток;
RБ1 ,RБ2 - резисторы делителя напряжения а цепи базы;
CР1 ,CР2 - разделительные конденсаторы в цепях входного и выходного сигналов, соответственно;
Rн - резистор нагрузки;
Eвх - действующее значение ЭДС источника входного сигнала;
Uвх - действующее входное синусоидальное напряжение (входной сигнал);
Uвых - действующее выходное синусоидальное напряжение (выходной сигнал);
iк - ток коллектора;
iБ - ток базы;
iЭ - ток эмиттера;
iн - ток нагрузки.
2.3 Исходные данные для расчёта согласно варианту.
Uп = 20 В (напряжение питания), ¦В = 3. 104 Гц (высшая частота полосы частот усиливаемого сигнала) , I км = 0.03 А; Евх =0.01 в;
R н = 800 Ом
2.4 Предварительный выбор транзистора по таблице 6.
Используются неравенства
Iкм < I’ км ; Uп < U’ кэм ; ¦в < ¦ гр
(где Iкм - максимальный ток коллектора транзистора; Uп - постоянное напряжение питания усилителя; ¦в - верхняя рабочая частота усилителя.)
Так как для транзистора КТ-801 , который имеет параметры
I’ км = 2 ; U’ кэм =60 ; ¦ гр =107 , неравенства выполняются , то
выбираем транзистор КТ-801 (0.03 < 2; 20 < 60; 3 . 104 < 107)
Значения параметров транзистора
(справочные данные)
| Тип |
I’км , А |
U’кэм , В |
P’км , Вт |
¦r , Гц |
h11 , Ом |
h21 , - |
h12 , - |
h22 , См |
|
| 5 |
КТ801 |
2.00 |
60 |
5.00 |
107 |
100 |
60 |
0.005 |
10-1 |
2. 5 Расчет параметров режима покоя
а) Коллекторный ток покоя;
Iкп = 0.5 Iкм = 0.5 . 0.03 = 0.015 А
б) Ток покоя базы

где h 21 - коэффициент усиления по току из таблицы 6.
в) Ток покоя эмиттера;
IЭП = IКП + IБП = 0.015 + 0.00025 = 0.01525 А
г) Напряжение покоя эмиттера (эмиттер - масса);
UЭП = (0.1 ¸ 0.2) / UП = 0.2 / UП = 0.2 / 20 = 0.01 В
д) Напряжение покоя коллектора - эмиттера;
UКЭП =0.5*UП - UЭП =10-0.01=9.99 В
е) Мощность, выделяемая на транзисторе в режиме покоя(мощность рассеяния);
PТП =UКЭП *IКП =9.99*0.015=0.149 Вт
2. 6 Расчёт цепи R Э , СЭ обратной отрицательной связи по постоянному току;
а) Расчёт Rэ (сопротивление резистора в цепи обратной отрицательной связи)

б) Расчёт Сэ (емкость конденсатора в цепи обратной отрицательной связи)

2.7 Проверка правильности выбора трансформатора по мощности рассеяния, используя неравенство PТП < P ’ КМ ( где P ’ КM = 5 Вт из таблицы 6 для транзистора КТ-801, а P ТП = 0. 1 49 из расчетов)
0. 1 49< 5 .00
неравенство выполняется следовательно транзистор выбран правильно .
2.8 Расчёт сопротивления RK в цепи коллектора .

2.9 Расчёт сопротивлений R Б1 , R Б2 делителя напряжения в цепи базы и напряжения смещения U БЭП
Rб1 = h21 . RК = 60 . 1300= 78000 = 78 кОм
Rб2 » 0.25 . Rб1 = 0.25 . 78000 = 19.5 кОм
Напряжение смещения на базе
UБЭП = URБ1 - UЭП = 4 - 0.01 = 3.99 В
2.10 Расчёт коэффициентов усиления усилителя .
а) По напряжению

где , h21 =60 - коэффициент усиления по току транзистора
h11 =100 - входное сопротивление транзистора
h22 =10-1 - выходная проводимость транзистора из таблицы 6.
б) По току
K i = h21 = 60
в) По мощности

2.11 Расчёт входного R ВХ и выходного R ВЫХ сопротивлений усилителя
Ом
2.12 Расчёт выходного напряжения
2.13 Построение входной
, выходной
![]()
и переходной
характеристик в масштабе

2.14 Построение в масштабе временных графиков процесса усиления с использование исходных и расчетных данных и характеристик, построенных в п. 2 .10.
При этом 

