| Скачать .docx |
Реферат: Характеристики операционных усилителей
Министерство образования и науки РФ
Дальневосточный Государственный Технический Университет
(ДВПИ им. Куйбышева)
Институт Радиоэлектроники Информатики и Электротехники
ЭЛЕКТРОНИКА
«ХАРАКТЕРИСТИКИ ОПЕРАЦИОННЫХ УСИЛИТЕЛЕЙ»
Владивосток
2010 г.
Цель работы: познакомиться с методами определения основных параметров операционных усилителей (ОУ) – входных токов, напряжения смещения, дифференциального входного и выходного сопротивлений, скорости нарастания выходного напряжения, коэффициентов усиления инвертирующего и неинвертирующего усилителей, а также разности фаз между входными и выходными синусоидальными напряжениями и влияния коэффициента усиления ОУ на постоянную составляющую выходного напряжения.
Для исследования характеристик был использован ОУ LM741, имеющий следующие паспортные данные:
· средний входной ток ОУ – 0,08 мкА;
· разность входных токов ОУ – 0,02 мкА;
· напряжение смещения ОУ – 1 мВ;
· входное сопротивление ОУ – 2 МОм;
· выходное сопротивление ОУ – 75 Ом;
· скорость нарастания выходного напряжения ОУ – 0,5 В/мкс.
1. Для измерения входных токов ОУ использовалась схема, приведенная на рис. 5.1. При измерениях получены токи: I1 = 0,07мкА, I2 = 0,09мкА, откуда среднее значение тока IСР ВХ = 0,08мкА, а ∆ IСР = 0,02мкА.
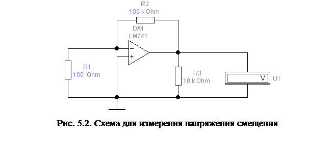
2. Для измерения напряжения смещения ОУ использовалась схема, приведенная на рис. 5.2. Выполнены измерения и расчеты:
· UСМ = ∆UВЫХ / КУ ;
· KУ = - R2 /R1 ;
· ∆UВЫХ = 1,003 В;
· UСМ = - 1 мВ.
Полученное значение напряжения смещения совпадает с паспортными данными ОУ.

3. Для измерения входного и выходного сопротивлений ОУ использовалась схема, приведенная на рис. 5.3.

Выполнены следующие измерения и расчеты по пункту А:
· UВХ(1) = 10мВ, IВХ(1) = 0,075мкА, UВЫХ(1) = - 20,98В;
· UВХ(2) = - 10мВ, IВХ(2) = 0,064мкА, UВЫХ(2) = 20,98В;
· RВХ ДИФ = ∆UВХ / ∆ IВХ = 2МОм.
Полученное значение входного дифференциального сопротивления совпадает с паспортными данными ОУ (2,0МОм).
При измерениях по пункту Б получено значение сопротивления нагрузки RН = RВЫХ = 75 Ом, которое совпадает с паспортными данными ОУ (75Ом).
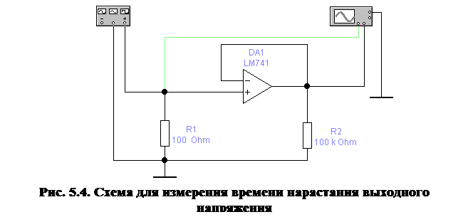
4. Для измерения времени нарастания выходного напряжения ОУ использовалась схема, приведенная на рис. 5.4. Измерения проводились в режиме генерации прямоугольных импульсов на частоте 2 кГц (Т=500 мкс) при амплитуде двух полярного сигнала 10В, результаты отображены на осциллограмме рис. 5.5.
Измеренное время нарастания составило ТУСТ = 40 мкс, а общая амплитуда сигнала ∆UВЫХ = 20 В. Соответственно скорость нарастания определилась как:
VU ВЫХ = ∆UВЫХ / TУСТ = 0,5В/мкс,
что соответствует паспортным данным ОУ(0,5 В/мкс).


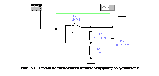
5. Работа неинвертирующего усилителя в режиме усиления синусоидального напряжения исследовалась по схеме рис. 5.6.

Коэффициент усиления данной схемы неинвертирующего усилителя определяется как: КУ = 1+ R2 / R1 = 201.
Входное напряжение схемы UВХ = 10мВ, измеренное UВЫХ = 2В, откуда коэффициент усиления будет приблизительно равен К* У = 200, что, с учетом погрешности измерения, соответствует расчетному значению (КУ = 201).
Входной и выходной сигналы в данном варианте находятся в фазе – неинвертирующий усилитель на ОУ не изменяет фазу сигнала.
Измеренное значение постоянной составляющей выходного напряжения ∆U* ВЫХ = 0,2В, что соответствует, с учетом погрешности измерения, ее расчетному значению ∆UВЫХ = UСМ ∙ КУ = 0,2В.
|
|

6. Исследование влияния параметров схемы на режим её работы также проводились по схеме рис. 5.6, в которой значение сопротивления R2 уменьшено с 200 кОм до 10 кОм и амплитуда генератора увеличена до 100мВ.
|

В этом случае: КУ = 1+ R2 / R1 = 11.
Входное напряжение схемы UВХ = 0,1В, измеренное UВЫХ = 1,1В, откуда коэффициент усиления будет приблизительно равен К* У =11, что соответствует расчетному значению (КУ = 11).
Входной и выходной сигналы также находятся в фазе.
Измеренное значение постоянной составляющая выходного напряжения ∆U* ВЫХ = 0,01В, что соответствует, с учетом погрешности измерения, ее расчетному значению ∆UВЫХ = UСМ ∙ КУ = 0,01В.
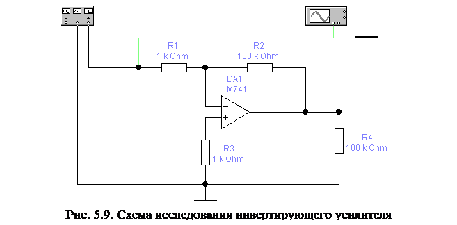
7. Работа усилителя в режиме усиления синусоидального напряжения рассмотрена на примере схемы, приведенной на рис. 5.9. Коэффициент усиления данной схемы инвертирующего усилителя определяется как: КУ = R2 / R1 =100.
Входное напряжение схемы UВХ = 0,01 В, измеренное UВЫХ = 1В, откуда коэффициент усиления будет равен К* У = 100, что соответствует расчетному значению (КУ =100).
Входной и выходной сигналы в данном варианте находятся в противофазе – инвертирующий усилитель на ОУ изменяет фазу сигнала на 1800 .
Измеренное значение постоянной составляющей выходного напряжения ∆U* ВЫХ = 100мВ (рис. 5.10), что соответствует ее расчетному значению ∆UВЫХ = UСМ ∙ КУ = 100мВ.

8. Исследование влияния параметров схемы на режим работы схемы рис. 5.9 показано на осциллограмме рис. 5.11. В этом режиме значение сопротивления R = 10 кОм, а амплитуда входного сигнала – 100 мВ.

Выходное измеренное напряжение UВЫХ = 1 В, откуда коэффициент усиления будет равен К* У = 10, что соответствует расчетному значению КУ = R2 / R1 = 10.
Входной и выходной сигналы в данном варианте также находятся в противофазе – данная схема усилителя изменяет фазу сигнала на 1800 .
Измеренное значение постоянной составляющей выходного напряжения ∆U* ВЫХ = 10мВ (рис. 5.10), что соответствует ее расчетному значению ∆UВЫХ = UСМ ∙ КУ = 10мВ.
Выводы
В результате проделанной работы с использованием средств моделирования программного комплекса «ElectronicsWorkbench» познакомились с методами определения основных параметров операционных усилителей (ОУ) – входных токов, напряжения смещения, дифференциального входного и выходного сопротивлений, скорости нарастания выходного напряжения, коэффициентов усиления инвертирующего и неинвертирующего усилителей, а также разности фаз между входными и выходными синусоидальными напряжениями и влияния коэффициента усиления ОУ на постоянную составляющую выходного напряжения. Экспериментальные данные, полученные в работе, подтверждены аналитическими расчетами.