| Скачать .docx |
Курсовая работа: Реле акустическое на полевом транзисторе 2
Федеральное агентство по образованию
Тульский государственный университет
КАФЕДРА РАДИОЭЛЕКТРОНИКИ
Реле акустическое на полевом транзисторе
Пояснительная записка
к курсовой работе по дисциплине:
«Основы компьютерного проектирования и моделирования РЭС»
ФКРЭ 467.740.001.ПЗ
Выполнил ст. гр. 220541Галкин Я.А.
Руководитель Овчинников А.В.
Тула 2007
Федеральное агентство по образованию
Тульский государственный университет
Кафедра радиоэлектроники
ЗАДАНИЕ
на курсовую работу по курсу
«Основы компьютерного проектирования и моделирования РЭС»
студенту гр. 220541 Галкину Я.А.
1. Тема: Реле акустическое на полевом транзисторе
2. Исходные данные: Схема электрическая принципиальная.
Устройство предназначено для эксплуатации в помещении при рабочих значениях температуры воздуха +100
+
400
±
50
С,
атмосферным давлении 86,6-106,7 кПа и верхнем значении относительной влажности 80% при температуре 250
С.
Время наработки на отказ – 30 лет. Надёжность после наработки в 5000 должна быть больше 0,8.
3. Перечень вопросов, требующих проработкиРазработать печатную плату данного устройства, выбрать материалы платы и корпуса, расчет конструктивных параметров платы, расчет технологичности, расчет надежности.
4. Перечень графического материала:Схема электрическая принципиальная, печатная плата.
5. Основной библиографический список:Акимов И.Н. «Резисторы, Конденсаторы. Справочник», Романычева Э.Т. и др. Разработка и оформление конструкторской документации РЭА: справ., Проектирование и производство печатных плат: Учеб. пособие/ Л.П. Семенов.
Дата выдачи задания 7 марта 2007г.
Задание принял Галкин Я. А.
(подпись) (Ф. И. О)
Задание выдал Овчинников А.В.
(подпись) (Ф. И. О.)
Аннотация
В данном курсовом проекте я анализирую техническое задание, на его основе произвожу выбор способа изготовления печатной платы, расчет конструктивно-технологических параметров печатной платы, выбор элементов и материалов, а так же расчет надежности.
Кроме расчетной части в курсовом проекте разрабатывается технологический процесс изготовления печатной платы и заполняются операционные карты процесса изготовления печатной платы.
Вся документация должна соответствовать стандартам ЕСКД.
Пояснительная записка содержит 25 листов.
А так же:
- схема электрическая принципиальная акустического реле на полевом транзисторе (формат А3);
- перечень элементов (формат А4).
Содержание
Введение…………………………………………………………………….6
1. Анализ технического задания……………………………………....7
2. Выбор и обоснование применяемых элементов и материалов…..9
3. Выбор и обоснование конструктивных решений………………..10
4. Выбор и обоснование способа изготовления печатной платы….11
5. Описание конструкции прибора……………………………….....12
6. Расчет технологичности конструкции………………………..….15
7. Расчет конструктивных параметров печатной платы……….….18
8. Расчет надежности…………………………………………….….20
9. Заключение…………………………………………………….….23
Список использованной литературы……………………………….….24
Введение
Конструкторской документацией (КД) называют совокупность конструкторских документов, содержащих в зависимости от их назначения данные, необходимые для разработки, изготовления, контроля, приемки, поставки, эксплуатации и ремонта изделия. В конструкторской документации указываются не только чертежи, но также описываются способы создания отдельных деталей, а также сборки узлов.
Основная задача конструирования – выбор оптимальных решений при определённых требованиях, задаваемых в ТЗ (техническом задании). Такими требованиями могут быть: цена, надёжность, распространённость (материалов и (или) элементов) и т. д.
Конструкция радиоэлектронной аппаратуры (РЭА) отличается от других особенностью формируемых внутренних связей между частями: кроме пространственных и механических должны быть установлены сложные электрические, тепловые и электромагнитные связи. Эта особенность настолько существенна, что отделяет конструирование РЭА в отдельное инженерное направление.
1. Анализ технического задания
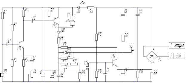
В данной курсовой работе требуется разработать акустическое реле на полевом транзисторе. Для сборки электронной части устройства применяется односторонняя печатная плата, которая закрепляется в пластиковом корпусе.
Данное реле обладает следующими параметрами:
- коммутируемое напряжение - ~220 В;
- ток нагрузки - 1 А;
- потребляемый ток
10мА;
- потребляемая мощность
2.2 Вт;
- рабочая частота 50 Гц.
Корпус устройства должен быть удобным, для того чтобы держать его в руках, а органы управления расположены так, чтобы оператору не составляло большого труда управлять моделью.
Устройство должно надежно работать в следующих условиях:
- температура окружающей среды +10
+40 ± 5°С;
- работа в помещении;
- относительная влажность воздуха при температуре +250 С до 80%;
-
атмосферное давление 86,6 -106,7 кПа.
В данной схеме устройства используется микрофон, а так же его усилитель на основе транзистора VT1 для открытия реле, мощность усиления регулируется с помощью подстроечного резистора R6. Так же реле можно открыть с помощью единовременного нажатия на кнопку S1.
Открытие производится при помощи заряда накопляемого на конденсаторе C5. После открытия данный конденсатор, а так же конденсатор С9 (он регулирует время открытия реле) разрежаются через резисторы R10,R11. Также для ускорения разрядки используется транзистор VT4.
Когда происходит открытие реле (открытие транзистора VT5) ток в цепи R12, HL1 прекращается, усилитель микрофона обесточивается, а так же напряжение на конденсаторе C4 падает до 0.
Закрытие реле происходит, после закрытия транзистора VT5. После закрытия питание светодиода и усилителя микрофона восстанавливается – прибор переходит в исходное состояние.
Все элементы являются достаточно надежными в применении, недорогими и отвечают всем эксплуатационным, электрическим требованиям, а так же имеют допустимые габариты.
2. Выбор и обоснование элементов и материалов.
2.1 Выбор резисторов.
Для изготовления устройства выберем наиболее распространенные в промышленном производстве резисторы типа МЛТ, имеющие номинальную мощность рассеивания 0,125Вт, эти резисторы рассчитаны на работу при температуре окружающей среды -60 ч +70°С и относительной влажности до 98% при температуре +35° С, что удовлетворяет техническому заданию. Некоторые резисторы по ТЗ требуют большую мощность, в соответствии с требованиями выбираем более мощные.
Подстроечный же резистор выбираем типа СП3 - 19.
Так же для экономии места я использовал резисторы К1–12 – бескорпусные.
Номинальное сопротивление всех резисторов указано в перечне элементов. Они соответствуют стандартному ряду сопротивлений, который рекомендован для данного типа резисторов.
2.2 Выбор конденсаторов.
Электролитические конденсаторы выбираем типа К50, т. к. они достаточно дёшевы и распространены. По возможности для уменьшения габаритов выбираем бескорпусные конденсаторы типа К10. Так же требуются конденсаторы высокого напряжения, выбираем конденсаторы удовлетворяющие данному условию – К73. Мы их выбрали исходя из того, что они подходят по номинальному напряжению и имеют относительно малые размеры, так же они подходят и по диапазону рабочих температур. Электролитические конденсаторы это оксидно-электролитические конденсаторы предназначенные для работы в цепях постоянного и импульсного тока с температурами окружающей среды -20ч +70°С и имеют минимальную наработку 5000 часов, предназначены для монтажа на печатной плате.
2.3 Выбор светодиода.
В качестве индикатора работы прибора используется красный светодиод HL1 АЛ307, как наиболее дешёвый, простой и надёжный.
2.4 Выбор материала корпуса.
Выберем литой пластмассовый корпус, как наиболее легкий, обеспечивающий достаточную прочность конструкции и малые габариты в соответствии с техническим заданием.
2.6 Выбор системы питания.
Данное устройство питается от сети ~220В, 50 Гц, через нагрузку.
2.7 Выбор материала печатной платы.
В данном устройстве используется печатная плата выполненная из стеклотекстолита. Данный материал был взят, как часто используемый на производстве. Он более прочный механически, а так же в нём ослаблены ёмкостные связи по сравнению с другими материалами (к примеру гетинакс).
3. Выбор и обоснование конструкторского решения.
Печатный монтаж широко используется в конструкции РЭС. Он выполняется в виде печатных плат или гибких печатных кабелей. В качестве основания для печатной платы используется диэлектрик или покрытый диэлектриком металл, а для гибких печатных кабелей — диэлектрик. Для выполнения печатных проводников диэлектрик часто покрыт медной фольгой толщиной 35…50 мкм , либо медной или никелевой фольгой толщиной 5…1 0мкм . Мы не имеем возможности использовать одностороннюю печатную плату, в связи со сложностью устройства, применяем двустороннюю. Печатный монтаж выполняется базовым комбинированным позитивным методом (с предварительным сверлением отверстий). Данный способ основан на процессах гальванического осаждения меди.
При определении площади платы, габаритов и соотношения размеров сторон были учтены следующие факторы: площадь размещаемых на плате элементов и площадь вспомогательных зон; допустимость габаритов с точки зрения технологических возможностей и условий эксплуатации. При определении площади платы суммарная площадь устанавливаемых на нее элементов умножается на коэффициент дезинтеграции, равный 1.5…3, и к этой площади прибавляется площадь вспомогательных зон. Дезинтеграция осуществляется с целью обеспечения зазоров для размещения линий связи, теплоотвода. Чрезмерное уменьшение зазоров между элементами на плате может привести к увеличению напряженности теплового режима.
Вместе с остальными деталями плату размещают в корпусе крепежными винтами.
Так как удельная мощность рассеивания мала, то применяется естественное охлаждение.
4. Выбор и обоснование способа изготовления печатной платы.
В зависимости от числа нанесенных проводящих слоев печатные платы (ПП) разделяются на одно - двусторонние и многослойные. Двусторонние ПП выполняются на рельефном литом основании без металлизации или с металлизацией. Их применяют для монтажа бытовой радиоаппаратуры, блоков питания и устройств техники связи.
Методы изготовления ПП разделяются на две группы: субтрактивные и аддетивные, а так же комбинированные (смешанные). В субтрактивных методах в качестве основания для печатного монтажа используют фольгированные диэлектрики, на которых формируется проводящий рисунок путем удаления фольги с непроводящих участков. Аддетивные методы основаны на избирательном осаждении токопроводящего покрытия, на которое предварительно может наноситься слой клеевой композиции.
Несмотря на преимущества, применение аддетивного метода в массовом производстве ПП ограниченно низкой производительностью процесса химической металлизацией, интенсивным воздействием электролитов на диэлектрик, трудностью получения металлических покрытий с хорошей адгезией. Доминирующей в этих условиях является субтрактивная технология, но самым выгодным (т.к. берёт плюсы с обоих методов) является комбинированный.
Основным методами, применяемыми в промышленности для создания рисунка печатного монтажа, являются офсетная печать, сеткография и фотопечать. Выбор метода определяется конструкцией ПП, требуемой точностью и плотностью монтажа, производительностью оборудования и экономичностью процесса.
Так как ПП двусторонняя, плотность монтажа не велика (минимальная ширина проводников не меньше 1 мм) и производство определенно как серийное, то в данной курсовой работе плата изготавливается сеточно-химическим способом. Данный способ широко используется при массовом и серийном производстве печатных плат из стеклотекстолита. Как правило, изготовление плат осуществляется на универсальных механизированных линиях, состоящих из отдельных автоматов и полуавтоматов, последовательно выполняющих операции технологичного процесса.
Весь процесс изготовления печатных плат складывается из следующих основных технологических операций:
1. Раскрой материала и изготовление заготовок плат;
2. Нанесение рисунка схемы кислотоустойчивой краской;
3. Травление;
4. Удаление защитного слоя краски;
5. Крацовка;
6. Нанесение защитной эпоксидной маски;
7. Горячее лужение мест пайки;
8. Штамповка;
9. Маркировка;
10.Контроль платы.
С целью максимальной механизации и автоматизации процесса все печатные платы изготавливаются (проходят обработку на линии) на одной из габаритных технологических заготовках.
Более подробно технологический процесс описан в приложении.
5. Описание конструкции прибора.
Прибор выполнен в соответствии с техническим заданием, помещён в корпус, который сделан из пластмассы. Габариты корпуса 135
95
45. Все радиоэлементы размещены на печатной плате, расположенной горизонтально. Плата крепится к корпусу с помощью шурупного соединения. Крышка корпуса крепиться к корпусу двумя шурупами.
Сбоку корпуса вырезан паз для вывода сетевого провода. Сверху в корпусе просверлено отверстие для установки светодиодного индикатора, также есть прорезь, которая способствует доступу звуковых волн к динамику, расположенному внутри устройства. Для удешевления исполнения я выбрал красный светодиод.
6.Расчёт технологичности конструкции.
На практике, вследствие того, что технологичность является одной из важнейших характеристик, возникает необходимость ее оценки при выборе наилучшего варианта ее изготовления из нескольких возможных.
Существует много различных показателей, на основе которых оценивается как общая, так и отдельные ее составляющие. Рассмотрим некоторые из них.
6.1 Распределение деталей по преемственности
На основе таблицы 1 определяются следующие коэффициенты [5]:
Таб. 1
Показатели |
Детали | |||||
Специально изготовленные |
Нормальные | Покупные | ||||
Для данного изделия, NC |
Заимство-ванные из др. изделий, NЗ |
Не крепежные, NН |
Крепежные, NK |
Нестанда-ртные NП |
Стандарт ные, NПС |
|
количество наимено-ваний, D |
1 | 1 | 1 | 1 | - | 11 |
количество деталей, Ш |
1 | 1 | 1 | 1 | - | 42 |
N ш.н. — количество некрепежных деталей;
N ш.п.с. — количество стандартных деталей;
N ш.к. — количество крепежных деталей;
N ш.в. — количество всех деталей.
N ш.з. — количество деталей, заимствованных из других изделий;
N ш.к. — количество крепежных деталей.
N ш.с. — количество деталей, изготовленных специально для данного изделия;
N д.с. — количество разновидностей деталей, изготовленных специально для данного изделия.
N ш.п. — количество нестандартных деталей.
1. Коэффициент нормализации
, ![]()
2. Коэффициент заимствования:
, ![]()
3. Коэффициент повторяемости:
, ![]()
4. Коэффициент преемственности:
, ![]()
6.2 Распределение узлов по сложности и взаимозаменяемости внутри узла
| Показатели | Узлы | Итого | ||||
| Простые, МШ.ПР. | Селекционные, МШ.СЛ. | Регулируемые, МШ.Р. | Повторные, МП.В. | Настр- иваемые, МШ.НС. | ||
| Узлы (сборки) специальные и заимствованные, МШ.Е.С. +МШ.Е.З. | - | - | - | - | 1 | 1 |
Здесь на основе таблицы 2 определяются следующие коэффициенты [5]:
1. Коэффициент сложности сборки:
![]()
2. Коэффициент взаимозаменяемости внутри узлов:
![]()
![]()
Таб. 3
| Показатели | Ед. изм. | |
Габаритные размеры изделия: длина ширина высота |
мм мм мм |
135 94 46 |
| Масса готового изделия | кг | 0,17 |
| Масса 1 см3 | г | 0,29 |
| Общее количество наименований деталей | шт. | 24 |
| Коэффициент сложности сборки | - | 1 |
| Общее количество деталей | шт. | 56 |
7 . Расчёт конструктивных параметров печатной платы.
В качестве исходных данных необходимо иметь: конструкцию печатной платы, способ получения рисунка, минимальное расстояние между отверстиями, шаг координатной сетки, форму контактных площадок, плотность монтажа. В результате рассчитывается диаметр контактной площадки, ширина проводника, расстояние между проводящими элементами.
Плата изготавливается сеточно-химическим методом по второму классу точности. Основные ее конструктивные параметры следующие:
- минимальное значение номинальной ширины проводника tH =1 мм;
- номинальное расстояние между проводниками SH =0,5 мм;
- отношение диаметра отверстия к толщине платы ≥ 0,33;
- допуск на отверстие ∆d=±0,05 мм;
- допуск на ширину проводника
мм;
- допуск на расположение отверстий
мм;
- допуск на расположение контактных площадок
мм;
- допуск на расположение проводников
мм;
Значение ширины проводника определяется по формуле:
,
где
- нижнее предельное отклонение ширины проводника. В этом случае t=1,05 мм.
Диаметр монтажных отверстий рассчитывается следующим образом [2]:
,
где
- диаметр вывода устанавливаемого элемента;
- нижнее предельное отклонение от номинального диаметра монтажного отверстия;
- разница между минимальным диаметром отверстия и
максимальным диаметром устанавливаемого вывода.
Тогда d1 =0,5 мм, d2 =0,8 мм, d3 =1 мм, d2 =1,1 мм.
Определим диаметр контактных площадок:
,
где
- верхнее предельное отклонение диаметра отверстия;
- верхнее предельное отклонение ширины проводника.
Тогда D1 =1,8 мм, D2 =2 мм, D3 =2,2 мм, D2 =2,3 мм.
Найдем значение минимального расстояния между соседними элементами проводящего рисунка:
.
Подставив значение получим, что
S=0,33.
Рассчитанные параметры соответствуют чертежу печатной платы. Выбранный метод изготовления печатной платы позволяет выполнить плату с полученными параметрами.
8. Расчёт надёжности.
Расчет надежности состоит в определении количественных показателей надежности системы по значениям характеристик надежности элементов.
В зависимости от полноты учета факторов, влияющих на надежность системы, могут проводиться прикидочный расчет надежности, ориентировочный расчет и уточненный расчет.
Прикидочный расчет проводится на этапе проектирования, когда принципиальных схем блоков системы еще нет. Количество элементов в блоках определяется путем сравнения проектируемой системы с аналогичными, ранее разработанными системами.
Расчет надежности при подборе типов элементов проводится после разработки принципиальных электрических схем. Целью расчета является определение рационального состава элементов.
Расчет надежности при уточнении режимов работы элементов проводится, когда основные конструктивные проблемы решены, но можно еще изменить режимы работы элементов.
Результаты ориентировочного расчета надежности оформлены в виде таблицы.
Таб. 4
| № | Наименование и тип элементов | Обозначение на схеме |
N |
Интенсивность отказа
|
|
| 1 | Диодный мост | VT4 | 1 | 1,2 | 1,2 |
| 2 | Диоды импульсные сплавные | VD2, VD3 | 2 | 0,6 | 1,2 |
| 3 | Кнопкадубл. | S1 | 1 | 0,035 | 0,035 |
| 4 | Конденсаторы бескорпусные | C2, C3, C7 | 3 | 0,001 | 0,003 |
| 5 | Конденсаторы керамические | C1, C6 | 2 | 1,4 | 2,8 |
| 6 | Конденсаторы плёночные | C8-C10 | 3 | 1,6 | 4,8 |
| 7 | Конденсаторы электролитические | C4, C5 | 2 | 0,035 | 0,07 |
| 8 | Микрофон | M1 | 1 | 5,0 | 5 |
| 9 | Пайки | - | 94 | 0,004 | 0,376 |
| 10 | Провода соединительные | - | 6 | 0,015 | 0,09 |
| 11 | Резисторы МЛТ-0.25 | R2, R3, R10, R13-R15, R17 | 7 | 0,04 | 0,28 |
| 12 | Резисторы МЛТ-1.0 | R19 | 1 | 1,0 | 1,0 |
| 13 | Резисторы бескорпусные | R1, R4, R5, R7-R9,R11, R12, R16, R18 | 10 | 0,001 | 0,01 |
| 14 | Резистор подстроечный | R6 | 1 | 0,5 | 0,5 |
| 15 | Светодиод | HL1 | 1 | 2,157 | 2,157 |
| 16 | Стабилитрон | VT1 | 1 | 5,0 | 5,0 |
| 17 | Транзисторы полевые | VT3, VT5 | 2 | 1,8 | 3,6 |
| 18 | Транзисторы биполярные | VT1, VT2, VT4 | 3 | 3,0 | 9,0 |
| 19 | Разъём Вилка РС4ТВ | X1 | 1 | 0,04 | 0,04 |
![]()
Средняя наработка на отказ равна:
![]()
График надежности строится по экспоненциальному закону
,
Этот график изображен на рис.1.

Рис.1. График надежности устройства.
![]()
Данные результаты удовлетворяют условию ТЗ.
9. Заключение.
При выполнении курсовой работы по теме «Реле акустическое на полевом транзисторе» были выполнены расчеты конструктивно—технологических параметров печатной платы и надежности схемы. Был произведён выбор и обоснование способа изготовления печатной платы и элементов.
В результате работы разработано устройство полностью соответствующее техническому заданию.
Основываясь на результаты расчета можно сделать вывод о том, что устройство может выпускаться как серийно, так и штучно без каких-либо ограничений.
Список использованной литературы.
1. Краткий справочник конструктора радиоэлектронной аппаратуры. Под ред. Р. Г. Варламова. М., «Сов. радио», 1973, 856с.
2. Павловский В. В., Васильев В. П., Гутман Т. Н., Проектирование ехнологических процессов изготовления РЭА. Пособие по курсовому проектированию: Учеб. пособие для вузов. - М.: Радио и связь, 1982.-160с.
3. Разработка и оформление конструкторской документации радиоэлектронной аппаратуры: Справочник / Э.Т. Романычева, А. К. Иванова, А. С. Куликов и др.; под ред. Э.Т. Романычевой. -2-е изд., перераб. и доп. - М.: Радио и связь, 1989. - 448с.
4. Сборник задач и упражнений по технологии РЭА: С32 Учебное пособие/ Под ред. Е. М. Парфенова. - М.: Высш. школа, 1982. — 255с.
5. Резисторы: (справочник)/ Ю. Н. Андреев, А. И. Антонян, и др.; Под ред. И.И Четвертакова. - М.: Энергоиздат, 1981. - 352с.
6. Сборник задач по теории надёжности. Под ред. А. М. Половко и И. М. Маликова. М., Изд-во «Советское радио», 1972, 408 стр.
7. Технология и автоматизация производства радиоэлектронной аппаратуры: Учебник для вузов/ И. П. Бушминский, О.Ш. Даутов, А. П.Достанко и др.; Под ред. А.П. Достанко, Ш.М. Чабдарова. - М.: Радио и связь, 1989. - 624с.
8. Интегральные микросхемы: Справочник/ Б.В. Тарабрин, Л.Ф. Лунин и др.; Под ред. Б.В. Тарабрина. – М.: Радио и связь. 1984 – 528 с.