| Скачать .docx |
Реферат: Призначення і принцип дії цифрового вольтметру
Контрольна робота
«Метрологія, стандартизація, сертифікація та акредитація» (варіант№51)
Призначення і принцип дії цифрового вольтметру. Привести часові діаграми. Проаналізувати похибки.
Найбільш зручними в експлуатації приладами для вимірювання напруги є цифрові вольтметри. Вони можуть вимірювати як постійні, так і змінні напруги. Клас точності – до 0,001, діапазон – від одиниць мікровольт до декількох кіловольт. Сучасні микропроцесорні ЦВ оснащені клавиатурою і часто дозволяють проводити вимірювання не тільки напруги, але й струму, опору тощо, тобто є багатофункціональними вимірювальними приладами – тестерами ( мультиметрами абоавометрами) .
Серед вимірювальних приладів ЦВ займають особливе місце, так як вони дозволяють забезпечити автоматичний вибір межі та полярності вимірюванних напруг; автоматичну корекцію похибок; малі похибки виміру (0,01 – 0,001%) при широкому діапазоні вимірюванних напруг (від 0,1 мкВ до 1000 В), видачу результатів виміру у цифровому вигляді, документальну реєстрацію за допомогою цифродрукуючого пристрою, ввод вимірювальної інформації в ЕОМ та складні інформаційно-вимірювальні системи. Цифровий вольтметр в порівнянні з аналоговим містить аналогово-цифровий перетворювач (кодуючий пристрій) (АЦП), пристрій цифрового відліку.
Принцип роботи ЦВ складається в перетворенні вимірювальної постійної або повільно змінюючоїся напруги в електричний код, який відображається на табло у цифровій формі. Згідно з цим узагальнена структурна схема цифрового вольтметра складається з вхідного пристрою ВхП, аналого-цифрового перетворювача АЦП та цифрового індикатора Ц І.
![]() |
Мал.1. Узагальнена структурна схема цифрового вольтметра.
Цифрові вольтметри класифікують за способом перетворення безперервної величини у дискретну; структурної схеми АЦП; застосовуємими технічними засобами; способу компенсації.
За способом перетворювання розрізняють ЦВ з порозрядним кодуванням (зважуванням), з час- і частото-імпульсними перетвореннями (інтегруючі).
За способом структурної схеми АЦП ЦВ діляться на вольтметри прямого перетворення і урівноважуючого перетворення.
За застосовуємими технічними засобами ЦВ діляться на електромеханічні вольтметри та електронні вольтметри.
За способом врівноваги ЦВ діляться на вольтметри з слідкуючою та розгортаючою врівновагою.
Основні параметри ЦВ. Точність перетворення визначається похибкою квантування по рівню, характеризуємою кількістю розрядів у вихідному коді.
Похибка ЦВ має дві складові, одна з яких залежить від вимірюванної величини (мультипликативна), а інша не залежить (адитивна). Таке представлення пов’язано з дискретним принципом вимірювання безперервної величини, так як в процесі квантування виникає абсолютна похибка, обумовлена кінцевою кількістю рівнів квантування. Абсолютна похибка вимірювання напруги:
∆U=±(yвідн Ux + m знаків), або ∆U=±(yівідн Uкз + m знаків),
де yвідн – видносна похибка вимірювання; Ux –значення вимірюванної напруги; Uкз – кінцеве значення на вибранній межі вимірювання; m знаків – значення, визначаєме одиницею молодшого розряду цифрового відлікового пристрою (адитивна похибка дискретності).
Основна припустима відносна похибка представляється і в іншому вигляді: yвідн = ±( a + bUкз /Ux ), де а і b – постійні числа, які характеризують клас точності приладу. Перший член похибки не залежить від показників приладу, а другий збільшується при зменьшенні Ux , по гіперболічному закону.
В якості прикладу розглянемо схему ЦВ з час-імпульсним перетворенням та ЦВ з подвійним інтегруванням.

- ЦВ постійного струму з час-імпульсним перетворенням (мал.2):

Мал.2. Схема ЦВ з час-імпульс перетворенням та часові діаграми напруг, які пояснюють принцип компенсації.
В основу роботи ЦВ постійного струму з час-імпульсним перетворенням положений час-імпульсний метод перетворення постійного струму в прямо пропорційний інтервал часу з подальшим
вимірюванням тривалості інтервалу.
Похибки приладу залежать від лінійності та швидкості вимірювань компенсуючої напруги, стабільності генератора, генератора лічильних імпульсів, чутливості пристрою зрівняння, точності установки нуля або опорної напруги.

- ЦВ з подвійним інтегруванням (мал.3):
Мал.3. Схема ЦВ з подвійним інтегруванням та часові діаграми напруг, які пояснюють принцип його роботи.
Принцип його роботи подібен принципу час-мпульсного перетворення, з тією різницею, що тут утворюються два часових інтервала на протязі циклу вимірювання, тривалість якого встановлюється кратній періоду поміхи. Таким чином визначається середнє значення вимірюванної напруги, а поміха подавляється. Ці вольтметри є більш точними і поміхоустойчивими в порівнянні з ЦВ з час-імпульсним та частотним перетворенням, однак час виміру у них більший.
Метод час-імпульсного перетворення в сполученні з подвійним інтегруванням дозволяє ефективно послабити вплив поміх, виміряти напругу обох полярностей, отримати вхідний опір, рівний одиницям гігаом, та малу похибку вимірювання без представлення особливих вимог до постійності лінійно - змінюючоїся напруги.
Характеристика вітчизняних систем стандартів та державна система вимірювань .
Загальнотехнічні та організаційно-методичні стандарти, як правило, об’єднують в комплекси (системи) стандартів для нормативного забезпечення рішень технічних і соціально-економічних задач в певній галузі діяльності. Зараз діє понад 40 таких міждержавних систем, які забезпечують організацію виробництва високоякісної продукції.
- Державна система стандартизації.
Ця система стандартизації визначає мету і принципи управління, форми та загальні організаційно-технічні правила виконання всіх видів робіт зі стандартизації. Основною метою стандартизації є:
1) реалізація єдиної технічної політики у сфері стандартизації, метрології та сертифікації;
2) захист інтересів споживачів і держави з питань безпеки продукції, процесів, послуг для життя, здоров’я та майна громадян, охорони навколишнього середовища;
3) забезпечення взаємозамінності та сумісності продукції, її уніфікації;
4) забезпечення якості продукції, виходячи з досягнень науки і техніки, потреб населення і народного господарства;
5) раціональне використання всіх видів ресурсів, підвищення техніко-економічних показників виробництва;
6) безпека народногосподарських об’єктів з урахуванням ризику виникнення природних і техногенних катастроф та інших надзвичайних ситуацій;
7) створення нормативної бази функціонування систем стандартизації, управління якістю та сертифікації продукції, проведення державної політики у сфері ресурсозаощадження, розроблення і виконання державних і міждержавних соціально-економічних і науково-технічних програм;
8) усунення технічних та технологічних перешкод для створення конкурентноздатної продукції та її виходу на світовий ринок;
9) впровадження та використання сучасних виробничих та інформаційних технологій;
10) сприяння забезпеченню обороноздатності та мобілізаційної підготовки країни.
Стандарти державної системи стандартизації позначаються перед номером стандарту цифрою 1.
- Єдина система конструкторської документації (ЄСКД)
Це система постійно діючих технічних і організаційних вимог, що забезпечують взаємний обмін конструкторською документацією без її переоформлення із країнами СНД, галузями промисловості і окремими підприємствами, розширення уніфікації продукції при конструкторській розробці, спрощення форми документів і скорочення їх номенклатури, а також єдність графічних зображень; механізовану і автоматизовану розробку документів і, найголовніше, готовність промисловості до організації виробництва будь-якого виробу на якому завгодно підприємстві в найкоротший термін. Стандарти системи ЄСКД позначаються перед номером стандарту цифрою 2.
- Єдина система технологічної документації (ЄСТД)
Ця система встановлює обов’язковий порядок розробки, оформлення і збереження всіх видів технологічної документації на машино- і приладобудівних підприємствах країни для виготовлення, транспортування, встановлення і ремонту виробів цих підприємств. На основі технологічної документації здійснюють планування, підготовку і організацію виробництва, встановлюють зв’язки між відділами і цехами підприємства, а також між виконавцями (конструктором, технологом, майстром, робітником).
Єдині правила розробки, оформлення і збереження технологічної документації дозволяють використовувати прогресивні способи машинної її обробки і полегшують передачу документації на інші підприємства.
Стандарти ЄСТД позначаються перед номером стандарту цифрою 3.
- Державна система забезпечення єдності вимірювань (ДСВ)
Ця система відіграє в наш час особливу роль. В сучасній промисловості затрати праці на виконання вимірювань складають в середньому 10% загальних затрат праці на всіх стадіях створення і експлуатації продукції, а в окремих галузях промисловості досягають 50-60% (електронна, радіотехнічна та інші). Ефективність цих затрат визначається достовірністю і порівнюваністю вимірювань, які можуть бути досягнуті лише в умовах добре організованого метрологічного забезпечення господарства країни.
Стандарти ДСВ позначаються перед номером стандарту цифрою 8.
- Система стандартів безпеки праці (ССБП)
Ця система встановлює єдині правила і норми, що стосуються безпеки людини в процесі праці. Введення системи в дію забезпечує значне зниження виробничого травматизму і професійних захворювань.
Стандарти ССБП позначаються перед номером стандарту цифрою 12.
- Єдина система технологічної підготовки виробництва (ЄСТПВ)
Це комплекс міждержавних стандартів і галузевих систем технологічної підготовки виробництва, при виконанні вимог яких створюються умови для скорочення строків підготовки виробництва, освоєння і випуску продукції заданої якості, забезпечення високої гнучкості виробничої структури і значної економії трудових, матеріальних і фінансових ресурсів.
Одним з найважливіших принципів, закладених в ЄСТПВ, є типізація технологічних процесів виготовлення уніфікованих об’єктів виробництва і засобів технологічного оснащення на основі їх класифікацій і групування за подібними конструктивно-технологічними ознаками, що створює основу для підвищення рівня типових технологічних процесів. Впровадження цього принципу дає можливість в кілька раз скоротити строки підготовки виробництва нових виробів і обсяг розроблюваної технологічної документації. Типові технологічні процеси базуються на використанні прогресивних вихідних заготовок, передових методів обробки деталей, стандартних засобів технологічного оснащення, прогресивних форм організації виробництва. Вони розроблюються на основі прогресивних технологічних рішень.
Стандарти ЄСТПВ позначаються перед номером стандарту цифрою 14.
- Система розробки і постановки продукції на виробництво (СРПВ)
Це система правил, що визначають порядок проведення робіт по створенню, виробництву і використанню продукції, встановлених відповідними стандартами.
Основне призначення СРПВ полягає у встановленні організаційно-технічних принципів і порядку проведення робіт по створенню продукції високої якості, запобіганню постановки на виробництво застарілої, неефективної і невідпрацьованої продукції, скороченню строків розробки і освоєння на своєчасному оновленню продукції.
Стандарти СРПВ регламентують:
1) порядок проведення науково-дослідних і експерементально-конструкторських та технологічних робіт, патентних досліджень, що включають дослідження технічного рівня і тенденцій розвитку техніки;
2) вимоги до продукції, яку належить розробити і освоїти, порядок видання, контролю і підтримання цих вимог на всіх стадіях життєвого смислу продукції та зняття її з виробництва;
3) порядок постановки продукції на виробництво ( в тому числі раніше освоєної на інших підприємствах продукції і продукції, що виготовляється за ліцензіями зарубіжних фірм), здійснення авторського нагляду при освоєнні і виробництві продукції;
4) вимоги до зразків-еталонів товарів, правила їх узгодження і затвердження;
5) порядок зняття застарілої продукції з виробництва з урахуванням інтересів споживачів і своєчасної заміни такої продукції більш сучасною.
Стандарти системи СРПВ позначаються перед номером стандарту цифрою 15.
Міжнародні стандарти системи якості ISO 9000 i ISO 10000.
Стандарти ISO серії 9000 були розроблені технічним комітетом ISO/ТК 176 в результаті узагальнення накопиченого національного досвіду різних країн щодо розроблення, впровадження та функціонування систем якості. Вони містять опис елементів, що їх мають включати системи якості, а не порядок запровадження цих елементів тією чи іншою організацією. Вони не мають на меті спонукати до створення однакових систем якості, оскількі різні організації мають різні потреби. Побудова та впровадження систем якості повинні обов’язково враховувати конкретні цілі організації, продукцію, яка нею виготовляється, процеси, що при цьому застосовуються, а також конкретні методи праці.
За роки, що пройшли від часу опублікування, вони отримали широке визнання та розповсюдження, а більш як 50 країн прийняли їх як національні. Після розповсюдження почався процес їх широкого застосування при сертифікації систем якості. Це викликало потребу визначення правил самої процедури сертифікації, а також вимог до експертів, які здійснюють перевірку системи. З цією метою ISO/TK 176в підготував та опублікував у 1990-92рр. 2 стандарти ISO серії 10000. ISO10011 та ISO10012.
ISO10011 має такі 3 самостійні частини:
1-настанови щодо перевірки системи якості;
2-кваліфікаційні вимоги до експертів – аудиторів з перевірки системи якості;
3-керування програмою перевірки якості.
ISO10012 містить вимоги щодо забезпечення якості вимірювального обладнання.
В подальшому були внесені зміни в стандарти ISO серії 9000.
ISO 9000-1:1994. Стандарти з управління якістю і забезпечення якості. Ч.1.Настанови щодо вибору і застосування;
ISO 9000-2:1993. Ч.2. Настанови щодо застосування ISO 9001, ISO 9002 і ISO 9003;
ISO 9000-3:1991. Ч.3. Настанови щодо застосування ISO 9001 до розроблення, постачання та обслуговування програм забезпечення;
ISO 9000-4:1993. Ч.4. Настанови щодо управління програмою надійності;
ISO 9001:1994. Системи якості. Модель забезпечення якості при проектуванні, розробленні, виробництві, монтажі та обслуговуванні;
ISO 9002:1994. Системи якості. Модель забезпечення якості при виробництві, монтажі та обслуговуванні;
ISO 9003:1994. Системи якості. Модель забезпечення якості при контролі готової продукції та її випробуванні;
ISO 9004:1994. Управління якістю та елементи системи якості. Під цією назвою існує 4 стандарти: ISO 9004-1, ISO 9004-2,.ISO 9004-3 та ISO 9004, які мають такі частини:
- ч.1. Настанови;
- ч.2. Настанови щодо послуг;
- ч.3. Настанови щодо перероблюваних матеріалів;
- ч.4. Настанови щодо поліпшення якості;
- ч.5. Настанови щодо програм якості;
- ч.6. Настанови щодо забезпечення якості при управлінні проектуванням;
- ч.7. Настанови з управління конфігурацією;
- ч.8. Настанови щодо принципів системи якості та їх застосування для управління.
Згідно з ISO 9000-1, стандарти ISO серії 9000 передбачають застосування систем якості у чотирьох ситуаціях:
- отримання вказівок щодо управління якістю;
- контракт між першою та другою сторонами (постачальник-споживач);
- затвердження або реєстрація, що їх проводить друга сторона;
- сертифікація або реєстрація, що їх проводить третя (незалежна) сторона.
Організація – постачальник повинна встановити і підтримувати таку систему якості, яка б передбачала всі ситуації , з якими може зіткнутися організація. Нижче згідно з стандартом ISO 9000-1 наводяться вказівки, що дозволяють організаціям правильно обрати стандарт ISO серії 9000 та 10000 і отримати корисну інформацію щодо впровадження систем якості.
ISO 9000-1:1994. Слід звертатися кожній організації, що має намір створити та впровадити систему якості. Цей стандарт подає пояснення основних понять у галузі якості і містить настанови щодо вибору та застосування стандартів ISO серії 9000 для цієї мети.
ISO 9000-2:1993. До нього необхідно звертатися у тому випадку, коли необхідна консультація щодо застосування ISO 9001, ISO 9002 і 9003. Він містить вказівки по впровадженню положень розділів стандартів щодо забезпечення якості і особливо корисний на початковій стадії впровадження.
ISO 9000-3:1993. Розглядається включно програмне забезпечення комп’ютерів. Слід звертатися організаціям – постачальникам, що впроваджують системи якості відповідно ISO 9001 на програмну продукцію чи продукцію з елементами програмного забезпечення.
ISO 9000-4:1993. Постачальнику слід звертатися в тих випадках, коли йому потрібно переконатися в забезпеченні характеристик надійності (безвідмовності) продукції. Це важливо для послуг транспорту, енергетики, телекомунікацій, інформаційних послуг, тому що їх надійність є вирішальним чинником їх якості. Стандарт містить вказівки щодо управління програмою надійності. Він охоплює найважливіші характеристики програми надійності з планування, організації, розподілу ресурсів та управління ними з метою випуску продукції, яка б відзначалась надійністю і підлягала обслуговуванню.
ISO 9001:1994. Звертатися і застосовувати його постачальнику слід у разі потреби довести свою здатність управляти процесом як проектування, так і виробництва продукції, що відповідає усім вимогам. Вони перш за все мають на увазі задоволення споживача за рахунок запобігання невідповідності на всіх етапах від проектування до обслуговування. Цим стандартом встановлена відповідна модель забезпечення якості.
ISO 9002-1994. Звертатися і застосовувати його постачальникові необхідно у разі потреби доведення своєї здатності управляти процесами виробництва продукції, що відповідає всім вимогам. Ним встановлена відповідна модель забезпечення якості.
ISO 9003-1994. Звертатися і застосовувати його постачальнику потрібно в разі потреби доведення відповідності продукції встановленим вимогам тільки на стадії остаточного контролю та випробувань. Ним встановлена відповідна модель забезпечення якості.
ISO 9004-1:1994. Слід звертатися будь-якій організації, що має намір розробити та запровадити систему якості. Для того, щоб відповідати своєму призначенню, організація повинна забезпечити керованість технічними, адміністративними і людськими чинниками, що впливають на якість продукції. Стандарт містить повний перелік елементів системи якості, що стосуються всіх етапів життєвого циклу продукції ї відповідних заходів, з якого організація може набрати і застосувати елементи згідно з своїми потребами.
ISO 9004-2:1994. Слід звертатися організації, яка забезпечує послуги або продукція якої містить елементи послуг. Характеристики послуг можуть відрізнятися від характеристик іншої продукції і можуть включати такі аспекти, як персонал, час очікування, час надання послуги, гігієна, довіра і послуги зв’язку, що постачаються безпосередньо кінцевому споживачеві. Остаточною мірою якості, часто дуже суб’єктивною, є оцінка споживача. В стандарті міститься опис понять, принципів, і елементів системи якості, що стосуються всіх видів пропозицій щодо послуги.
ISO 9004-3:1994. Слід звертатися організації, продукція якої (кінцева чи проміжна) створюється шляхом перетворень і має вигляд твердої речовини, рідини чи їх комбінацій (включаючи конкретні матеріали, бруски, дріт або листи). Така продукція, як правило, постачається в гуртових системах, таких як трубопровід, барабан, мішок, бак, цистерна або рулон.
Що стосується перевірки продукції у важливих точках виробничого процесу, то перероблювані матеріали завдають особливих труднощів, що обумовлено їх природою. При цьому зростає важливість застосування методів статистичного відбору та оцінювання, а також їх запровадження для здійснення управління процесами та встановлення технічних характеристик кінцевої продукції. Він доповнює вказівки ISO 9004-1 стосовно продукції з категорії перероблюваних матеріалів.
ISO 9004-4:1994. Слід звертатися будь-якій організації, що бажає підвищити свою ефективність (незалежно від того, чи запровадила вона офіційну систему якості). Постійна мета управління всіма функціями на всіх рівнях організації повинна полягати у прагненні задовільняти споживача і постійно поліпшувати якість. Стандарт містить опис фундаментальних понять та принципів, керівних вказівок та методології (засобів і шляхів) поліпшення якості.
ISO 10011-1:1990. Слід звертатися при організації, плануванні, здійсненні та документуванні перевірки систем якості. Він містить настанови щодо перевірки наявності та реалізації елементів систем якості і перевірки здатності системи забезпечувати досягнення заданих показників якості.
ISO 10011-2:1991. Слід звертатися при потребі відбору кадрів та підготовки експертів-аудиторів систем якості. Подано настанови щодо критеріїв кваліфікації експертів-аудиторів систем якості, а також щодо освіти, підготовки, досвіду, персональних якостей та керівних здібностей, необхідних для виконання перевірки якості.
ISO 10011-3:1991. Слід звертатися при плануванні керування програмою перевірки якості. Містить настанови щодо керування програмами перевірки систем якості.
ISO 10012-1:1992. Слід звертатися, якщо якість продукції чи процесу має високу залежність від можливості проводити точні вимірювання. У ньому встановлені основні характеристики системи підтвердження, які постачальник повинен використовувати щодо своїх засобів вимірювання. Містить вимоги до засобів вимірювання постачальника щодо забезпечення якості, на основі яких доводиться, що вимірювання проводяться з належною точністю та в належному порядку. Він містить більш детальні вимоги в порівнянні з тими, що наводяться в ISO 9001, ISO 9002 та ISO 9003, і дає вказівки щодо впровадження.
Задача 1.
Для одержання сертифіката придатності наявної на міжнародній телефонній станції (МТС) вимірювальної установки для виміру робочого загасання тракту транзитних з’єднань виконувалась перевірка установки. З метою зменшення впливу випадкових похибок на результати перевірки, робоче загасання Ар вимірювалася багаторазово в тих самих умовах. При цьому було проведено n равноточних вимірів api . Вважаючи, що випадкові похибки виміру розподіляються по нормальному закону, визначити:
- середнє арифметичне значення Āр для заданого числа n вимірів робочого загасання;
- середнє квадратичне відхилення σ результату погрішності виміру;
- максимальну похибку ∆м , прийнятну для нормального закону розподілу;
- середнє квадратичне відхилення σĀр результату виміру (середнього арифметичного значення);
- границі довірчого інтервалу результату виміру робочого загасання тракту для заданої довірчої імовірності Рдов ;
- систематичну складову похибки виміру ∆с наявної на МТС вимірювальної установки, якщо в результаті наступного виміру робочого загасання більш високого класу точності було встановлено, що дійсне значення робочого загасання тракту транзитних з’єднань складає АРД децибел;
- довірчу імовірність Рс.дов , з якою можна оцінити знайдене значення систематичної складової погрішності.
Скласти висновок про придатність вимірника робочого загасання тракту транзитних з’єднань, якщо критерієм є значення систематичної похибки, що не перевищує 0,5 дб із довірчою імовірністю не гірше 0,98.
Вихідні дані: і :=7-13 ; Рдов = 0,93 ; і :=34-39; Ар.д. =16,94 дб
Розв’язок.
Дана задача стосується робочого загасання.
Експериментально власне загасання кабеля можна визначити як різницю рівнів вхідного і вихідного сигналів у тому випадку, якщо опір джерела сигналу і навантаження рівні між собою і хвильовим опором кабеля. У процесі реальної експлуатації ця умова виконується не в усіх випадках, що звичайно супроводжується збільшенням загасання. Таке загасання називається робочим (Ар ).
Складаємо таблицю проміжних обчислень:
| №п/п | № вимірів і | Значення арі ,дб | (арі - Āр ) , дб | (арі - Āр )2 , дб2 |
| 1 | 7 | 16,64 | -0,3092 | 0,095605 |
| 2 | 8 | 16,81 | -0,1392 | 0,019377 |
| 3 | 9 | 16,93 | -0,0192 | 0,000369 |
| 4 | 10 | 16,26 | -0,6892 | 0,474997 |
| 5 | 11 | 16,76 | -0,1892 | 0,035797 |
| 6 | 12 | 16,85 | -0,0992 | 0,00984064 |
| 7 | 13 | 17,10 | 0,1508 | 0,02274064 |
| 8 | 34 | 16,97 | 0,0208 | 0,00043264 |
| 9 | 35 | 17,12 | 0,1708 | 0,029173 |
| 10 | 36 | 17,23 | 0,2808 | 0,078849 |
| 11 | 37 | 17,34 | 0,3908 | 0,152725 |
| 12 | 38 | 17,10 | 0,1508 | 0,22741 |
| 13 | 39 | 17,23 | 0,2808 | 0,078849 |
| n=13 |
1) Розрахуємо середнє арифметичне значення Āр для n=13 вимірів робочого загасання за формулою:
Āр
=
=
=16,949231
2) Знайдемо середнє квадратичне відхилення похибки виміру:
σ
=
=
=0,330999748 ≈ 0,331
3) Визначимо максимальну похибку ∆m , прийняту для нормального закону розподілу. Згідно табл. 1.5 методичних вказівок та при умові Pn (t)=0,93, n=13, визначаємо: t = 1,989.
Тепер розрахуємо ∆m за формулою:
∆mах = t • σ = 1,989 • 0,331=0,658359 ≈ 0,658
4) Визначимо середнє квадратичне відхилення результату виміру:
σĀр
=
=
≈ 0,0918 дб
5) Границі довірчого інтервалу результату виміру робочого загасання тракту для заданої довірчої імовірності Рдов :
А = Āр ±λ
λ = t • σĀр = 1,989 • 0,0918 = 0,1825902 ≈ 0,18
Āр є величиною випадковою, унаслідок чого вона має розкид і тому дає тільки наближену оцінку вимірюваної величини. Для Рдов =0,93 можна більш повно охарактеризувати вимірювану величину, застосувавши інтервальну оцінку у виді довірчого інтервалу результату виміру: Āр –λ ≤ Āр ≤ Āр +λ
Āр –λ =16,949231 - 0,18 =16,769231 ≈ 16,77 дб
Āр +λ =16,949231 + 0,18 = 17,129231 ≈ 17,13 дб
Звідси: 16,77 ≤ Āр ≤ 17,13
6) Систематичну похибку виміру можна визначити як відхилення результату виміру від дійсного значення вимірювальної фізичної величини, якщо остання відома з високою точністю, тобто як їхня різниця:
∆с = Āр - Ар .д . = 16,949231 - 16,94=0,009231 дб
У зв’язку з тим, що результату виміру Āр присуща випадкова похибка, систематична похибка ∆с може бути визначена тільки приблизно з точністю до випадкової похибки середнього арифметичного значення. У результаті в нашому випадку ׀∆с ׀ =0,009231 ‹ ׀λ׀=0,18, отже варто вважати, що систематична похибка переходить у категорію випадкової похибки, тому що її наявність не може бути доведено.
Висновок :Під точністю засобу вимірювань розуміють якість засобу вимірювань, що відбиває близькість до нуля його похибок. При цьому близькість до нуля систематичних похибок визначає правильність засобу вимірювань. В нашому випадку значення систематичної похибки ׀∆с ׀ =0,009231 близьке до нуля і не перевищує 0,5 дб ,як вимагається в умові задачі. Отже вимірювальна установка придатна для виміру робочого загасання тракту транзитних з’єднань.
Задача2 .
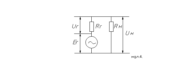
При проведенні акредитації лабараторії перевірялася методика визначення внесеного загасання лінії зв'язку ( чотириполюсника) і здійснювався непрямий вимір напруги Uн і потужність Pн , виділюваних на опорі навантаження Rн , підключеному безпосередньо до виходу генератора низьких частот (мал.1), що має ЕРС Еr і внутрішній опір Rr . Поряд з цим вимірялася повна потужність P∑ , що розвивається генератором; потужність Pr , що втрачається на його внутрішньому опорі Rr , а також спадання напруги Ur на цьому опорі.
![]() |
Вихідні дані: Еr =7,0 В; Rr =135 Ом; ±δRn =1,3%; Rн = 820Ом; ±δЕГ =3,5%; ±δRГ =2,2%; Px =PH (мВт); Ux =UH (В).
Знайти: Pн , Uн .
Розв’язок.
1. Запишемо вихідні дані з вказанням похибок:
Еr =Еr ±δЕГ = 7,0 ±3,5% ;
Rr = Rr ±δRГ =135±2,2%; Rн = Rн ± δRn =820±1,3%.
2. Виразимо відносні значення похибок цих величин через абсолютні:
а) δЕГ
= (∆Еr
• 100) / Еr
∆Еr = (δЕГ • Еr ) / 100 = (3,5•7,0) / 100 = 0,245 В
Е= Еr ±∆Еr = 7,0±0,245 В
б) δR
Г
= (∆Rr
• 100) / Rr
∆Rr = (δRГ • Rr ) /100 =(2,2 • 135) / 100 = 2,97 Ом
R = Rr ± ∆Rr =135±2,97 Ом
в) δR
H
=(∆Rн
• 100) / Rн
∆Rн
= (δRn
• Rн
) /100 = (1,3 • 820) / 100 = = 10,66 Ом
R = Rн ± ∆Rн = 820±10,66 Ом
3. Розрахуємо основні параметри кола:
Сила струму: I=Еr / (Rr + Rн )
За законом Ома: U=I•R, звідси Uнр
= (Еr
• Rн
) /(Rr
+ Rн
)=
= (7• 820)/(135+820)=6,01В
Так як Uн нам потрібно представити у вигляді Uн = Uнр ± ∆Uн , знайдемо абсолютну похибку падіння напруги ∆Uн за формулою:

Звідси Uн =6,01±0,2359 В.
4. Потужність визначається за формулою: Р = U2 /R ,
звідси Pнр = Uн 2 /Rн = 6,012 /820 = 0,044Вт

Звідси Pн = Pнр ± ∆Pн = 44±0,469 • 10-3 мВт
Задача 3. (по вимірюванню загасань)
При виконанні сертифікаційних випробувань лінії зв’язку визначалось робоче та вносиме загасання. До входу лінії зв’язку (чотириполюсника), навантаженого на активний опір Rн , підключений вимірювальний генератор, що має внутрішній опір Rг і діюче значення ЕРС, рівне Еr . Діюче значеня напруги на навантаженні лінії зв’язку (чотириполюсника) дорівнює Uн .
Необхідно визначити:
1.Робоче Ар та вносиме Авн загасання чотириполюсника;
2.Нульові рівні струму I0 та U0 для заданого значення опору навантаження Rн ;
3. Абсолютні рівні сигнала за струмом рі , напругою рu та потужності рр на опорі навантаження Rн ;
4. Абсолютну і відносну похибку робочого загасання, якщо похибки прямого вимірювання ЕРС генератора, напруги на навантаження, а також опорів Rг і Rн , лежали відповідно в межах: ±δЕ , ±δU , ±δГ , ±δН .
Вихідні дані: Ег =7,5В, Uн =1,3В, δЕг = 3,8%, δRг = 4,6%, ах = Ар ,
Rг = 600 Ом, Rн = 910 Ом, δUн = 1,2%, δRн = 0%.
Розв’язок.
1. Розрахуємо робоче та вносиме загасання чотириполюсника:
Ар = 10 lg((Er2 • Rн ) / (4Rг • Uн 2 )) =
= 20lgEr - 20lgUн +10lgRн - 10lgRг – 20lg2 =
= 20lg7,5 - 20lg1,3 + 10lg910 – 10lg600 – 20lg2 =
= 17,5 – 2,279 + 29,59 + 27,78 – 6,02 = 11,011 дб
Авн = 20 lg ((Er • Rн ) / ((Rг + Rн )• Uн )) =
= 20 [lgEr - lgUн + lgRн - lg (Rг + Rн )] =
= 20 [lg7,5 – lg1,3 + lg910 – lg(600+910)] =
= 20 [0,875 – 0,114 + 2,959 – 3,179] = 10,82 дб
2. Розрахуємо нульові рівні струму та напруги для заданого опору навантаження Rн :
Р0 = 10 –3 Вт – нульова позначка шкали потужності.
I0 = U0 / RН = 0,954 / 910 = 0,001А
3. Розрахуємо абсолютні рівні сигнала за струмом рі , напругою рu та потужності рр на опорі навантаження Rн :
Рі = 20 lg (UН /(І0 • Rн )) = 20lg (1,3 / (0,001• 910)) = 2,688 дб
Рн = 20 lg (UН /U0 ) = 20lg (1,3 / 0,954) = 2,688 дб
Рр = 10 lg (UН 2 / (Р0 • Rн )) = 10lg (1,32 /10 –3 • 910) = 2,688 дб
Виходячи з результатів розрахунків можна зробити висновок, що абсолютні рівні сигналу по струму, потужності та напрузі рівні.
4. Розрахуємо абсолютну та відносну похибки:
ýЕГ
=
= 0,285 В
ΔRн
=
= 0 Ом
ΔUн
=
= 0,0156 В
ΔRг
=
= 27,6 Ом
dAp /dEг = 20lg e / Er = 20lg e / 7,5 = 1,158
dAp /dRг = -10lg e / Rг = -10lg e / 600 = -0,00724
dAp /dUн = - 20 lg e / Uн = - 20 lg e / 1,3 = -6,681
dAp /dRн = 10lg e / Rн = 10lg e / 910 = 0,00477
Підставляючи одержані значення в формулу, одержимо:
Тепер знаходимо відносну похибку:
δАр = (ΔАр • 100)/Ар = (0,4•100)/11,011 = 3,63%
Висновок: Лінія зв’язку пройшла сертифікаційні випробування, по результатам яких можна зробити висновок про можливість використання лінії зв’язку, так як робоче загасання не більше
13,65 дб.
Задача4. (по вимірюванню нелінійних спотворень)
При проведенні сертифікаційних випробувань нелінійних властивостей генератора звукової частоти, навантаженого на активний опір Rн , були проведені дослідження шляхом вибіркого вказування рівня. В результаті вимірювань було встановлено, що при діючому значенні напруги на виході генератора Uвих = M • Uп відносні рівні напруги гармонічних складових в порядку номерів гармонік відповідно дорівнюють р2 ,р3 , . . . ,рі , . . . , рn дб.
Тут р2 =20lg(U2 /U1 ), р3 =20lg(U3 /U1 ) і т.д.; Uп – показання вольтметра генератора;М – перемикаємий множник шкали напруг.
Необхідно визначити:
- коефіцієнти КГ2 - КГn гармонічних складових на виході генератора;
- результуючий коефіцієнт гармонік КГ ;
- коефіцієнт нелінійних спотворень КН ;
- діюче значення напруги основної частоти U1 ;
- діюче значення напруг гармонічних складових U2 - Un ;
- загасання нелінійності ані по 1-й гармоніці.
Скласти висновок про результати сертифікаційних досліджень, якщо вимоги до коефіцієнта гармонік та коефіцієнта нелінійних спотворень:
КГ ‹ 0,001; КН ‹ 0,001.
Вихідні дані: UП =2,8 В; Pі = P2 ; P2 = -38,42 дб; P3 = - 41,51 дб; P4 = -50,45 дб;
Р5 = - 50,07 дб; P6 - -64,43 дб; М = 0,2.
Розв’язок.
Нелінійні спотворення – це спотворення форми сигналів.
1) Розрахуємо коефіцієнти КГ2 - КГn гармонічних складових на виході генератора за ф-лою:
Pi
=20lg(Ui/U1)=20lgKi
Ki
= 10 0,05•Pi
КГ2 = 10 0,05•(-38,42) = 0,012
КГ3 = 10 0,05•(-41,51) = 0,0084
КГ4 = 10 0,05•(-50,45) = 0,003
КГ5 = 10 0,05•(-50,07) = 0,0031
КГ6 = 10 0,05•(-64,43) = 0,0006
2) Визначимо результуючий коефіцієнт гармонік Кг :
3) Розрахуємо коефіцієнт нелінійних спотворень:
![]()
4) Знаходимо діюче значення напруги основної частоти U1 . Для цього по заданим параметрам визначаємо Uвих :
Uвих = М • Uп = 0,2• 2,8=0,56 В

5) Знаходимо діюче значення напруг гармонічних складових U2 -Un :
U2 = U1 • КГ2 = 0,56 • 0,012 = 6,72 • 10-3 В
U3 = U1 • КГ3 = 0,56 • 0,0084 = 4,704 • 10-3 В
U4 = U1 • КГ4 = 0,56 • 0,003 = 1,68 • 10-3 В
U5 = U1 • КГ5 = 0,56 • 0,0031 = 1,7 • 10-3 В
U6 = U1 • КГ6 = 0,56 • 0,0006 = 3,36 • 10-4 В
6) Розрахуємо загасання нелінійності по 1-й гармониці. Нам задано Pі = P2 (тобто і-та гармоніка є другою гармонікою), тому формулу загасання нелінійності aHі = 20lg (1/КHi ) ≈ 20lg (1/КГi ) запишемо для нашого випадку:
aH2 = 20lg (1/КГ2 ) = 20lg (1/0,012) = 38,42 дб
Одержані дані заносимо у таблицю:
| i | Pi , дб | Kгi | Kгi 2 | Ui , мв | Kгi , % |
| 2 | -38,42 | 0,012 | 0,000144 | 6,72 • 10-3 | 1,2 |
| 3 | -41,51 | 0,0084 | 0,00007056 | 4,704 • 10-3 | 0,84 |
| 4 | -50,45 | 0,003 | 0,000009 | 1,68 • 10-3 | 0,3 |
| 5 | -50,07 | 0,0031 | 0,00000961 | 1,7 • 10-3 | 0,31 |
| 6 | -64,43 | 0,0006 | 0,00000036 | 3,36 • 10-3 | 0,06 |
Висновок: По результатам сертифікаційних досліджень можна зробити висновок про недоцільність використання генератора звукової частоти, так як не виконуються наступні вимоги:
КГ ‹ 0,001 , КН ‹ 0,001 ( в нашому випадку КГ =0,15 , КН = 0,15).
Використана література:
1. Конспект лекцій та методичні рекомендації по вивченню дисципліни “Метрологія, стандартизація, сертифікація та акредитація”;
2. Кушнир Ф.М., Савенко В.Г., Верник С.М. Измерения в технике связи. М.: Связь, 1976г.;
3. Шаповал М.І. Основи стандартизації, управління якістю і сертифікації. Київ, 1998р;
4. Атамалян Е.Г. Приборы и методы измерения электрических величин. Москва: Высшая школа, 1982г.

