| Скачать .docx |
Реферат: Операционные усилители
Операционные усилители (ОУ), являющиеся практически идеальными усилителями напряжения, находят широкое применение в аналоговой схемотехнике. Несмотря на ряд ограничений, присущих реальным ОУ, при анализе и синтезе большинства схем используют идеальные модели операционных усилителей, считая, что: коэффициент усиления дифференциального напряжения бесконечно велик и не зависит от частоты сигнала; коэффициент усиления синфазного сигнала равен нулю; сопротивление по обоим входам бесконечно велико; отсутствует напряжение смещения нуля и его дрейф; скорость изменения выходного напряжения бесконечно велика.
Параметры реальных ОУ несколько хуже. Однако знание реальных значений параметров конкретного операционного усилителя позволяет достаточно просто оценить погрешность схемы и решить вопрос о целесообразности использования данного ОУ в конкретном устройстве.
1. ОПЕРАЦИОННЫЕ УСИЛИТЕЛИ: ОБЩИЕ СВЕДЕНИЯ
Свое название операционные усилители (ОУ) получили из-за того, что первоначально применялись для выполнения математических операций сложения, вычитания, умножения и деления. Первые ОУ, использующиеся в аналоговых вычислительных машинах на лампах, работали с напряжениями порядка ±100 В.
Интегральные ОУ унаследовали прежнее название от своих предшественников и очень широко распространены в аналоговой схемотехнике. В настоящее время ОУ выполняются, как правило, в виде монолитных интегральных микросхем и по своим размерам и цене практически не отличаются от отдельно взятого транзистора. Благодаря практически идеальным характеристикам операционных усилителей реализация различных схем на их основе оказывается значительно проще, чем на отдельных транзисторах.
Структурная схема. Операционный усилитель, выполненный в виде интегральной микросхемы, имеет в своем составе: дифференциальный входной каскад (ДВК), промежуточные каскады усиления (ПКУ) и оконечный каскад (ОК), рис. 1.1.

Рис. 1.2. Схема простейшего дифференциального усилительного каскада
Дифференциальный каскад (рис. 1.2) обеспечивает: большой коэффициент усиления по отношению к разности входных сигналов (дифференциальному сигналу), малый коэффициент усиления относительно синфазных помех, малый дрейф нуля и большое входное сопротивление.
Коэффициент усиления по дифференциальному напряжению каскада определяется выражением:
(
1.1)
где rэ - динамическое сопротивление эмиттера транзистора. Дифференциальное напряжение обычно усиливается таким каскадом не более, чем в 100 раз.
Для того, чтобы определить коэффициент усиления синфазного сигнала, на оба входа усилителя нужно подать одно и то же напряжение uвх . В этом случае оба транзистора со своими коллекторными нагрузками включены по существу параллельно. Через резистор Rэ протекают оба эмиттерных тока. Поэтому
(
1.2)
Сопротивление rэ обычно много меньше Rэ и им пренебрегают. Коэффициент ослабления синфазного сигнала (КОСС) определяется как отношение

Пример. В дифференциальном каскаде использованы транзисторы с сопротивлением эмиттера rэ = 250 Ом. Сопротивления резисторов Rк =Rэ =75 кОм. В этом случае Кдиф =150, Ксинф =0,5, КОСС=300. При питании от источников +/-15 В ток покоя цепей коллекторов равен 100 мкА при напряжении на коллекторах относительно общей точки 7,5 В.
Повысить параметры дифференциального усилителя в принципе можно простым увеличением сопротивлений резисторов RК и RЭ , но при этом уменьшится ток покоя транзисторов и, как следствие, ухудшится температурная и временная стабильность усилителя. Эффективный путь улучшения характеристик усилителя состоит в замене линейных резисторов источниками тока, обладающими высоким динамическим сопротивлением при достаточно больших токах. В частности, в качестве динамической нагрузки в цепи коллекторов транзисторов дифференциального усилителя широко используется так называемое токовое зеркало (рис 1.3).
При таком включении UКЭ =UБЭ >UКЭ.нас . Следовательно, транзистор Т1 ненасыщен. Поскольку UБЭ1 =UБЭ2 , то при хорошо согласованных по параметрам транзисторах IБ1 =IБ2 =IБ и IК1 =IК2 =BIБ , где B - статический коэффициент передачи тока. При этом
IВХ = BIБ +2IБ и IВЫХ = BIБ
Отсюда следует, чтоIВЫХ = BIВЫХ /(B+2).

Рис. 1.3. Схема токового зеркала
Таким образом, выходной ток схемы почти повторяет входной, почему эта схема и называется токовым зеркалом. Использование токовых зеркал в качестве динамической нагрузки дифференциального каскада и в качестве источника тока в цепи эмиттеров позволяет получить коэффициент усиления входного дифференциального напряжения на одном каскаде свыше 5000 (при условии, что нагрузка на выходе усилителя отсутствует) и КОСС свыше 100 000 (100 дБ).
Промежуточные каскады позволяют: получить большое усиление напряжения сигнала, изменить на 180° или сохранить нулевым фазовый сдвиг усиливаемого сигнала. В качестве промежуточных каскадов используют дифференциальные или однополюсные каскады. Оконечный каскад обеспечивает: малое выходное сопротивление и достаточную мощность сигнала для низкоомной нагрузки, большое входное сопротивление. Последнее необходимо для сохранения большого коэффициента усиления напряжения промежуточных каскадов. В качестве оконечного каскада обычно используют эмиттерный повторитель.
Стандартная схема операционного усилителя. Операционные усилители универсального применения должны обеспечивать значительно больший дифференциальный коэффициент усиления, чем способен дать один каскад. Поэтому они строятся в основном по двухкаскадной схеме. Упрощенная схема "классического" двухкаскадного ОУ μА741 (полная схема включает 24 транзистора) приведена на рис. 1.4.
Входной каскад выполнен по схеме дифференциального усилителя на p-n-p транзисторах Т1 и Т2 . В качестве нагрузки использовано токовое зеркало на n-p-n транзисторах Т3 и Т4 . Для выходного тока входного каскада, следовательно, можно записать следующее соотношение:
IД = IК2 –IК1
Благодаря тому, что выходным сигналом дифференциального каскада является разностный ток, синфазные изменения коллекторных токов входных транзисторов взаимно компенсируются, что значительно ослабляет синфазные входные сигналы.
Источник тока эмиттеров выполнен на транзисторе Т9 . В некоторых ОУ (например, 140УД12) для этого также используется токовое зеркало, причем его входной ток задается сопротивлением внешнего резистора и может им программироваться, что позволяет регулировать параметры ОУ, в частности, потребляемый им ток.
Вторую ступень усиления образует каскад с общим эмиттером на транзисторе Т6 . Он имеет в качестве нагрузки источник тока на транзисторе Т10 . Для повышения входного сопротивления этого каскада на его входе включен эмиттерный повторитель на транзисторе Т5 .

Рис. 1.4. Упрощенная схема двухкаскадного ОУ μА741
Выходной каскад представляет собой двухтактный комплементарный эмиттерный повторитель на транзисторах Т7 , Т8 . Напряжение на участке цепи из двух последовательных диодов, включенных в прямом направлении, обеспечивает малый начальный ток покоя этих транзисторов (режим класса АВ), что позволяет устранить переходные искажения сигнала. Такая схема обеспечивает симметрию выходного сопротивления ОУ при различной полярности выходного напряжения. Как правило, выходной каскад включает цепи защиты от короткого замыкания выхода.
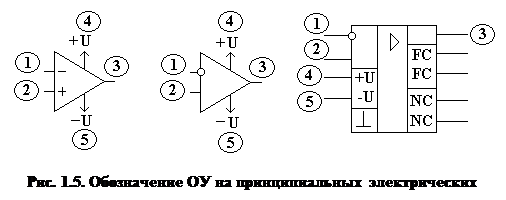
Обозначение ОУ на принципиальных схемах. Любой ОУ имеет не менее пяти выводов: два входных (инвертирующий и неинвертирующий), два вывода для подключения питания и один выходной вывод. Варианты обозначения операционных усилителей на принципиальных схемах представлены на рис. 1.5 (1 – инвертирующий вход, 2 – неинвертирующий вход, 3 – выход, 4 и 5 – выводы для подключения источника питания).
Многие ОУ дополнительно имеют несколько выводов, не несущих функциональной нагрузки (вспомогательные), к которым подключаются цепи коррекции АЧХ (метки FC), цепи для подключения элементов балансировки по постоянному току (метки NC), а также вывод металлического корпуса (^) для соединения с общим проводом устройства, в которое входит ОУ.

Подключение ОУ к источнику питания. В общем случае для работы операционного усилителя требуется двухполярный (расщепленный) источник питания; типичные значения напряжений источника составляют ±6 В; ±12 В; ±15 В (иногда ±18 В). Схема подключения ОУ к двухполярному источнику питания и нагрузке представлена на рис. 1.6.
В ряде случаев для питания ОУ используется несимметричное питание, например +12 и –6 В, или даже однополярное питание, например, +30 В и земля. Так как в представленной схеме земля не подключена к ОУ, токи возвращаются от ОУ к источнику питания через внешние (навесные) элементы схемы (в нашем случае это сопротивление нагрузки RH ).
Входное и выходное напряжения.
Выходное напряжение ОУ зависит от разности напряжений на его входах
, где
– напряжения на неинвертирующем и инвертирующем входах усилителя. Поэтому для ОУ справедливо:
, (1.3)
где K – коэффициент усиления ОУ без обратной связи (разомкнутого усилителя). Предположим, что
(напряжение на входе (+) положительно по отношению к напряжению на входе (–)), тогда выходное напряжение положительно, рис. 1.7,а.
В случае, если
(напряжение на входе (+) отрицательно по отношению к напряжению на входе (–)), выходное напряжение отрицательно, рис. 1.7,б.
Общая зависимость
представлена на рис. 1.8. Выходное напряжение линейно зависит от
лишь в некотором диапазоне изменения последнего (от
до
) и не может превышать величины UНАС
.

Рис. 8. Амплитудная характеристика операционного усилителя
Два правила, справедливые для идеального ОУ.
Определим значения
и
. В соответствии с (1.3) имеем
(1.4)
Величина K чрезвычайно велика; она может достигать 200000 единиц и более. Приняв K=200000, для ОУ, запитанного от источника ±12 В, на основании (1.4) получим:
,
.
Здесь допущено, что
. Напряжение 60 мкВ очень мало. В типичном измерительном приборе напряжения наведенных шумов, сетевых наводок и напряжения от токов утечки могут превышать 1 мВ (1000 мкВ). В силу этого можно принять
. Последнее позволяет сформулировать важное правило.
Правило 1.
Если ОУ находится в линейном режиме (выходное напряжение
), разность напряжений между его входами равна нулю (
).
Для того, чтобы ОУ работал в линейном режиме, в схему необходимо ввести отрицательную обратную связь (ООС). Образно можно сказать, что будучи охвачен ООС операционный усилитель сделает все от него зависящее, чтобы устранить разность напряжений между своими входами.
ОУ является хорошим усилителем напряжения с большим входным сопротивлением. Для идеального ОУ сопротивления по обоим входам можно считать равными бесконечности. Отсюда следует второе важное правило.
Правило 2. Входы ОУ тока не потребляют.
Идеальный и реальный ОУ. Для идеального ОУ справедливо:
Коэффициент усиления дифференциального сигнала K бесконечно велик и не зависит от частоты сигнала.
Коэффициент усиления синфазного сигнала (напряжения общего для обоих входов) KСИНФ равен нулю.
Сопротивление по обоим входам бесконечно велико.
Напряжение смещения равно нулю.
Скорость изменения выходного напряжения бесконечно велика.
Дрейф (изменение во времени выходного напряжения) отсутствует.
Параметры реального ОУ несколько хуже. Однако в большинстве случаев для анализа схем на операционных усилителях можно использовать оба правила, справедливые для идеального ОУ. Этот подход и будет использоваться в дальнейшем. Знание реальных значений параметров конкретного ОУ позволяет оценить погрешность схемы преобразования сигнала и решить вопрос о целесообразности использования данного ОУ в конкретной схеме.
Параметры и характеристики ОУ. Параметры и характеристики ОУ можно условно подразделить на входные, выходные и характеристики передачи.
К входным параметрам относятся: напряжение смещения; средний входной ток; разность входных токов; входные сопротивления; коэффициент ослабления синфазного сигнала (синфазного напряжения); диапазон синфазных входных напряжений; температурный дрейф напряжения смещения; температурные дрейфы среднего входного тока и разности входных токов; напряжение шумов, приведенное ко входу; коэффициент влияния нестабильности источника питания на напряжение смещения.
Напряжение смещения ЕСМ – дифференциальное входное напряжение, при котором выходное напряжение усилителя равно нулю.
Средний входной ток IВХ – среднеарифметическое значение токов обоих входов усилителя, измеренных при таком входном напряжении UВХ , при котором выходное напряжение UВЫХ равно 0. Эти токи обусловлены необходимостью обеспечить нормальный режим работы входного дифференциального каскада на биполярных транзисторах. В случае использования полевых транзисторов это токи всевозможных утечек. Другими словами, входные токи – это токи, потребляемые входами ОУ.
Разность входных токов Δ I ВХ – это разность токов, потребляемых входами ОУ.
Входные сопротивления в зависимости от характера подаваемого сигнала подразделяются на дифференциальное (для дифференциального сигнала) и синфазное (сопротивление общего вида).
Входное сопротивление для дифференциального сигнала RВХ. ДИФ – это полное входное сопротивление со стороны любого входа, в то время как другой вход соединен с общим выводом (заземлен).
Входное сопротивление для синфазного сигнала RВХ. СИНФ характеризует изменение среднего входного тока при приложении к входам синфазного напряжения. Оно на несколько порядков выше сопротивления для дифференциального сигнала.
Коэффициент ослабления синфазного сигнала КОС СИНФ определяется как отношение напряжения синфазного сигнала, поданного на оба входа, к дифференциальному входному напряжению, которое обеспечивает на выходе тот же сигнал, что и в случае синфазного напряжения:
(1.5)
С учетом (1.5) напряжение на выходе ОУ, появляющееся при одновременной подаче дифференциального и синфазного входных сигналов, равно
.
Для каждого ОУ указывается диапазон изменения UВХ. ДИФ и UВХ. СИНФ , превышение предельных значений которых может привести к потере работоспособности усилителя.
Температурные дрейфы напряжения смещения и входных токов характеризуют изменения соответствующих параметров с температурой и составляют мкВ/°С и нА/°С. Наиболее важно учитывать данные параметры в прецизионных устройствах, так как компенсация их влияния на выходное напряжение затруднительна. Температурные дрейфы являются основной причиной появления температурных погрешностей устройств с ОУ.
Коэффициент влияния нестабильности источника питания КП – отношение изменения напряжения смещения ΔЕСМ к вызвавшему его изменению одного из питающих напряжений Δ U П .
К группе выходных параметров относятся выходное сопротивление, напряжение и ток выхода.
Коэффициент усиления по напряжению ОУ К – отношение изменения выходного напряжения к вызвавшему его изменению дифференциального входного напряжения при работе усилителя на линейном участке характеристики:
К = ΔUВЫХ /ΔUВХ . (1.6)
Частота единичного усиления f 1 - это частота, на которой модуль коэффициента усиления ОУ равен единице.
Скорость нарастания выходного напряжения - это максимальная скорость изменения выходного сигнала при максимальном значении его амплитуды. Скорость нарастания определяется при подаче на вход усилителя импульса напряжения прямоугольной формы.
2. ПРИМЕНЕНИЕ ОПЕРАЦИОННЫХ УСИЛИТЕЛЕЙ
В настоящее время в электронике широкое распространение получила цифровая обработка сигналов. Цифровые методы, основывающиеся на использовании микропроцессоров, проникли во множество областей радиоэлектроники и привели к созданию совершенно новых способов обработки сигналов. Одновременно наблюдается развитие аналоговой электроники, поскольку по мере развития систем цифровой обработки повышаются требования к качеству входных и выходных аналоговых сигналов. Операционный усилитель является базовым элементом устройств аналоговой обработки сигналов. Поэтому разработчик систем сбора, передачи и обработки измерительной информации должен обладать знаниями параметров ОУ (схем их включения и умением проектировать устройства на основе ОУ). В настоящем разделе рассматриваются некоторые основные применения ОУ в аналоговой схемотехнике.
Отрицательная обратная связь . Во многих случаях ОУ применяется с отрицательной обратной связью. При этом характеристики схемы не зависят от коэффициента усиления операционного усилителя без обратной связи К, а определяются только параметрами внешних элементов.
Принцип введения отрицательной обратной связи иллюстрируется рис. 2.1

Рис. 2.1. Принцип отрицательной обратной связи
Часть выходного напряжения возвращается через цепь обратной связи ко входу усилителя. Коэффициент обратной связи β показывает, какая часть выходного напряжения подается на вход; он может принимать значения от нуля до единицы.
Если, как это показано на рис. 2.1, напряжение обратной связи вычитается из входного напряжения, обратная связь называется отрицательной.
Для физического анализа схемы, представленной на рис. 2.1, допустим, что входное напряжение изменилось от нуля до некоторого положительного значения UВХ . В первый момент выходное напряжение UВЫХ , а следовательно, и напряжение обратной связи βUВЫХ также равны нулю. При этом напряжение, приложенное ко входу операционного усилителя, составит UД = UВХ . Так как это напряжение усиливается усилителем с большим коэффициентом усиления KU , то величина UВЫХ быстро возрастет до некоторого положительного значения и вместе с ней возрастет также величина βUВЫХ . Это приведет к уменьшению напряжения UД , приложенного ко входу усилителя. Тот факт, что выходное напряжение воздействует на входное напряжение, причем так, что это влияние направлено в сторону, противоположную изменениям входной величины и есть проявление отрицательной обратной связи. После достижения устойчивого состояния выходное напряжение ОУ
UВЫХ =KU UД =KU (UВХ – βUВЫХ ).
Решив это уравнение относительно UВЫХ , получим:
K=UВЫХ /UВХ =KU /(1 + βKU ) (2.1 )
При βKU >>1 коэффициент усиления ОУ, охваченного обратной связью составит
K = 1/β (2.2 )
Таким образом, из этого соотношения следует, что коэффициент усиления ОУ с обратной связью определяется почти исключительно только обратной связью и мало зависит от параметров самого усилителя. В простейшем случае цепь обратной связи представляет собой резистивный делитель напряжения. При этом схема с ОУ работает как линейный усилитель, коэффициент усиления которого определяется только коэффициентом ослабления цепи обратной связи. Если в качестве цепи обратной связи применяется RC-цепь, то образуется активный фильтр. Наконец, включение в цепь обратной связи ОУ диодов и транзисторов позволяет реализовать нелинейные преобразования сигналов с высокой точностью.
Инвертирующий усилитель. Этот усилитель изменяет полярность усиливаемого сигнала на противоположную, рис. 2.2.

Согласно правилу 1 потенциал точки А равен потенциалу земли. Поэтому точку А можно назвать виртуальной землей. Через резистор RВХ протекает ток
, (2.3)
направление которого зависит от полярности входного напряжения. В RВХ
входит также и внутреннее сопротивление источника сигнала. Согласно правилу 2 ток протекающий через сопротивление обратной связи также равен I. Этот ток создает на RОС
падение напряжения
.
С учетом (2.3) это напряжение определяется следующим образом:
.
Учитывая, что точка А потенциально заземлена, напряжение на выходе ОУ равно
, (2.4)
где
- коэффициент передачи напряжения инвертирующего усилителя с ОС.
Знак «-» показывает, что выходное напряжение находится в противофазе со входным.
Ток нагрузки IН определяется только её сопротивлением RН и UВЫХ : IН =UВЫХ /RН . Ток в нагрузку отдает выходная цепь ОУ: IВЫХ =I+IН . Максимальное значение IВЫХ зависит от ОУ (типовое значение 5…20 мА). Сопротивление RН должно быть таким, чтобы величина IВЫХ не превышала максимально допустимого значения для данного ОУ. В противном случае ОУ теряет работоспособность.
Входное сопротивление усилителя (рис. 2.2) для генератора ЕВХ равно RВХ . Поэтому для повышения входного сопротивления схемы необходимо увеличение сопротивления RВХ ( RВХ ≥ 10 кОм).
Неинвертирующий усилитель. Усилитель, рис. 2.3 не инвертирует входной сигнал.
В отличие от инвертирующего, неинвертирующий усилитель обладает большим входным сопротивлением. Согласно правилам 1 и 2 ток в цепи обратной связи I=ЕВХ /R и создает падение напряжения на резисторе RОС равное ЕВХ RОС /R.
Учитывая, что выходное напряжение складывается из падений напряжений на резисторе RОС и R можно записать:
, (2.5)
где КОС =(1+RОС /R) - коэффициент передачи напряжения неинвертирующим усилителем.
Сравнивая (2.4) и (2.5) нетрудно заметить, что коэффициент усиления по напряжению неинвертирующего усилителя равен абсолютной величине коэффициента усиления инвертирующего усилителя плюс единица.
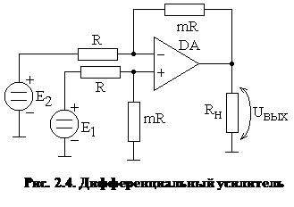
Дифференциальный усилитель.
Усилители сигналов применяются в различных электронных измерительных устройствах. Дифференциальный усилитель, рис. 2.4, дает возможность измерять и усиливать слабые сигналы. Все применяемые резисторы прецизионные (с допуском не более 1%). Положим, что источник напряжения Е1
замкнут накоротко. Для источника Е2
схема является инвертирующим усилителем с коэффициентом усиления -m, т.е.
.
Если закорочен источник Е2 , то напряжение Е1 делится резисторами R и mR. Напряжение на входе (+):
![]()
Для напряжения U(+) схема является неинвертирующем усилителем с коэффициентом усиления (1+m).
При наличии обоих источников напряжения (Е1 ¹0, Е2 ¹0) выходное напряжение равно:
![]()
, (2.6)
где m - дифференциальный коэффициент усиления.
Выходное напряжение дифференциального усилителя пропорционально разности напряжений приложенных к инвертирующему и неинвертирующему входам.
При наличии Е1 -Е2 =0 выходное напряжение равно нулю, то есть для синфазного входного напряжения UВЫХ =0.
В идеале ЕСИНФ никак не влияет на выходное напряжение усилителя. В действительности же за счёт отличия КСИНФ от нуля UВЫХ , хотя и в очень незначительной степени, отслеживает изменения ЕСИНФ .
Благодаря тому, что

усилитель позволяет выделить слабый сигнал на фоне сильной помехи. Для этого необходимо сделать так, чтобы для дифференциального усилителя помеха была синфазным напряжением, а полезный сигнал – дифференциальным.