| Скачать .docx |
Реферат: Контрольная работа: Построение вычислительных сетей на основе технологий CISCO
КОНТРОЛЬНАЯ РАБОТА
Построение вычислительных сетей на основе технологий CISCO
Расчет допустимой конфигурации домена коллизий для локальной сети стандарта 802.3
Оглавление
Введение
Задание по проектированию
Пояснительная записка
Проектирование горизонтальных линий
Проектирование вертикальных линий
Выбор местоположения аппаратных комнат
Выводы
Список литературы
Введение
Компания Horns&Hoofs, занимающаяся продажами товаров широкого потребления в регионе, занимает три корпуса.
· Все здания имеют различные заземления.
· Каждое здание имеет только одно заземление.
· Пол покрыт керамической плиткой, если только не указано другое.
· Стены комнат из шлакоблоков и покрыты противопожарной краской, если только не указано другое..
Задание по проектированию
Необходимо разработать план кабельной системы для связи в сеть всех компьютеров во всех трех зданиях, на основании предположения о том, что в каждой пронумерованной комнате находятся два компьютера. План должен отражать:
· Расположение MDF.
· Расположение и количество IDFs.
· Указания IDFs, используемых для горизонтального кроссового оборудования.
· Указания IDFs, используемых для промежуточного кроссового оборудования.
· Расположение всей магистральной кабельной проводки между MDF и IDFs.
· Расположение всей магистральной кабельной проводки между IDFs.
· Расположение всей горизонтальной кабельной проводки между IDFs и рабочими зонами.
План должен отражать расположение магистральной кабельной проводки между этажами и между зданиями. В дополнение, план должен отражать тип среды передачи, используемой для горизонтальной и магистральной проводки.
Описание здания №2 (Восточный корпус)

Размеры здания приблизительно 30м на 15м. Предварительный обзор здания показал, что три комнаты могут быть потенциально использованы для аппаратных комнат. На плане они показаны буквами A, B, C.
| Комната | Освещение | Дверь | Замок | Выключатель освещения | Потолок | Электро-розетки |
| A | Лампы накаливания | Открывается наружу | Есть | Внутри комнаты, справа | Обычный | 2 |
| B | Лампы дневного света | Открывается наружу | Нет | Внутри комнаты, слева | Подвесной | 3 |
| С | Лампы накаливания | Открывается внутрь | Есть | Снаружи комнаты, слева | Обычный | 4 |
Описание здания №10 (Главное здание)

Размеры здания приблизительно 20м на 25м. Предварительный обзор здания показал, что три комнаты могут быть потенциально использованы для аппаратных комнат. На плане они показаны буквами A, B, С.
| Комната | Освещение | Дверь | Замок | Выключатель освещения | Потолок | Электро-розетки |
| A | Лампы дневного света | Открывается внутрь | Есть | Внутри комнаты, справа | Обычный | 3 |
| B, POP | Лампы накаливания | Открывается наружу | Есть | Внутри комнаты, справа | Обычный | 3 |
| С | Лампы накаливания | Открывается наружу | Есть | Внутри комнаты, справа | Подвесной | 5 |
Описание здания №20 (Западный корпус)

Размеры здания приблизительно 25м на 15м. Предварительный обзор здания показал, что две комнаты могут быть потенциально использованы для аппаратных комнат. На плане они показаны буквами A, B.
| Комната | Освещение | Дверь | Замок | Выключатель освещения | Потолок | Электро-розетки |
| A | Лампы накаливания | Открывается наружу | Есть | Внутри комнаты, слева | Обычный | 1 |
| B | Лампы накаливания | Открывается наружу | Есть | Внутри комнаты, справа | Обычный | 1 |
Пояснительная записка
Дальнейшее обоснование проектирования структурированной кабельной системы фирмы ведется в соответствии со стандартами :
· Стандарт ANSI/TIA/EIA-569-A (1998). Стандарт телекоммуникационных трасс и пространств коммерческих зданий. [США]
· ISO/IEC 11801 (1995) Информационные технологии. Структурированная кабельная система для помещений заказчиков. [международный]
· ISO/IEC 11801 Amendment (2000) Информационные технологии. Структурированная кабельная система для помещений заказчиков. Приложение. [международный]
· EN 50173:1995 Информационные технологии. Структурированные кабельные системы. [Европейский]
· EN 50173:1995/A1:2000 Приложение 1. Информационные технологии. Структурированные кабельные системы. [Европейский]
Проектирование горизонтальных линий
Системы горизонтальной проводке выполняются на основе неэкранированной витой пары категории 5е кабель стандарта 100Base-TX.
Физические параметры UTP категории 5е накладывают ограничение на максимальную продолжительность сегмента до 100м.
В соответствии со стандартами допустимая длина кабелей горизонтальной проводки не должна превышать 90м. Еще 10м отводится на кроссировку, аппаратные шнуры. Причем максимальная длина аппаратного шнура не должна превышать 2м.
Прокладка горизонтальной проводки производится, исходя из условий, либо в пространстве над фальш-потолком, либо в коробах по верху стен. Интерфейсы к телекомуникационным розеткам проложены в коробах. Для прокладки межкомнатных коммуникаций в коробах и в пространстве над фальш-потолком необходимо использовать кабель с категорией пожаростойкости Riser, для прокладки во внутрикомнатных лотках –- LSZH.
Проектирование вертикальных линий
Системы магистральной проводки выполняются на основе 10мкм одномодового оптоволокна, стандарта 1000Base-LX.
Физические ограничения на максимальную длину сегмента составляют 5000м (полный дуплекс). Что скорее всего является достаточной длинной для прокладки магистрали между зданиями (хоть расстояния между зданиями не указаны, логичным будет предположение что корпуса зданий находятся на ограниченной територрии)
Выбор местоположения аппартных комнат
MDF
Наиболее подходящей по условиям можно считать комнату B :
· Комната наиболее близка к геометрическому центру здания
· Обеспечивается необходимая освещенность и используются лампы накаливания
· Не имеется фальш-потолка
· Количество стационарных электро-розеток –- 3
· Дверь открывается наружу и имеет замок
· Есть точка POP
IDF 1
Для обустройства распределительной IDF1 в здании западного корпуса следует выбрать комнату A . Т.к.:
· Комната наиболее близка к геометрическому центру здания
· Обеспечивается необходимая освещенность
· Не имеется фальш-потолка
· Количество стационарных электро-розеток –- 1
· Дверь открывается наружу и имеется замок
Необходимо:
· Увеличить количество электро-розеток до 3
IDF 2
Для обустройства распределительной IDF3 в здании восточного корпуса следует выбрать комнату A . Т.к.:
· Комната наиболее близка к геометрическому центру здания
· Обеспечивается необходимая освещенность и используются лампы накаливания
· Не имеется фальш-потолка
· Количество стационарных электро-розеток –- 2
· Дверь открывается наружу и имеет замок

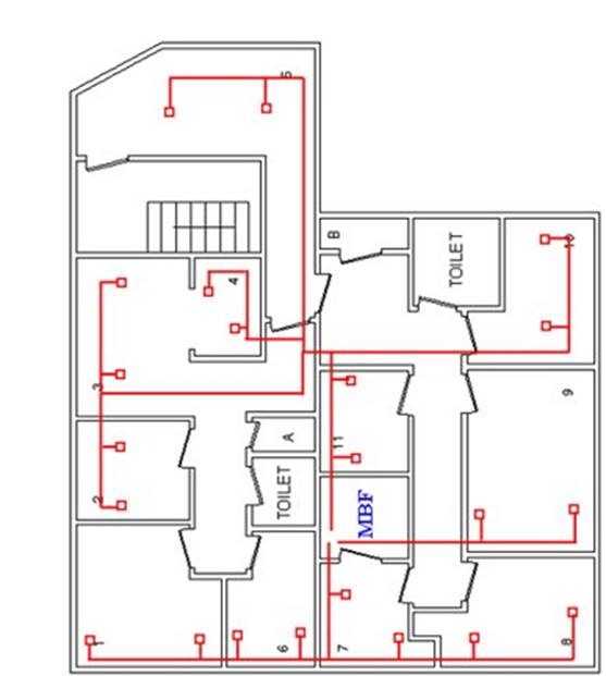
Рис. 1. Магистральная проводка

Рис. 2. Горизонтальная проводка. Здание №1 (восточный корпус)

Рис. 3. Горизонтальная проводка Здание №10 (Главный корпус)

Рис. 4. Горизонтальная проводка Здание №20 (западный корпус)
В настоящем проекте разработана структурированная кабельная система ЛВС компании “Horns&Hoofs”, занимающей три здания.
Главной распределительной комнатой MDF структурированной кабельной системы выбрана комната B главного здания. В качестве промежуточных распределительных комнат IDFs выбраны комнаты A здания западного корпуса и A здания восточного корпуса. Недостатком комнаты A восточного корпуса является то, что в комнате одна электрическая розетка. Этот минус устраним, вмонтировав розетку.
Для горизонтальной проводки был выбран кабель стандарта 100Base-TX, для магистральной (вертикальной) проводки был выбран полнодуплексный кабель стандарта 100Base-FX.
Список литературы
1. Кетов Д.В. Учебные материалы по курсу “Сети ЭВМ и телекоммуникации”.
2. Олифер В.Г., Олифер Н.А. “Компьютерные сети. Принципы, технологии, протоколы. ” СПб.: Питер, 2003
3. Танненбаум Э. Компьютерные сети.
4. Электронные ресурсы: www.madex.ru.