| Скачать .docx |
Курсовая работа: Курсовая работа: Регулируемый полосовой фильтр
Министерство образования РФ
Уральский Государственный технический университет
Кафедра Автоматика и управление в технических системах
Допустить к защите ______________
Зав. кафедрой В.Г. Лисиенко
Регулируемый полосовой фильтр
курсовой проект
пояснительная записка
2101 420 000 005 ПЗ
Руководитель
доц. к.т.н. ___________________ В. И. Паутов
Нормоконтролер
доц. к.т.н. __________________ Н. С. Калинин
Студент
Гр. Р-301 __________________ А. C. Мохов
Екатеринбург
2006
Реферат
Рассмотрен регулируемый полосовой фильтр с полосой пропускания порядка 20 Гц с изменением fр в диапазоне частот от 1 до 10 кГц, управляемый 8-разрядным кодом. При этом не изменяется ширина полосы пропускания и коэффициент усиления. Полосовой фильтр состоит из магистрального приемника последовательного сигнала, 8-разрядного регистра сдвига с последовательным входом, 10-разрядного цифро-аналогового преобразователя, полосового фильтра 3-го порядка на трех операционных усилителях, схемы управления, которая состоит из: RS-триггера, логического элемента 2И-НЕ с триггером Шмидта, двух задерживающих схем, счетчика на 2 и на 8 в одном корпусе и логических элементов 3И и 2И-НЕ.
Разработаны структурная и принципиальная схемы устройства.
Преобразователь может применяться для выделения аналогового сигнала необходимой частоты с выделением из указанного выше диапазона частот, причем управляться он может от ЭВМ через стандартный интерфейс RS-232Ccom-порта. Причем изменить диапазон частот, а также ширину полосы пропускания можно небольшой подстройкой полосового фильтра подбором необходимых сопротивлений и конденсаторов.
Проект содержит 16 стр., 8 рис., 1 стр. приложений, 6 назв. библ.
Содержание
ЗАДАНИЕ НА ПРОЕКТИРОВАНИЕ
РЕФЕРАТ
СОДЕРЖАНИЕ
ВВЕДЕНИЕ
1. СТРУКТУРНАЯ СХЕМА
2. ПРИНЦИПИАЛЬНАЯ СХЕМА
2.1 Выбор основной элементной базы
2.2 Определение параметров RC цепочки на входе генератора
2.3 Описание принципа работы
2.3.1 Работа МП
2.3.2 Работа регистра сдвига
2.3.3 Передача данных с регистра на ЦАП
2.3.4 Работа ЦАП
2.3.5 Работа фильтра на операционных усилителях
2.3.6 Работа схемы управления
3. КОНСТРУКТИВНОЕ ОФОРМЛЕНИЕ
ЗАКЛЮЧЕНИЕ
БИБЛИОГРАФИЧИСКИЙ СПИСОК
ПРИЛОЖЕНИЕ Перечень элементов
Введение
В данной работе необходимо разработать полосовой фильтр, с шириной полосы порядка 20 Гц и диапазоном изменения fр от 1 кГц до 10 кГц, управляемый 8-разрядным кодом.
Потребность в таком фильтре появляется из-за стремления уменьшить размеры приборов, использующих такие преобразователи, и из-за стремления уменьшения времени и ресурсов, затрачиваемых на работу, а так же из-за универсальности данного прибора и возможности работать со стандартным интерфейсом com-порта ЭВМ.
Поставленная задача имеет неоднозначное решение. Вес этот фильтр мог быть построен на контроллере, что значительно упростило бы схему и дало возможность работать с цифровым сигналом.
Данный курсовой проект посвящен разработке структурной и принципиальной схемы такого преобразователя.
В качестве основного элемента преобразователя берётся 10-ти разрядный ЦАП с полосовым фильтром, которые управляется системой управления. Дополнительно к ЦАП добавляются регистр и магистральный приемник последовательного сигнала с двухпроводной асинхронной линии, которые позволяют принимать информацию, а также сохранять ее на необходимое для нормальной работы схемы время. Предполагается, что фильтр работает с диапазоном частот от 1 до 10 кГц.
1. Структурная схема
В ходе работы разработана структурная схема представленная на рис.1 .
Рис.1. Структурная схема преобразователя
МП – магистральный приемник последовательного кода.
RG – регистр.
ЦАП – преобразователь аналогового напряжения в двоичный код. ЦАП с фильтром являются основными элементами преобразователя.
CУ – схема управления.
G – генератор тактовых импульсов.
Описание принципа работы.
Интерфейс RS-232C использует несимметричные приемники и передатчики, сигнал передается относительно общего провода (схемной земли). Интерфейс RS-232C не обеспечивает гальванической развязки устройств. Логической единице на входе приемника соответствует уровень напряжения -3 ... -12 В. Логическому "0" соответствует напряжение +3 ... +12. Между уровнями +3 ... -3 В существует зона нечувствительности, обуславливающая гистерезис приемника. Состояние на выходе приемника изменяется только при пересечении напряжением порога +3 или -3 В. Уровни сигналов на выходах передатчика должны лежать в диапазоне +5...+12 В или -5 ... -12 В.
При включении схемы СУ кнопкой с возвратом сбрасываем все элементы в начальное положение.

На МП поступает входная информация в виде двоичного 8-разрядного последовательного кода по интерфейсу RS-232C. МП преобразует код интерфейса RS-232C в стандартный последовательный код ТТЛ уровня. При отсутствии сигнала с com-порта на линию подается “1”, при передачи «пачки» информации с порта, состоящей из стартового бита, уровень которого “0”, и следующих за ним 8 информационных битов с битом четности и стоп-битом, СУ срабатывает на передний фронт стартового бита и запускает генератор тактовых импульсов, но с некоторой задержкой, чтобы пропустить стартовый бит. Задержка осуществляется задерживающей цепью перед генератором (рис. 2).
Для синхронизации приема регистром сигнала с последовательного порта ЭВМ необходимо, чтобы частота тактового генератора FС совпадала со скоростью передачи по линии (рис. 2), для этого надо при составлении программного обеспечения для управления данным фильтром принудительно задать скорость передачи кода с com-порта, для работы с которой рассчитан генератор тактовых импульсов (см. ниже ).
Далее на тактовый вход регистра сдвига с последовательным входом подается восемь импульсов с частотой FС для записи с последующим сдвигом каждого из восьми битов информации. После этого подается девятый тактовый импульс на ЦАП для считывания им с регистра параллельного 8-разрядного кода и преобразования его в напряжение, управляющее самим полосовым фильтром.
Для наглядного представления работы всей схемы ниже даны временные диаграммы управления каждой микросхемой фильтра [ 2,3,5 ].
ВРЕМЕННАЯ ДИАГРАММА
![]() |
2. Принципиальная схема
На основе структурной схемы регулируемого полосового фильтра разработана принципиальная схема.
2.1 Выбор основной элементной базы
В качестве магистрального приемника взята микросхема К1102ЛП1. В качестве 8-разрядного регистра с последовательной загрузкой и с параллельным считыванием микросхема К555ИР8, а в качестве ЦАП – микросхема К1118ПА2 в режиме работы ТТЛ. В качестве генератора взят логический элемент 2И-НЕ с триггером Шмидта – микросхема К155ТЛ3. Системой управления является набор логических элементов, включая асинхронный счетчик К155ИЕ5, RS-триггер К555ТР2, логический элемент 3И - К555ЛИ3 и 2И-НЕ – К155ЛА3, функции которых описаны ниже [ 1,4,6 ].
2.2 Определение параметров RC цепочки на входе генератора ( DA 1.1)
![]() |
Рис.3 . Генератор тактовых импульсов на микросхеме К155ТЛ3
Учитывая, что скорость передачи необходимо устанавливать принудительно при управлении фильтром с com-порта, будем считать достаточной частоту тактового генератора порядка 20 кГц, тогда R2 = 250 Ом и С1 = С2 = 0,1 мкФ, а R1 = 500 Ом (рис. 3). Цепь задержки перед генератором служит для того, чтобы пропустить стартовый бит и записывать в регистр информацию с первого информационного бита.
2.3 Описание принципа работы
2.3.1 Работа МП ( DD 1.1)
Магистральный приемник (рис. 4) преобразует уровни напряжения сигнала с последовательной линии com-порта до уровня ТТЛ. В сигнале, приходящем с порта, уровень единицы –3 .. –12 В, что соответствует 2,4 .. 5 В в ТТЛ, а уровень нуля +3 .. +12 В, что соответствует 0 .. 0,8 В в ТТЛ. Питание: вывод 1 – +5В, 4 – общая шина.
Рис. 4. Магистральный приемник ( DD 1.1)
2.3.2 Работа регистра сдвига ( DD 2.1)
![]() |
Рис. 5. Регистр сдвига с последовательной загрузкой и параллельной выгрузкой.
На вход 2 подается последовательный сигнал (рис. 5), преобразованный в уровень ТТЛ магистральным приемником DD1.1. На входы 1, 9 подается напряжение +5 В, а выходы 3 – 6, 10 - 13 через 8-разрядную шину подсоединены к ЦАП (DD2.2), по ним передается параллельный код управления. Ко входу 9 также подсоединена кнопка сброса с возвратом. Питание: вывод 10 – общая шина, 5 – +5В.
На схему управления проходит фронт импульса стартового бита, который проходя через RS-триггер DD3.1 запускает генератор DD3.5 с запозданием, необходимым, чтобы пропустить стартовый бит. Тактовые импульсы подаются прямо на вход 8 микросхемы DD2.1, которые сдвигают код на выходах 3 – 6, 10 – 13 на один разряд и записывают в освободившийся регистр. Тактовые импульсы также подаются на счетчик DD3.2, выходы которого подсоединены логическому элементу DD3.3 3И, который при достижении восьми тактов подает сбрасывающий импульс на DD3.1, причем с задержкой, необходимой, чтобы пропустить бит четности с com-порта, а также с DD3.3 идет управляющий импульс на DD2.2, по которому происходит преобразование двоичного параллельного кода в напряжение.
2.3.3 Передача данных с регистра на ЦАП
После восьмого такта импульс с DD3.3 подается на вход DD2.2 по которому происходит считывание кода по шине с DD2.1 и преобразование его в напряжение.
2.3.4 Работа ЦАП ( DD 2.2)
Непосредственное управление полосовым фильтром происходит с помощью ЦАП (рис. 6), с выхода которого подается управляющее напряжение на затворы полевых транзисторов с p-n-переходом.
![]() |
Рис. 6. Схема подключения ЦАП ( DD 2.2)
На входы 16,19,23,25,27,29,31,33,35,37,39 подается параллельный код управления. Входы 11,20,21 и все др. незадействованные входы подсоединяются через резистор R = 3 кОм к общей шине. На вход 9 подается питание –5В, а на вход 2 – + 5 В. На вход четыре подается опорное напряжение ±5 В. Через выход 7 подается образуемое напряжение в пределах 0 .. –1,024 В.
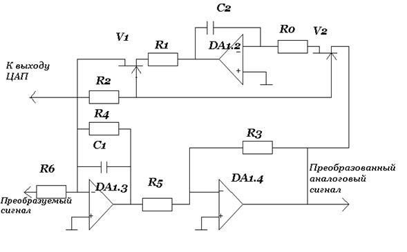
2.3.5 Работа фильтра на операционных усилителях
На рисунке 7 все элементы DA1 – операционные усилители К140УД11, достаточно быстродействующие. Питание: вывод 4 – -20 В, вывод 7 – +20 В. С1 = С2 = 0,1 мкФ, R1 = R2 = 160 Ом, R3 = R5 =10 кОм, R6 = 8 кОм, R4 = 80 кОм. Данный фильтр позволяет изменять fp независимо от ширины полосы пропускания и коэффициента усиления.
|

Для этой цели служат элементы V1 и V2 – полевые транзисторы типа КП312A . При уменьшении напряжения на выходе DD2.2 от 0 до –1 В (и, соответственно, на затворах полевых транзисторов) сопротивление n-канальных полярных транзисторов увеличится и произойдет смещение полосы пропускания в сторону меньших частот.
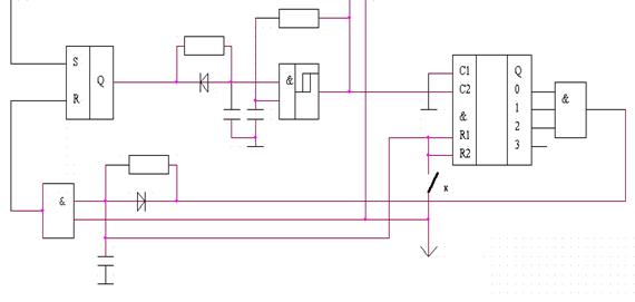
2.3.6 Работа схемы управления
|
![]()

В качестве логического элемента 2И-НЕ взята микросхема К155ЛА3 на вход 14 подается питание +5В, вывод 7 – общая шина (рис. 8), и D1 и D2 диоды типа AA113A. При нажатии кнопки К с возвратом сбрасывается счетчик. Схема задержки перед элементом DD3.4 с теми же параметрами, что и перед генератором, т.е. R3 = R2, C3 = C1.
3. Конструктивное оформление
Наше устройство разметим на стандартной плате. Микросхемы разметим на координатной сетке. Шаг координатной сетки соответствует выводам микросхем.
Для того, что бы выбрать материал для печатной платы необходимо, что бы этот материал соответствовал следующим требованиям:
- устойчивость к механическим воздействиям
- хорошие тепловые характеристики
- высокое удельное сопротивление
- диэлектрическая проницаемость ≈ 1
- высокая надежность
Материал для изготовления печатной платы выбирается по ГОСТ 10316 – 78.
Сравнительные характеристики материалов печатных плат сведены в таблицу
| Марка материала | Толщина | Удельное объемное сопю ОМ см | Тангенс угла диэлек. потерь | Прочность сцепления фольги с ос. | |
| Фольга | Мат. С фол | ||||
| ГФ1-35 | 35 | 1,5 2 2,5 | 1*10 | 0,07 | 9 |
| ГФ2-35 | 35 | 1 1,5 2 3 | 1*10 | 0,07 | 9 |
| СФ1-35 | 35 | 0,8 1 1,5 | 5*10 | 0,03 | 10 |
| СФ2-35 | 35 | 2,5 3 | 5*10 | 0,03 | 10 |
| СФ1-50 | 50 | 0,5 1 1,5 | 5*10 | 0,03 | 10 |
| СФ2-50 | 50 | 2,5 3 | 5*10 | 0,03 | 10 |
В качестве материала для печатной платы используем стеклотекстолит фольгированный марки СФ-2Н-50Г т.к. эксплуатационные характеристики стеклотекстолита лучше, чем у гетинакса. ТКР меди отличается от ТКЛР гетинакса в 6-12 раз, а от стеклогекстолита в 3 раза, что значительно уменьшает риск появления разрывов при пайке.
После изготовления прочистить спиртом и покрыть матовым лаком.
Заключение
В результате проведённой работы был разработан полосовой фильтр с полосой пропускания 20 Гц, а также с возможностью изменения частоты пропускания в диапазоне от 1 до 10 кГц в зависимости от кода управления, подаваемого с последовательного порта ЭВМ типа IBM.
Были разработаны структурная и принципиальная схемы полосового фильтра, и конструктивное исполнение.
Данный фильтр легко может найти применение в различных сферах науки и техники. В различных системах, где требуется выделение аналогового сигнала определенной чистоты с управлением от ЭВМ (например, станки с программным управлением, системы обработки звука, на производстве в различных технологических процессах, где нужно отслеживать зашумленные сигналы и др.).
Библиографический список
1. Шило В.Л. Популярные цифровые микросхемы: Справочник. – М.: Радио и связь, 1987. – 416 с., ил.
2. Федорков Б.Г., Телец В.А. Микросхемы ЦАП и АЦП: функционирование, параметры, применение. – М.: Энергоатомиздат, 1990. – 320 с., ил.
3. Воробьев Н.И. Проектирование электронных устройств: Учеб. пособие для вузов по спец. «Автоматика и упр. в техн. системах». – М.: Высш. шк., 1989. – 223 с., ил.
4. Цифровые и аналоговые интегральные микросхемы: Справочник / Под редакцией Якубовского С.В. – М.: Радио и связь, 1990. – 496 с., ил.
5. Паутов В.И. Лекции по электронике. III-курс спец. «Автоматика и упр. в техн. системах». 2001.
6. Справочник по интегральным микросхемам Тарабин Б.В., Якубовский С.В. и др. М.: Э., 1980, 816с., ил.
ПРИЛОЖЕНИЕ
ПЕРЕЧЕНЬ ЭЛЕМЕНТОВ
Поз. обозн. |
Наименование | Кол. | Примечание |
| DD1.1 | Микросхема К1102ЛП1 БКО. 348.685 ТУ |
1 | |
| DD2.1 | Микросхема К555ИР8 БКО. 348.685 ТУ |
1 | |
| DD2.2 | Микросхема К1118ПА2 БКО. 348.685 ТУ |
1 | |
| DD3.1 | Микросхема К555ТР2 БКО. 348.685 ТУ |
1 | |
| DD3.2 | Микросхема К155ИЕ5 БКО. 348.685 ТУ |
1 | |
| DD3.3 | Микросхема К555ЛИ3 БКО. 348.685 ТУ |
1 | |
| DD3.4 | Микросхема К155ЛА3 БКО. 348.685 ТУ |
1 | |
| DD3.5 | Микросхема К155ТЛ3 БКО. 348.685 ТУ |
1 | |
| DА1.1 – DA1.3 | Микросхема К140УД11 БКО. 348.685 ТУ |
3 | |
| D1,D2 | Диод АА113А | 2 | |
| V1,V2 | Транзистор КП312А | 2 |
| R1 – R3 | Резистор МЛТ-1-100 Ом А ТУ ОЖО 467 003 |
3 |
| R4 | Резистор МЛТ-1-80 кОм А ТУ ОЖО 467 003 |
1 |
| R6,R8 | Резистор МЛТ-1-8 кОм А ТУ ОЖО 467 003 |
2 |
| R5, R7 | Резистор МЛТ-1-10 кОм А ТУ ОЖО 467 003 |
2 |
| R10, R11 | Резистор МЛТ-1-620 Ом А ТУ ОЖО 467 003 |
2 |
| R9 | Резистор МЛТ-1-260 Ом А ТУ ОЖО 467 003 |
1 |
| C1 – C6 | Конденсатор МБМ – 16 В – 0,1 мкФ ТУ УБО 462 014 |
6 |
| XS1 | Разьем IDC10 | 1 |
2101 420 000 005 ПЭ |
||||||
| Изм | Лист | № докум. | Подп. | Дата | ||
| Разраб. | Мохов А.С. | Регулируемый полосовой фильтрПеречень элементов |
Лит. | Лист. | Листов | |
| Пров. | Паутов В.И. | |||||
УГТУ – УПИРТФ гр. Р–301 Кафедра АУТС |
||||||
| Н.Контр. | Калинин Н.С | |||||
| Утв. | ||||||



