| Скачать .docx |
Реферат: Разработка и расчет электронного устройства
Федеральное агентство по образованию
ГОУ ВПО «СИБИРСКИЙ ГОСУДАРСТВЕННЫЙ ТЕХНОЛОГИЧЕСКИЙ УНИВЕРСИТЕТ»
Кафедра Электротехники
КУРСОВАЯ РАБОТА
ПО ДИСЦИПЛИНЕ «Электротехника и электроника»
Тема: Разработка и расчет электронного устройства
| Преподаватель |
| _______________________________ (дата оценка роспись ) |
| Выполнила |
Красноярск, 2008 год
Задание:
1. Выбрать и рассчитать схему усилительного устройства, описать принцип ее работы.
Дано:
- Напряжение генератора, Ег 0,25 В;
- Сопротивление генератора, Rг 1 кОм;
- Сопротивление нагрузки, Rн 40 Ом;
- Мощность нагрузки, Рн 0,5 Вт;
- Тип фильтра ППФ;
- Тип аппроксимации фильтра Баттерворта;
- Порядок фильтра 4;
- Нижняя частота пропускания фильтра, fн 95 Гц;
- Верхняя частота пропускания фильтра, fв 105 Гц;
2. Произвести выбор и расчет блока питания для электронных устройств, описанных в первых двух частях.
Содержание
| Реферат |
4 |
|
| 1 |
Проектирование усилительного устройства |
|
| 1.1 |
Структурная схема усилителя |
5 |
| 1.2 |
Определение основных параметров усилителя |
5 |
| 1.3 |
Выбор схемы входного каскада (ВК) |
6 |
| 1.4 |
Выбор и расчет параметров усилителя напряжения (УН) |
6 |
| 1.5 |
Выбор схемы и расчет параметров активного фильтра (АФ) |
7 |
| 1.6 |
Выбор схемы и расчет усилителя мощности |
10 |
| 1.7 |
Описание схемы |
12 |
| 2 |
Проектирование источника питания |
|
| 2.1 |
Исходные данные для расчета |
14 |
| 2.2 |
Выбор стабилизаторов |
14 |
| 2.3 |
Расчет выпрямителей |
14 |
| 2.4 |
Расчет силового трансформатора |
16 |
| Библиографический список |
19 |
|
| Приложение 1 |
20 |
Реферат
В данной курсовой работе необходимо спроектировать усилительное устройство и источник питания.
В первой части работы описан расчет и подборка микросхем для проектирования усилительного устройства.
Во второй части работы описаны расчет выпрямителей, силового трансформатора и выбор стабилизатора для проектирования источника питания.
Всего в данной курсовой работе используется 3 таблицы, 58 вычислительных формул, 10 рисунков, 1 приложение.
Для написания программного кода к вычислению сложной вычислительной формуле использовался язык Pascal.
Проектирование усилительного устройства.
1.1 Структурная схема усилителя
![]() |
Исходными данными для разработки усилителя являются: ЭДС источника сигнала – Ег ; его внутреннее сопротивление – Rг ; мощность в нагрузке – Рн ; наличие в составе усилительного устройства фильтра заданного порядка и аппроксимации с требуемыми частотными характеристиками.
Рисунок 1 - Структурная схема усилительного устройства.
- Входной каскад (ВК) предназначен для согласования источника сигнала с усилительным устройством.
- Усилитель напряжения (УН) усиливает входной сигнал до необходимого уровня.
- Активный фильтр (АФ) формирует заданную частотную характеристику устройства.
- Усилитель мощности (УМ) служит для создания в нагрузке требуемой мощности усиливаемого сигнала.
1.2. Определение основных параметров усилителя
Прежде всего по исходным данным необходимо определить основные параметры усилительного устройства:
- входное сопротивление усилителя Rвх, которое нужно оптимальным образом согласовать с источником сигнала:
Rвх =(10-100)Rг (1)
Rвх =50·1000=50 кОм.
где Rг - внутреннее сопротивление источника сигнала, Ом;
- действующее значение напряжения в нагрузке - Uн.
и общий коэффициент усилителя устройства по напряжению - Ku
определяются по формулам: Ku
=Uн
/Eг,
где Uн
имеем
Ku
/Eг
(2)
Ku =√0,5·40/0,25=9,
где Eг - ЭДС источника сигнала, В;
Pн - мощность нагрузки, Вт;
Rн - Сопротивление нагрузки, Ом
Поскольку Ku < 10, то усилитель напряжения из схемы можно исключить, а требуемое усиление получить в усилители мощности.
1.3. Выбор схемы входного каскада.
Для правильного выбора схемы ВК нужно учитывать два основных фактора: требуемое входное сопротивление и частотную характеристику всего усилителя, которая зависит от фильтра.
Поскольку задан полосовой фильтр то возможно применение эмиттерного или истокового повторителя напряжения.
Поскольку выбранное входное сопротивление составляет 50 кОм необходимо применение истокового повторителя напряжения. Его принципиальная схема приведена на рисунке 2.
![]() |
Рисунок 2 – Схема истокового повторителя.
Данная схема обладает относительно большим входным сопротивлением. Также преимуществом является то, что она существенно уменьшает входную ёмкость каскада.
1.4. Выбор и расчет параметров входного каскада
Принимаем стандартное напряжение питания каскада Uп =12В.
Принимаем к установке кремневый планарно-эпитаксиальный полевой транзистор с каналом типа n и диффузионным затвором марки КП303А, его характеристики таблица 1:
Таблица 1. Характеристики кремневого планарно-эпитаксиального полевого транзистора марки КП 303А
| Наименование элемента |
Значение |
Единица измерения |
| Структура: |
N-FET |
|
| Начальный ток стока Iсн , |
1,5 |
мА |
| Напряжение отсечки Uотс |
1,2 |
В |
| Максимальное напряжение сток-исток Uси max |
25 |
В |
| Максимальный ток сток-исток при 25 С Iси макс. |
20 |
А |
| Максимальное напряжение затвор-исток Uзи макс. |
3 |
В |
| Сопротивление канала в открытом состоянии Rси вкл . |
- |
мОм |
| Максимальная рассеиваемая мощность Pси макс. |
0.2 |
Вт |
| Крутизна характеристики S |
2 |
мА/В |
| Корпус |
KT-112 |
Задаем значение тока стока в рабочем режиме, по условию Iса <Iсн , принимаем Iса =1мА. Из передаточной характеристики [1, рисунок 55, стр. 42] определяем требуемое напряжение затвор-исток, которое должно подаваться на затвор полевого транзистора для задания рабочей точки каскада: Uзиа =0,2В.
Находим величину сопротивления Rи , по формуле:
Rи = Uзиа /Iса ; (3)
Rи =0,2/10-3 =200 Ом.
Выбор значения резистора Rз в значительной мере может быть произвольным, при этом надо помнить, что оно определяет входное сопротивление каскада, принимаем Rз =Rвх .
Производим расчет блокировочных конденсаторов по формулам:
Свх ≥ 1/(2πfн (Rг +Rвх )); (4)
Свых ≥ 1/(2πfн (Rвых +Rн )); (5)
где fн - нижний предел частотной характеристики, Гц;
Rн - сопротивление нагрузки, Ом;
Rвых - выходное сопротивление каскада, Rвых =1/S;
Rвх - входное сопротивление каскада, Rвх = Rз ;
Rг - сопротивление источника сигнала, Ом;
Rвых =1/2,5·10-3 =400 Ом;
Свх =1/(2·3,14·95(1000+50000))=32·10-9 Ф;
Свых =1/(2·3,14·105 (400+40))=3,4·10-6 Ф;
Принимаем стандартные большие значения: Свх =33 нФ, Свых =5 мФ.
Производим корректировку общего коэффициента усиления:
Кu ’=Кu /Кп ; (6)
где Кп - коэффициент передачи входного каскада;
Кп =Us /(Us +1); (7)
Us =(2·|Uзиа |/|Uотс |)·√Iсн /Iса ; (8)
Us =(2·0,2/1,2)·√1,5/1=0,4;
Кп =0,4/(0,4+1)=0,29;
Кu ’=9/0,29=31.
1.5. Расчет элементов активного фильтра
Поскольку fв /fн <5, то полосовой фильтр будем строить последовательного соединения двух узкополосных фильтров имеющих небольшой взаимный сдвиг частотных характеристик.
Определяем среднюю частоту настройки фильтра и относительную полосу пропускания:
f0 =(fв +fн )/2; (9)
ΔΩ=(fв -fн )/f0 ; (10)
f0 =(105+95)/2=100 Гц;
ΔΩ=(105-95)/100=0,1;
По [2, таблица1, стр. 11] для фильтра Баттерворта 4-го порядка определяем коэффициенты аппроксимации. Для первого звена b1 =0,7654 c1 =1,0000, для второго звена b2 =1,8478 c2 =1,0000.
Для расчета коэффициента а, который находится из уравнения:
a2 +(a·ΔΩ·b/c·(1+a2 ))2 +1/a2 -2-(ΔΩ)2 /c=0; (11)
была использована программа, текст которой приведен в приложение 1. По результатам программы, а=0,9547.
Вычисляем добротность фильтров, которые нужно включить последовательно:
Q=(1+a2 )·c/(a·b·ΔΩ); (12)
Q1 =(1+0,95472 )·1,0000/(0,9547·0,7654·0,1)=26,158;
Q2 =(1+0,95472 )·1,0000/(0,9547·1,8478·0,1)=10,835.
Находим параметры звеньев ППФ. Частоты настроек первого и второго звеньев будут равны:
fр1 =f0 /а; (13)
fр2 =f0 ·а; (14)
fр1 =100/0,9547=104,74 Гц;
fр2 =100·0,9547=95,47 Гц.
Коэффициенты усиления каждого из звеньев фильтра будут равны:
Ai =Qi ·ΔΩ·√1/ci ; (15)
A1 =26,158·0,1·√1/1=2,6158;
A2 =10,835·0,1·√1/1=1,0835;
![]() |
Каждый из полосовых фильтров второго порядка может строиться по разным схемам. Для дальнейшего расчета выбираем схему фильтра со сложной отрицательной обратной связью, схема которого изображена на рисунке 3.
Рисунок 3 – Схема полосового фильтра со сложной
отрицательной обратной связью.
Расчеты элементов выполняется по формулам:
С1i =C2i =10-5 /fpi ; (16)
R2i =Qi /(π·fpi · С1i ); (17)
R1i =R2i /(2·Ai ); (18)
R3i =Ai ·R1i /(2·Qi 2 +Ai ); (19)
C11 =10-5 /104,74=95 нФ, C12 =10-5 /95,47=104 нФ;
R21 =26,158/(3,14·104,74·95·10-9 )=837,21 кОм;
R22 =10,835/(3,14·95,47·104·10-9 )=347,54 кОм;
R11 =837,21/(2·2,6158)=160 КОм, R12 =347,54 /(2·1,835)=94,69 КОм;
R31 =2,6158·160/(2·26,1582 +2,6158)=305 Ом;
R32 =1,835·94,69/(2·10,8352 +1,835)=734 Ом.
К установки принимаем двухканальный операционный усилитель типа К157УД2.
Пересчитываем коэффициент усиления для усилителя мощности:
Кu ’’=Кu ’·A1 ·A2 =31/(2,6158·1,0835)=10,9.
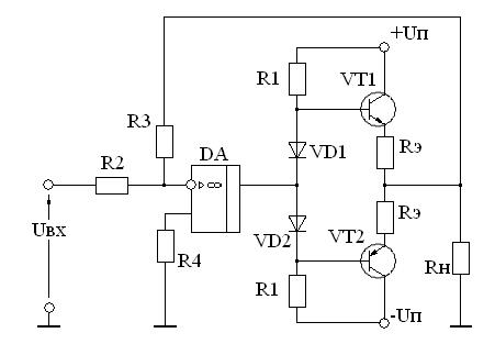
1.6. Выбор схемы и расчет усилителя мощности
Усилитель мощности будим строить с применением ОУ и мощным без трансформаторным выходным каскадом на комплиментарных составных транзисторах. Схема разрабатываемого усилителя мощности приведена на рисунке 4.
![]() |
Рисунок 4 – усилитель мощности на ОУ с комплиментарным повторителем.
Определяем с небольшим запасом мощность, которую должны обеспечить выходные транзисторы:
Рн ’=1,1·Рн ; (20)
Рн ’=1,1·0,5=0,55 Вт;
Требуемые значения амплитуды напряжения на нагрузке, а также амплитуда коллекторного тока будут равны:
Uн =√Pн ’·Rн ; (21)
Uн. max =√2·Uн ; (22)
Iн =Uн /Rн ; (23)
Iн. max =√2·Iн ; (24)
Uн =√0,55·40=22 В;
Uн. max =√2·22=31,11 В;
Iн =31,11/40=0,777 А; Iн. max =√2·Iн =1,098 А.
Задаемся значением начального тока коллектора:
Iко =(0,05÷0,1)Iн ; (25)
Iко =0,0826·1,098=0,09 А;
Определим величины сопротивлений резисторов Rэ из такого расчета, чтобы на них падало напряжение Uэ =(0,2÷0,3)В при токе Iко :
Rэ =0,3/0,09=3,33 Ом.
Выбираем напряжение питания усилителя:
Uп >Uнас +Uн. max + Rэ ·Iко ; (26)
Uп >1+31,11+40·0,09=35,7 В;
где Uнас - напряжение насыщения транзистора, принимаем Uнас =1 В;
Принимаем стандартное Uп =35В.
Мощность рассеиваемая на коллекторе выходного транзистора:
Рк.мах =0,25Рн ’; (27)
Рк.мах =0,25·0,55=0,1375 Вт.
Принимаем к установке по транзисторы типа КТ814А и КТ815А их технические характеристики, а также условия выбора приведены в таблице 2.
Таблица 2- Основные параметры выбранных транзисторов.
| Величина |
Постоянный ток колектора |
Напряжение колектор-эмиттер |
Рассеиваемая мощность с теплоотводом |
Граничная частота передачи |
| Условие |
Iк .max >1,3Iн.max |
Uкэ >Uп /0,4 |
Рк.доп >Рк.мах |
fгр >4fв |
| Значение |
0,222 А |
12,5 В |
0,055 Вт |
220 Гц |
| КТ814А |
1,5 А |
40 В |
10 Вт |
3 МГц |
| КТ815А |
1,5 А |
40 В |
10 Вт |
3 МГц |
Определяем ток базы выходных транзисторов:
Iбо =Iко /β; (28)
Iбм =Iн. max /β; (29)
Где β- коэффициент передачи по току, для выбранных транзисторов β=40;
Iбо =0,09/40=2,25 мА, Iбм =1,098/40=27,45 мА.
Исходя из тока базы выходных транзисторов и напряжения источника питания (12В), принимаем к установке ОУ типа К140УД7 с максимальным выходным током 20мА.
Рассчитываем параметры базового делителя. Определяем ток делителя:
Iдел >3·Iб. max ; (30)
Iдел > 82,35 мА;
По [4, стр. 54] выбираем диоды смещения выходных транзисторов из условия, что допустимый прямой ток диода:
Iпр.мах >Iдел . (31)
Принимаем диод 2Д104А с Iпр =100 мА.
Потенциал базы выходного транзистора при отсутствии сигнала:
Uб =Uбэ0 + Uэ ; (32)
где Uбэ0 – величина напряжения при Iбо =0,25 мА, Uбэ0 =0,6 В;
Uб =0,6+0,25=0,85 В.
Сопротивление делителя будет равно:
R1=(Uп -Uб )/10·Iбо ; (33)
R1=(35-0,85)/0,0025=13,6 КОм;
Производим расчет сопротивлений R2, R3 и R4. Принимаем R2=Rвх =20КОм.
R3=R2·Кu ’’; (34)
R4=R2·Кu ’’/(1+ Кu ’’);
R3=20·10,9=218 КОм; R4=20·10,9/(1+10,9)=18,32 КОм.
Выходные транзисторы рассеивают большую тепловую мощность, поэтому возможно придется принимать специальные меры по их охлаждению. Тепловая мощность, выделяемая на одном выходном транзисторе определяется по формуле:
Рт =0,1·(Uп 2 /Rн )+Iко ·Uп ; (35)
Рт =0,1·(1225/40)+0,09·35=6,2125 Вт;
Тепловая мощность, выделяемая на одном транзисторе допустимая, но желательна установка дополнительных теплоотводов.
1.7. Описание схемы
Входной каскад предназначен для согласования источника сигнала с усилительным устройством и первоначального усиления сигнала для того, чтобы потом при монтаже схемы не возникло проблем со снятием показаний измерительных приборов. Входной каскад построен по схеме истокового повторителя напряжения. Входной сигнал, поступая на этот каскад, усиливается по напряжению в 0,29 раз и подается на полосовой фильтр.
УППФ представляет собой двухкаскадный фильтр Баттерворта. Сигнал, поступая с входного каскада, проходит через фильтр, если он имеет частоту от 95 Гц до 105 Гц. Сигнал в первом каскаде фильтра усиливается в 2,6158 раз, во втором – 1,0835. Во всем фильтре сигнал увеличивается в 3,6993 раз.
Выходной каскад усилителя собран на операционном усилителе, выход которого нагружен оконечным усилителем мощности собранным по схеме с общим коллектором. Сигнал поступает на вход операционного усилителя и усиливается им до необходимой мощности для выходных транзисторов VT1, VT2 после чего усиливается этими транзисторами и затем проходит на нагрузку. Таким образом, в усилителе сигнал усиливается в оставшиеся 2,43 раз.
В схеме используются резисторы:
R3-R8 – прецизионные типа С2-14, номинальной мощностью 0,5Вт;
R12 – переменный типа СП-II, номинальной мощностью 0,5Вт;
остальные типа МЛТ, номинальной мощностью 0,5Вт.
В схеме используются конденсаторы:
С2 – лакопленочный типа К76-5;
С1 – керамический типа КМ-6, с группой ТКЕ М750;
С3-С65 – керамические типа КМ-6, с группой ТКЕ Н90;
С7,С8 – керамические типа КД-2, с группой ТКЕ М47;
2. Проектирование источника питания
2.1. Исходные данные для расчета
Для расчета составим таблицу в которой отобразим все элементы нагрузки.
Таблица 3 – Данные для расчета ИП.
| Потребитель |
Назначение |
Кол-во |
Uп , В |
Iп , мА |
Стабилизация |
| Тр-тор КП 303А |
ВК усилителя |
1 |
+12 |
20 |
Да |
| ОУ К157УД2 |
АФ усилителя |
1 |
±12 |
7 |
Да |
| ОУ К140УД7 |
УМ усилителя |
1 |
±12 |
3 |
Да |
| Выходной каскад |
УМ усилителя |
1 |
±5 |
171 |
Нет |
Из таблицы видно, что для питания усилительного устройства и цифрового вольтметра нам необходимы следующие напряжения:
Для питания операционных усилителей и входного каскада ±12В, с потребляемым током 30 мА;
2.2. Выбор стабилизаторов
Стабилизаторы будем выбирать для U1 , U2 .
Принимаем относительное отклонение напряжения сети амин =0,1.
Выбираем стабилизатор [2, таблица 7, стр. 43], для U1 и U2 выбираем КР142ЕН2Б (Uпад.мин =4В, Iнаг =0,15А, Iп =4мА ), для U3 К142ЕН1Б (Uпад.мин =4В, Iнаг =0,15А, Iп =4мА )
Определяем минимальное входное напряжение стабилизатора:
Uвх.мин =Uвых +Uпад.мин ; (36)
где Uпад.мин - минимальное допустимое падение напряжения между входом и выходом стабилизатора, В;
Uвх.мин 1 =12+4=16 В; Uвх.мин 3 =5+4=9 В;
Uвх.мин 4 =15+4=19 В;
С учетом возможного уменьшения напряжения в сети:
Uвх =Uвх.мин /(1-амин ); (37)
Uвх.1 =16/(1-0,1)=17,8 В, Uвх.3 =9/(1-0,1)=10 В;
Uвх.1 =19/(1-0,1)=21,1 В.
2.3. Расчет выпрямителей
Выбираем мостовую схему со средней точкой.
Определяем сопротивления трансформатора:
rтр =K’·(U0 ·J/(I0 ·fс ·B))·4 √((fс ·B·J)/(1,6·U0 ·I0 )); (38)
где K’- расчетный коэффициент, принимаем K’=2,3;
J – плотность тока в обмотках трансформатора, принимаем J=3,4А/мм2 ;
fс - частота сети, fс =50 Гц;
В- магнитная индукция в сердечнике, принимаем В=1,1Тл;
I0 - ток нагрузки, А;
U0 - номинальное выпрямленное напряжение, В;
rтр.1 =2,3·(17,8·3,4/(0,034·50·1,1))·4 √((50·1,1·3,4)/(1,6·17,8·0,034))=277,5;
rтр.2 =2,3·(5·3,4/(0,48·50·1,1))·4 √((50·1,1·3,4)/(1,6·5·0,48))=3,9 Ом;
rтр.3 =2,3·(10·3,4/(0,034·50·1,1))·4 √((50·1,1·3,4)/(1,6·10·0,0,34))=180,1Ом;
rтр.4 =2,3·(21,1·3,4/(0,034·50·1,1))·4 √((50·1,1·3,4)/(1,6·21,1·0,034))=408,5 Ом;
Производим выбор выпрямительных диодов, по [4, стр. 51-76]:
1. Выбираем четыре диода типа Д103 собранные по мостовой схеме (Iвп.мах =30мА, Uобр.мах =30 В, Uпр =2 В);
2. Выбираем выпрямительный блок типа КЦ405Е (Iвп.мах =1000мА, Uобр.мах =100В, Uпр =1 В);
3. Выбираем четыре диода типа Д103 собранные по мостовой схеме (Iвп.мах =30мА, Uобр.мах =30 В, Uпр =2 В);
4. Выбираем четыре диода типа Д103 собранные по мостовой схеме (Iвп.мах =30мА, Uобр.мах =30 В, Uпр =2 В);
Определяем сопротивление вентиля, для выбранных схем:
rI =2·Uпр /3·Iо ; (39)
rв =rI +rтр ; (40)
rI 1 =2·2/3·0,034=39,2 Ом, rв1 =277,5+39,2=316,5 Ом;
rI 2 =2·1/3·0,48=1,4 Ом, rв2 =3,9+1,4=5,3 Ом;
rI 3 =2·2/3·0,034=39,2 Ом, rв3 =180,1+39,2=219,3 Ом;
rI 4 =2·2/3·0,034=39,2 Ом, rв4 =408,5+39,2=447,7 Ом;
Находим коэффициент А по формуле:
А=(π·Iо ·rв )/(2·м·U0 ); (41)
где м- число фаз выпрямления, для выбранных схем м=2;
по [2, рисунок 18, стр. 27] находим вспомогательные коэффициенты в зависимости от А;
А1 =(3,14·0,034·316,5)/(2·2·17,8)=0,47; F01 =4,8; D01 =1,9; B01 =1,25;
А2 =(3,14·0,48·5,3)/(2·2·5)=0,4; F02 =5; D02 =1,95; B02 =1,2;
А3 =(3,14·0,034·219,3)/(2·2·10)=0,59; F03 =4,5; D03 =1,85; B03 =1,34;
А4 =(3,14·0,034·447,7)/(2·2·21,1)=0,57; F04 =4,6 D04 =1,87; B04 =1,3;
Определяем емкость фильтров:
С0 =25·104 ·А/м·rв ·fс ·Кп ; (42)
где Кп - коэффициент пульсации, принимаем Кп =0,1;
С01 =25·104 ·0,47/2·316,5·50·0,1=37,1 мкФ; (С01 ’=39,0х20В);
С02 =25·104 ·0,4/2·5,3·50·0,1=1886,8 мкФ; (С02 ’=2000,0х10В);
С03 =25·104 ·0,59/2·219,3·50·0,1=67,3 мкФ; (С03 ’=68,0х10В);
С04 =25·104 ·0,57/2·447,7·50·0,1=31,8 мкФ; (С04 ’=33,0х20В);
В скобках указаны стандартные емкости конденсаторов.
2.4. Расчет силового трансформатора
Для расчета силового трансформатора составим таблицу с расчетными величинами.
Таблица 4 - Расчетные величины.
| № вторичной обмотки |
1 |
2 |
3 |
4 |
|
| Напряжение на вторичной обмотке, U2 , B |
Формула |
U2 =2B0 U0 ; (43) |
|||
| Значение |
44,5 |
12 |
26,8 |
55 |
|
| Коэффициент трансформации, n |
Формула |
n=U2 /U1 ; (44) |
|||
| Значение |
0,202 |
0,055 |
0,122 |
0,25 |
|
| Мощность нагрузки, Р0 , Вт |
Формула |
P0 =U0 I0 ; (45) |
|||
| Значение |
0,605 |
2,4 |
0,34 |
0,717 |
|
| Ток вторичной обмотки тр-ра, I2 , мА |
Формула |
I2 =D0 I0 /√2; (46) |
|||
| Значение |
45,7 |
661,8 |
44,5 |
45 |
|
| Действующее значение тока через вентиль, Iв , мА |
Формула |
Iв =D0 I0 /2; (47) |
|||
| Значение |
32,3 |
468 |
31,5 |
31,8 |
|
| Габаритная мощность выпрямителя, Ргаб , Вт |
Формула |
Ргаб =1,8P0 ; (48) |
|||
| Значение |
1,089 |
4,32 |
0,612 |
1,291 |
|
| Составляющая тока первичной обмотки, I1 , мА |
Формула |
I1 =√2nI2 ; (49) |
|||
| Значение |
13,1 |
51,5 |
7,8 |
15,9 |
|
Определяем ток первичной обмотки трансформатора и его габаритную мощность:
I1 =I1(1) +I1(2) +I1(3) +I1(4) ; (50)
Ртр =(Ргаб (1) +Ргаб (2) +Ргаб (3) +Ргаб (4) )/η; (51)
где η-КПД Трансформатора, принимаем η=0,75;
I1 =13,1+51,5+7,8+15,9=88,3 мА;
Ртр =(1,089+4,32+0,612+1,291)/0,75=10 Вт;
Находим площадь сечения сердечника, см2 , и ориентировочное значение ширины:
Sс =√Ртр ; (52)
а=√Sс /1,5; (53)
Sс =√10=3,16 см2 ; а=√3,16/1,5=1,45 см.
Находим произведение сечения стержня сердечника на площадь окна:
Sс ·Sок =Ртр ·100/(2,22·fс ·B·J·Км ·Кс ·η); (54)
где J – плотность тока в обмотках трансформатора, принимаем J=3,4А/мм2 ;
fс - частота сети, fс =50 Гц;
В- магнитная индукция в сердечнике, принимаем В=1,1Тл;
Км - коэффициент заполнения медью, принимаем Км =0,22;
Кс - коэффициент заполнения сталью, принимаем для ленточного сердечника Кс =0,93;
Sс ·Sок =10·100/(2,22·50·1,1·3,4·0,22·0,93·0,74)=16 см4 ;
![]() |
По произведенным расчетам выбираем магнитопровод марки ШЛ16х20, с сечением сердечника 3,2 см2 , сечением окна 6,40 см2 , его чертеж приведен на рисунке 10
Рисунок 10 – Ленточный магнитопровод типоразмера ШЛ16х20.
Определяем число витков в обмотках;
в первичной:
WI =UI ·(1-ΔUI /100)·104 /(4,44·fс ·B·Sc ); (55)
во вторичных:
Wn =Un ·(1+ΔUI /100)·104 /(4,44·fс ·B·Sc ); (56)
где ΔU- падение напряжений в обмотках трансформатора по [2, рисунок19, стр. 29] принимаем UI =12%; Un =16%;
WI =220·(1-12/100)·104 /(4,44·50·1,1·3,2)=2480;
W2 =44,5·(1+16/100)·104 /(4,44·50·1,1·3,2)=660;
W3 =12·(1+16/100)·104 /(4,44·50·1,1·3,2)=180;
W4 =26,8·(1+16/100)·104 /(4,44·50·1,1·3,2)=400;
W5 =55·(1+16/100)·104 /(4,44·50·1,1·3,2)=820;
Находим диаметры проводов обмоток трансформатора (без учета толщины изоляции), мм:
Dn =1,13√In /J; (58)
D1 =1,13√88,3·10-3 /3,4=0,182 мм;
D2 =1,13√45,7·10-3 /3,4=0,131 мм;
D3 =1,13√661,8·10-3 /3,4=0,499 мм;
D4 =1,13√44,5·10-3 /3,4=0,129 мм;
D5 =1,13√45·10-3 /3,4=0,13 мм;
Таким образом, обмотка I имеет 2480 витков провода ПЭВ-2 0,2, обмотка II - 660 витков провода ПЭВ-1 0,14, обмотка III – 180 витков провода ПЭВ-1 0,5, обмотка IV – 400 витков провода ПЭВ-1 0,14, обмотка V – 820 витков провода ПЭВ-1 0,14.
Трансформатор питания следует тщательно экранировать. Экран лучше изготовить из мягкой стали толщиной не менее 1 мм. Также необходимо изолировать медным экраном II, IV и V обмотки.
Схема блока питания приведена на третьем листе графической части.
В схеме используются резисторы:
R2, R4, R6, R8, R10, R12 – подстрочные типа СПЗ-38 номинальной мощностью 0,25Вт;
Остальные – типа МЛТ номинальной мощностью 0,25Вт;
В схеме используются конденсаторы:
С1-С8 – алюминиевый аксидно - электролитический типа K50-16;
C10, C12, C14, C16, C18, C20 - алюминиевый аксидно - электролитический типа K50-6;
Остальные – керамические типа КМ-6, с группой ТКЕ Н90.
Библиографический список:
1. Лурье М. С. «Промышленная электроника» - Красноярск: КГТА, 1995.- 48с.
2. Лурье М. С. «Промышленная электроника» - Красноярск: КГТА, 1996.- 180с.
3. Батушев В.А. «Микросхемы и их применение» - М.: РАДИО и СВЯЗЬ, 1983.-
4. Терещук Р. М. «Полупроводниковые приемно-усилительные устройства» – Киев: Наукова думка, 1981.-671с., с ил.
5. Гришина Л. М.«Полевые транзисторы»–М.: РАДИО и СВЯЗЬ, 1982. –72с.
6. Чернышев А.А.«Диоды и тиристоры» - М.:Энергия, 1976.– 200с., с ил.272с.
7. «АНАЛОГОВЫЕ ИНТЕГРАЛЬНЫЕ СХЕМЫ», А.Л. Булычев, В.И. Галкин, В. А. Прохоренко, «Беларусь» 1985.
8. «Радиотехника», И.П. Жеребцов, «Связь» 1965.
9. «Справочник Радиолюбителя», М. Р. Терещук, Р. М. Домбругов, Н. Д. Босый, издательство академии наук УССР, Киев 1962.
10. «Транзисторы и полупроводниковые диоды», справочник, «Связьиздат», 1963.
11. «Полупроводниковые приборы: диоды, тиристоры, оптоэлектронные приборы», справочник, «Энергоатомиздат», 1982.
12. «Цифровые и аналоговые интегральные микросхемы», справочник, «Радио и Связь», 1990.
Приложение 1
Текст программы для расчета коэффициента а, при проектирование полосового фильтра.
Program filtr;
uses
CRT;
Var
f1,f2,f0,a,b,c,W,p:real;
i:integer;
Begin
ClrScr;
Write ('Введите коэффициент b= ');
readln (b);
Write (''Введите коэффициент c= ');
readln (c);
Write ('Введите нижнюю частоту пропускания f1= ');
readln (f1);
Write (''Введите верхнюю частоту пропускания f2= ');
readln (f2);
Writeln;
f0:=(f1+f2)/2;
W:=(f2-f1)/f0;
For i:=1 to 20000 do begin
a:=i/10000;
p:=(a*a)+(sqr((a*W*b)/(c*(1+a*a))))+(1/(a*a))-2-((W*W)/c);
if p<0.0001 then break;
end;
Writeln ('Средняя частота диапазона',f0:3:2);
Writeln;
Writeln ('Относительная полоса пропускания',W:3:2);
Writeln;
Writeln ('Коэффициент a',a:2:5);
ReadKey;
end.




