| Скачать .docx |
Реферат: Проектирование и расчет низкочастотного усилителя
Министерство образования Российской Федерации
Уфимский государственный авиационный технический университет
Кафедра технической кибернетики
26.2.070107.421ПЗ
КУРСОВОЙ ПРОЕКТ
по дисциплине «Общая электротехника и электроника»
по теме:
Проектирование и расчет низкочастотного усилителя
Выполнил:
студентка гр. САУ-302
Иванова И.
Проверила:
доцент кафедры ТК
Костюкова Л. П.
Уфа 2007
Введение
Электроника является универсальным и исключительно эффективным средством при решении самых различных проблем в области сбора и преобразования информации, автоматического и автоматизированного управления, выработки и преобразования энергии. Знания в области электроники становятся необходимыми все более широкому кругу специалистов.
Усилители, одни из самых широко используемых устройств в радиотехнике. Усилители можно разделить по многим признакам: виду используемых усилительных элементов, количеству усилительных каскадов, частотному диапазону усиливаемых сигналов, выходному сигналу, способам соединения усилителя с нагрузкой и др. По типу используемых элементов усилители делятся на ламповые, транзисторные и диодные. По количеству каскадов усилители могут быть однокаскадными, двухкаскадными и многокаскадными. По диапазону частот усилители принято делить на низкочастотные, высокочастотные, полосовые, постоянного тока (или напряжения). Связь усилителя с нагрузкой может быть выполнена непосредственно (гальваническая связь), через разделительный конденсатор (емкостная связь) и через трансформатор (трансформаторная связь).
Все характеристики усилителя можно разделить на три группы: входные, выходные и передаточные. К входным характеристикам относятся: допустимые значения входного напряжения или тока, входное сопротивление и входная емкость. Обычно эти характеристики определяются параметрами источника входного сигнала.
Часто работа усилителя необходима в определенном спектре частот. Одним из вариантов решения подобных задач заключается в использовании усилителей низкой частоты.
Курсовой проект посвящен исследованию и разработке функциональных блоков и устройств информационных систем. К таким блокам относится усилитель низкой частоты.
Выходное сопротивление генератора очень мало. С целью его наилучшего использования, необходимо создать такое сопротивление нагрузки генератора, которое, как минимум, на порядок превышает его внутреннее сопротивление:
Rн =10*Rген =10*10 кОм=100 кОм=0.1 МОм.
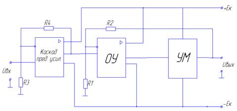
1. функциональная схема усилителя
В данной работе для реализации была выбрана следующая схема:

| |
Входным каскадом является на основе неинвертирующей схемы включения операционный усилитель (К140УД6), который обеспечивает высокое входное сопротивление (1 МОм). Это необходимо для согласования усилителя с источником входного сигнала, за счет снятия нагрузки с источника входного сигнала.
Каскад предварительного усиления является многозвеньевым и обеспечивает заданную форму логарифмической амплитудной характеристики.
Выходным каскадом является усилитель мощности, который обеспечивает согласование с нагрузкой и обеспечивает выходной сигнал по мощности.
В качестве усилителя мощности наиболее часто применяются бестрансформаторные усилители, которые характеризуются простотой схемного построения, отсутствием нестандартных деталей, высокими качественными показателями, малыми габаритами и весом. Наиболее удобно применение двухтактных усилителей мощности, выполненных на транзисторах с дополнительной симметрией и работающих в режимах классов В и АВ. Такие усилители хорошо сопрягаются с ОУ и могут с ними охватываться общей отрицательной обратной связью с целью уменьшения нелинейных искажений типа «ступенька». С этой целью рекомендуется использовать режим работы класса АВ.
2. Расчет и проектирование элементов усилителя
2.1 Р асчет усилителя мощности
Рассчитаем усилитель по схеме:

Определяется амплитудное значение коллекторного напряжения одного плеча:
=
=![]()
Определим необходимое напряжение источника питания:
,
где Uk
min
примем равным 1,5 В.
По полученному значению Ek выберем из ряда стандартных напряжений ближайший в сторону увеличения стандартный номинал напряжения источника питания. В нашем случае это 6,3 В (Ek =6,3 В).
Определим амплитуду импульса коллекторного тока транзистора VT3(VT4):
.
Определяем среднее значение тока, потребляемое от источника питания оконечным каскадом:
![]()
=
,
где Iok
– начальный ток коллектора транзисторов VT3 и VT4
(примем Iok
=25 мА).
Определяем мощность, потребляемую от источников питания оконечным каскадом при номинальной выходной мощности

=
.
Определяем мощность рассеяния на коллекторе одного транзистора оконечного каскада
=
.
По рассчитанным значениям Pk
, 2Ek
, (Ikm
+30%)
и требованиям к частотным свойствам (n³20 кГц) подбираем транзисторы VT3 и VT4. При этом они должны иметь одинаковые параметры и ВАХ.
Итак, должны выполняться следующие условия:
, т.е.
(
)
, т.е.
(
)
, т.е.
(
)
Этим условиям удовлетворяют параметры транзисторов КТ819А (n-p-n) и КТ818А (p-n-p). Они подходят по максимально допустимым параметрам и имеют одинаковые параметры и ВАХ.
По статическим характеристикам транзисторов VT3(VT4) определяем амплитудное значение тока базы Iб m и напряжение на базе Uбm (Рис 1):
Iб m = 180 мA,
Uб m =0,42 В.
Далее определяем входное сопротивление транзистора для переменного тока:
Rвх
T3~
=
=![]()
Определяем амплитуду входного напряжения каждого плеча(VT3,VT4):
Uвхт3 = Uб m +Ukm = 0,42+2,83 =3,25 В
Определяем величину сопротивлений резисторов R3 и R4. Она выбирается в 5÷10 раз больше значения входного сопротивления переменному току транзисторов VT3 и VT4 при максимальном входном сигнале:
R3=R4=(5÷10)Rвх
T3~
=
.
По полученному значению R3 (R4) выберем из ряда стандартных сопротивлений резисторов ближайший в сторону увеличения стандартный номинал сопротивления резисторов R3 (R4). В данном случае R3=R4=150 Ом
Находим сопротивление эмиттерной нагрузки транзисторов VT1 и VT2:
Rнт1
=![]()
.
Рассчитаем режим работы транзисторов VT1 и VT2. Найдем амплитуду импульса коллекторного тока транзистора VT1:
IkmT
1
=
.
Определяем среднее значение тока
I0
=
,
где Iok - начальный ток коллектора транзисторов VT1 и VT2 примем равным 1,5 мА.
Определяем мощность при номинальной выходной мощности:
Р0
=
.
Определяем мощность рассеяния на коллекторе одного транзистора:
Рк
=
=
.
Аналогично вышеуказанному способу, выбираем пару транзисторов VT1 и VT2. В качестве транзисторов VT1 и VT2 выбираем соответственно транзисторы КТ503А(n-p-n) и КТ502А (p-n-p):
, т.е.
(
)
, т.е.
(
)
, т.е.
(
)
По статическим характеристикам транзисторов VT1(VT2) определяем амплитудное значение тока базы Iбм и напряжение на базе Uбм (Рис 2):
Iб m =5,3 мА, Uб m =186 мВ.
Далее определяем входное сопротивление транзистора для переменного тока:
Rвх
T
1~
=
=
.
Определяем амплитуду входного напряжения каждого плеча(VT1,VT2):
UвхТ1 =Uб mТ1 +UkmT 1 =0.186+3,25=3,436B, заметим, что UkmT 1 =UвхТ3 =3,25 В.
Так как Rвх T 1~ < 1 кОм, значит RвхУМ < 1 кОм (RвхУМ = Rвх T 1~ | | R1 ).
{Находим делитель R1
-VD1-VD2-R2
по Iд
= 7.5·I0б
T1
=0,375мА, по
Uд
≈ U0
bT1
=0,34 В. Определяем диод по этим параметрам: выбираем КД514А.
Определяем R1 (R2 ):
R1
=R2
=
=
. Выбираем сопротивление из стандартного ряда (±5%): R1=R2=33 кОм.
Найдем входное сопротивление усилителя мощности:
RвхУМ
=
.}
2.3 Расчет теплоотвода для транзисторов выходного каскада
Подводимая к усилителю электрическая мощность рассеивается в основном помимо нагрузки, на транзисторах оконечного каскада. Вследствие этого температура внутренних областей и корпуса прибора превышает температуру окружающей среды. Температура p – n – переходов является важнейшим фактором, от которого зависят не только величины основных параметров, но и общая работоспособность приборов.
С целью удержать температуру на допустимом уровне используют теплоотводящие радиаторы.
Определим требуемую площадь радиатора, изготовленного из алюминия с коэффициентом теплопроводности К=0,0013 Вт/см2 *градус.
Примем температуру окружающей среды равной
=50
.
=125
- максимальная температура переходов для транзисторов VT3 и VT4 с радиатором (взята из справочника).
=4.73 Вт - суммарная мощность рассеивания на переходах транзисторов VT3 и VT4,
Тепловое сопротивление между полупроводником и корпусом:
![]()
TK определяется по графику (Рис. ): TK =380 К=107 0 C
Необходимая поверхность охлаждения
приближенно равна:
![]()
2.4 Расчет коэффициента нелинейных искажений и параметров цепи обратной связи.
Для учета неполной идентичности плеч двухтактного каскада считают, что их коэффициенты передачи, а значит, и амплитуды всех гармоник выходных токов отличаются от средних в 1+v/2 раз, причем в разных плечах в разные стороны.(v=0,1….0,2) В результате амплитуды нечетных гармоник токов транзисторов в выходном колебании каскада оказываются удвоенными, а у четных гармоник ввиду их вычитания остается нескомпенсированная часть, равная v.
Для расчета нелинейных искажений используем метод пяти ординат заполняем таблицу и строим косинусоиду:
| 1 |
2 |
3 |
4 |
|
| Ik (мА) |
800 |
1800 |
2900 |
3800 |
| Iб (мА) |
20 |
46 |
118 |
200 |
| Uбэ (В) |
0,78 |
0,86 |
0,98 |
1,2 |
| Ec (В) |
0,917 |
1,175 |
1,787 |
2,568 |
Ec =Uвх +iвх Rс
Ec =Uбэ +iб Rс
Rс
=rэт1
=
=![]()
Ec 1 =0,78+0,002·6,84=0,917 В
Ec 2 =0,86+0,046·6,84=1,175 В
Ec3 =0,98+0,118·6,84=1,787 В
Ec4 =1,2+0,2·6,84=2,568 В
Рис.3
I1 =800 мА
I2 =2150 мА
I3 =3200 мА
I4 =3800 мА
a=сos(3
/8)=0.383
b=cos(
/4)=0.707
c=cos(
/8)=0.924
IA =(I1 -2I2 +I3 +I4 /2)/2b=(800-2·2150+3200+1900)/2·0.707=1131,54 мА
IB =I4 /2-I1 =3800/2 – 800=1100 мА
IM =[a(I4 +I3 /b)-2I2 ]/c=[0.383· (3800 + 3200/0.707) – 2·2150]/0.924= – 1202мА
IN =I4 -I3 /b=3800 – 3200/0.707= – 726,17мА
Считаем гармоники:
Im1 =(I4 +I3 /b)/2=(3800 + 3200/0.707)/2=4163 мА
Im2 =v(IB + IA )/4=0.1· (1100 + 1131,54)/4=55,79 мА
Im3 =( IN + IM )/4=(-726,17 - 1202)/4= – 482 мА
Im4
=v(I1
-I3
+I4
/2)/4=0.1· (800 – 3200 + 1900)/4= – 125 мА
Im5 =( IN - IM )/4=(–726,17 + 1202)/4=118,96 мА
Im 6 =v(IB -IA )/4=0.1· (1100 – 1131,54)/4=-0,79 мА
Считаем коэффициент нелинейных искажений:
KГ
=
=![]()
KГос
=![]()
K* =KУМ ·KОУ
KУМ
=![]()
ОУ выбирается по следующим параметрам: Ek
=6.3B, UвхУМ
=3,45B,
R вхУМ
=1.485 кОм, Iб
mT
1
=0.09 мА. Выбираем 140УД1.
KОУ =1350
K=0.82·1350=1107
Находим коэффициент усиления:

=![]()
Найдем сопротивления R1 и R2 ОУ:
=![]()
Примем R1 = 5 кОм
тогда ![]()
Сопротивления R1 и R2 удовлетворяют условию:
<
<![]()
Найдем коэффициент передачи ОУ и УМ:
![]()
![]()
, значит нужен расчет каскада предварительного усиления.
2.5 Выбор и расчет каскадов предварительного усиления

Найдем коэффициент передачи по напряжению всей схемы:
K0
=
=![]()
Найдем коэффициент передачи по напряжению каскада предварительного училения:
K2
=
=![]()
K2
=1+![]()
Примем R3=0.5 кОм, тогда ![]()
Сопротивления R3 и R4 удовлетворяют условию:
<
<![]()
![]()
![]()
Заключение
Итак, согласно заданию к курсовой работе, я спроектировал и рассчитал усилитель низкой частоты, удовлетворяющий всем заданным условиям.
Для охлаждения транзисторов в усилителе используется алюминиевый радиатор площадью 31,6 см2 .
![]() |
СПИСОК ИСПОЛЬЗОВАННЫХ ИСТОЧНИКОВ
1. Зайцев А.А. Полупроводниковые приборы. Транзисторы малой мощности: Справочник. 2-е изд.. Под ред. А.В. Голомедова. М.: Радио и связь, КУБК-а, 1995.-384с.
2. Зайцев А.А. Полупроводниковые приборы. Транзисторы средней и большой мощности: Справочник. 2-е изд.. Под ред. А.В. Голомедова. М.: Радио и связь, КУБК-а, 1995.-640с.