| Скачать .docx |
Курсовая работа: Курсовая работа: Расчёт основных метрологических величин
Федеральное Агентство Железнодорожного Транспорта
Иркутский Государственный Университет Путей Сообщения
Кафедра: ТОЭ
Дисциплина: «Метрология, стандартизация и сертификация»
Курсовая работа на тему
«Расчёт основных метрологических величин»
Вариант № 39
Выполнил: ст. гр. ЭНС-04-2-2
Макаренко В.Н.
Проверил: преподаватель
Жигулина Е.Н.
Иркутск 2008 г.
Задача №1
Погрешности средств измерений
Номинальный режим электроустановки постоянного тока характеризуется напряжением Uи током I, измерение которых может быть произведено вольтметрами V
или V
и амперметрами А
или А
. Значения напряжения U
, тока I
и характеристики электроизмерительных приборов приведены в таблице 1.1.
Необходимо:
а) из двух вольтметров и двух амперметров выбрать электроизмерительные приборы, обеспечивающие меньшую возможную относительную погрешность;
б) определить пределы, в которых могут находиться действительные значения напряжения и тока при их измерении выбранными приборами;
в) определить возможную относительную погрешность в определении мощности установки по показаниям вольтметра и амперметра.
Таблица 1.1
Группа |
Величина |
Вариант | ||
| 39 | ||||
| А | Напряжение U,В | 110 | ||
Вольтметры |
V |
Класс точности Предел измерения U |
1.0 300 |
|
V |
Класс точности Предел измерения U |
2,5 250 |
||
Б |
Ток I, А | 6,3 | ||
| Амперметры | А |
Класс точности Предел измерения I |
4 7,5 |
|
| А |
Класс точности Предел измерения I |
1,5 30 |
||
а)Максимальные абсолютные погрешности амперметра и вольтметра:
[%]
[%]
![]()
![]()
![]()
![]()
б)Найдём относительную погрешность в процентах
![]()
![]()
![]()
Из двух амперметров выбираем А1 так как
.
![]()
![]()
Из двух вольтметров выбираем V2 так как
.
2. Определим пределы в которых могут находится действительные значения напряжения и тока при их измерении выбранными приборами:
Для V2
В
В
Для А1
А
А
3. определим возможную относительную погрешность в определении мощности установки по показаниям вольтметра и амперметра.
![]()
![]()
Для A1 иV2:

Задача №2
Определение погрешности результата косвенных измерений
Для измерения сопротивления или мощности косвенным методом использовались два прибора: амперметр и вольтметр магнитоэлектрической системы.
Определить:
а) величину сопротивления и мощность по показаниям приборов;
б) максимальные абсолютные погрешности амперметра и вольтметра;
в) абсолютную погрешность косвенного метода;
г) относительную погрешность измерения;
д) пределы действительных значений измеряемых физических величин.
| Наименование заданной величины | Значение величины |
| Предел измерения U |
300 |
| Класс точности |
0,5 |
| Показания вольтметра U, В | 290 |
| Предел измерения I |
3 |
| Класс точности |
1,5 |
| Показание амперметра I, А | 1 |
Методические указания
При косвенных измерениях искомое значение величины y находится на основании математической зависимости, связывающей эту величину с несколькими величинами x
, x
, ……x
, измеряемыми прямыми методами. При этом погрешности прямых измерений приводят к тому, что окончательный результат имеет погрешность.
Максимальные абсолютные погрешности амперметра и вольтметра определяются:
I = ![]()
,
U= ![]()
![]()
где
- приведенная погрешность измерительного прибора, равная классу точности прибора;
I
, U
- номинальное значение тока и напряжения;
Формулы для расчета абсолютных и относительных погрешностей результата косвенных измерений:
| Функция y | Погрешности | |
| абсолютная - |
Относительная - |
|
| x |
||
| x |
||
где x
, x
- измеренные значения электрических величин;
,
- максимальные абсолютные погрешности, допускаемые при измерении значений x
, x
.Функция x
* x![]()
используется в задаче для расчета погрешности косвенного измерения мощности, функцияx
/ x
- то же для сопротивлений.
Результаты вычислений сопротивлений и мощности сводятся в таблицу:
| U, В | I, A | Р+ Вт |
R+ Ом |
||||||
| 300 | 1 | 290 |
290±13.05 |
Расчет
1) значение мощности и сопротивления по показаниям приборов
Р = UI =
= 290 Вт;
![]()
2) предельные абсолютные погрешности измерительных приборов:
амперметра -
I = ![]()
= ![]()
=
0,045 А;
вольтметра
U= ![]()
= ![]()
=
1,5 В;
3) абсолютная погрешность косвенного измерения мощности и сопротивления:
Р= ![]()
Вт;
Ом
4) относительная погрешность косвенного измерения мощности и сопротивления:
=
=
0,005;
;
5) действительное значение мощности Р = (290
13.05) Вт.
действительное значение сопротивления R=(290±13.05) Ом
Задача №3
Применение масштабных измерительных преобразователей для измерения тока и напряжения
Измерительный механизм (ИМ) магнитоэлектрической системы рассчитан на ток I
и напряжение U
и имеет шкалу на ![]()
делений. Необходимо :
а) составить схему включения ИМ с шунтом и дать вывод формулы R
;
б) определить постоянную ИМ по току С
, величину сопротивления шунта R
и постоянную амперметра С
, если этим прибором нужно измерять ток I
;
в) определить мощность, потребляемую амперметром при номинальном значении тока I
;
г) составить схему включения ИМ с добавочным сопротивлением и дать вывод формулы R
;
д) определить постоянную ИМ по напряжению С
, величину добавочного сопротивления R
и постоянную вольтметра С
, если этим прибором нужно намерять напряжение U
;
е) определить мощность, потребляемую вольтметром при номинальном значении напряжения U
.
| Наименование заданной величины | Значение величины |
| Напряжение U |
75 |
| Ток I |
15 |
| Число делений |
150 |
| Напряжение U |
50 |
| Ток I |
30 |
Методические указания
Масштабный измерительный преобразователь предназначен для изменения значения измеряемой величины в заданное число раз.
Для расширения диапазона измерения измерительных приборов по напряжению и току применяют измерительные трансформаторы, добавочные сопротивления и шунты.
Измерительные трансформаторы переменного тока и напряжения применяют для расширения диапазона измерения электромагнитных, электродинамических, индукционных приборов по току и напряжению, а также для обеспечения безопасности измерений при высоком напряжении.
Шунты применяются для расширения диапазона измерения магнитоэлектрических измерительных приборов по току. Сопротивление индивидуального шунта рассчитывается по формуле:
R
= ![]()
Где R
- сопротивление измерительного прибора магнитоэлектрической системы;
N = I
/ I
- коэффициент шунтирования;
I
,I
-предел измерения прибора с шунтом и без него.
Добавочные резисторы служат для расширения пределов измерения по напряжению вольтметров различных систем и приборов, имеющих параллельные цепи, подключаемые к источнику напряжения.
Индивидуальный добавочный резистор рассчитывается по формуле :
R
= R
(m-1) , где m= U
/ U
- коэффициент преобразования напряжений;
U
,U
- пределы измерения прибора с добавочным резистором и без него.
а) Схема включения измерительного механизма с шунтом.

б)
Ом
![]()
Ом
мА/ дел
А/ дел
в) Мощность потребляемая амперметром при номинальном значении тока Iн.
Вт
г) Схема включения измерительного механизма с добавочным сопротивлением.

д)
Ом
![]()
Ом
мВ/дел
В/дел
е) Мощность потребляемая вольтметром при номинальном напряжении
Вт
Результаты сводятся в таблицу:
| R |
С |
С |
Р |
R |
С |
С |
Р |
| 0,002 | 0,1 | 0,2 | 2.25 | 3325 | 0,5 | 0,33 | 0.75 |
Задача №4
Выбор измерительной аппаратуры
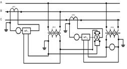
В высоковольтной трехпроводной цепи трехфазного тока необходимо измерить линейные токи , линейное напряжение , коэффициент – мощности цепи и расход активной энергии всей цепи. Подобрать для этой цели два измерительных трансформатора тока ( ИТТ) , два измерительных трансформатора напряжения (ИТН), и подключить к ним следующие измерительные приборы:
два амперметра электромагнитной системы;
два однофазных индукционных счетчика активной энергии;
один трехфазный фазометр электромагнитной или электродинамической системы;
один вольтметр электромагнитной системы;
Необходимо:
Начертить схему включения ИТТ и ИТН в цепь, а также показать подключение к ним всех измерительных приборов.
Выполнить разметку зажимов обмоток ИТТ и ИТН , счетчиков и фазометра. Показать заземление вторичных обмоток ИТТ и ИТН.
Методические указания:
При подборе ИТТ необходимо учитывать , что для обеспечения правильности их работы общее сопротивление всех проводов и обмоток приборов во вторичной цепи не должно превышать номинальной нагрузки. Номинальной нагрузкой трансформатора тока называется наибольшее сопротивление, на которое может быть замкнута вторичная обмотка при условии, что погрешности его не превысили допустимых значений.
Выбор трансформаторов напряжения производится по их допустимой номинальной мощности. Т. о. к трансформатору напряжения можно подключить такое количество приборов, при котором их мощность при номинальном напряжении не превышает номинальной мощности трансформатора.
| Наименование величин | Единица измерения | Значение величин |
| Номинальное напряжение сети U |
В | 15000 |
| Линейный ток I |
А | 15 |
| Расстояние от измерительных приборов до трансформатора l | м | 23 |
Провод медный, сечением S = 2,5 мм![]()
Измерительные трансформаторы тока
| Тип | Номинальный ток, А | Класс точности | Номинальная нагрузка, Ом | Коэффициент мощности cos |
|
| первичный | вторичный | ||||
| 1 | 2 | 3 | 4 | 5 | 6 |
| И532 | 15 | 1 | 0,05-0,5 | 15 | 1 |
Измерительные трансформаторы напряжения
| Тип | Номинальное напряжение | Класс точности | Номинальная мощность нагрузки вторичной цепи, В*А | Коэффициент мощности cos |
|
| Первичное, кВ | Вторичное, В | ||||
| И510 | 15 | 100 |
0.1 | 15 | 0.8-1 |
Амперметр –Э514/1
| I ,А | R ,Ом | f ,Гц | |
| 1 | 0.5 | 0.035 | 40-100 |
Фазометр Д120
| I ,А | |
Rпосл,Ом | f,Гц | U,В | Rпар,Ом |
| 5 | 1,5 | 0,12 | 50 | 127 | 2500 |
Счётчик СО-И445/4Т
| I,А | |
Rпосл,Ом | f,Гц | U,В | Rпар,Ом |
| 2,5 | 2,0 | 0,25 | 50 | 110 | 8000 |
Вольтметр - Э515/3
| R ,Ом | f ,Гц | U ,В | |
| 0,5 | 10000 | 40-100 | 75 |
Найдём сопротивление поводов по формуле.
![]()
Проверим выполняется ли условие обеспечения правильности работы трансформаторов. Для обеспечения правильности работы трансформаторов тока необходимо, чтобы общее сопротивление всех проводов и обмоток приборов во вторичной цепи не превышало номинальной нагрузки.
Для обеспечения правильности работы трансформаторов напряжения необходимо, чтобы мощность приборов при номинальном напряжении не превышало номинальной мощности трансформатора.
ИТТ1
Rт=15 Ом
Ом
Ом
Ом
Rт![]()
ИТТ2
Rт=15 Ом
Ом
Ом
Ом
Ом
Rт![]()
ИТН1
Вт
Вт
Вт
Вт
![]()
ИТН2
Вт
Вт
Вт
Вт
![]()

Задача№5.
Измерение несинусоидального напряжения.
Необходимо измерить несинусоидальное напряжение с помощью аналоговых измерительных приборов, определить на какое число
делений шкалы отклонятся измерительные приборы при определении соответствующих напряжений.
| Наименование величины | Вариант №39 |
| Напряжение Um, В | 190 |
| Напряжение U1m, В | 115 |
| Напряжение U3m, В | 16 |
| Угол β3m, рад. |
Задано два вида напряжения:
(1)
(2)
Напряжение вида (1) измерено вольтметрами электродинамической и детекторной (выпрямительной) систем. Вольтметры имеют одинаковые напряжение Uн=300 В и шкалы с одинаковым числом делений
дел.
Напряжение вида (2) измерено вольтметром пикового значения с открытым входом и вольтметром магнитоэлектрической системы. Вольтметры имеют одинаковые номинальные напряжения Uн=300 и шкалы с одинаковым числом делений
дел.
Решение:
1. Электродинамическая система.
Действующее напряжение несинусоидального напряжения, определяется по формуле:
В
В/дел
дел.
2. Детекторная система.
Среднее значение несинусоидального напряжения определяется по формуле:
В
Действующее напряжение несинусоидального напряжения, определяется по формуле:
![]()
![]()
![]()
В/дел.
дел.
3. Электронный вольтметр пикового значения с открытым входом (пропускает постоянную составляющую и реагирует на амплитудное значение).
Определяем действующее значение несинусоидального сигнала.
Определяем коэффициент амплитуды несинусоидального сигнала.
![]()
где:
![]()

Значение постоянной прибора при несинусоидальном напряжении.
В/дел.
дел.
4. Магнитоэлектрическая система.
В
В/дел
дел.
| Наименование измерительной системы | CU, В/дел | C’U, В/дел | |
| Электродинамическая | 2 | 34,185 | |
| Детекторная | 2,17 | 26,12 | |
| Магнитоэлектрическая | 47,5 | ||
| Электронная | 0,79 | 137,5 |
Задание №6
Определение угловой погрешности ваттметра.
1. Привидите векторные диаграммы электродинамического ваттметра, включенного в цепь переменного однофазного тока с активно-индуктивной и активно-ёмкостной нагрузками и схему включения ваттметра.
2. Привидите вывод формулы относительной угловой погрешности электродинамического ваттметра и дайте её анализ.
3. Вычислите угловую погрешность электродинамического ваттметра активной мощности для отношения
паралелльной цепи ваттметра и значение косинуса угла сдвига между током и напряжением в измеряемой цепи.
Исходные данные:
| Наименование | Вариант №39 |
| 0,0314 | |
| 0,3 |
1. Схема включения ваттметра:

Рис. 1.
Векторные диаграммы электродинамического ваттметра.

Рис.2.
На рисунке 2 приведены векторные диаграммы электродинамического ваттметра, включенного в цепь переменного однофазного тока с активно-индуктивной (рис. 2б) и активно-ёмкостной ( рис. 2а) нагрузками.
2.
Рассмотрим работу электродинамического ваттметра на переменном токе. Векторная диаграмма рис. 2, б построена для индуктивного характера нагрузки. Вектор Iu параллельной цепи отстает от вектора U на угол
вследствие некоторой индуктивности подвижной катушки.
На основании формулы:

имеем

-где
. Ток в параллельной цепи ваттметра
.
Принимая
, получим
(1)
Из выражения (1) следует, что ваттметр правильно измеряет мощность в двух случаях: при
и
. Условие
может быть достигнуто созданием резонанса напряжений в параллельной цепи, например включением конденсатора С соответствующей ёмкости, как это показано штриховой линией на рис.1. Однако резонанс напряжений будет лишь при некоторой определенной частоте. С изменением частоты условие
нарушается.
При
ваттметр измеряет мощность с погрешностью
, которая носит название угловой погрешности.
При малом значении угла
(
обычно составляет не более 40
), т.е.
При
относительная погрешность

Если не учитывать фазовых сдвигов между токами и напряжениями в катушках и считать нагрузку Zн чисто активной, тогда погрешность будет обусловлена потреблением мощности катушками ваттметра.
3.
, ![]()

![]()