| Скачать .docx |
Дипломная работа: Дипломная работа: Разработка солнечных часов
Дипломная работа
Тема: Разработка солнечных часов
РЕФЕРАТ
Пояснительная записка к дипломному проекту: 75 страницы, 15 рисунков, 29 таблиц, 20 источников, 5 приложений, 3 листа чертежей формата А1.
Объект исследований: разработка солнечных часов.
Предмет исследования: солнечные часы.
В первом разделе рассмотрены общие принципы разработки устройств на микроконтроллерах и внедрения их в производство, принцип действия солнечных часов.
Во втором разделе выполнена разработка структурной, функциональной и принципиальной схем устройства солнечных часов с использованием микроконтроллера, разработаны алгоритм и ПО микроконтроллера, осуществлен выбор элементной базы.
В третьем разделе выполнено технико-экономическое обоснование объекта разработки, сделан вывод о целесообразности производства данного устройства.
В четвертом разделе проведены расчеты вентиляции, природного и искусственного освещения, уровня шума и полученные значения сопоставлены с нормативными.
АЛГОРИТМ, КВАРЦЕВЫЙ РЕЗОНАТОР, ЛАЗЕР, МИКРОКОНТРОЛЛЕР, МИКРОПРОЦЕССОРНАЯ СИСТЕМА, СОЛНЕЧНЫЕ ЧАСЫ
СОДЕРЖАНИЕ
ПЕРЕЧЕНЬ УСЛОВНЫХ ОБОЗНАЧЕНИЙ, СИМВОЛОВ, ЕДИНИЦ, СОКРАЩЕНИЙ И ТЕРМИНОВ
ВВЕДЕНИЕ
1 Разработка микропроцессорной системы на основе микроконтроллера
1.1 Основные этапы разработки
1.2 Разработка и отладка аппаратных средств
1.3 Разработка и отладка программного обеспечения
1.4 Методы и средства совместной отладки аппаратных и программных средств
1.5 Солнечные часы
2 РАЗРАБОТКА СОЛНЕЧНЫХ ЧАСОВ
2.1 Постановка задачи
2.2 Разработка структурной схемы устройства и функциональной спецификации
2.3 Выбор микроконтроллера
2.4 Разработка функциональной схемы устройства
2.5 Разработка алгоритма управления
2.6 Разработка программного обеспечения микроконтроллера
2.7 Выбор и описание элементной базы
2.8 Разработка схемы электрической принципиальной
3 ТЕХНИКО-ЭКОНОМИЧЕСКОЕ ОБОСНОВАНИЕ ОБЪЕКТА РАЗРАБОТКИ
3.1 Расчет расходов на ПО для микроконтроллера, которое разрабатывается
3.2 Расчет расходов на создание ПО
3.3 Расчет стоимости разработки конструкторской документации и сборки устройства
3.4 Расчет расходов на стадии производства изделия
4 ОХРАНА ТРУДА
4.1 Требования к производственным помещениям
4.1.1 Окраска и коэффициенты отражения
4.1.2 Освещение
4.1.3 Параметры микроклимата
4.1.4 Шум и вибрация
4.1.5 Электромагнитное и ионизирующее излучения
4.2 Эргономические требования к рабочему месту
4.3 Режим труда
4.4 Расчет освещенности
4.5. Расчет вентиляции
4.6 Расчет уровня шума
ВЫВОДЫ
ПЕРЕЧЕНЬ ССЫЛОК
ПРИЛОЖЕНИЯ
ПЕРЕЧЕНЬ УСЛОВНЫХ ОБОЗНАЧЕНИЙ, СИМВОЛОВ, ЕДИНИЦ, СОКРАЩЕНИЙ И ТЕРМИНОВ
АЦП – аналого-цифровой преобразователь;
ВДТ - видеодисплейный терминал;
ЖКИ- дисплей – жидкокристаллический дисплей;
КЗ – короткое замыкание;
МПС – микропроцессорная система;
ОЗУ - оперативно-запоминающее устройство;
ОМК – однокристальные микроконтроллеры;
ПЗУ – программно-запоминающее устройство;
ПО – программное обеспечение.
ВВЕДЕНИЕ
В настоящее время в системах управления и обработки данных все чаще применяются микроконтроллеры, решающие широкий спектр задач. Однокристальные микроконтроллеры (ОМК) являются наиболее массовым видом устройств современной микропроцессорной техники, годовой объем выпуска которых составляет более 2,5 млрд. штук. Интегрируя на одном кристалле высокопроизводительный процессор, память и набор периферийных схем, ОМК позволяют с минимальными затратами реализовать высокоэффективные системы и устройства управления различными объектами (процессами). В отличие от обычных микропроцессоров, для работы которых необходимы внешние интерфейсные схемы, в корпусе ОМК наряду с основными функциональными узлами размещены такие вспомогательные узлы, как тактовый генератор, таймер, контроллер прерываний, цифро-аналоговый и аналого-цифровой преобразователи, порты ввода-вывода.
Благодаря этим качествам ОМК находят широкое применение в системах промышленной автоматики, контрольно-измерительных приборах и системах, аппаратуре связи, автомобильной электронике, медицинском оборудовании, бытовой технике и многих других областях.
Применение однокристальных микроконтроллеров позволяет перенести основные затраты, связанные с разработкой встраиваемых систем управления, из аппаратной в программную область. Это неминуемо влечет за собой увеличение сложности программного обеспечения (ПО) микроконтроллеров.
Особенностью разработки ПО для ОМК является использование языка низкого уровня - языка ассемблера. Это связано с тем, что при реализации встраиваемых систем критичными являются время реакции на внешние воздействия, время выполнения заданных процедур обработки данных, размер программного кода и области данных.
Часы — прибор для определения текущего времени суток и измерения продолжительности временных интервалов, в единицах, меньших чем одни сутки.
По размерам и портативности часы классифицируются: карманные часы, наручные часы, каретные часы, настольные часы, настенные часы, напольные часы, башенные часы.
По механизму измерения: солнечные часы, огненные часы, песочные часы, водяные часы, механические часы, камертонные часы, кварцевые часы, электронные часы, астрономические часы, атомные часы.
Солнечные часы - эти часы основаны на том, что солнце отбрасывает тень от предметов, и его путь по небу одинаков в одинаковые дни разных лет. Используя расчерченный круг и поправки на широту местности можно оценить, который сейчас час.
Тема дипломной работы – «Разработка солнечных часов».
Основная цель дипломного проекта – на основании задания на проектирование разработать устройство солнечных часов, которое должно от существующих отличаться:
- простотой схемы (минимальное количество компонентов);
- функциональной насыщенностью, многообразием регулируемых параметров;
- долговечностью;
- стабильных «ходом»;
- низким энергопотреблением.
1 Разработка микропроцессорной системы на основе микроконтроллера
1.1 Основные этапы разработки
МПС на основе МК используются чаще всего в качестве встроенных систем для решения задач управления некоторым объектом. Важной особенностью данного применения является работа в реальном времени, т.е. обеспечение реакции на внешние события в течение определенного временного интервала. Такие устройства получили название контроллеров.
Перед разработчиком МПС стоит задача реализации полного цикла проектирования, начиная от разработки алгоритма функционирования и заканчивая комплексными испытаниями в составе изделия, а, возможно, и сопровождением при производстве. Сложившаяся к настоящему времени методология проектирования контроллеров может быть представлена так, как показано на рис. 1.1.
В техническом задании формулируются требования к контроллеру с точки зрения реализации определенной функции управления. Техническое задание включает в себя набор требований, который определяет, что пользователь хочет от контроллера и что разрабатываемый прибор должен делать. Техническое задание может иметь вид текстового описания, не свободного в общем случае от внутренних противоречий.
На основании требований пользователя составляется функциональная спецификация, которая определяет функции, выполняемые контроллером для пользователя после завершения проектирования, уточняя тем самым, насколько устройство соответствует предъявляемым требованиям. Она включает в себя описания форматов данных, как на входе, так и на выходе, а также внешние условия, управляющие действиями контроллера.
Рисунок 1.1- Основные этапы разработки контроллера
Этап разработки алгоритма управления является наиболее ответственным, поскольку ошибки данного этапа обычно обнаруживаются только при испытаниях законченного изделия и приводят к необходимости дорогостоящей переработки всего устройства. Разработка алгоритма обычно сводится к выбору одного из нескольких возможных вариантов алгоритмов, отличающихся соотношением объема программного обеспечения и аппаратных средств.
При этом необходимо исходить из того, что максимальное использование аппаратных средств упрощает разработку и обеспечивает высокое быстродействие контроллера в целом, но сопровождается, как правило, увеличением стоимости и потребляемой мощности. При выборе типа МК учитываются следующие основные характеристики:
- разрядность;
- быстродействие;
- набор команд и способов адресации;
- требования к источнику питания и потребляемая мощность в различных режимах;
- объем ПЗУ программ и ОЗУ данных;
- возможности расширения памяти программ и данных;
- наличие и возможности периферийных устройств, включая средства поддержки работы в реальном времени (таймеры, процессоры событий и т.п.);
- возможность перепрограммирования в составе устройства;
- наличие и надежность средств защиты внутренней информации;
- возможность поставки в различных вариантах конструктивного исполнения;
- стоимость в различных вариантах исполнения;
- наличие полной документации;
- наличие и доступность эффективных средств программирования и отладки МК;
- количество и доступность каналов поставки, возможность замены изделиями других фирм.
Список этот не является исчерпывающим, поскольку специфика проектируемого устройства может перенести акцент требований на другие параметры МК.
Номенклатура выпускаемых в настоящее время МК исчисляется тысячами типов изделий различных фирм. Современная стратегия модульного проектирования обеспечивает потребителя разнообразием моделей МК с одним и тем же процессорным ядром. Такое структурное разнообразие открывает перед разработчиком возможность выбора оптимального МК, не имеющего функциональной избыточности, что минимизирует стоимость комплектующих элементов.
Однако для реализации на практике возможности выбора оптимального МК необходима достаточно глубокая проработка алгоритма управления, оценка объема исполняемой программы и числа линий сопряжения с объектом на этапе выбора МК. Допущенные на данном этапе просчеты могут впоследствии привести к необходимости смены модели МК и повторной разводки печатной платы макета контроллера. В таких условиях целесообразно выполнять предварительное моделирование основных элементов прикладной программы с использованием программно-логической модели выбранного МК.
На этапе разработки структуры контроллера окончательно определяется состав имеющихся и подлежащих разработке аппаратных модулей, протоколы обмена между модулями, типы разъемов. Выполняется предварительная проработка конструкции контроллера. В части программного обеспечения определяются состав и связи программных модулей, язык программирования. На этом же этапе осуществляется выбор средств проектирования и отладки.
1.2 Разработка и отладка аппаратных средств
После разработки структуры аппаратных и программных средств дальнейшая работа над контроллером может быть распараллелена. Разработка аппаратных средств включает в себя разработку общей принципиальной схемы, разводку топологии плат, монтаж макета и его автономную отладку. На этапе ввода принципиальной схемы и разработки топологии используются, как правило, распространенные системы проектирования типа "ACCEL EDA" или "OrCad".
1.3 Разработка и отладка программного обеспечения
Содержание этапов разработки программного обеспечения, его трансляции и отладки на моделях существенно зависит от используемых системных средств. В настоящее время ресурсы 8-разрядных МК достаточны для поддержки программирования на языках высокого уровня. Это позволяет использовать все преимущества структурного программирования, разрабатывать программное обеспечение с использованием раздельно транслируемых модулей. Одновременно продолжают широко использоваться языки низкого уровня типа ассемблера, особенно при необходимости обеспечения контролируемых интервалов времени. Задачи предварительной обработки данных часто требуют использования вычислений с плавающей точкой, трансцендентных функций.
В настоящее время самым мощным средством разработки программного обеспечения для МК являются интегрированные среды разработки, имеющие в своем составе менеджер проектов, текстовый редактор и симулятор, а также допускающие подключение компиляторов языков высокого уровня типа Паскаль или Си. При этом необходимо иметь в виду, что архитектура многих 8-разрядных МК вследствие малого количества ресурсов, страничного распределения памяти, неудобной индексной адресации и некоторых других архитектурных ограничений не обеспечивает компилятору возможности генерировать эффективный код.
Для проверки и отладки программного обеспечения используются так называемые программные симуляторы, предоставляющие пользователю возможность выполнять разработанную программу на программно-логической модели МК. Программные симуляторы распространяются, как правило, бесплатно и сконфигурированы сразу на несколько МК одного семейства. Выбор конкретного типа МК среди моделей семейства обеспечивает соответствующая опция меню конфигурации симулятора. При этом моделируется работа ЦП, всех портов ввода/вывода, прерываний и другой периферии. Карта памяти моделируемого МК загружается в симулятор автоматически, отладка ведется в символьных обозначениях регистров.
Загрузив программу в симулятор, пользователь имеет возможность запускать ее в пошаговом или непрерывном режимах, задавать условные или безусловные точки останова, контролировать и свободно модифицировать содержимое ячеек памяти и регистров симулируемого МК.
1.4 Методы и средства совместной отладки аппаратных и программных средств
Этап совместной отладки аппаратных и программных средств в реальном масштабе времени является самым трудоемким и требует использования инструментальных средств отладки. К числу основных инструментальных средств отладки относятся:
- внутрисхемные эмуляторы;
- платы развития (оценочные платы);
- мониторы отладки;
- эмуляторы ПЗУ.
Внутрисхемный эмулятор – программно-аппаратное средство, способное заменить эмулируемый МК в реальной схеме.
Внутрисхемный эмулятор – это наиболее мощное и универсальное отладочное средство, которое делает процесс функционирования отлаживаемого контроллера прозрачным, т.е. легко контролируемым, произвольно управляемым и модифицируемым.
Платы развития, или, как принято их называть в зарубежной литературе, оценочные платы (Evaluation Boards), являются своего рода конструкторами для макетирования электронных устройств. Обычно это печатная плата с установленным на ней МК и всей необходимой ему стандартной периферией. На этой плате также устанавливают схемы связи с внешним компьютером. Как правило, там же имеется свободное поле для монтажа прикладных схем пользователя. Иногда предусмотрена уже готовая разводка для установки дополнительных устройств, рекомендуемых фирмой. Например, ПЗУ, ОЗУ, ЖКИ- дисплей, клавиатура, АЦП и др.
Эмулятор ПЗУ – программно-аппаратное средство, позволяющее замещать ПЗУ на отлаживаемой плате, и подставляющее вместо него ОЗУ, в которое может быть загружена программа с компьютера через один из стандартных каналов связи. Это устройство позволяет пользователю избежать многократных циклов перепрограммирования ПЗУ. Эмулируемая память доступна для просмотра и модификации, но контроль над внутренними управляющими регистрами МК был до недавнего времени невозможен.
В последнее время появились модели интеллектуальных эмуляторов ПЗУ, которые позволяют "заглядывать" внутрь МК на плате пользователя.
Этап совместной отладки аппаратных и программных средств в реальном масштабе времени завершается, когда аппаратура и программное обеспечение совместно обеспечивают выполнение всех шагов алгоритма работы системы. В конце этапа отлаженная программа заносится с помощью программатора в энергонезависимую память МК, и проверяется работа контроллера без эмулятора.
1.5 Солнечные часы
Солнечные часы – старинный прибор для измерения времени по Солнцу. Вероятно, это древнейший научный инструмент, дошедший до нас без изменений и представляющий первое применение человеком его знаний о движении небесных тел.
Хотя известны самые разнообразные солнечные часы, все их можно разделить на несколько основных типов. Наиболее распространены часы горизонтального типа; их можно увидеть во многих парках и садах. Часы с вертикальным циферблатом обычно встречаются на стенах, ориентированных по сторонам света. Повернутый циферблат делают у вертикальных часов, размещенных на стенах, которые не ориентированы по сторонам света. А отклоненный и склоненный циферблаты наклонены соответственно от наблюдателя и к нему. Обычно они встречаются на многосторонних часах, объединяющих в себе три или более циферблатов и часто имеющих форму куба; их размещают на крышах и гребнях стен, ориентированных по сторонам света. Повернуто-отклоненный и повернуто-склоненный циферблаты размещают на неориентированных по сторонам света зданиях. У экваториальных и полярных часов плоскости циферблатов параллельны соответственно плоскости экватора и полярной оси. Армиллярные часы имеют экваториальный циферблат; их часто используют для декоративных целей. Они содержат от двух до десяти колец, представляющих большие круги земной и небесной сфер. Часовые деления нанесены внутри экваториального круга, а отбрасывающим тень гномоном служит стержень, представляющий полярную ось.
Рисунок 1.2 – Простейшие солнечные часы
Египетские солнечные часы.
Древнейшие из известных ныне солнечных часов были изготовлены около 1500 до н.э. Они сделаны из камня в форме бруска длиной около 30 см с вертикальным Т-образным навершием на одном конце. Время отсчитывалось по засечкам, нанесенным на бруске через неравные интервалы. Часы выставлялись горизонтально по отвесу. Т-образный конец утром поворачивали к востоку, а после обеда – к западу. Тень от верхней кромки «Т» указывала время. Эти и другие древние солнечные приборы показывали «неравные часы», образующиеся в результате деления времени от восхода до заката Солнца на фиксированное число частей. Поскольку длительность светового дня в течение года меняется, менялась и длина часа: летом он был длиннее, а зимой – короче.
Типичны садовые часы (Рис.1.3). Они показывают истинное солнечное время, которое отличается от поясного времени по-разному в различные сезоны года. «Гномон» – общее название для отбрасывающего тень индикатора, а «указатель» – это тот край гномона, по которому ведется отсчет. Для точного измерения времени угол между указателем и горизонтальным циферблатом должен быть равен географической широте места.
Сделать такие часы было несложно. Многие из них имели часовые линии для определенных дней года, разделенных примерно месяцем, а также для дат равноденствий и солнцестояний. Часовые отметки на каждый день получали, соединяя точки, на которые ложилась в данный час тень, отброшенная гномоном в дни равноденствий и солнцестояний.
Примерно в начале христианской эры был открыт принцип наклонного гномона, позволившего ввести «равные часы», обеспечившие более точное хранение времени. Было обнаружено, что если стержень гномона направить на полюс мира, то он как бы станет осью той параллельной экватору окружности, по которой обращается Солнце. Разделив ее на 24 равные части, получили часы одинаковой длительности. После этого изготовление точных и равномерно идущих солнечных часов стало простым геометрическим и тригонометрическим занятием.
Эволюция солнечных часов шла бок о бок с развитием математики и астрономии. Однако многие века искусством создания солнечных часов владели только мастера, знакомые с гномоникой. С 14-го по 18-е столетие многие ремесленники проявили изобретательность и мастерство в изготовлении карманных солнечных часов высокой точности, ставших жемчужинами часового искусства.
Появление механических часов не упразднило вплоть до 18 в. использование солнечных часов для хранения времени.
Рисунок 1.3 – Садовые солнечные часы
Изготовители солнечных часов шли в ногу с конструкторами механических часов, изобретая солнечные приборы для определения «среднего времени». Когда было введено «поясное время», солнечные часы приспособили и для этого. (Поясное время – это среднее солнечное время на определенном меридиане.) В конце 19-го и начале 20-го столетий было сделано много очень точных солнечных часов для определения поясного времени, названных гелиохронометрами.
Постройка часов. Чтобы от солнечных часов была польза, их нужно сооружать в подходящем месте. Должна быть известна широта места, а также положение относительно горизонта и меридиана той площадки или поверхности, на которой будут нанесены часовые линии.
2 РАЗРАБОТКА СОЛНЕЧНЫХ ЧАСОВ
2.1 Постановка задачи
Требуется разработать устройство, предназначенное для определения времени, напоминающее принцип солнечных часов.
Разработка устройства будет вестись с учётом следующих требований:
- простота схемы (минимальное количество компонентов);
- функциональная насыщенность, многообразие регулируемых параметров;
- устойчивость к изменениям напряжения и температуры, долговечность;
- низкое энергопотребление.
Это простой проект солнечных часов, в которых в роли стрелки выступает лазерный луч. Сам лазер устанавливается на сервоприводе с дистанционным управлением, который в свою очередь управляется микроконтроллером (Рис.2.1). Микроконтроллер ведет отсчет времени и соответствующим образом дает команды на поворот сервопривода.
Будучи очень простым по дизайну, это устройство делает именно то, что задано проектом и содержит минимально возможное количество деталей.
2.2 Разработка структурной схемы устройства и функциональной спецификации
Структурная схема разрабатываемых солнечных часов приведена на рис. 2.2.
Рисунок 2.1 – Солнечные часы на микроконтроллере и лазерной указке
![]() |
ЛЛ
Рисунок 2.2 – Структурная схема солнечных часов
На рисунке 2.2 приняты условные обозначения:
МК – микроконтроллер;
КР- кварцевый резонатор;
УПТ- усилитель постоянного тока;
ДВ – двигатель;
ЛУ – лазерная указка;
ЛЛ – лазерный луч;
ИП – источник питания;
КУ- кнопки управления.
Функциональная спецификация:
1.Входы
а. 3 кнопки управления и регулировки часами;
b. кварцевый резонатор;
с. источник стабильного электропитания часов.
2. Выходы
а. усилитель постоянного тока для управления двигателем;
b. питание лазерной указки импульсным напряжением.
3. Функции
а. Микроконтроллер ведет отсчет реального времени. Время конвертируется из минут в формат 1:00 часов и затем в ШИМ импульс, подходящий для управления сервоприводом;
b. Кнопки управления и регулировки служат для точного выставления времени;
с. Кварцевый резонатор совместно с генератором вырабатывает стабильную частоту для отсчета времени;
d. Импульсное напряжение питает лазерную указку.
2.3 В ыбор микроконтроллера
Для проектирования солнечных часов постараемся выбрать относительно недорогой, простой и широкоиспользуемый микроконтроллер.
К наиболее подходящему и выполняещему требуемые функции контроллеру относится АTtiny 24.
Рассмотрим аппаратные средства микроконтроллеров серии АTtiny 24.
ATtiny24, ATtiny44, ATtiny84 - 8-разрядные AVR-микроконтроллеры с внутрисистемно-программируемой флэш-памятью размером 2, 4, 8 кбайт.
Особенности:
Высокоэффективные маломощные 8-разрядные микроконтроллеры AVR
Прогрессивная RISC-архитектура
- Эффективный набор инструкций: 120 инструкций, большинство из которых выполняются за один машинный цикл
- 32 x 8-разр. регистров общего назначения
- Полностью статическая работа
Энергонезависимые памяти программ и данных
- 2/4/8 кбайт внутрисистемно-программируемой флэш-памяти программ (ATtiny24/44/84), характеризующейся износостойкостью 10 тысяч циклов чтения/записи
- 128/256/512 байт внутрисистемно-программируемого ЭСППЗУ (ATtiny24/44/84), характеризующегося износостойкостью 100000 циклов записи/стирания
- 128/256/512 байт встроенного статического ОЗУ (ATtiny24/44/84)
- Программируемая блокировка доступа к данным во флэш-памяти и ЭСППЗУ
Встроенные периферийные устройства
- Два 8 и 16-разрядных таймера-счетчика с двумя каналами ШИМ в к8/16-разрядный таймер-счетчик с предделителем и двумя каналами ШИМ в каждом
- 10-разрядный АЦП
8 несимметричных каналов
12 пар дифференциальных каналов АЦП с программируемым усилением (1x, 20x)
- Программируемый сторожевой таймер с отдельным встроенным генератором
- Встроенный аналоговый компаратор
- Универсальный последовательный интерфейс
Специальные микроконтроллерные функции
- Встроенная отладочная система debugWIRE
- Внутрисистемное программирование через порт SPI
- Внешние и внутренние источники прерываний
- Экономичные режимы работы: холостой ход (Idle), снижение шума АЦП, дежурный (Standby) и снижения потребляемой мощности (Power Down)
- Усовершенствованная схема сброса при подаче питания
- Программируемая схема детектора снижения напряжения питания
- Встроенный калиброванный генератор
- Встроенный датчик температуры
Ввод-вывод и корпуса
- 14-выводные корпуса PDIP и SOIC, 20-выводной корпус QFN/MLF
- 12 программируемых линий ввода-вывода
Рабочее напряжение:
- 1.8 - 5.5В для ATtiny24V/44V/84V
- 2.7 - 5.5В для ATtiny24/44/84
Градации по быстродействию:
- ATtiny24V/44V/84V: 0 - 4 МГц при напряжении питания 1.8 - 5.5В, 0 - 10 МГц при напряжении питания 2.7 - 5.5В
- ATtiny24/44/84: 0 - 10 МГц при напряжении питания 2.7 - 5.5В, 0 - 20 МГц при напряжении питания 4.5 - 5.5В
Промышленный температурный диапазон
Малый потребляемый ток
- Активный режим: 1 МГц, 1.8В: 380мкА
- Режим снижения потребляемой мощности: 100 нА при 1.8В
Общее описание:
ATtiny24, ATtiny44, ATtiny84 - маломощные 8-разрядные КМОП микроконтроллеры, выполненные на основе усовершенствованной RISC-архитектуры AVR. За счет выполнения большинства инструкций за один период синхронизации микроконтроллеры ATtiny24, ATtiny44, ATtiny84 достигают производительности 1 млн.операций в сек./МГц, что позволит разработчикам оптимизировать соотношение производительности и потребляемой мощности.
Ядро AVR объединяет обширный набор инструкций с 32 рабочими регистрами общего назначения. Все 32 регистра напрямую подключены к арифметико-логическому устройству (АЛУ), что позволяет с помощью одной инструкции осуществить доступ к двум разным регистрам и выполнить такую инструкцию за один период синхронизации. В конечном счете, такая архитектура обладает улучшенной эффективностью использования программного кода, позволяя на порядок повысить производительность относительно традиционных CISC-микроконтроллеров.
ATtiny24, ATtiny44, ATtiny84 содержат 2, 4, 8 кбайт внутрисистемно-программируемой флэш-памяти, 128, 256, 512 байт ЭСППЗУ, 128, 256, 512 байт статического ОЗУ, 12 линий ввода-вывода общего назначения, 32 рабочих регистра общего назначения, 8-разрядный таймер-счетчик с 2 каналами ШИМ, 16-разрядный таймер-счетчик с 2 каналами ШИМ, универсальный последовательный интерфейс, внутренние и внешние прерывания, 8-канальный 10-разрядный АЦП, программируемый усилительный каскад (х1, х20) для 12 пар дифференциальных каналов АЦП, программируемый сторожевой таймер с внутренним генератором, встроенный калиброванный генератор и четыре режима снижения потребляемой мощности. В режиме холостого хода (Idle) останавливает работу ЦПУ, но продолжают работу статическое ОЗУ, таймер-счетчик, АЦП, аналоговый компаратор и система прерываний. В режиме снижения потребляемой мощности (Power-down) сберегается содержимое регистров, но отключаются все встроенные функции до возникновения прерывания или аппаратного сброса. В режиме снижения шума АЦП прекращают работу АЦП и все модули ввода-вывода, кроме АЦП, что минимизирует цифровой шум во время преобразования АЦП. В дежурном режиме остается в работе кварцевый генератор, а остальная часть микроконтроллера бездействует. Использование этого режима позволит добиться сочетания быстроты возобновления работы и малого потребляемого тока.
Микроконтроллеры выпускаются по технологии высокоплотной энергонезависимой памяти компании Atmel. Встроенная флэш-память поддерживает возможность внутрисистемного перепрограммирования через последовательный интерфейс SPI, с помощью обычного программатора энергонезависимой памяти или под управлением программного кода, исполняемого ядром AVR.
Микроконтроллеры ATtiny24, ATtiny44, ATtiny84 поддерживаются полным диапазоном средств для проектирования, в т.ч. Си-компиляторы, макроассемблеры, программные отладчики/симуляторы, внутрисхемные эмуляторы и оценочные наборы.
Структурная схема микроконтроллера АTtiny 24 (Рис.2.4).
Рисунок 2.4 – Структурная схема микроконтроллера АTtiny 24
Расположение выводов микроконтроллера АTtiny 24 (Рис.2.5).
Рисунок 2.5 - Расположение выводов микроконтроллера А Ttiny 24
2.4 Разработка функциональной схемы устройства
Зная серию выбранного микроконтроллера и функции, которые он должен выполнять, составим функциональную схему (Рис.2.6).
Рисунок 2.6 – Функциональная схема солнечных часов
Условные обозначения на функциональной схеме (Рисунок 2.6):
ДВ – двигатель;
ЛУ – лазерная указка;
УПТ- усилитель постоянного тока;
ИП- источник питания +5В;
КР – кварцевый резонатор;
S1-S3 – кнопки управления и регулировки.
2.5 Разработка алгоритма управления
Блок-схема алгоритма, управления двигателем солнечных часов представлена на рисунке 2.7.
Согласно блок схеме, в начале программы выполняется установка состояния портов, а также указывается вектор прерывания, который имеет две ветви:
• вектор RESET переходит при сбросе программы в начальное состояние;
• вектор INTO активизируется при нажатии кнопки "START/STOP".
Активным уровнем INTO считается нулевое состояние на выводе РВ6 микроконтроллера. Активный уровень задается программой и во время сброса не активизируется. В случае активизации INTO вызывается подпрограмма обработки вектора прерывания, которая запрещает прерывание и проверяет длительность нажатия кнопки. При выходе из подпрограммы обработки вектора прерывания разрешается общее прерывание.
2.6 Разработка программного обеспечения микроконтроллера
Микроконтроллер ведет отсчет реального времени. Время конвертируется из минут в формат 1:00 часов и затем в ШИМ импульс, подходящий для управления сервоприводом. Исходный код снабжен полными комментариями и легок для понимания в плане принципа работы.
Программное обеспечение написано на С, компиляция и отладка в AVR Studio. Отладку кода производить нужно с помощью AVR Dragon, которая использует встроенные в ATTiny24 возможности по отладке.
Код снабжен комментариями и должен быть вполне понятным, а также простым для изменений желанию. Но в любом случае, ниже приводятся несколько комментариев.
Рисунок 2.4 - Блок-схема алгоритма управления двигателем солнечных часов
#define F_CPU 2457600UL // частота кристалла
#define PWM_TOP F_CPU/60 // = 40960 – МАКС значение для таймера 0 (идет в OCR0A)
Эти прекомпиляторные инструкции определяют частоту кристалла и значение, вносящееся в регистр OCR1A, которое будет максимальным значением для таймера1 перед сбрасыванием на ноль. Нам надо, чтобы частота ШИМ была 60 Гц. Эти импульсы также используются в качестве временной оси для часов реального времени.
Следующие строки настраивают Таймер1 на быструю ШИМ, без предделителя частоты (то есть частота кристалла напрямую идет на Таймер1), а ШИМ Compare Output на выводе ОС1В.
TCCR1A = _BV(WGM11) | _BV(WGM10) | _BV(COM1B1);
TCCR1B = _BV(WGM13) | _BV(WGM12) | _BV(CS10);
OCR1A = PWM_TOP; // ШИМ част = 60 Гц
Сейчас Таймер1 отсчитывает время от 0 до значения PWM_TOP, 60 раз каждую секунду (2457600/40960)
Вышеуказанные инструкции также делают выход OC1B высоким, когда счетчик меньше значения ОCR1A и 0 в обратном случае. Это и есть ШИМ – изменение значения OCR1B от 0 до PWM_TOP изменяет коэффициент заполнения от 0% до 100% на частоте ШИМ, которая не меняется: 60 колебаний каждую секунду, колебания просто уже или шире.
Следующая инструкция помещает сервопривод на положение OCR1B – промежуточное положение между максимальным и минимальным положениями сервопривода.
OCR1B = (SERVO_MAX + SERVO_MIN) / 2;
Это значение не составляет 50% коэффициента заполнения ШИМ, так как сервопривод перемещается от минимального положения до максимального с импульсом менее 50%, поэтому я определил значения defined SERVO_MAX и SERVO_MIN, основываясь на длительности импульсов, которые перемещают сервопривод в максимальное или минимальное положение:
#define SERVO_MAX PWM_TOP*1.65/(1000/60) // макс. поворот – на 2,35 млс импульса
#define SERVO_MIN PWM_TOP*0.75/(1000/60) // мин. поворот – на 0,70 млс импульса
Теперь нужно, чтобы переполнение таймера использовалось в качестве временной оси для часов реального времени:
TIMSK1 = _BV(TOIE1); // включить переполнение таймера (для часов реального времени)
sei(); // включить глобальные прерывания
Сейчас каждую 1/60-ую секунды выполняется следующая операция:
ISR(TIM1_OVF_vect) { … }
Эта операция выполняет целый ряд действий:
Отсчитывает реальное время, 60 умноженное на 1/60 секунды означает прошествие одной полной секунды, поэтому вместе с отсчетом минут и часов можно добавить и секундомер.
Заставляет лазер мигать каждую 1/10-ую секунду каждую секунду, если только не стоит соответствующая перемычка, в противном случае лазер включен постоянно.
Данная операция также определяет положение, в которое должен передвинуться сервопривод. Для выполнения этой задачи время конвертируется в общее количество минут, прошедших со времени 1:00, а полученный результат вписывается в диапазон
SERVO_MIN до SERVO_MAX
servo_pos = servo_min + ((hour-1)*60+min)*((servo_max-servo_min)/(11*60+59));
Замыкая JUMP_0 мы заставляем сервопривод отображать только секунды (от 9 до 59), тем самым вышеуказанное вычисление производится только по текущим секундам, минуты и часы не принимаются во внимание.
servo_pos = servo_min + sec*((servo_max-servo_min)/59);
Следующие команды помещают сервопривод в зеркальное положение, чтобы лазер двигался по часовой стрелке:
OCR1B = servo_min+servo_max-servo_pos; // по часовой стрелке
// OCR1B = servo_pos; // против часовой стрелки («закомментарено»).
Листинг программы приведен в Приложении А.
Готовый hex-файл для загрузки в микроконтроллер в Приложении Б.
2.7 Выбор и описание элементной базы
Схема содержит минимум компонентов: 2 керамических конденсатора,
два резистора, транзистор, микроконтроллер и кварцевый резонатор, сервопривод . Сервопривод возьмем Hitec HS-300BB – довольно хороший. Подойдет и любой другой сервопривод, только возможно диапазон перемещения будет немного иным. Его можно настроить с помощью значений SERVO_MIN и SERVO_MAX, однако будет необходима повторная компиляция.
Спецификация компонентов приведена в Приложении В.
В устройстве нужно использовать хорошо стабилизированный источник напряжения на 5 вольт.
Лазерная указка обычная промышленная, следует только переделать выводы питания.
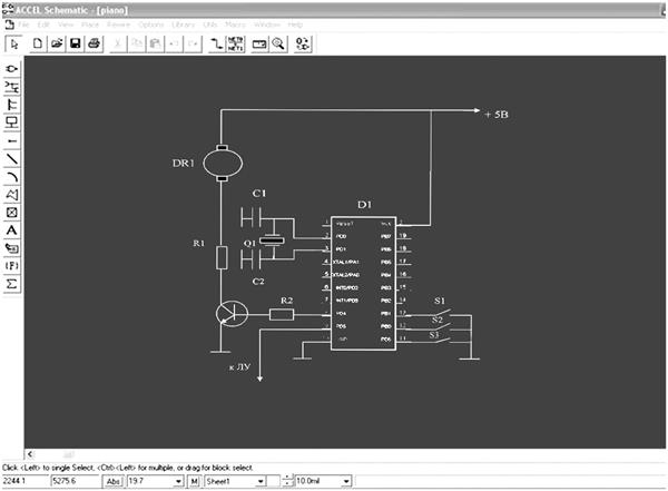
2.8 Разработка схемы электрической принципиальной
Разрабатываем в Accel EDA схему электрическую принципиальную солнечных часов (Рис. 2.5).
Рисунок 2.5 - Принципиальная схема солнечных часов в Accel EDA
3 ТЕХНИКО-ЭКОНОМИЧЕСКОЕ ОБОСНОВАНИЕ ОБЪЕКТА РАЗРАБОТКИ
В данном разделе проводится технико-экономический расчет стоимости солнечных часов.
Стоимость устройства будет состоять из стоимости разработки ПО для микроконтроллера, стоимости разработки конструкторской документации и стоимости сборки и испытания устройства.
3.1 Расчет расходов на ПО для микроконтроллера, которое разрабатывается
Исходные данные для расчета стоимости разработки ПО, которое разрабатывается приведенны в таблице 3.1.
Таблица 3.1 – Данные на 1.01.2010 г.
| №п/п |
Статьи затрат |
Усл. обозн. |
Ед. изм. |
Значения |
|
| Проектирование и разработка ПЗ |
|||||
| 1 |
Часовая тарифная ставка программиста |
Зпр |
грн. |
8,00 |
|
| 2 |
Коэффициент сложности программы |
с |
коэф. |
1,40 |
|
| 3 |
Коэффициент коррекции программы |
Р |
коэф. |
0,05 |
|
| 4 |
Коэффициент увеличения расходов труда |
Z |
коэф. |
1,3 |
|
| 5 |
Коэффициент квалификации программиста |
k |
коэф. |
1,0 |
|
| 6 |
Амортизационные отчисления |
Амт |
% |
10,0 |
|
| 7 |
Мощность компьютера, принтера |
WМ |
Квт/ч |
0,40 |
|
| 8 |
Стоимость ПЕОМ IBM Sempron LE1150(AM2)/1GB/TFT |
Втз |
грн. |
3200,00 |
|
| 9 |
Тариф на электроэнергию |
Це/е |
грн. |
0,56 |
|
| 10 |
Норма дополнительной зарплаты |
Нд |
% |
10,0 |
|
| 11 |
Отчисление на социальные расходы |
Нсоц |
% |
37,2 |
|
| 12 |
Транспортно-заготовительные расходы |
Нтр |
% |
4,0 |
|
| Эксплуатация П0 |
|||||
| 13 |
Численность обслуживающего персонала |
Чо |
чел |
1 |
|
| 14 |
Часовая тарифная ставка обслуживающего персонала |
Зпер |
грн. |
6,00 |
|
| 15 |
Время обслуживания систем |
То |
час/г |
150 |
|
| 16 |
Стоимость ПЕОМ |
Втз |
грн. |
3200,00 |
|
| 17 |
Норма амортизационных отчислений на ПЕОМ |
На |
% |
10,0 |
|
| 18 |
Норма амортизационных отчислений на ПЗ |
НаП |
% |
10,0 |
|
| 19 |
Накладные расходы |
Рнак |
% |
25,0 |
|
| 20 |
Отчисление на содержание и ремонт ПЕОМ |
Нр |
% |
10,0 |
|
| 21 |
Стоимость работы одного часа ПЕОМ |
Вг |
грн. |
6,5 |
|
Первичными исходными данными для определения себестоимости ПО является количество исходных команд (операторов) конечного программного продукта. Условное количество операторов Q в программе задания может быть оценено по формуле:
,
где у – расчетное количество операторов в программе, что разрабатывается (единиц);
с – коэффициент сложности программы;
р – коэффициент коррекции программы в ходе ее разработки.
Рассчитанное количество операторов в разработанной программе – 500.
Коэффициент с – относительная сложность задания относительно отношения к типичной задаче, сложность которой принята более 1, лежит в границах от 1,25 до 2,0 и выбирается равным 1,30.
Коэффициент коррекции программы р – увеличение объема работ за счет внесения изменений в программу лежит в границах от 0,05 до 0,1 и выбирается равным 0,05.
Подставим выбранные значения в формулу (3.1) и определим величину Q: Q = 300∙1,3 (1 + 0,05) = 410.
3.2 Расчет расходов на создание ПО
Расчет расходов на ПО проводится методом калькуляции расходов, в основу которого положена трудоемкость и заработная плата разработчиков. Трудоемкость разработки ПЗ рассчитывается по формуле:
![]()
где То – расходы труда на описание задания;
Ти – расходы труда на изучение описания задания;
Та – расходы труда на разработку алгоритма решения задания;
Тп – расходы труда на составление программы по готовой блок-схеме;
Тотл – расходы труда на отладку программы на ЭВМ;
Тд – расходы труда на подготовку документации.
Составные расходы труда, в свою очередь, можно определить по числу операторов Q для ПО, что разрабатывается. При оценке составных расходов труда используются:
- коэффициенты квалификации разработчика алгоритмов и программ – k;
– увеличение расходов труда в результате недостаточного описания задания – Z.
Коэффициент квалификации разработчика характеризует меру подготовленности исполнителя к порученной ему работе (он задается в зависимости от стажа работы), k = 1,0.
Коэффициент увеличения расходов труда в результате недостаточного описания задания характеризует качество постановки задания, выданной для разработки программы, в связи с тем, что задание требовало уточнения и некоторой доработки. Этот коэффициент принимается равным 1,3.
Все исходные данные приведенные в таблице 3.1.
а) Трудоемкость разработки П0 составляет:
Расходы труда на подготовку описания задания То принимаются равными 5 чел/час, исходя из опыта работы.
Расходы труда на изучение описания задания Те с учетом уточнения описания и квалификации программиста могут быть определены по формуле:
;
Расходы труда на разработку алгоритма решения задачи рассчитываются по формуле:
;
Расходы труда на составление программы по готовой блок-схеме Тп рассчитываются по формуле:
=
(чел/час)
Расходы труда на отладку программы на ПЕОМ Тотл рассчитываются по формуле:
- при автономной отладке одного задания:
; =
(чел/час)
- при комплексной отладке задания:
=
(чел/час)
Расходы труда на подготовку документации по заданию Тд определяются по формуле:
,
где Тдр – расходы труда на подготовку материалов в рукописи:
=
(чел/час)
Тдо – расходы труда на редактирование, печать и оформление документация:
=
(чел/час)
Подставляя приобретенных значений в формулу (3.8), получим:
(чел/час) = ![]()
Определим трудоемкость разработки ПО, подставив полученные значения составляющих в формулу (3.2):
Расчет трудоемкости и зарплаты приведен в таблице 3.2.
б) Расчет материальных расходов на разработку ПЗ
Материальные расходы Мз, которые необходимы для создания ПО приведенные в таблице 3.3.
Таблица 3.2 – Трудоемкость и зарплата разработчиков ПО
| Наименование этапов разработки |
Трудоемкость чел/часов |
Почасовая тарифная ставка программиста, грн. |
Сумма зарплаты, грн. |
| Описание задания |
5 |
8,00 |
40,00 |
| Изучение задания |
7 |
8,00 |
56,00 |
| Составление алгоритма решения задачи |
17 |
8,00 |
136,00 |
| Программирование |
19 |
8,00 |
152,00 |
| Отладка программы |
82 |
8,00 |
656,00 |
| Оформление документации |
37 |
8,00 |
296,00 |
| ВСЕГО: |
167 |
8,00 |
1336,00 |
Таблица 3.3 – Расчет материальных расходов на разработку ПО
| Материал |
Фактическое количество |
Цена за единицу, грн. |
Сумма, грн. |
| 1. DVD |
1 |
3,00 |
6,00 |
| 2. Бумага |
500 |
0,10 |
50,00 |
| ВСЕГО: |
56,00 |
||
| ТЗР (4%) |
2,24 |
||
| ИТОГО: |
57,24 |
в) Расходы на использование ЭВМ при разработке ПО
Расходы на использование ЭВМ при разработке ПО рассчитываются, исходя из расходов одного часа, по формуле:
=
(грн.)
где Вг – стоимость работы одного часа ЭВМ, грн.;
Тотл – расходы труда на наладку программы на ЭВМ, чел./час.;
Тд– расходы труда на подготовку документации, чел./час.;
Тп – расходы труда на составление программы по готовой блок-схеме, чел./час.
г) Расчет технологической себестоимости создания программы
Расчет технологической себестоимости создания программы проводится методом калькуляции расходов (таблица 3.4).
Таблица 3.4 – Калькуляция технологических расходов на создание ПО
| Наименование |
Расходы, грн. |
|
| 1 |
Материальные расходы |
57,24 |
| 2 |
Основная зарплата |
1336,00 |
| 3 |
Дополнительная зарплата (15,0 %) |
200,40 |
| 4 |
Отчисление на социальные мероприятия (37,2 %) |
571,54 |
| 5 |
Накладные расходы (25,0 %) |
334,00 |
| 6 |
Расходы на использование ЭВМ составлении программного обеспечения ПО |
897,00 |
| 7 |
Себестоимость ПО микроконтроллера |
3396,18 |
В таблице 3.4 величина материальных расходов Мз рассчитана в таблице 3.3, основная зарплата С берется из таблицы 3.2, дополнительная зарплата составляет 15% от основной зарплаты, отчисление на социальные потребности – 37,2% от основной и дополнительной зарплат (вместе), накладные расходы – 25% от основной зарплаты. Себестоимость разработанной программы СПО рассчитывается как сумма пунктов 1 – 6.
Стоимость ПО для микроконтроллера составляет 3396,18 грн. на единицу продукции. Если организовать массовый выпуск продукции эта стоимость разделится на количество выпущенных изделий.
3.3 Расчет стоимости разработки конструкторской документации и
сборки устройства
а) Трудоемкость разработки КД изделия (Т) рассчитывается по формуле:
,
где Татз – расходы труда на анализ технического задания (ТЗ), чел./час;
Трес – расходы труда на разработку электрических схем, чел./час;
Трк – расходы труда на разработку конструкции, чел./час;
Трт – расходы труда на разработку технологии, чел./час;
Токд – расходы труда на оформление КД, чел./час;
Твидз – расходы труда на изготовление и эиспытание опытного образца.
Данные расчета заносятся в таблицу 3.5.
Таблица 3.5 - Расчет заработной платы на разработку КД изделия
| Виды работ |
Условные обозначения |
Почасовая тарифная ставка - Сст, грн. |
Факт. расходы времени чел./час; |
Зарплата, грн. |
| 1. Анализ ТЗ |
Татз |
6,00 |
2 |
12,00 |
| 2. Разработка электрических схем |
Трес |
6,00 |
4 |
24,00 |
| 3. Разработка конструкции |
Трк |
6,00 |
4 |
24,00 |
| 4. Разработка технологии |
Трт |
6,00 |
2 |
12,00 |
| 5. Оформление КД |
Токд |
6,00 |
2 |
12,00 |
| 6. Изготовление и испытание опытного образца |
Твидз |
6,00 |
8 |
48,00 |
| Всего: |
å |
6,00 |
22 |
132,00 |
Заработная плата на разработку КД изделия С определяется по формуле:
,
где
- почасовая тарифная ставка разработчика, грн.;
- трудоемкость разработки КД изделия.
б) Расчет материальных расходов на разработку КД
Материальные расходы Мв, которые необходимы для разработки (создании) КД, приведенны в таблице 3.6.
Таблица 3.6 - Расчет материальных расходов на разработку КД
| Материал |
Обозначение пометь. |
Факт. кол. чество |
Цена за ед. грн. цу, грн. |
Сумма, грн. |
| 1. CD DVD |
2 |
2,00 |
4,00 |
|
| 2. Бумага |
500 |
0,07 |
35,00 |
|
| ВСЕГО: |
å |
39,00 |
||
| ТЗР (4%) |
1,56 |
|||
| Итого: |
Мв |
40,56 |
в) Расходы на использование ЭВМ при разработке КД
Расходы, на использование ЭВМ при разработке КД, рассчитываются исходя из расходов работы одного часа ЭВМ по формуле, грн.:
,
где Вг – стоимость работы одного часа ЭВМ, грн.
Трес – расходы труда на разработку электрических схем, чел./час;
Трк – расходы труда на разработку конструкции, чел./час;
Трт – расходы труда на разработку технологии, чел./час;
Токд – расходы труда на оформление КД, чел./час;
При этом, стоимость работы одного часа ЭВМ (других технических средств - ТС) Вг определяется по формуле, грн.:
,
где Те/е – расходы на электроэнергию, грн.;
Ваморт – величина 1-ого часа амортизации ЭВМ (ТС), грн.;
Зперс – почасовая зарплата обслуживающего персонала, грн.;
Трем – расходы на ремонт, покупку деталей, грн.;
Стоимость одного часа амортизации Ваморт определяется по формуле, грн.:
при 40 часовой рабочей неделе:
,
где Втз - стоимость технических средств, грн.
На - норма годовой амортизации (%).
Кт - количество недель на год (52 недели/год).
Гт - количество рабочих часов в неделю (40 час/неделя)
Почасовая оплата обслуживающего персонала Зперс рассчитывается по формуле, грн.:
,
где Окл - месячный оклад обслуживающего персонала, грн.
Крг - количество рабочих часов в месяц (160 часов/месяц);
Нрем - расходы на оплату труда ремонта ЭВМ (6 % Окл).
Расходы на ремонт, покупку деталей для ЭВМ Трем определяются по формуле, грн.:
![]()
где Втз - стоимость технических средств, грн.
Нрем - процент расходов на ремонт, покупку деталей (%);
Кт - количество недель на год (52 недели/год).
Гт - количество рабочих часов в неделю (36 ¸ 168 час./неделя)
Расходы на использование электроэнергии ЭВМ и техническими средствами Те/е определяются по формуле, грн.:
,
где Ве/е – стоимость одного кВт/час электроэнергии, грн.;
Wпот – мощность компьютера, принтера и сканера (за 1 час), (кВт/час.).
Таким образом, стоимость одного часа работы ЭВМ при разработке КД будет составлять (см. формулу 3.16), грн.:
.
Расходы на использование ЭВМ при разработке, грн. (см. формулу 3.15):
![]()
г) Расчет технологической себестоимости создания КД
Расчет технологической себестоимости создания КД изделия проводится методом калькуляции расходов (таблица 3.7).
Таблица 3.7 - Калькуляция технологических расходов на создание КД изделия
| № п/п |
Наименование статей |
Условны обозначения |
Расходы (грн.) |
| 1 |
2 |
3 |
4 |
| 1. |
Материальные расходы |
Мв |
40,56 |
| 2. |
Основная зарплата |
Зо |
132,00 |
| 3. |
Дополнительная зарплата |
Зд |
19,80 |
| 4. |
Отчисление на социальные мероприятия |
37,2%(Зо+Зд) |
56,47 |
| 5. |
Общепроизводственные (накладные) расходы предприятия |
Ннакл |
33,00 |
| 6. |
Расходы на использование ЭВМ при составлении программного обеспечения КД |
ВЕОМ |
28,60 |
| 7. |
Себестоимость КД изделия |
Скд = å (1¸6) |
310,43 |
В таблице 3.7 величина материальных расходов Мв рассчитана в таблице 3.6, основная зарплата С берется из таблицы 3.5, дополнительная зарплата 15 % от основной зарплаты, отчисление на социальные мероприятия –37,2% - от основной и дополнительной зарплаты (вместе). Общезаводские (накладные) расходы 25% от основной зарплаты. Себестоимость разработанной конструкторской документации Скд рассчитывается как сумма пунктов 1–6.
3.4 Расчет расходов на стадии производства изделия
Себестоимость изделия которое разрабатывается рассчитывается на основе норм материальных и трудовых расходов. Среди исходных данных, которые используются для расчета себестоимости изделия, выделяют нормы расходов сырья и основных материалов на одно изделие.
Таблица 3.8 -Расчет расходов на сырье и основные материалы на одно изделие
| Материалы |
Норма расходов (единиц) |
Оптовая цена грн./ед. |
Фактические расходы (единиц) |
Сумма грн. |
| 1 |
2 |
3 |
4 |
5 |
| Стеклотекстолит СФ-2-35 (лист 1,0 ГОСТ 10316 - 78), кг |
0,5 |
24,00 |
0,4 |
9,60 |
| Припой ПОС - 61 (ГОСТ 21930 - 76), кг |
0,05 |
18.00 |
0,05 |
0,90 |
| Всего: |
10,50 |
|||
| Транспортно-заготовительные расходы (4%) |
0,42 |
|||
| Итого: |
10,92 |
В ходе расчета себестоимости изделия, как исходные данные, используют спецификации материалов, покупных комплектующих изделии и полуфабрикатов, которые используются при сборке одного изделия (Приложение Ж).
Расчет зарплаты основных производственных рабочих проводим на основе норм трудоемкости по видам работ и по часовым ставкам рабочих (таблица 3.9).
Таблица 3.9 - Расчет основной зарплаты
Наименование операции |
Почасовая тарифная ставка, грн. |
Норма временичел./час. |
Сдельная зарплата, грн. |
1 |
2 |
3 |
4 |
Заготовительная |
5,67 |
0,5 |
2,84 |
| Фрезерная |
6,08 |
0,8 |
4,86 |
| Слесарная |
6,08 |
1,0 |
6,08 |
| Гравировка |
5,67 |
0,5 |
2,84 |
| Фотохимпечать |
5,67 |
1,2 |
6,80 |
| Гальваническая |
6,08 |
2,0 |
12,16 |
| Маркировочная |
5,67 |
0,1 |
0,57 |
| Сборка |
5,67 |
1,2 |
6,80 |
Монтаж |
5,67 |
0,5 |
2,84 |
Настройка |
6,08 |
0,7 |
4,26 |
Другие |
- |
- |
- |
Всего: |
8,5 |
50,05 |
Калькуляция себестоимости и определения цены выполняется в таблице 3.10.
Таблица 3.10 - Калькуляция себестоимости и определения цены изделия
Наименование статей расходов |
Расходы грн. |
1 |
2 |
Сырье и материалы |
10,92 |
Покупные комплектующие изделия |
37,37 |
| Основная зарплата рабочих |
50,05 |
| Дополнительная зарплата (15%) |
7,50 |
| Отчисление на социальные мероприятия (37,2%) |
21,41 |
| Накладные расходы (25% по данным предприятия) |
12,51 |
| Стоимость КД |
310,43 |
Общая стоимость солнечных часов |
450,19 |
Общая стоимость изделия будет составлять:
Собщ. = С прог. + С баз. Бл. (3.21)
где С прог. – себестоимость составления программы для микроконтроллера;
С баз. Бл – себестоимость подготовки КД и сборки устройства.
При единичном изготовлении
Собщ. = 3396,18+ 450,19= 3846,37 (грн.).
Вывод: чем больше производится устройств, тем меньше их стоимость.
Данное устройство может быть предложено для повторения радиолюбителями, потому что оно не найдет массового применения, ввиду того, что промышленностью массово выпускаются электронные часы, которые намного дешевле разрабатываемых солнечных часов, выполняют множество полезных функций (таймеры, будильники), имеют более точный ход. Солнечные часы можно выпускать лишь как сувенирные изделия. Конструкция часов содержит новизну, аналогичных часов промышленность не выпускает, поэтому провести сравнительный анализ невозможно, с аналогичными конструкциями.
4 ОХРАНА ТРУДА
Научно-технический прогресс внес серьезные изменения в условия производственной деятельности работников умственного труда. Их труд стал более интенсивным, напряженным, требующим значительных затрат умственной, эмоциональной и физической энергии. Это потребовало комплексного решения проблем эргономики, гигиены и организации труда, регламентации режимов труда и отдыха.
В настоящее время компьютерная техника широко применяется во всех областях деятельности человека. При работе с компьютером человек подвергается воздействию ряда опасных и вредных производственных факторов: электромагнитных полей (диапазон радиочастот: ВЧ, УВЧ и СВЧ), инфракрасного и ионизирующего излучений, шума и вибрации, статического электричества и др..
Работа с компьютером характеризуется значительным умственным напряжением и нервно-эмоциональной нагрузкой операторов, высокой напряженностью зрительной работы и достаточно большой нагрузкой на мышцы рук при работе с клавиатурой ЭВМ. Большое значение имеет рациональная конструкция и расположение элементов рабочего места, что важно для поддержания оптимальной рабочей позы человека-оператора.
В процессе работы с компьютером необходимо соблюдать правильный режим труда и отдыха. В противном случае у персонала отмечаются значительное напряжение зрительного аппарата с появлением жалоб на неудовлетворенность работой, головные боли, раздражительность, нарушение сна, усталость и болезненные ощущения в глазах, в пояснице, в области шеи и руках.
4.1 Требования к производственным помещениям
4.1.1 Окраска и коэффициенты отражения
Окраска помещений и мебели должна способствовать созданию благоприятных условий для зрительного восприятия, хорошего настроения.
Источники света, такие как светильники и окна, которые дают отражение от поверхности экрана, значительно ухудшают точность знаков и влекут за собой помехи физиологического характера, которые могут выразиться в значительном напряжении, особенно при продолжительной работе. Отражение, включая отражения от вторичных источников света, должно быть сведено к минимуму.
Для защиты от избыточной яркости окон могут быть применены шторы и экраны.
В зависимости от ориентации окон рекомендуется следующая окраска стен и пола:
окна ориентированы на юг: - стены зеленовато-голубого или светло-голубого цвета; пол - зеленый;
окна ориентированы на север: - стены светло-оранжевого или оранжево-желтого цвета; пол - красновато-оранжевый;
окна ориентированы на восток: - стены желто-зеленого цвета; пол зеленый или красновато-оранжевый;
окна ориентированы на запад: - стены желто-зеленого или голубовато-зеленого цвета; пол зеленый или красновато-оранжевый.
В помещениях, где находится компьютер, необходимо обеспечить следующие величины коэффициента отражения: для потолка: 60-70%, для стен: 40-50%, для пола: около 30%. Для других поверхностей и рабочей мебели: 30-40%.
4.1.2 Освещение
Правильно спроектированное и выполненное производственное освещение улучшает условия зрительной работы, снижает утомляемость, способствует повышению производительности труда, благотворно влияет на производственную среду, оказывая положительное психологическое воздействие на работающего, повышает безопасность труда и снижает травматизм.
Недостаточность освещения приводит к напряжению зрения, ослабляет внимание, приводит к наступлению преждевременной утомленности. Чрезмерно яркое освещение вызывает ослепление, раздражение и резь в глазах.
Неправильное направление света на рабочем месте может создавать резкие тени, блики, дезориентировать работающего. Все эти причины могут привести к несчастному случаю или профзаболеваниям, поэтому столь важен правильный расчет освещенности.
Существует три вида освещения - естественное, искусственное и совмещенное (естественное и искусственное вместе).
Естественное освещение - освещение помещений дневным светом, проникающим через световые проемы в наружных ограждающих конструкциях помещений.
Естественное освещение характеризуется тем, что меняется в широких пределах в зависимости от времени дня, времени года, характера области и ряда других факторов.
Искусственное освещение применяется при работе в темное время суток и днем, когда не удается обеспечить нормированные значения коэффициента естественного освещения (пасмурная погода, короткий световой день).
Освещение, при котором недостаточное по нормам естественное освещение дополняется искусственным, называется совмещенным освещением.
Искусственное освещение подразделяется на рабочее, аварийное, эвакуационное, охранное. Рабочее освещение, в свою очередь, может быть общим или комбинированным. Общее - освещение, при котором светильники размещаются в верхней зоне помещения равномерно или применительно к расположению оборудования. Комбинированное - освещение, при котором к общему добавляется местное освещение.
Согласно СНиП II-4-79 в помещений вычислительных центров необходимо применить систему комбинированного освещения.
При выполнении работ категории высокой зрительной точности (наименьший размер объекта различения 0,3…0,5мм) величина коэффициента естественного освещения (КЕО) должна быть не ниже 1,5%, а при зрительной работе средней точности (наименьший размер объекта различения 0,5…1,0 мм) КЕО должен быть не ниже 1,0%. В качестве источников искусственного освещения обычно используются люминесцентные лампы типа ЛБ или ДРЛ, которые попарно объединяются в светильники, которые должны располагаться над рабочими поверхностями равномерно.
Требования к освещенности в помещениях, где установлены компьютеры, следующие: при выполнении зрительных работ высокой точности общая освещенность должна составлять 300лк, а комбинированная - 750лк; аналогичные требования при выполнении работ средней точности - 200 и 300лк соответственно.
Кроме того все поле зрения должно быть освещено достаточно равномерно – это основное гигиеническое требование. Иными словами, степень освещения помещения и яркость экрана компьютера должны быть примерно одинаковыми, т.к. яркий свет в районе периферийного зрения значительно увеличивает напряженность глаз и, как следствие, приводит к их быстрой утомляемости.
4.1.3 Параметры микроклимата
Параметры микроклимата могут меняться в широких пределах, в то время как необходимым условием жизнедеятельности человека является поддержание постоянства температуры тела благодаря терморегуляции, т.е. способности организма регулировать отдачу тепла в окружающую среду. Принцип нормирования микроклимата – создание оптимальных условий для теплообмена тела человека с окружающей средой.
Вычислительная техника является источником существенных тепловыделений, что может привести к повышению температуры и снижению относительной влажности в помещении. В помещениях, где установлены компьютеры, должны соблюдаться определенные параметры микроклимата. В санитарных нормах СН-245-71 установлены величины параметров микроклимата, создающие комфортные условия. Эти нормы устанавливаются в зависимости от времени года, характера трудового процесса и характера производственного помещения (см. табл. 4.1)
Объем помещений, в которых размещены работники вычислительных центров, не должен быть меньше 19,5м3/человека с учетом максимального числа одновременно работающих в смену. Нормы подачи свежего воздуха в помещения, где расположены компьютеры, приведены в табл. 4.2.
Для обеспечения комфортных условий используются как организационные методы (рациональная организация проведения работ в зависимости от времени года и суток, чередование труда и отдыха), так и технические средства (вентиляция, кондиционирование воздуха, отопительная система).
Таблица 4.1- Параметры микроклимата для помещений, где установлены компьютеры
| Период года |
Параметр микроклимата |
Величина |
| Холодный |
Температура воздуха в помещении |
22…24°С |
| Относительная влажность |
40…60% |
|
| Скорость движения воздуха |
до 0,1м/с |
|
| Теплый |
Температура воздуха в помещении |
23…25°С |
| Относительная влажность |
40…60% |
|
| Скорость движения воздуха |
0,1…0,2м/с |
Таблица 4.2 - Нормы подачи свежего воздуха в помещения,где расположены компьютеры
| Характеристика помещения |
Объемный расход подаваемого в помещение свежего воздуха, м3 /на одного человека в час |
| Объем до 20м3 на человека |
Не менее 30 |
| 20…40м3 на человека |
Не менее 20 |
| Более 40м3 на человека |
Естественная вентиляция |
4.1.4 Шум и вибрация
Шум ухудшает условия труда оказывая вредное действие на организм человека. Работающие в условиях длительного шумового воздействия испытывают раздражительность, головные боли, головокружение, снижение памяти, повышенную утомляемость, понижение аппетита, боли в ушах и т. д. Такие нарушения в работе ряда органов и систем организма человека могут вызвать негативные изменения в эмоциональном состоянии человека вплоть до стрессовых. Под воздействием шума снижается концентрация внимания, нарушаются физиологические функции, появляется усталость в связи с повышенными энергетическими затратами и нервно-психическим напряжением, ухудшается речевая коммутация. Все это снижает работоспособность человека и его производительность, качество и безопасность труда. Длительное воздействие интенсивного шума [выше 80 дБ(А)] на слух человека приводит к его частичной или полной потере.
В табл. 4.3 указаны предельные уровни звука в зависимости от категории тяжести и напряженности труда, являющиеся безопасными в отношении сохранения здоровья и работоспособности.
Таблица 4.3 - Предельные уровни звука, дБ, на рабочих местах
| Категория напряженности труда |
Категория тяжести труда |
|||
| Легкая |
Средняя |
Тяжелая |
Очень тяжелая |
|
| I. Мало напряженный |
80 |
80 |
75 |
75 |
| II. Умеренно напряженный |
70 |
70 |
65 |
65 |
| III. Напряженный |
60 |
60 |
- |
- |
| IV. Очень напряженный |
50 |
50 |
- |
- |
Уровень шума на рабочем месте математиков-программистов и операторов видеоматериалов не должен превышать 50дБА, а в залах обработки информации на вычислительных машинах - 65дБА. Для снижения уровня шума стены и потолок помещений, где установлены компьютеры, могут быть облицованы звукопоглощающими материалами. Уровень вибрации в помещениях вычислительных центров может быть снижен путем установки оборудования на специальные виброизоляторы.
4.1.5 Электромагнитное и ионизирующее излучения
Большинство ученых считают, что как кратковременное, так и длительное воздействие всех видов излучения от экрана монитора не опасно для здоровья персонала, обслуживающего компьютеры. Однако исчерпывающих данных относительно опасности воздействия излучения от мониторов на работающих с компьютерами не существует и исследования в этом направлении продолжаются.
Допустимые значения параметров неионизирующих электромагнитных излучений от монитора компьютера представлены в табл. 4.4.
Максимальный уровень рентгеновского излучения на рабочем месте оператора компьютера обычно не превышает 10мкбэр/ч, а интенсивность ультрафиолетового и инфракрасного излучений от экрана монитора лежит в пределах 10-100мВт/м2.
Таблица 4.4 - Допустимые значения параметров неионизирующих
электромагнитных излучений (в соответствии с СанПиН 2.2.2.542-96)
| Наименование параметра |
Допустимые значения |
| Напряженность электрической составляющей электромагнитного поля на расстоянии 50см от поверхности видеомонитора |
10В/м |
| Напряженность магнитной составляющей электромагнитного поля на расстоянии 50см от поверхности видеомонитора |
0,3А/м |
| Напряженность электростатического поля не должна превышать: для взрослых пользователей для детей дошкольных учреждений и учащихся средних специальных и высших учебных заведений |
20кВ/м 15кВ/м |
Для снижения воздействия этих видов излучения рекомендуется применять мониторы с пониженным уровнем излучения (MPR-II, TCO-92, TCO-99), устанавливать защитные экраны, а также соблюдать регламентированные режимы труда и отдыха.
4.2 Эргономические требования к рабочему месту
Проектирование рабочих мест, снабженных видеотерминалами, относится к числу важных проблем эргономического проектирования в области вычислительной техники.
Рабочее место и взаимное расположение всех его элементов должно соответствовать антропометрическим, физическим и психологическим требованиям. Большое значение имеет также характер работы. В частности, при организации рабочего места программиста должны быть соблюдены следующие основные условия: оптимальное размещение оборудования, входящего в состав рабочего места и достаточное рабочее пространство, позволяющее осуществлять все необходимые движения и перемещения.
Эргономическими аспектами проектирования видеотерминальных рабочих мест, в частности, являются: высота рабочей поверхности, размеры пространства для ног, требования к расположению документов на рабочем месте (наличие и размеры подставки для документов, возможность различного размещения документов, расстояние от глаз пользователя до экрана, документа, клавиатуры и т.д.), характеристики рабочего кресла, требования к поверхности рабочего стола, регулируемость элементов рабочего места.
Главными элементами рабочего места программиста являются стол и кресло.
Основным рабочим положением является положение сидя.
Рабочая поза сидя вызывает минимальное утомление программиста.
Рациональная планировка рабочего места предусматривает четкий порядок и постоянство размещения предметов, средств труда и документации. То, что требуется для выполнения работ чаще, расположено в зоне легкой досягаемости рабочего пространства.
Моторное поле - пространство рабочего места, в котором могут осуществляться двигательные действия человека.
Максимальная зона досягаемости рук - это часть моторного поля рабочего места, ограниченного дугами, описываемыми максимально вытянутыми руками при движении их в плечевом суставе.
Оптимальная зона - часть моторного поля рабочего места, ограниченного дугами, описываемыми предплечьями при движении в локтевых суставах с опорой в точке локтя и с относительно неподвижным плечом.
На рис. 4.1 показан пример размещения основных и периферийных составляющих ПК на рабочем столе программиста.
Для комфортной работы стол должен удовлетворять следующим условиям :
- высота стола должна быть выбрана с учетом возможности сидеть свободно, в удобной позе, при необходимости опираясь на подлокотники;
- нижняя часть стола должна быть сконструирована так, чтобы программист мог удобно сидеть, не был вынужден поджимать ноги;
- поверхность стола должна обладать свойствами, исключающими появление бликов в поле зрения программиста;
- конструкция стола должна предусматривать наличие выдвижных ящиков (не менее 3 для хранения документации, листингов, канцелярских принадлежностей);
- высота рабочей поверхности рекомендуется в пределах 680-760мм;
- высота поверхности, на которую устанавливается клавиатура, должна быть около 650мм.
Большое значение придается характеристикам рабочего кресла. Так, рекомендуемая высота сиденья над уровнем пола находится в пределах 420-
550мм. Поверхность сиденья мягкая, передний край закругленный, а угол наклона спинки - регулируемый.
Рисунок 4.1- Размещения основных и периферийных составляющих ПК на рабочем столе программиста
1 – сканер, 2 – монитор, 3 – принтер, 4 – поверхность рабочего стола,
5 – клавиатура, 6 – манипулятор типа «мышь».
Необходимо предусматривать при проектировании возможность различного размещения документов: сбоку от видеотерминала, между монитором и клавиатурой и т.п. Кроме того, в случаях, когда видеотерминал имеет низкое качество изображения, например заметны мелькания, расстояние от глаз до экрана делают больше (около 700мм), чем расстояние от глаза до документа (300-450мм). Вообще при высоком качестве изображения на видеотерминале расстояние от глаз пользователя до экрана, документа и клавиатуры может быть равным.
Положение экрана определяется:
- расстоянием считывания (0,6 - 0,7м);
- углом считывания, направлением взгляда на 20˚ ниже горизонтали к центру экрана, причем экран перпендикулярен этому направлению.
Должна также предусматриваться возможность регулирования экрана:
- по высоте +3 см;
- по наклону от -10˚ до +20˚ относительно вертикали;
- в левом и правом направлениях.
Большое значение также придается правильной рабочей позе пользователя.
При неудобной рабочей позе могут появиться боли в мышцах, суставах и сухожилиях. Требования к рабочей позе пользователя видеотерминала следующие:
- голова не должна быть наклонена более чем на 20˚,
- плечи должны быть расслаблены,
- локти - под углом 80˚-100˚,
- предплечья и кисти рук - в горизонтальном положении.
Причина неправильной позы пользователей обусловлена следующими факторами: нет хорошей подставки для документов, клавиатура находится слишком высоко, а документы - низко, некуда положить руки и кисти, недостаточно пространство для ног.
В целях преодоления указанных недостатков даются общие рекомендации: лучше передвижная клавиатура; должны быть предусмотрены специальные приспособления для регулирования высоты стола, клавиатуры и экрана, а также подставка для рук.
Существенное значение для производительной и качественной работы на компьютере имеют размеры знаков, плотность их размещения, контраст и соотношение яркостей символов и фона экрана. Если расстояние от глаз оператора до экрана дисплея составляет 60-80 см, то высота знака должна быть не менее 3мм, оптимальное соотношение ширины и высоты знака составляет
3:4, а расстояние между знаками – 15-20% их высоты. Соотношение яркости фона экрана и символов - от 1:2 до 1:15.
Во время пользования компьютером медики советуют устанавливать монитор на расстоянии 50-60 см от глаз. Специалисты также считают, что верхняя часть видеодисплея должна быть на уровне глаз или чуть ниже. Когда человек смотрит прямо перед собой, его глаза открываются шире, чем когда он смотрит вниз. За счет этого площадь обзора значительно увеличивается, вызывая обезвоживание глаз. К тому же если экран установлен высоко, а глаза широко открыты, нарушается функция моргания. Это значит, что глаза не закрываются полностью, не омываются слезной жидкостью, не получают достаточного увлажнения, что приводит к их быстрой утомляемости.
Создание благоприятных условий труда и правильное эстетическое оформление рабочих мест на производстве имеет большое значение, как для облегчения труда, так и для повышения его привлекательности, положительно влияющей на производительность труда.
4.3 Режим труда
Как уже было неоднократно отмечено, при работе с персональным компьютером очень важную роль играет соблюдение правильного режима труда и отдыха. В противном случае у персонала отмечаются значительное напряжение зрительного аппарата с появлением жалоб на неудовлетворенность работой, головные боли, раздражительность, нарушение сна, усталость и болезненные ощущения в глазах, в пояснице, в области шеи и руках.
В табл. 4.5 представлены сведения о регламентированных перерывах, которые необходимо делать при работе на компьютере, в зависимости от продолжительности рабочей смены, видов и категорий трудовой деятельности с ВДТ (видеодисплейный терминал) и ПЭВМ (в соответствии с САнНиП 2.2.2 542-96 «Гигиенические требования к видеодисплейным терминалам, персональным электронно-вычислительным машинам и организации работ»).
Таблица 4.5 - Время регламентированных перерывов при работе
на компьютере
| Категория работы с ВДТ или ПЭВМ |
Уровень нагрузки за рабочую смену при видах работы с ВДТ, количество знаков |
Суммарное время регламентированных перерывов, мин |
|
| При 8-часовой смене |
При 12-часовой смене |
||
| Группа А |
до 20000 |
30 |
70 |
| Группа Б |
до 40000 |
50 |
90 |
| Группа В |
до 60000 |
70 |
120 |
Примечание. Время перерывов дано при соблюдении указанных Санитарных правил и норм. При несоответствии фактических условий труда требованиям Санитарных правил и норм время регламентированных перерывов следует увеличить на 30%.
В соответствии со САнНиП 2.2.2 546-96 все виды трудовой деятельности, связанные с использованием компьютера, разделяются на три группы: группа А: работа по считыванию информации с экрана ВДТ или ПЭВМ с предварительным запросом; группа Б: работа по вводу информации; группа В: творческая работа в режиме диалога с ЭВМ.
Эффективность перерывов повышается при сочетании с производственной гимнастикой или организации специального помещения для отдыха персонала с удобной мягкой мебелью, аквариумом, зеленой зоной и т.п.
4.4 Расчет освещенности
Расчет освещенности рабочего места сводится к выбору системы освещения, определению необходимого числа светильников, их типа и размещения. Исходя из этого, рассчитаем параметры искусственного освещения.
Обычно искусственное освещение выполняется посредством электрических источников света двух видов: ламп накаливания и люминесцентных ламп. Будем использовать люминесцентные лампы, которые по сравнению с лампами накаливания имеют ряд существенных преимуществ:
- по спектральному составу света они близки к дневному, естественному свету;
- обладают более высоким КПД (в 1,5-2 раза выше, чем КПД ламп накаливания);
- обладают повышенной светоотдачей (в 3-4 раза выше, чем у ламп накаливания);
- более длительный срок службы.
Расчет освещения производится для комнаты площадью 15м2 , ширина которой - 5м, высота - 3 м. Воспользуемся методом светового потока.
Для определения количества светильников определим световой поток, падающий на поверхность по формуле:
F = E∙S∙Z∙К / n , (4.1)
ГдеF - рассчитываемый световой поток, Лм;
Е - нормированная минимальная освещенность, Лк (определяется по таблице). Работу программиста, в соответствии с этой таблицей, можно отнести к разряду точных работ, следовательно, минимальная освещенность будет Е = 300Лк;
S - площадь освещаемого помещения (в нашем случае S = 15м2);
Z - отношение средней освещенности к минимальной (обычно принимается равным 1,1-1,15 , пусть Z = 1,1);
К - коэффициент запаса, учитывающий уменьшение светового потока лампы в результате загрязнения светильников в процессе эксплуатации (его значение зависит от типа помещения и характера проводимых в нем работ и в нашем случае К = 1,5);
n - коэффициент использования, (выражается отношением светового потока, падающего на расчетную поверхность, к суммарному потоку всех ламп и исчисляется в долях единицы; зависит от характеристик светильника, размеров помещения, окраски стен и потолка, характеризуемых коэффициентами отражения от стен (РС) и потолка (РП)), значение коэффициентов РС и РП были указаны выше: РС=40%, РП=60%. Значение n определим по таблице коэффициентов использования различных светильников.
Для этого вычислим индекс помещения по формуле:
I = A∙B / h (A+B), (4.2)
где h - расчетная высота подвеса, h = 2,92 м;
A - ширина помещения, А = 3 м;
В - длина помещения, В = 5 м.
Подставив значения получим:
I= 0,642.
Зная индекс помещения I, по таблице 7 [23] находим n = 0,22.
Подставим все значения в формулу (4.1) для определения светового потока F, получаем F = 33750 Лм.
Для освещения выбираем люминесцентные лампы типа ЛБ40-1, световой поток которых Fл = 4320 Лк.
Рассчитаем необходимое количество ламп по формуле:
N = F / Fл, (4.3)
где N - определяемое число ламп;
F - световой поток, F = 33750 Лм;
Fл- световой поток лампы, Fл = 4320 Лм.
N = 8 ламп.
При выборе осветительных приборов используем светильники типа ОД. Каждый светильник комплектуется двумя лампами.
Значит требуется для помещения площадью S = 15 м2 четыре светильника типа ОД.
Расчет естественного освещения помещений
Организация правильного освещения рабочих мест, зон обработки и производственных помещений имеет большое санитарно-гигиеническое значение, способствует повышению продуктивности работы, снижения травматизма, улучшения качества продукции. И наоборот, недостаточное освещение усложняет исполнения технологического процесса и может быть причиной несчастного случая и заболевания органов зрения.
Освещение должно удовлетворять такие основные требования:
- быть равномерным и довольно сильным;
- не создавать различных теней на местах работы, контрастов между освещенным рабочем местом и окружающей обстановкой;
- не создавать ненужной яркости и блеска в поле взора работников;
- давать правильное направление светового потока;
Все производственные помещения необходимо иметь светлопрорезы, которые дают достаточное природное освещение. Без природного освещения могут быть конференц-залы заседаний, выставочные залы, раздевалки, санитарно-бытовые помещения, помещения ожидания медицинских учреждений, помещений личной гигиены, коридоры и проходы.
Коэфициент естественного освещения в соответствии с ДНБ В 25.28.2006, для нашого III пояса светового климата составляет 1,5.
Исходя из этого произведем расчет необходимой площади оконных проемов.
Расчет площади окон при боковом освещении определяется, по формуле:
Sо = (Ln*Кз.*N0*Sn*Кзд.)/(100 *T0*r1) (4.4)
где:Ln – нормированное значение КЕО
Кз – коэффициент запаса (равен 1,2)
N0 – световая характеристика окон
Sn – площадь достаточного естественного освещения
Кзд. – коэффициент, учитывающий затенение окон противостоящими зданиями
r1 – коэффициент, учитывающий повышение КЕО при боковом освещении
T0 – общий коэффициент светопропускания, который рассчитывается по формуле:
T0 = T1 * T2 * T3 * T4 * T5, (4.5)
где T1 – коэффициент светопропускания материала;
T2 – коэффициент, учитывающий потери света в переплетах светопроема;
T3 – коэффициент, учитывающий потери света в несущих конструкциях;
T4 – коэффициент, учитывающий потери света в солнцезащитный устройствах;
T5 – коэффициент, учитывающий потери света в защитной сетке, устанавливаемой под фонарями, принимается равным 1;
Теперь следует рассчитать боковое освещение для зоны, примыкающей к наружной стене. По разряду зрительной работы нужно определить значение КЕО. КЕО = 1,5 нормированное значение КЕО с учетом светового климата необходимо вычислить по формуле:
Ln=l*m*c, (4.6)
где l – значение КЕО (l=1.5);
m – коэффициент светового климата (m=1);
c – коэффициент солнечности климата (c=1)
Ln=1,5
Теперь следует определить отношение длины помещения Ln к глубине помещения B:
Ln/B=3/5 =0,6;
Отношение глубины помещения В к высоте от уровня условной рабочей поверхности до верха окна h1 (в данном случае h1=1,8) :
B/h1=5/1,8 = 2,77.
Световая характеристика световых проемов N0=9.
Кзд=1
Значение T0=0,8*0,7*1*1*1=0,56.
Ln для 4 разряда зрительных работ равен 1,5 при мытье окон два раза в год.
Определяем r1, r1=1,5.
Кз.=1,2.
Теперь следует определить значение Sп:
Sп=Ln*В=3*10=30 м2 (4.7)
Кзд.=1.
На данном этапе следует рассчитать необходимую площадь оконных проемов: (Ln* Кз.*N0*Sn*Кзд.) / (100*T0*r1)
Sо = (1,5*1,2*9*30*1)/(100*0,56*1,5)=486/84= 5,78 м2;
Принимаем количество окон 1 штука:
S1=5,78 м2 площадь одного окна
Высота одного окна составляет – 2,5 м, ширина 2,3 м.
4.5. Расчет вентиляции
В зависимости от способа перемещения воздуха вентиляция бывает естественная и принудительная.
Параметры воздуха, поступающего в приемные отверстия и проемы местных отсосов технологических и других устройств, которые расположены в рабочей зоне, следует принимать в соответствии с ГОСТ 12.1.005-76. При размерах помещения 3 на 5 метров и высоте 3 метра, его объем 45 куб.м. Следовательно, вентиляция должна обеспечивать расход воздуха в 90 куб.м/час. В летнее время следует предусмотреть установку кондиционера с целью избежания превышения температуры в помещении для устойчивой работы оборудования. Необходимо уделить должное внимание количеству пыли в воздухе, так как это непосредственно влияет на надежность и ресурс эксплуатации ЭВМ.
Мощность (точнее мощность охлаждения) кондиционера является главной его характеристикой, от неё зависит на какой объем помещения он рассчитан. Для ориентировочных расчетов берется 1 кВт на 10 м2 при высоте потолков 2,8 – 3 м (в соответствии со СНиП 2.04.05-86 "Отопление, вентиляция и кондиционирование").
Для расчета теплопритоков данного помещения использована упрощенная методика:
Q=S·h·q (4.8)
где:Q – Теплопритоки
S – Площадь помещения
h – Высота помещения
q – Коэффициент равный 30-40 вт/м3 (в данном случае 35 вт/м3)
Для помещения 15 м2 и высотой 3 м теплопритоки будут составлять:
Q=15·3·35=1575 вт
Кроме этого следует учитывать тепловыделение от оргтехники и людей, считается (в соответствии со СНиП 2.04.05-86 "Отопление, вентиляция и кондиционирование") что в спокойном состоянии человек выделяет 0,1 кВт тепла, компьютер или копировальный аппарат 0,3 кВт, прибавив эти значения к общим теплопритокам можно получить необходимую мощность охлаждения.
Qдоп=(H·Sопер)+(С·Sкомп)+(P·Sпринт) (4.9)
где:Qдоп – Сумма дополнительных теплопритоков
C – Тепловыделение компьютера
H – Тепловыделение оператора
D – Тепловыделение принтера
Sкомп – Количество рабочих станций
Sпринт – Количество принтеров
Sопер – Количество операторов
Дополнительные теплопритоки помещения составят:
Qдоп1=(0,1·2)+(0,3·2)+(0,3·1)=1,1(кВт)
Итого сумма теплопритоков равна:
Qобщ1=1575+1100=2675 (Вт)
В соответствии с данными расчетами необходимо выбрать целесообразную мощность и количество кондиционеров.
Для помещения, для которого ведется расчет, следует использовать кондиционеры с номинальной мощностью 3,0 кВт.
4.6 Расчет уровня шума
Одним из неблагоприятных факторов производственной среды в ИВЦ является высокий уровень шума, создаваемый печатными устройствами, оборудованием для кондиционирования воздуха, вентиляторами систем охлаждения в самих ЭВМ.
Для решения вопросов о необходимости и целесообразности снижения шума необходимо знать уровни шума на рабочем месте оператора.
Уровень шума, возникающий от нескольких некогерентных источников, работающих одновременно, подсчитывается на основании принципа энергетического суммирования излучений отдельных источников:
∑L = 10·lg (Li∙n), (4.10)
где Li – уровень звукового давления i-го источника шума;
n – количество источников шума.
Полученные результаты расчета сравнивается с допустимым значением уровня шума для данного рабочего места. Если результаты расчета выше допустимого значения уровня шума, то необходимы специальные меры по снижению шума. К ним относятся: облицовка стен и потолка зала звукопоглощающими материалами, снижение шума в источнике, правильная планировка оборудования и рациональная организация рабочего места оператора.
Уровни звукового давления источников шума, действующих на оператора на его рабочем месте представлены в табл. 4.6.
Таблица 4.6 - Уровни звукового давления различных источников
| Источник шума |
Уровень шума, дБ |
| Жесткий диск |
40 |
| Вентилятор |
45 |
| Монитор |
17 |
| Клавиатура |
10 |
| Принтер |
45 |
| Сканер |
42 |
Обычно рабочее место оператора оснащено следующим оборудованием: винчестер в системном блоке, вентилятор(ы) систем охлаждения ПК, монитор, клавиатура, принтер и сканер.
Подставив значения уровня звукового давления для каждого вида оборудования в формулу (4.4) , получим:
∑L=10·lg(104+104,5+101,7+101+104,5+104,2)=49,5 дБ
Полученное значение не превышает допустимый уровень шума для рабочего места оператора, равный 65 дБ (ГОСТ 12.1.003-83). И если учесть, что вряд ли такие периферийные устройства как сканер и принтер будут использоваться одновременно, то эта цифра будет еще ниже. Кроме того при работе принтера непосредственное присутствие оператора необязательно, т.к. принтер снабжен механизмом автоподачи листов.
ВЫВОДЫ
В данном дипломном проекте рассматривался вопрос разработки солнечных часов на микроконтроллере.
Процесс разработки солнечных часов был разбит на ряд этапов:
- изучения теоретических основ процесса разработки устройств на микроконтроллерах;
- разработка структурной схемы устройства;
- выбор наиболее подходящего (по цене и функциям) микроконтроллера;
- разработка функциональной схемы устройства;
- составление алгоритма программы для микроконтроллера;
- составления программы для микроконтроллера, согласно выполняемым функциям;
- подбор и расчет элементной базы разрабатываемого устройства;
- составления принципиальной схемы устройства;
- проведение технико-экономического обоснования объекта разработки;
- расчет вентиляции, естественного и искусственного освещения, уровня шума на рабочем месте программиста.
В технико- экономической части было доказано о нецелесообразности данного проекта. Данное устройство может лишь повторяться радиолюбителями и при создании сувенирных изделий.
В разделе охрана труда были произведены расчеты естественного и искусственного освещения, вентиляции (кондиционирования) и уровня шума на рабочем месте программиста. Сравнив их с нормативными значениями, сделал вывод, что все нормы охраны труда соблюдаются.
Данное устройство может быть рекомендовано лишь в радиолюбительской практике.
ПЕРЕЧЕНЬ ССЫЛОК
1. "Dimmable Fluorescent Ballast" – User Guide, 10/07, Atmel Corporation, http://www.atmel.com/dyn/resources/prod_documents/doc7597.pdf
2. ГОСТ13109-97. Нормы качества электрической энергии в системах электроснабжения общего назначения.
3. G. Howell "Five questions about resistors" // EDN, 9/28/2006, http://www.edn.com/contents/images/6372835.pdf
4. П. Хоровиц, У. Хилл "Искусство схемотехники" – Изд. 6-е, М.: Мир, 2003.
5. "The Do's and Don'ts of Using MOS-Gated Transistors" – Application Note AN-936, International Rectifier, http://www.irf.com/technical-info/appnotes/an-936.pdf
6. "Characterization and Calibration of the ADC on an AVR" – Application Note AVR120, 02/06, Atmel Corporation, http://www.atmel.com/dyn/resources/prod_documents/doc2559.pdf
7."Frequently asked questions about dimmers" // http://www .lutron.com/product_technical/faq.asp
8. Л. Н. Кечиев, Е. Д. Пожидаев "Защита электронных средств от воздействия статического электричества" – М.: ИД "Технологии", 2005.
9. Жидецкий В.Ц., Джигирей В.С., Мельников А.В. Основы охраны труда: Учебник – Львов, Афиша, 2008 – 351с.
10. Денисенко Г.Ф. Охрана труда: Учебн.пособие – М., Высшая школа, 1989 – 319с.
11. Самгин Э.Б. Освещение рабочих мест. – М.: МИРЭА, 1989. – 186с.
12. Справочная книга для проектирования электрического освещения. / Под ред. Г.Б. Кнорринга. – Л.: Энергия, 1976.
13. Борьба с шумом на производстве: Справочник / Е.Я. Юдин, Л.А. Борисов;
Под общ. ред. Е.Я. Юдина – М.: Машиностроение, 1985. – 400с., ил.
14. Зинченко В.П. Основы эргономики. – М.: МГУ, 1979. – 179с.
15.Методичні вказівки до виконання дипломної роботи для учнів спеціальності «Оператор комп’ютерного набору; оператор комп’ютерної верстки»/ Упоряд.: Д.О. Дяченко, К.О. Ізмалкова, О.Г. Меркулова. – Сєверодонецьк: СВПУ, 2007. – 40 с.
16. Заец Н.И. Радиолюбительские конструкции на микроконтроллерах. Книга 1 – М., Солон-ПРЕСС, 2001- 368с.
17. Заец Н.И. Радиолюбительские конструкции на микроконтроллерах. Книга 2 – М., Солон-ПРЕСС, 2003- 296 с.
18. Заец Н.И. , Сергеев В.С.Радиолюбительские конструкции на микроконтроллерах. Книга 4 – М., Солон-ПРЕСС, 2009 - 412с.
19. Белов А.В. Микроконтролеры Atmel в радиолюбительской практике – СПб: Наука и Техника, 2007 -352с.
20. Кравченко А.В. 10 практических устройств на микроконтроллерах. Книга 1 – М., Изд. Дом «Додэка-ХХ» , МК-ПРЕСС, 2008 – 224с.
ПРИЛОЖЕНИЕ А
Листинг программы для солнечных часов
/*
Alessandro Lambardi 14/02/2009
Released under Creative Commons 3.0 license: Attribution, Share-alike, non commercial.
*/
#define F_CPU2457600UL// crystal frequency
#include <stdlib.h>
#include <avr/interrupt.h>
#include <avr/io.h>
#include <avr/pgmspace.h>
#include <inttypes.h>
#define JUMP_00 // PORTA, jumper, display ceconds
#define JUMP_11 // PORTA, jumper, set minutes
#define JUMP_22 // PORTA, jumper, set hours
#define JUMP_33 // PORTA, short for continuos LASER
#define SERVO5// PORTA, output to servo
#define LASER6// PORTA, output to LASER
#define PWM_TOPF_CPU/60// TOP count for timer 0 (goes into OCR0A)
//#define SERVO_MAXPWM_TOP*2.35/(1000/60)// max rotation is at 2.35ms pulse
//#define SERVO_MINPWM_TOP*0.70/(1000/60)// min rotation is at 0.70ms pulse
#define SERVO_MAXPWM_TOP*1.65/(1000/60)// max rotation is at 2.35ms pulse
#define SERVO_MINPWM_TOP*0.75/(1000/60)// min rotation is at 0.70ms pulse
// Variables that are set inside interrupt routines and watched outside must be volatile
volatile uint8_thour, min, sec, sxtyth;// hold the time
volatile uint16_tservo_pos;// servo position (0 to PWM_TOP) ref to 00:00
volatile uint16_tservo_max, servo_min;// max/min value to servo for max/min position
volatile uint8_tjumpers;
// Interrupt service routines
ISR(TIM1_OVF_vect) {// do time
sxtyth++;
if(sxtyth < 6) {// blink LASER for 2/10 of a sec
PORTA |= _BV(LASER);
}
else{
if((PINA & _BV(JUMP_3)) != 0) {// if JUMP_3 not shorted turn LASER off
PORTA &= ~_BV(LASER);
}
}
if(sxtyth > 59){
sxtyth = 0;
sec++;
if(sec > 59){
sec = 0;
min++;
if(min > 59){
min = 0;
hour++;
if(hour > 12){
hour = 1;
}
}
}
}
// set time :
// set minutes
if(((PINA & _BV(JUMP_1)) == 0) & ((sxtyth == 0) | (sxtyth == 30))){
min++;
if(min > 59) {
min = 0;
}
sec = 0;
}
// set hours
if(((PINA & _BV(JUMP_2)) == 0) & ((sxtyth == 0) | (sxtyth == 30))){
hour++;
if(hour > 12) {
hour = 1;
}
min = 0;
sec = 0;
}
if((PINA & _BV(JUMP_0)) == 0){// evaluate servo position and display time
servo_pos = servo_min + sec*((servo_max-servo_min)/59);// display seconds
} else {
servo_pos = servo_min + ((hour-1)*60+min)*((servo_max-servo_min)/(11*60+59));
}
OCR1B = servo_min+servo_max-servo_pos;// clockwise
//OCR1B = servo_pos;// counter clockwise
}
int main(void) {
// enable pull-ups on pushbuttons
PORTA = _BV(JUMP_0) | _BV(JUMP_1) | _BV(JUMP_2) | _BV(JUMP_3);
// Port directions
DDRA = _BV(SERVO) | _BV(LASER);// set outputs
// Timer 1 (servo PWM): fast PWM mode 15, prescaler = 1, output on OC1B
TCCR1A = _BV(WGM11) | _BV(WGM10) | _BV(COM1B1);
TCCR1B = _BV(WGM13) | _BV(WGM12) | _BV(CS10);
OCR1A = PWM_TOP;// PWM freq = 60Hz
OCR1B = (SERVO_MAX + SERVO_MIN)/2;// initial position is halfway between MAX & MIN
TIMSK1 = _BV(TOIE1);// enable timer overflow (for real time clock)
// Set variables default
hour = 1;
min = 0;
sec=0;
sxtyth=0;
servo_min=SERVO_MIN;
servo_max=SERVO_MAX;
sei();// enable interrupts
for(;;) {
}
}
ПРИЛОЖЕНИЕ Б
Готовый hex-файл для загрузки в микроконтроллер
:1000000010C028C027C026C025C024C023C022C0DD
:1000100022C020C01FC01EC01DC01CC01BC01AC0F3
:1000200019C011241FBECFEDCDBF10E0A0E6B0E097
:10003000E2EFF2E002C005900D92A036B107D9F7C9
:1000400010E0A0E6B0E001C01D92AB36B107E1F7C9
:1000500000D14DC1D5CF1F920F920FB60F92112430
:100060000F931F932F933F934F935F936F937F93C0
:100070008F939F93AF93BF93EF93FF93809167000C
:100080008F5F8093670080916700863010F4DE9A5E
:1000900002C0CB99DE98809167008C3320F11092DA
:1000A0006700809169008F5F80936900809169008B
:1000B0008C33C8F010926900809168008F5F809344
:1000C0006800809168008C3370F010926800809115
:1000D00066008F5F80936600809166008D3018F017
:1000E00081E08093660099B380916700309167004A
:1000F00020E0882309F421E080E03E3109F481E02A
:10010000282B30E0892F90E09695879580959095E3
:1001100082239323892B69F0809168008F5F8093FD
:100120006800809168008C3310F010926800109283
:10013000690099B3809167003091670020E08823BF
:1001400009F421E080E03E3109F481E0282B30E021
:10015000892F90E0969587959695879580959095AF
:1001600082239323892B81F0809166008F5F809397
:100170006600809166008D3018F081E08093660003
:100180001092680010926900C89917C0E09164004D
:10019000F091650040916900809162009091630048
:1001A0002091640030916500821B930B6BE370E03B
:1001B0008AD0CB01642F70E020C0E0916400F09100
:1001C00065008091660020916800009162001091A6
:1001D0006300A0916400B091650030E02C53304082
:1001E00090E06CE370E05DD0280F391FC8018A1BD6
:1001F0009B0B6FEC72E067D0C90153D0E80FF91F79
:10020000F0936100E093600080916400909165003C
:100210002091620030916300409160005091610034
:10022000280F391F241B350B39BD28BDFF91EF91D5
:10023000BF91AF919F918F917F916F915F914F91FE
:100240003F912F911F910F910F900FBE0F901F9014
:1002500018958FE08BBB80E68ABB83E28FBD89E176
:100260008EBD80E090EA9BBD8ABD80E09CE099BD98
:1002700088BD81E08CB9809366001092680010926E
:1002800069001092670080E897E090936500809382
:10029000640080E890E1909363008093620078941A
:1002A000FFCF5527002480FF02C0060E571F660FA0
:1002B000771F6115710521F096958795009799F73D
:1002C000952F802D0895AA1BBB1B51E107C0AA1FC3
:1002D000BB1FA617B70710F0A61BB70B881F991FE7
:1002E0005A95A9F780959095BC01CD010895F89491
:0202F000FFCF3E
:00000001FF
ПРИЛОЖЕНИЕ Д
Схема электрическая принципиальная солнечных часов
ПРИЛОЖЕНИЕ Ж
КАЛЬКУЛЯЦИЯ КОМПЛЕКТУЮЩИХ СОЛНЕЧНЫХ ЧАСОВ
