| Скачать .zip |
Реферат: Проектирование усилителя электрических сигналов
МО УКРАИНЫСевастопольский государственный
технический университет
ПОЯСНИТЕЛЬНАЯ ЗАПИСКА К
К У Р С О В О МУ П Р О Е К ТУ
“Проектирование усилителя электрических сигналов
первичных измерительных преобразователей
систем автоматического управления.”
Допущено к защите Выполнил:
ст. гр. А-32д
Оценка Проверил:
доцент
Севастополь 1999 год
Содержание :
1 . Техническое задание ______________________________3
2 . Введение _________________________________________5
3 . Постановка задачи________________________________6
4 . Выбор элементной базы____________________________7
5 . Расчет оконечного каскада ________________________8
6 . Расчет предоконечного каскада _____________________13
7. Расчет входного каскада ____________________________19
8. Расчет межкаскадных связей _______________________21
9. Расчет надежности _______________________________22
10. Заключение _______________________________________23
11. Литература ______________________________________24
12. Приложение1______________________________________25
13. Приложение2______________________________________26
14. Приложение3______________________________________27
15. Приложение4______________________________________28
ВВЕДЕНИЕ
Усилители звуковой частоты предназначены для усиления непрерывных периодических сигналов, частотный спектр которых лежит в пределах от десятков герц до десятков килогерц. Современные УНЧ выполняются преимущественно на биполярных и полевых транзисторах в дискретном или интегральном исполнении. Назначение УНЧ в конечном итоге состоит в получении на заданном сопротивлении оконечного нагрузочного устройства требуемой мощности усиливаемого сигнала.
В качестве источника входного сигнала УНЧ могут использоваться такие устройства как микрофон, звукосниматель, фотоэлемент, термопара, детектор и т.д. Типы нагрузок также весьма разнообразны. Ими могут быть громкоговоритель, измерительный прибор, записывающая головка магнитофона, последующий усилитель, осциллограф, реле и т.д. Большинство из перечисленных выше источников входного сигнала развивают очень низкое напряжение. Подавать его непосредственно на каскад усиления мощности не имеет смысла, так как при таком слабом управляющем напряжении невозможно получить сколько-нибудь значительное изменения выходного тока, а следовательно, и выходной мощности. Поэтому в состав структурной схемы усилителя, кроме выходного каскада, отдающего требуемую мощность полезного сигнала в нагрузку, как правило, входят предварительные каскады усиления. Основными техническими полазателями УНЧ являются: коэффициенты усиления (по напряжению, току и мощности), входное и выходное сопротивления, выходная мощность, коэффициент полезного действия, номинальное входное напряжение (чувствительность), диапазон усиливаемых частот, динамический диапазон амплитуд и уровень собственных помех, а также показатели, характеризующие нелинейные, частотные и фазовые искажения усиливаемого сигнала.
ПОСТАНОВКА ЗАДАЧИ
Расчет любого сложного электронного устройства (ЭУ) сводится к последовательному расчету функциональных элементов. Расчет ЭУ, состоящего из ряда последовательно соединенных функциональных элементов, начинают со стороны его выхода, с конца. Выходной функциональный элемент - единственный в ЭУ, для расчета которого в техническом задании сформулированы достаточные требования. Расчет ЭУ часто имеет итерационный характер. После выполнения ряда расчетных операций возникает необходимость повторить предыдущие операции для улучшения структуры или режимов всего ЭУ или его функциональных частей. Например, расчет может показать необходимость введения дополнительных обратных связей, что, собственно, потребует повторения некоторой части расчетов.
Детальному расчету функциональных элементов должны предшествовать ориентировочный расчет значений выходных параметров тех функциональных элементов, которые определяют значение выходных параметров всего ЭУ. Это позволяет достаточно быстро оценить практическую возможность их реализации. Например, перед тем как рассчитывать каскады многокаскадного усилителя, необходимо распределить между ними все виды искажений, определить их коэффициенты усиления и полосы пропускания. Если полученное значения представляются достижимыми, то можно переходить к расчету функциональных элементов.
При проектировании ЭУ наиболее часто выполняют:
а) ориентировочный расчет выходных параметров функциональных элементов, производимых при выборе их принципиальных схем;
б) расчеты, на основе которых выбирают типы активных электрорадиоэлементов;
в) расчеты рабочих режимов активных ЭРЭ, включая расчет температурной нестабильности;
г) расчет значений параметров R,C,L пассивных ЭРЭ, обеспечивающих выбранные режимы активных ЭРЭ, а также расчет протекающих через пассивные ЭРЭ токов, падающих на них напряжений и рассеиваемых ими мощностей;
д) определение номинальных значений параметров пассивных ЭРЭ и выбор их типов;
е) расчет выходных параметров ЭУ с целью проверки их соответствия требованиям технического задания. Задача анализа наиболее ответственная, его результаты должны быть достаточно точными. Поскольку аналитические методы не обеспечивают требуемой точности, анализ электронных схем чаще производится или на физической модели, или на ЭВМ.
ВЫБОР ЭЛЕМЕНТНОЙ БАЗЫ
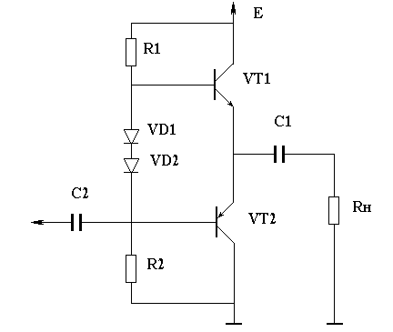
Предположительно усилитель низких частот будет реализован на трёхкаскадной структуре. Оконечный каскад я предварительно я планирую реализовать на паре комплиментарных транзисторов со схожими характеристиками и близкими по значению параметрами.
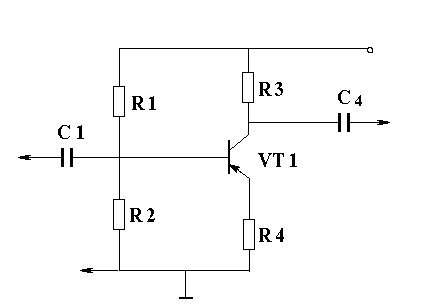
Предоконечный каскад, является связующим между оконечным и входным, так как может быть, что входное сопротивление оконечного каскада будет очень мало. Предоконечный каскад будет реализован на базе какого-нибудь транзистора. Входной каскад будет основываться на ИМС, которая будет выбрана в ходе расчётов.
Между полученными каскадами я размещу разделительные конденсаторы, чтобы предотвратить попадание постоянных составляющих из одного каскада в другой.
1. РАСЧЁТ ОКОНЕЧНОГО КАСКАДА

1.1.Выбор транзисторов, по допустимой мощности рассеяния на коллекторе, и максимальной амплитуде коллекторного тока:
Pmax(0.250.3)Pвых Рmax(0.2750.33) (Вт)

По этим параметрам выбираем транзисторы для оконечного каскада:
КТ814А и КТ815А ниже приведены их параметры:
Ikmax = 1.5 (A) Uкэmax = 25 (B)
Pkmax = 1 (Bт) h21 = 40 70
1.2.Выбор источника питания:
Е 2(Uнач + U mн) = 9 (B) Еп і 2(0,5 + 3,92)=8,84 (В)
Еп і 8,84 (В) следовательно выбираем питание Еп=9 (В)
1.3.Графоаналитический метод:
Uкэ= Еп/2=9/2=4,5 (B) Iк=Еп/2Rн=9/(2*7)=0,64 (A)
В системе координат выходной характеристики строим треугольник мощности: прямая Uнач. отсекает область существенной нелинейности токов базы, от Uнач. откладываем величину Uкэ, затем соединяем точки Iк и Uкэ. Далее строим Рк доп- нагрузочная кривая, которая в данных расчётах не должна заходить в область треугольника мощности, но максимально приближаться к нему. Из этого следует, что транзисторы работают без радиаторов.

РИС.1Семейство выходных характеристик транзистора КТ814(815)А

РИС.2 Входная характеристика транзистора КТ814(815)А
1.4. Определяем рабочую область по входной характеристике.
Iбmin=0,25 (mA) Uэб0=0,7 9 (B)
Iбmax= 15 (mA) Uэбmax=0,87 (B)
Imб= 14,75 (mA) Umб=0,17 (B)
1.5.Определяем глубину ООС:
F=1+g21*Rн ,где g21 усреднённая крутизна характеристики транзистора.
![]()
F=1+3,29 *7=24,03
1.6. Рассчитаем делитель напряжения для выходного каскада:
![]()
Iдел=(35)Iб0; Iдел=(0,751,25) (mA)
Следовательно выбираем ток делителя равный Iдел=0,75 (mA)
согласно ряда Е24
Iдиода= Iдел+Iб0; Iдиода=0,75+0,25=1 (mA)
При этих токах падение напряжения на диодах должно составлять: 2 Uэб0=1.4 [B]
Включение двух диодов КД-514А последовательно, обеспечат требуемое падение напряжения.

РИС.3 Вольтамперная характеристика диода КД-514А.
1.7.Расчёт входного сопротивления с учётом ООС:
![]()
; где
; ![]()
![]()
![]()
1.8.Расчитаем амплитудные значения на входе:
;
;
![]()
![]()
1.9.Построим сквозную характеристику:
Выбираем Rг=150 (Om)
| Iб, (mA) | Iк, (mA) | Uэб, (B) | Iб* Rг (B) | Eб= Iб * Rг + Uэб, (B) |
| 0.25 | 20 | 0.7 | 0,0375 | 0,737 |
| 1 | 65 | 0,77 | 0,15 | 0,92 |
| 2 | 130 | 0,8 | 0,3 | 1,1 |
| 5 | 305 | 0,83 | 0,75 | 1,58 |
| 7 | 380 | 0,85 | 1,05 | 1,9 |
| 10 | 480 | 0,86 | 1,5 | 2,36 |
| 15 | 560 | 0,87 | 2,25 | 3,12 |
По сквозной характеристики определяем:
I1=560 (mA)
I2=360 (mA)
Отсюда следует:
![]()
Задаём коэффициент асимметрии плеч который равен Х=0.5, тогда коэффициент нелинейных искажений по второй гармонике:
![]()

РИС.3 Сквозная характеристика.
С учётом ООС:
![]()
![]()
Коэффициент передачи для предоконечного каскада:
![]()
2. РАСЧЁТ ПРЕДОКОНЕЧНОГО КАСКАДА

2.1 Определяем сопротивление резистора Rк.
R3= Rк (0.2 0.3) Rвых = 0.25*24662 (Ом),где Rвых = Rвх.ок.
2.2 Определяем сопротивление резистора Rэ.
Rэ =R4= 0.5*Rк= 0.5 * 62= 33 (Ом)
![]()
2.3 Определяем статический и динамический токи
![]()
![]()
На основании этих данных выбираем транзистор КТ610А.
Uэкmax=20 (В) Iкmax=300 (mA)
На семействе выходных характеристик строим статическую нагрузочную прямую.

РИС.4 Семейство выходных характеристик КТ610А
Положению рабочей точки будет соответствовать точка пересечения прямой
Uэк=Uэк0+Umвх=4,37(В)
и статической нагрузочной прямой. Этому требованию соответствует точка А с координатами:
Uэк=4,37(В) Ik=47,5 (мА) Iб=0.5 (мА).
Строим динамическую нагрузочную прямую с координатами
Ik=109 (мА) и Uэк= Uэк0+ 2Um вх=8,24 (В)
Статическая и динамическая нагрузочные прямые пересеклись в точке А, полученное значение Iб=0.5 (мА) позволяет найти точку А на входной характеристике.

РИС.5 Входная характеристика транзистора КТ610А
2.4 . Для нахождения Rвх, проведем касательную к точке покоя А и найдем Rвх.пр
как соотношение:
![]()
MK=0,055 (B); KА=0,5 (мA);
= 110 (Ом)
2.5 Рассчитаем коэффициент передачи ООС:
![]()
2.6 Рассчитаем глубину ООС:
![]()
где коэффициент усиления каскада по напряжению на средних частотах определяется по формуле:
![]()
![]()
Определяем по выходной характеристике:
Iк=63-26=37 (mA) Iб=0,5 (mА)
![]()
Следовательно:
А=1+0,22*55=13
2.7 Находим входное сопротивление предоконечного каскада с учётом ООС:
![]()
2.8 Находим амплитуду тока и напряжения на входе предоконечного
каскада:
![]()
![]()
![]()
2.9 Определим элементы делителя напряжения в цепи базы:
Находим напряжение, подводимое к делителям R1 и R2.:
Uд = Eп=9 (B)
Выбираем ток делителя из условия:
Iдел=(25)Iбр ; Iдел=3,5 *0,5=1,75 (mA) Iбр=0.5(mA)
Падение напряжения на резисторе R4 :
; Uбр=0,75 (В)
![]()
![]()
;
;
2.10 Расчитаем искажения в предоканечном каскаде, для построим
сквозную характеристику:
Eб = Uэб + IбRг= Uэб + 0.5IбRвх.оос= Uэб + 710Iб
Rг=710 (Ом)
| Iб, (mA) | Ik, (mA) | Uэб, (B) | IбRг, (B) | Eб, (B) |
| 0.05 | 5 | 0.678 | 0.035 | 0.713 |
| 0.12 | 19 | 0.69 | 0.0851 | 0.775 |
| 0.25 | 27.5 | 0.715 | 0.178 | 0.893 |
| 0.38 | 37.5 | 0.732 | 0.27 | 1.002 |
| 0.5 | 47.5 | 0.75 | 0.355 | 1.105 |
| 0.62 | 55 | 0.762 | 0.44 | 1.202 |
| 0.75 | 65 | 0.772 | 0.533 | 1.305 |
| 0.87 | 72.5 | 0.78 | 0.618 | 1.398 |
| 1 | 82.5 | 0.787 | 0.710 | 1.497 |

РИС.6 Сквозная характеристика.
По сквозной характеристике определяем:
а=35
b=42.5
c=35

Определим коэффициент нелинейных искажений с учетом ООС:
![]()
Находим общий коэффициент нелинейных искажений для оконечного и предоконечного каскадов:
![]()
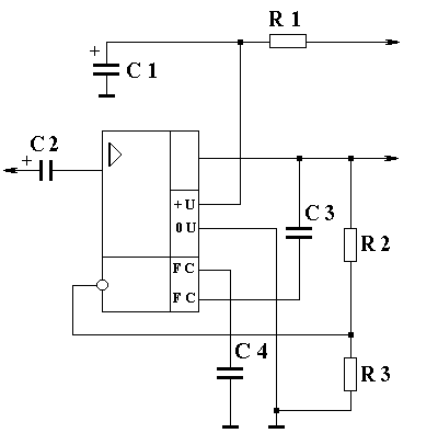
3. РАСЧЁТ ВХОДНОГО КАСКАДА

3.1Для реализации УНЧ выбираем микросхему КР538УН3 – одноканальный
сверхмалошумящий усилитель низкой частоты. Её параметры:
Uпит - 57.5(В)
Um.вых.max. - 0.5 (B)
Um.вх.max - 0.2 (B)
Iн (не болеее) - 2 (mA)
Iпотр.(не более) - 5 (mA)
Rвх.0 - 250 (кОм)
Rвых.0 - 1 (кОм)
K0 - 50000
3.2. На входе предоконечного каскада напряжение 0,9 (B). Напряжение источ
ника E=7*10-3 (B), значит коэффициент усиления каскада должен составить:
![]()
![]()
![]()
![]()
![]()
Подставляя R3 типовое для включения ИМС R3=30 (Оm) получаем:
3.3. Входное сопротивление с учетом ООC:
![]()
(мОm)
Выходное сопротивление с учетом ООС:
(Оm)
3.4. Падение напряжения на R1 принимаем равным UR1=6 [B].Ток потребления
микросхемы Iпот=5 [mA], тогда:
(Оm)
(mкФ)
Конденсатор С2 на входе 10 (mкФ) из типовой схемы включения ИМС. Конденсатор С3=0.15 (нФ) для коррекции микросхемы (ограничение диапазона рабочих частот).Конденсатор С4=50 (мкФ) емкость фильтра.
4. РАСЧЕТ МЕЖКАСКАДНЫХ СВЯЗЕЙ
Основные линейные искажения в схеме приходятся на разделительные конденсаторы:
С4 - между входным и предоконечным каскадом.
С
- между предоконечным и оконечным каскадом.
С
- между оконечным каскадом и нагрузкой.
Считаем, что заданный коэффициент ослабления разделен поровну между тремя
каскадами:
;
Тогда коэффициент линейных искажений:
![]()
Емкость рассчитывается по формуле:
(mкФ);
(mкФ)
(mкФ)
(mкФ)
Конденсаторы выбираем из ряда компонентов Е - 24.




Sн=20lgMн
Sн4=20lg1.107=0.882 (дБ)
Sн5=20lg1.12=0.984 (дБ)
Sн6=20lg1.12=0.984 (дБ)
Общий Sн=2.85 (дБ) < 3 (дБ), значит общее ослабление на граничных частотах удовлетворяет требованию ТЗ.
5. РАСЧЕТ НАДЕЖНОСТИ
Вероятность безотказной работы:
![]()
tср - среднее время безотказной работы.
S - интенсивность отказов.
Если изделие содержит n-типов элементов, последний из которых содержит Ni равнонадежных элементов с надежностью i, то
i* Ni .
| N,n/n | Тип | i*10-6 | N кол-во | i* Ni |
| 1. 2. 3. 4. 5. 6. 7. 8. | диоды - кремниевые конденсаторы - керамические - электролитические панели (на одно гнездо) резисторы - металопленочные соединения - паянные транзисторы - кремниевые микросхемы плата | 0.2 0.1 0.035 0.0244 0.04 0.004 0.5 0.02 0.1 | 2 1 6 4 9 48 2 1 1 | 0.4 0.1 0.175 0.0976 0.36 0.192 1 0.02 0.1 |
6. ЗАКЛЮЧЕНИЕ.
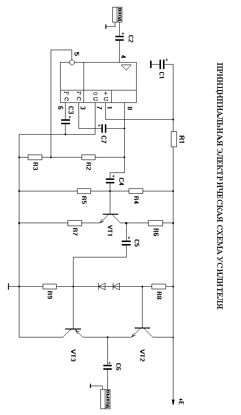
Настоящая курсовая работа представляет собой полный расчет усилителя сигналов первичных измерительных преобразователей систем автоматического регулирования.
В ходе работе выполнен полный электрический расчет усилителя, произведена оценка надежности, разработан конструктивный чертеж устройства.
В схеме оконечного каскада для задания рабочего напряжения используются делитель напряжения, диод в прямом включении, комплиментарные транзисторы, что дает возможность осуществить работу схемы от одного источника. Чтобы обеспечить работу каскадов усиления мощности используют предварительные каскады усиления мощности. В этих каскадах учитывали влияние входного сопротивления последующего каскада. Для уменьшения нелинейных искажений ввели отрицательную обратную связь.
Для облегчения расчета и проектирования в качестве входного
каскада использована микросхема.
Спроектированный усилитель полностью удовлетворяет требованию технического задания и конструктивно может быть выполнен на печатной плате.
ЛИТЕРАТУРА
1. Гершунский Б.С.
“Справочник по расчету электронных схем”- Киев : Вища школа 1983 г.
2. Лавриненко В.Ю.
“Справочник по полупроводниковым приборам”- М : “Техника” 1994 г.
3. Линецкий А.И.
“Конспект лекций по курсу: «Электроника и микросхемотехника»”.
4. Новаченко В.М.
“Микросхемы для бытовой радиоаппаратуры”- М. : КубК-а 1996 г.

Севастопольский Государственный Технический Университет _
(наименование высшего учебного заведения)
Кафедра___Автоматика Вычислительная Техника______________________________________________
Дисциплина___Электроника и микросхематехника________________________________ ____________
Специальность__Компьютеризированные системы управления и автоматики ____________
Курс__3 ____Группа __А-32д_______Семестр____пятый_________________________________________
ЗАДАНИЕ
на курсовой проект (работу) студента
_ Козлов Денис Александрович _
(фамилия, имя, отчество)
Тема проекта (работы)_Проектирование усилителя электрических сигналов первичных__ измерительных преобразователей (датчиков) систем автоматического управления_____
______________________________________________________________________________________________________________________________________________________________________________________________________________________________
Срок сдачи студентом законченного проекта (работы)_____10.11.1999г________________________________
Исходные данные к проекту (работе) 1) Источник сигнала Е(7 10-3(В)) Rвых (9 кОм)) 2) Нагрузка__ Рвых.1(Вт)) Rн (7(Ом)) 3) Частотный диапазон fгр верх (8(кГц)) fгр ниж (60(Гц)) 4)Ослабление на граничных частотах Sн (-3(дб)) Sв (-2(дб)) 5) Нелинейные искажения 5 % Условия эксплуатации t (от –40 до +40)____________________________________________________________ ____________________________________________________________________________________________________________________________________________________
Содержание расчётно-пояснительной записки(перечень подлежащих, разрабатываемых вопросов)__
1. Постановка задачи ; 2. Выбор элементной базы ; 3. Расчёт ; 4 Вывод ; 5 Перечень используемой__ литературы ; 6 Приложение (чертежи)_____________________________________________________ ______________________________________________________________________________________________________________________________________________________________________________________________________________________________
Перечень графического материала (с точным указанием обязательных чертежей)_________________
1. Принципиальная электрическая схема устройства 2. Печатная плата 3.Кострукция___________ ______________________________________________________________________________________________________________________________________________________________________________________________________________________________
Дата выдачи задания_02.09.1999г_____________________________________________________________________________