| Скачать .docx |
Реферат: АТС EWSD в качестве коммутационного узла сотовой связи
Содержание.
Введение.
Глава 1. АТС EWSD. Общие сведения об АТС EWSD.
2. Состав оборудования и структурная схема АТС EWSD.
2.1. Состав оборудования.
2.2. Назначение и структура линейного блока.
2.3.Назначение и структура группового линейного блока.
3. Программные управляющие устройства.
4. Программное обеспечение.
5. Типовой процесс установления соединения.
Глава 2. Сотовые сети.
1.Общая информация.
2.Принцип работы.
3.Стандарт GSM-900.
Глава 3. Работа коммутационного узла.
1.«Хэндовер».
2.Оборудование коммутатора.
3.Взаимодействие базовой станции и коммутационного узла.
Заключение.
Список использованных источников.
Приложения.
Введение.
В этой курсовой работе я собираюсь проанализировать АТС EWSD и технологию мобильной связи, что бы выяснить возможномть использования этой станции в качестве коммутационного узла сотовой сети связи.
Начиная с середины 70-х гг. в ряде стран активно начала проводиться работа по созданию полностью электронных систем коммутации. Это стало возможным благодаря успехам, достигнутым в области микроэлектроники и электросвязи. Одной из первых цифровых систем коммутации явилась система EWSD, разработанная на фирме Сименс и впервые введенная в эксплуатацию в 1981г. Благодаря своей высокой надежности, экономичности и многообразию функций, предоставляемых абонентам, система получила широкое распространение во многих странах мира. По своей емкости, характеристикам, объему предлагаемых услуг и сети система EWSD является универсальной, ее можно применять в качестве сельских телефонных станций малой емкости, городских станций большой емкости, транзитных узлов, междугородных и международных станций, коммутационного центра для подвижных объектов радиотелефонной сети.
Система EWSD непрерывно совершенствовалась, она была преобразована в коммутационную систему, обеспечивающую услуги цифровых сетей интегрального обслуживания (ЦСИО), позволяющих одновременно осуществлять коммутацию и передачу телефонных вызовов, данных, текстов и изображений.
В настоящее время проводится модернизация системы с целью обеспечения сообщений с высокой скоростью ( до 600 Мбит/с), что позволит осуществлять передачу сигналов кабельного телевидения.
Глава 1. АТС EWSD.
• Общие сведения об АТС EWSD .
Работы по созданию системы EWSD начались на фирме Сименс в 1977г. Первая АТС системы EWSD была установлена и введена в эксплуатацию на сети Южной Африки в 1981г. Массовое внедрение АТС системы EWSD началось с 1982г. и продолжается, хотя и в модифицированных вариантах, до настоящего времени. Если в 1982г. число абоненстких линий (АЛ), обслуживаемых АТС типа EWSD, составляло 148500, то к 1987г. было введено АТС системы EWSD в 30 странах с общим числом АЛ в 4,5 млн. При этом, если в 1987г. АТС системы EWSD обслуживали 2,1 млн. АЛ, то в течение 1988г. уже 3 млн. АЛ и на конец 1988г. общее число АЛ, подключенных к АТС системы EWSD, составило уже 7,3 млн., а число стран, в которых были установлены АТС данного типа, увеличилось еще на две, в том числе и Россия (г. Астрахань).
Система EWSD представляет собой единый ряд совмещенных между собой цифровых АТС, предназначенных как для сетей общего пользования, так и для специальных сетей.
Для сетей общего пользования выпускаются:
а) оконечно-транзитные и оконечные станции для городских телефонных сетей емкостью до 250000 АЛ и 60000 соединительных линий (СЛ);
б) сельские телефонные станции емкостью до 7500 АЛ;
в) междугородные телефонные станции, которые могут использоваться в качестве международных, а также узлов автоматической коммутации (УАК), при этом в состав междугородных станций предусматривается включение цифровых коммутаторов оператора (общим числом до 300) для предоставления абонентам специальных услуг.
Среди станций системы EWSD специального назначения выпускаются станции в контейнерном исполнении и станции для подвижных объектов с использованием радиоканалов.
Станции системы EWSD большой емкости обеспечивают коммутацию при нагрузке до 25200 Эрл. Число одновременно обслуживамых вызовов составляет около 1000, а объем общей памяти 64 Мбайта.
Станции системы EWSD могут быть оборудованы системой бесплатного междугороднего сервиса, который может быть представлен для 20000 абонентов.
В системе EWSD передача сигналов взаимодействия осуществляется по общему каналу сигнализации (ОКС) системы сигнализации №7.
Для малонаселенных сельских районов разработаны телефонные станции EWSD, укомплектованные кроссом и блоками питания, которые могут быть смонтированы в специальных контейнерах.
Емкость сельских АТС системы EWSD может быть от 50 до 7500 АЛ. Ниже приведены максимальные значения их технических характеристик:
• пропускная способность–1500 Эрл;
• число СЛ-1900 Эрл;
• число обслуженных вызовов в ЧНН–60000 Эрл;
• число АЛ-7500 Эрл.
Фирма Сименс выпускает следующие три типа мобильбных контейнерных АТС системы EWSD:
1) наименьший контейнер имеет длину 3029 мм (10 футов). Обычно используется для организации выносного линейного блока, в который включены АЛ для удаленных абонентов, число которых не может превышать 1900;
2) контейнер размером 6056 мм (20 футов) также может использоваться для удаленного линейного блока, но емкостью до 3800 АЛ, а также в качестве оконечных АТС емкостью до 2600 АЛ;
3) наибольший контейнер имеет длину 12192 мм (40 футов) и предназначается для АТС емкостью до 6000 АЛ.
Контейнеры могут совмещаться.
На АТС системы EWSD, предназначенную для подвижных объектов, могут опираться до 80000 абонентов.
Оконечные или транзитные станции системы EWSD подразделяются на три типа:
• ДЕ-3 емкостью 3000 АЛ или 1900 СЛ;
• ДЕ-4 емкостью 12000 АЛ или 8000 СЛ;
• ДЕ-5 емкостью 100000 АЛ или 64000 СЛ.
Обозначение для контейнерной станции ДЕ-С не обязательно.
Могут быть организованы смешанные оконечно-транзитные станции. Транзитные станции могут быть использованы в качестве как национальных УАК, так и меджународных центров коммутации.
Все оборудование станций системы EWSD размещается в шкафах двух видов, различающихся высотой (2450 и 2000 мм), с шириной 750 мм и глубиной 500 мм. В станциях используются стандартные ТЭЗ размером 230 на 277 мм с разъемом на 425 штифтов. При этом используются двухслойные и многослойные печатные платы.
Всего имеется 120 типов ТЭЗов, однако обычно используются примерно 60 типов ТЭЗов для оконечной станции емкостью 10000 номеров. Все оборудование АТС емкостью 10000 номеров размещается примерно в 30 шкафах, требующих площадь в 35 м2 .
Исходящее соединение в системе EWSD устанавливается с использованием пути первого выбора и семи обходных путей. В системе предусмотрено также динамическое управление потоками информации.
Услуги ЦСИО для абонентов могут вводиться постепенно по мере спроса, причем введение новых технологий (доступ к различным услугам ЦСИО) не требует изменения архитектуры системы.
Если телефонная станция EWSD является первой цифровой станцией на сети, то техническое обслуживание может осуществляться посредством оборудования, входящего в состав станции, обслуживание нескольких станций этого типа целесообразно организовывать из центра технической эксплуатации.
Станции типа EWSD предоставляют абонентам различные дополнительные виды обслуживания:
• сокращенный набор номера;
• запрет некоторых видов исходящей связи;
• передача входящего вызова при отсутствии абонента на любой номер;
• переадресация;
• наведение справки во время разговора;
• конференц-связь;
• учет стоимости разговоров с распечаткой;
• автоматическая побудка;
• ограничение вмешательства телефонистки и т. д.
Кроме того, предусмотрены специальные услуги по запоминанию и обработке данных. Например, доступ абонентов к базам текстов и данных, к электронной почте, факсимильной связи, сообщениям механического голоса и др.
Рабочее напряжение питания станции 48 или 60 В. Оборудование надежно работает при температуре окружающей среды 5-400 С при относительной влажности до 80%.
2. Состав оборудования и структурная схема АТС EWSD.
2.1. Состав оборудования.
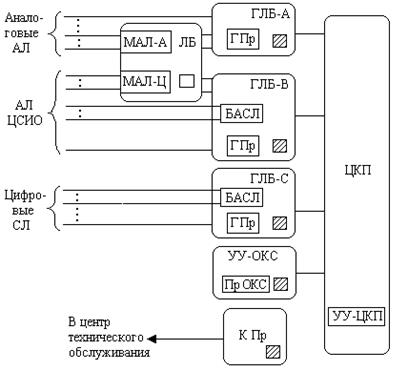
(См. Прил 1.)
Коммутационная система EWSD с возможностью предоставления услуг ЦСИО в своем составе имеет следующие основные виды оборудования (прил.1):
• линейный блок (ЛБ);
• групповой линейный блок (ГЛБ);
• цифровое коммутационное поле (ЦКП);
• управляющее устройство ОКС (УУ-ОКС);
• групповые процессоры (ГПр);
• координационный процессор (КПр);
• процессор ОКС (ПрОКС).
Заштрихованные квадраты указывают на то, что соответствующие блоки были модифицированы при введении в станцию услуг ЦСИО.
В ЛБ и ГЛБ осуществляется периферийная (предварительная) обработка вызовов. Наиболее сложные функции по выбору пути и установлению соединения в коммутационном поле, интерфейсу групповых процессоров (ГПр) между собой и с управляющим устройством цифрового коммутационного поля (УУ-ЦКП), а также функции административного управления и обеспечения надежности функционирования всей коммутационной системы, обеспечение взаимосвязи с центром технического обслуживания выполняет координационный процессор (КПр), который представляет собой централизованное управляющее устройство станции EWSD.
2.2. Назначение и структура линейного блока.
Линейный блок содержит модули абонентских линий (МАЛ), которые являются по существу абонентскими комплектами. На станциях с услугами ЦСИО имеются два типа МАЛ: для аналоговых АЛ (МАЛ-А) и для цифровых АЛ (МАЛ-Ц).
На чисто телефонной станции EWSD без услуг ЦСИО в ЛБ содержатся МАЛ-А и могут входить МАЛ-Ц по одинаковому интерфейсу в 64 кбит/с.
В ЛБ могут быть включены около 1000 аналоговых или 500 цифровых АЛ. При этом может быть совмещенное включение аналоговых и цифровых АЛ в одном ЛБ.
На станциях EWSD с услугами ЦСИО цифровые АЛ подключаются к ЛБ по интерфейсу основного доступа ЦСИО [1], т.е. по АЛ передаются цифровые потоки сигналов двух информационных каналов типа В со скоростью передачи 64 кбит/с и канала сигнализации (типа D) со скоростью 16 кбит/с. Условное обозначение основного доступа: 2В+D.
Для подключения цифровых коммутаторов оператора (телефонистки) на АМТС системы EWSD используют систему сервиса оператора (ССО). Цифровые коммутаторы (ЦК) управляются с помощью специального децентрализованного управляющего устройства на основе микропроцессоров (прил.2).
У оператора имеется в распоряжении видеодисплей Д, а вместо записи заказов используется запоминающее устройство. Имеется печатающее устройство ПУ. Для обеспечения необходимой надежности ССО каждый коммутатор ЦК подключается к двум ЛБ (см. прил.2), причем одна из АЛ находится в работе, а вторая в горячем резерве.
Всего может быть до 300 ЦК, из которых не более 60 подключается к одному ЛБ. ЦК может находиться непосредственно на АМТС или на расстоянии до 6 км.
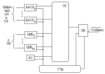
2.3.Назначение и структура группового линейного блока.
Линейный блок подключается к двум ГЛБ с помощью четырех 32 канальных трактов со скоростью передачи по каждому из каналов 64 кбит/с.
ЛБ может находиться не только на станции, но и быть удаленным выносным блоком. В этом случае ЛБ подключается к станционному оборудованию (т.е. к ГЛБ) с помощью двух или четырех трактов ИКМ-32, в зависимости от емкости ЛБ. Таким образом, ЛБ имеет максимальную емкость 976 АЛ и до 128 цифровых каналов для связи с ГЛБ станции в качестве удаленного концентратора.
При использовании контейнеров в одном контейнере может находиться несколько концентраторов (ГЛБ) с общей емкостью до 3200 АЛ.
На станции EWSD с услугами ЦСИО может быть три типа ГЛБ: А, В и С (см. прил.1).
В ГЛБ типа А (ГЛБ-А) включаются ЛБ аналоговых АЛ. В ГЛБ типа В (ГЛБ-В) – ЛБ цифровых каналов и непосредственно цифровые АЛ по основному доступу ЦСИО 2В+D, в ГЛБ типа С (ГЛБ-С) включаются цифровые соединительные линии от других станций, или учрежденческих станций, как правило, по первичному доступу 3ОВ+D, где скорость передачи по каналу D составляет 64 кбит/с. При этом предусматривается возможность использования любой из стандартных систем сигнализации МККТТ (МСЭ-Т), в том числе системы сигнализации при связи через спутник.
Всего на станции EWSD может быть 504 ГЛБ.
Каждый ГЛБ имеет групповой процессор (ГПр) со своей собственной основной памятью. Один из 128 цифровых каналов, с помощью которых ГЛБ подключается к цифровому коммутационному полю (ЦКП) используется для связи с ГПр для передачи данных управления, скорость передачи сигналов от ГЛБ к ЦКП составляет приблизительно 8 Мбит/с (8192 кбит/с). Следует заметить, что ГЛБ является полностью независимым и может рассматриваться как блок расширения станции.
Каждый ГЛБ (прил.3) содержит групповой коммутатор (ГК), представляющий мультиплексор, групповой процессор (ГПр), интерфейсный блок (ИБ) для связи ГЛБ с ЦКП, блок сигнализации (БС), интерфейсный блок абонентских и соединительных линий (БАСЛ) для тех АЛ и СЛ, которые непосредственно подключаются к ГЛБ (см. прил.1). Подключение ЛБ, в которых содержатся МАЛ, к ГЛБ осуществляется через цифровой интерфейсный блок (ЦИБ).
Групповой процессор, выполненный на основе микропроцессора, выполняет функции по управлению модулями МАЛ и блоками БАСЛ при управлении АЛ и СЛ (обнаружение вызова, проверка АЛ на занятость и др.), управление ГК при установлении связи с ЦКП через ИБ, прием цифр номера, управление обменом управляющей информацией через ИБ и др.
Групповой коммутатор (ГК) представляет собой однозвенный временной коммутатор без блокировок. ГК подключается к дублированному ЦКП через ИБ. В ГК осуществляется концентрация нагрузки от абонентов в соотношении 2:1; нагрузка, поступающая по СЛ проходит без концентрации в соотношении 1:1. В последнем случае может быть использован вместо ГК мультиплексор. Интерфейсный блок (ИБ) предназначен для проключения цифровых трактов со скоростью передачи 8 Мбит/с между ГК и ЦКП. Групповой процессор (ГПр) информирует ЦИБ о необходимости установления дублированного пути через ЦКП. При установлении соединения в противоположном направлении ИБ принимает устанавливаемое соединение от одного из двух блоков ЦКП.
Блок сигнализации (БС) генерирует необходимые зуммерные сигналы или вырабатывает сигналы учета разговора. Этот блок обеспечивает также тестирование телефонных аппаратов, АЛ и СЛ.
Блок абонентских и соединительных линий БАСЛ, содержащий модули АЛ и СЛ МАЛ и МСЛ, предназначен для подключения АЛ и СЛ к внутреннему интерфейсу ГЛБ.
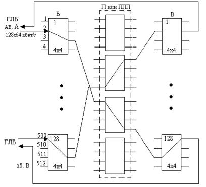
2.4.Цифровое коммутационное поле.
Цифровое коммутационное поле состоит из временных и пространственных коммутаторов ВК и ПК, которые составляют временную и пространственную ступени (В и П) (прил.4). На временной ступени кодовая комбинация временного канала, содержащая восемь символов в соответствии с адресной информацией меняет временной интервал (временной канал – ВРК) в цифровом тракте и сам цифровой тракт, если это необходимо. На пространственной ступени может измениться цифровой тракт, но не ВРК в 30-каналь-ном цифровом тракте. Временной коммутатор коммутирует тракты от блоков ГЛБ со скоростью 8 Мбит/с, что составляет 128 временных каналов и имеет параметры 4х4. Пространственные коммутаторы коммутируют сигналы на такой же скорости, при этом различают три типа ПК: с параметрами 8х15,16х16, 15х8 (см.прил.4).
Управление установлением соединения в ЦКП осуществляет управляющее устройство УУ-ЦКП в соответствии с информацией, поступившей от координационного процессора (КПр). В прил.5 показана упрощенная схема КП на 65536 временных каналов. Цифровое коммутационное поле однонаправленное. Для установления каждого соединения требуется установить два соединения через ЦКП – одно в направлении приема, другое – в направлении передачи (прил.6).
Цифровое коммутационное поле всегда дублировано (плоскость 0 и 1). Каждая плоскость может работать независимо от другой. При выходе из строя одной из плоскостей оставшаяся обслуживает вызовы с нормированным качеством обслуживания. Каждое соединение проключается одновременно через обе плоскости, так что в любой момент в случае отказа имеется резервное соединение.
• Программные управляющие устройства.
В настоящее время известно несколько принципов построения программных управляющих устройств АТС:
• централизованный;
• децентрализованный;
• распределенный;
В системе EWSD используется децентрализованный принцип построения управляющего устройства: управляющие функции рассредоточены по отдельным УУ, а их работой управляют ЦУУ.
Функции ПУУ выполняют ГПр, Пр ОКС и УУ ЦКП, они являются активными и работают под управлением КПр, который производит обработку полученной информации для маршрутизации, выбора пути, зонирования, учета скорости, поддерживает связь с центром технической эксплуатации, а также осуществляет надзор за всеми подсистемами, принимает сообщения об ошибках обнаруживает и нейтрализует их, осуществляет обработку аварийной сигнализации, производит реконфигурацию системы, управляет интерфейсом человек-машина.
В станциях малой и средней емкости используется координационный процессор КПр-112 производительностью 60000 вызовов в ЧНН (см. прил.6), его главные функциональные блоки: процессор (Пр), запоминающее устройство (ЗУ), арбитр шины (АШ), блок наращивания шины (БНШ), процессор ввода-вывода (ПВВ), все блоки полностью дублированы (плоскости 0 и 1).
В станциях EWSD средней и большой емкости используется координационный процессор КПр-113 – это многопроцессорная система и может наращиваться по ступеням. Максимальная производительность КПр-113 – 1000000 вызовов в ЧНН.
Однако современные версии EWSD способны обрабатывать уже и до 40000000 вызовов.
В КПр-113 n процессоров работают параллельно с разделением нагрузки, резервирование их осуществляется по принципу n+1 (Номинальная расчетная нагрузка n процессоров распределяется между n+1 процессором. Если выйдет из строя один процессор, работа будет продолжена в нормальном режиме без ухудшения качества обслуживания.)
В станциях системы EWSD применяется система сигнализации по общему каналу №7. Для этого станция оборудована устройством для системы сигнализации по общему каналу (ОКС), его основными элементами являются управляющее устройство ОКС - УУ-ОКС и блок сигнализации БС в ГЛБ (см. прил.1 и 3). Функции этих устройств зависят от их местоположения: в исходящей или входящей телефонной станции, а также в транзитных телефонных станциях с передачей сигналов управления и взаимодействия по общему каналу эти устройства работают в качестве пункта обработки сигнальной информации; а в транзитной станции - в качестве транзитного пункта. Одно устройство ОКС может обработать нагрузку, поступающую от 254-х цифровых сигнальных 30-канальных трактов. Оно подключается к ЦКП по трактам, имеющим скорость передачи 8 Мбит/с. Между устройством ОКС и каждой плоскостью ЦКП имеется 254 цифровых канала со скоростью передачи 64 кбит/с для каждого тракта. Для надежности устройство ОКС имеет дублированный процессор Пр ОКС, соединенный с КПр с помощью дублированной системы шин.
Главными функциональными блоками КПр-113 являются (прил.7): основной процессор (ОП) для обработки вызовов и технического обслуживания; процессор обработки вызовов (ПОВ) – занимается только обработкой вызовов и устанавливается на станциях, где не хватает мощности ОП; общее запоминающее устройство (ОЗУ); контролер ввода-вывода (КВВ); процессоры ввода-вывода (ПВВ), как в КПр-112.
Программное обеспечение (ПО) станций системы EWSD имеет высокую надежность, широкие динамические возможности и гибкость при вводе дополнительных функций. Это является результатом использования перезагружаемого ПО. В каждом процессоре ПО делится на:
• независимую от применения часть – операционную систему, специально приспособленную к функциям подсистемы аппаратного обеспечения;
• специфическую для применения часть - программное обеспечение пользователя.
Важным элементом ПО EWSD являются различные типы данных. Данные классифицируются в соответствии с их областью действия и долговечностью.
4. Программное обеспечение.
Программное обеспечение (ПО) организовано с ориентацией на выполнение определенных задач соответственно подсистемам EWSD. Внутри подсистемы ПО имеет функциональную структуру. Операционная система (ОС) состоит из программ, приближенных к аппаратным средствам и являющихся обычно одинаковыми для всех коммутационных станций. Программы пользователя зависят от конкретного проекта и варьируются в зависимости от конфигурации станции.
Современная автоматизированная технология, жесткие правила разработки ПО, а также язык программирования CHILL (в соответствии с рекомендациями МККТТ) обеспечивают функциональную ориентированность программ, а также поэтапный контроль процесса их разработки.
• Типовой процесс установления соединения.
Прежде всего следует отметить, что все соединения в станциях EWSD – четырехпроводные. При этом два пути - от вызывающего абонента к вызываемому и обратный - устанавливаются независимо.
При снятии телефонной трубки с телефонного аппарата модуль МАЛ определяет наличие вызова от абонента и посылает сигнал о поступлении вызова в ГПр линейного блока (см. прил.1). ГПр определяет категорию абонента и класс обслуживания и посылает команду в групповой коммутатор, который соединяет МАЛ с блоком сигнализации БС (см. прил.3). Генератор БС посылает вызывающему абоненту зуммерный сигнал ответа станции, а кодовый приемник в БС при этом готовится для приема номера вызывающего абонента. Генератор от МАЛ отключается при поступлении первой цифры номера.
Кодовый приемник БС передает полученную информацию о номере вызываемого абонента в ГПр, который, добавив к номеру вызываемого абонента полученную ранее информацию о категории абонента и классе обслуживания, передает ее для анализа в координационный процессор КПр.
Получив прямую информацию о вызываемом абоненте, КПр определяет свободна ли АЛ. Если свободна, то КПр устанавливает соединение от вызываемого абонента к вызывающему через ЦКП.
Если соединение установлено правильно, то КПр посылает информацию в ГПр вызывающего абонента о том, что линия вызываемого абонента проключена через ГК, передавая при этом номер занятого оборудования.
ГПр вызываемого абонента посылает команду в МАЛ о необходимости включения сигнала посылки вызова, после чего МАЛ вызывающего абонента посылает сигнал контроля посылки вызова.
При ответе вызываемого абонента ГПр проключает соединение в ГК ГЛБ вызываемого абонента, а ГПр вызывающего абонента получает сигнал ответа абонента от ГПр вызываемого абонента. Таким образом, соединение установлено.
Глава 2. Сотовые сети.
1.Общая информация.
Сотовые сети связи (ССС) предназначены для обеспечения подвижных и стационарных объектов телефонной связью и передачей данных. В ССС подвижными объектами являются либо наземные транспортные средства, либо непосредственно человек, находящийся в движении и имеющий портативную абонентскую станцию (подвижный абонент). Возможность передачи данных подвижному абоненту резко расширяет его возможности, поскольку кроме телефонных сообщений он может принимать телексные и факсимильные сообщения, различного рода графическую информацию (планы местности, графики движения и т.п.), медицинскую информацию и многое другое.
Сотовая связь продолжает уверенно расширять рынок предоставления услуг.
На смену аналоговым приходят цифровые системы второго поколения и в то же время ведутся интенсивные подготовки систем третьего поколения.
Радиотелефонные системы общего пользования в настоящее время составляют основной вид связи с подвижными объектами. Они, объединяя своих потребителей в одну группу, дают им возможность общего доступа к системе связи независимо от ведомственной принадлежности (по принципу городской телефонной сети). Это преимущество систем обеспечивает широкий комплекс услуг: автоматическое соединение абонентов между собой и с абонентами городской телефонной сети, а также других городов и государств с использованием междугородных и международных линий; передачу речи и данных, а в ближайшем будущем телексных и факсимильных сообщений; цветных графических изображений; информации из банков данных и т.п. Радиотелефонные системы общего пользования делятся на два вида:
1) Системы с большими зонами обслуживания (радиальные системы);
2) Системы с малыми зонами обслуживания (сотовые системы связи).
Нас интересует именно системы с малыми зонами обслуживания .
Сотовые системы подвижной радиосвязи имеют принципиально новую структуру, основанную на сотовом построении и распределении частот,согласно которому зона обслуживания делится на большое число ячеек ("сот"), каждая из которых обслуживается отдельной радиостанцией небольшой мощности, находящейся в центре ячейки (базовые станции) .
Небольшая мощность передатчиков в системах малых зон обслуживания и, соответственно, небольшой радиус их действия, допускает организацию повторения частот приема-передачи через 1 - 2 зоны. Это позволяет реализовать основное достоинство сотовой системы - обеспечение высококачественной радиосвязью большого количества подвижных абонентов в условиях ограниченного частотного диапазона.
• Принцип работы.
Каждая из базовых станций содержит от одной до двенадцати приемо-передающих антенн, направленных в разные стороны, чтобы обеспечить связью абонентов со всех сторон. На профессиональном жаргоне антенны также называют «секторами». Со стороны они выглядят, как большие серые прямоугольные блоки.
От антенны сигнал по кабелю передается непосредственно в управляющий блок базовой станции. Совокупность секторов и управляющего блока обычно и называется – BS, Base Station, базовая станция. Несколько базовых станций, чьи антенны обслуживают какую-либо определенную территорию или район города, подсоединены к специальному блоку – так называемому LAC, Local Area Controller, «контроллер локальной зоны», часто называемому просто контроллером. К одному контроллеру обычно подключается до 15 базовых станций.
В свою очередь, контроллеры, которых также может быть несколько, подключены к самому центральному «мозговому» блоку – MSC, Mobile services Switching Center, Центр Управления Мобильными услугами, коммутационный узел или просто - коммутатор. Коммутатор обеспечивает выход (и вход) на городские телефонные линии, на других операторов сотовой связи и так далее.
(Прил.8.)
В небольших GSM-сетях используется только один коммутатор, в более крупных, обслуживающих более миллиона абонентов, могут использоваться два, три и более MSC, объединенных между собой.
• Стандарт GSM-900.
Самый распространенный в данный момент на территории России стандарт GSM.
В стандарте GSM достигается высокая степень безопасности передачи сообщений; осуществляется шифрование сообщений по алгоритму шифрования с открытым ключом (RSA).
В целом система связи, действующая в стандарте GSM, рассчитана на ее использование в различных сферах. Она предоставляет пользователям широкий диапазон услуг и возможность применять разнообразное оборудование для передачи речевых сообщений и данных, вызывных и аварийных сигналов; подключаться к телефонным сетям общего пользования (PSTN), сетям передачи данных (PDN) и цифровым сетям с интеграцией служб (ISDN).
• Основные характеристики стандарта GSM
• Частоты передачи подвижной станции (приема базовой станции), МГц 890...915
• Частоты приема подвижной станции и передачи базовой станции, МГц 935...960
• Дуплексный разнос частот приема и передачи, МГц 45
• Скорость передачи сообщений в радиоканале, кбит/с 270, 833
• Скорость преобразования речевого кодека, кбит/с 13
• Ширина полосы канала связи, кГц 200
• Максимальное количество каналов связи 124
• Максимальное количество каналов, организуемых в базовой станции 16...20
• Вид модуляции GMSK
• Индекс модуляции ВТ 0,3
• Ширина полосы предмодуляционного гауссовского фильтра, кГц 81,2
• Количество скачков по частоте в секунду 217
• Временное разнесение в интервалах ТDМА кадра (передача / прием) для подвижной станции 2
• Вид речевого кодека RPE/LTP
• Максимальный радиус соты, км до 35
• Схема организации каналов TDMA/FDMA
Глава 3. Работа коммутационного узла.
• «Хэндовер».
Этим термином обозначается эстафетная передача обслуживания в сотовых сетях. То есть, когда перемещаетесь и при этом разговариваете по телефону, то, для того чтобы связь не прерывалась, необходимо вовремя переключать Ваш телефон из одного сектора в другой, из одной BS в другую, из одной Local Area в другую и так далее. Соответственно, если бы сектора были напрямую подключены к коммутатору, то всеми этими переключениями пришлось бы управлять коммутатору, которому и без того есть, чем заняться. Многоуровневая схема сети дает возможность равномерно распределить нагрузку, что снижает вероятность отказа оборудования и, как следствие, потери связи.
Пример – если вы с телефоном переходите из зоны действия одного сектора в зону действия другого, то переводом телефона занимается управляющий блок BS, не затрагивая при этом «вышестоящие» устройства – LAC и MSC. Соответственно, если переход происходит между разными BS, то им управляет LAC и так далее.
Если подробнее то в процессе движения объект пересекает границы ячеек. При этом координаты радиопередатчика, установленного на объекте, по командам MSC передаются от одной BS к другой, переключаясь на свободный частотный канал соседней ячейки. Автоматический поиск свободных каналов и установление соединения осуществляется без нарушения связи по командам ЭВМ, управляющей коммутационным оборудованием.. При перемещении подвижного объекта из одной ячейки в другую ЭВМ фиксирует полученные по радиоканалу управления данные о качестве сигнала, местоположения объекта и некоторые другие, с использованием специальной программы определяет соответствующий заданным требованиям свободный канал в той ячейке, куда переместился абонент. После этого MSC посылает сигнал для автоматического переключения абонентской станции на этот канал. Также MSС Выполняет следущие функции:
• управление и контроль за работой БС и АС;
• установление соединений между абонентами и разъединение их по окончании разговора;
• слежение за качеством передачи;
• поиск ПО на территории обслуживания;
• тарификация и диагностика состояния системы.
•
• Оборудование коммутатора.
Коммутатор в сотовой сети осуществляет практически те же функции, что и АТС в проводных телефонных сетях. Именно он определяет, куда Вы звоните, кто Вам звонит, отвечает за работу дополнительных услуг, и, в конце концов – вообще, определяет, можно ли звонить или нет.
На SIM-карте есть специальный номер, так называемый IMSI – International Subscriber Identification Number, Международный Опознавательный Номер Абонента. Это номер уникален для каждой SIM-карты в мире, и как раз по нему операторы отличают одного абонента от другого. При включении телефона он посылает этот код, базовая станция передает его на LAC, LAC – на коммутатор, в свою очередь. Тут в действие вступают два дополнительных модуля, связанных с коммутатором – HLR, Home Location Register и VLR, Visitor Location Register. Соответственно, Регистр Домашних Абонентов и Регистр Гостевых Абонентов. В HLR хранятся IMSI всех абонентов, которые подключены к данному оператору. В VLR в свою очередь содержатся данные обо всех абонентах, которые в данный момент пользуются сетью данного оператора. IMSI передается в HLR (разумеется, в сильно зашифрованном виде; вдаваться подробно в особенности шифрования мы не будет, скажем только, что за этот процесс отвечает еще один блок – AuC, Центр Аутентификации), HLR, в свою очередь, проверяет – есть ли у него такой абонент, и, если есть, то не заблокирован ли он, например, за неуплату. Если все в порядке, то этот абонент прописывается в VLR и с этого момента может совершать звонки. У крупных операторов может быть не один, а несколько параллельно работающих HLR и VLR.
(Прил.9.)
• Взаимодействие базовой станции и коммутационного узла.
BSS - оборудование базовой станции, состоит из контроллера базовой станции (BSC) и приемо-передающих базовых станций (BTS). Контроллер базовой станции может управлять несколькими приемо-передающими блоками. BSS управляет распределением радиоканалов, контролирует соединения, регулирует их очередность, обеспечивает режим работы с прыгающей частотой, модуляцию и демодуляцию сигналов, кодирование и декодирование сообщений, кодирование речи, адаптацию скорости передачи для речи, данных и вызова, определяет очередность передачи сообщений персонального вызова.
BSS совместно с MSC, HLR, VLR выполняет некоторые функции, например: освобождение канала, главным образом, под контролем MSC, но MSC может запросить базовую станцию обеспечить освобождение канала, если вызов не проходит из-за радиопомех. BSS и MSC совместно осуществляют приоритетную передачу информации для некоторых категорий подвижных станций.
ТСЕ - транскодер, обеспечивает преобразование выходных сигналов канала передачи речи и данных MSC (64 кбит/с ИКМ) к виду, соответствующему рекомендациям GSM по радиоинтерфейсу (Рек. GSM 04.08). В соответствии с этими требованиями скорость передачи речи, представленной в цифровой форме, составляет 13 кбит/с. Этот канал передачи цифровых речевых сигналов называется "полноскоростным". Стандартом предусматривается в перспективе использование полускоростного речевого канала (скорость передачи 6,5 кбит/с).
Снижение скорости передачи обеспечивается применением специального речепреобразую-щего устройства, использующего линейное предикативное кодирование (LPC), долговременное предсказание (LTP), остаточное импульсное возбуждение (RPE - иногда называется RELP).
Транскодер обычно располагается вместе с MSC, тогда передача цифровых сообщений в направлении к контроллеру базовых станций - BSC ведется с добавлением к потоку со скоростью передачи 13 кбит/с, дополнительных битов (стафингование) до скорости передачи данных 16 кбит/с. Затем осуществляется уплотнение с кратностью 4 в стандартный канал 64 кбит/с. Так формируется определенная Рекомендациями GSM ЗО-канальная ИКМ линия, обеспечивающая передачу 120 речевых каналов. Шестнадцатый канал (64 кбит/с), "временное окно", выделяется отдельно для передачи информации сигнализации и часто содержит трафик SS N7 или LAPD. В другом канале (64 кбит/с) могут передаваться также пакеты данных, согласующиеся с протоколом X.25 МККТТ.
Таким образом, результирующая скорость передачи по указанному интерфейсу составляет 30х64 кбит/с + 64 кбит/с + 64 кбит/с = 2048 кбит/с.
Заключение.
В этой курсовой работе я описал технические характеристики и принцип работы АТС EWSD и основы построения сотовых систем связи с целью выяснить, можно ли использовать это автоматическую станцию в качестве узла коммутации мобильной связи.
Итак, во второй и третей главе я выяснил, что АТС работающая в качестве узла коммутации должна обладать по крайней мере двумя качествами:
Первое: быть способной обрабатывать поток информации поступающий с базовой станции.
Второе: иметь возможности на программном и аппаратном уровне использовать алгоритмы «Хэндовера» и работать с базами HLR и VLR.
Итак, было выяснено что поток информации между базовой станцией и узлом коммутации образует 2048 кбит/с. Это – стандартные первичный канал, с которыми работают современные АТС и проблем с мультиплексирование точно не возникнет.
Вторая проблема решается на месте. Как было сказано в первой главе, программное обеспечение полностью соответствует МККТ, что говорит нам о том, что проблем с настройкой и оптимизацией программного обеспечения под нужды сотовой связи не будет, все стандартизировано и понятно.
Между всем прочим, АТС EWSD современна (она хоть и была запущена в 80х, но проходила модернизации) и последние версии оснащаются мощным процессором, который способен обрабатывать до 40000000 вызовов, а сама система имеет пропускную способность до 100000 эрл.
Важным фактором также является параллельные коммутационные поля, что дает высокую степень надежности линии.
Подводя итог хочется сказать: что на сегодняшний день АТС EWSD отвечает всем необходимым требованиям для работы в качестве узла коммутации в мобильной связи и ее использование является хорошим выбором за счет ее надежности, небольших размеров и программному обеспечению, отвечающему требованиям МККТТ.
Приложения.
Приложение 1.
Структурная схема АТСЭ системы EWSD.

Приложение 2.
Структурная схема УУ цифрового коммутатора.
Приложение 3.
Структурная схема ГЛБ.

Приложение 4.
Структурная схема цифрового коммутационного поля.

Приложение 5.
Упрощенная схема КП на 65536 временных каналов.

Приложение 6.
Функциональная схема координатного процессора КПр-112.

Приложение 7.
Схема координатного процессора КПр-113.

Приложение 8.
Схема сотовой связи.
Приложение 9.
Схема сотовой связи со схемой LAC.
