| Скачать .docx |
Курсовая работа: Курсовая работа: Проектирование цифровых систем спутниковой связи
Московский технический университет связи и информатики
Кафедра систем радиосвязи
Курсовой проект
"Проектирование цифровых систем спутниковой связи"
Выполнила: Сырцева А. Ю.
Группа: МС0601
Проверила: Сухорукова И.Ю.
Москва, 2010
1.Методы обработки сигналов в проектируемой спутниковой системе связи и метод многостанционного доступа
| Исходные данные |
||
| 1 |
Скорость передачи цифрового сигнала, кбит/с |
256 |
| 2 |
Скорость кодирования |
3/4 |
| 3 |
Название ИЗС и его позиция на ГО, град |
Экспресс - 140 |
| 4 |
Количество потоков одной ЗС |
6 |
| 5 |
Диапазон частот, ГГц |
6/4 |
| 6 |
Выходная мощность передатчика на ствол, Вт |
100 |
| 7 |
Номер кривой МШУ |
2(6) |
| 8 |
Полоса ствола, МГц |
40 |
| 9 |
Диаметр антенны, м |
5 |
| 10 |
Название территории |
Якутия |
К настоящему времени в ССС цифровые методы передачи сигналов практически полностью вытеснили аналоговые. Последние применяются еще иногда при передаче сигналов ЗВ и ТВ вещания (частотная модуляция с большим индексом). При цифровой передаче используется фазовая модуляция и ее разновидности с количеством уровней 2, 4 или 8 (2ФМ, 4ФМ, 8ФМ), причем чаще всего наиболее оптимальным методом оказывается 4ФМ. КАМ с более высокой кратностью применяется реже по причине высокой чувствительности к искажениям в тракте ретранслятора КС и мощном передатчике ЗС, а также трудности достижения высокого отношения "несущая-шум" на входе демодулятора приемной ЗС.
Характеристики формирующих фильтров в модуляторе и демодуляторе выбирают таким образом, чтобы спектр цифрового сигнала на выходе тракта (входе решающего устройства) был равномерным со "скруглением" по краям в форме "приподнятого косинуса" с коэффициентом скругления, а = 0,2...0,35. Это обеспечивает отсутствие межсимвольных искажений при достаточно высокой эффективности использования радиочастотного спектра. Так как каналы и тракты спутниковых линий входят в национальные и международные сети связи общего пользования, к их качественным показателям предъявляются весьма жесткие требования. Поэтому при передаче цифровых сигналов в ССС применяют помехоустойчивое кодирование, называемое также прямым исправлением ошибок (ПИО) (в отличие от исправления ошибок путем повторной передачи искаженных данных) или FEC в англоязычной литературе.
Сегодня хорошо разработаны и широко применяются коды ПИО двух основных классов.
Блоковые коды
Последовательность данных делится на блоки из к символов ; каждому блоку ставится в соответствие кодовая комбинация из n символов (n > k), которая передается по каналу связи; добавленные r = n - k символов называются проверочными; код характеризуется кодовой скоростью R= k/n и максимальным количеством ошибок t в кодовой комбинации, которое он может исправить.
Свёрточные коды
Избыточные символы добавляются непрерывно; очередная передаваемая кодовая комбинация зависит не только от очередного блока информационных символов на входе кодера, но и от блоков, поступивших ранее (кодер содержит память на S двоичных элементов входного сигнала); длина блока информационных символов к обычно бывает небольшой (от одного до семи бит); число п символов, появляющихся на выходе кодера в ответ на каждый входной блок, определяет скорость кода R= k /п.
Применение ПИО позволяет не только повысить достоверность передаваемой информации, но и получить энергетический выигрыш (ЭВК), на величину которого может быть уменьшена мощность передатчика.
Платой за этот выигрыш является расширение полосы частот, занимаемой радиосигналом из-за необходимости передачи избыточных проверочных символов. Величина выигрыша зависит от кодовой скорости R, способа кодирования и алгоритма декодирования. В ССС обычно применяют сверточные коды с S < 10 (типичное значение S = 7) и кодовыми скоростями R, выбираемыми из ряда 1/2, 2/3, 3/4 и 7/8. Для декодирования используют алгоритм, предложенный А. Витерби. При этом ЭВК достигает 5...6 дБ при R=l/2 и коэффициенте ошибок на выходе декодера 106. Для получения больших значений ЭВК и меньших коэффициентов ошибок (в системах передачи цифрового ТВ) применяют каскадное кодирование. В качестве первого (внешнего) кода используют блоковый код (обычно код Рида-Соломона). Затем символы получившихся кодовых комбинаций перемежают (переставляют в определенном порядке) и подают на второй (внутренний) кодер, обычно сверточный. Декодирование осуществляется в обратном порядке: вначале декодируется внутренний код, затем символы декодированного сигнала подвергают деперемежению (переставляют на исходные позиции), в результате чего пакеты ошибок "разбиваются" на одиночные ошибки (которые легче исправить), затем декодируется внешний код. Величина ЭВК при каскадном кодировании достигает 8...9 дБ.
В последние годы находит все большее применение новый класс помехоустойчивых кодов - турбокоды. Турбокод образуется параллельным каскадированием двух или более систематических кодов. В качестве компонентов в нем могут использоваться блоковые коды БЧХ, Рида-Соломона и даже сверточные, работающие в блоковом режиме. Использование турбокодов позволяет вплотную приблизиться к границе Шеннона.
Методы многостанционного доступа, применяемые а сетях VSAT.
Многостанционный доступ в сетях VSAT обычно организуют на основе метода частотного разделения (МДЧР) в режиме закрепленных каналов между станциями с интенсивным трафиком или в режиме МДЧР с предоставлением каналов по требованию (МДЧР-ПКТ) для интерактивного трафика. В интерактивном режиме передачи информации станции сети VSAT осуществляют доступ к выделенным в стволе ретранслятора несущим на основе метода временного разделения (МДВР), в том числе по протоколу со случайным доступом типа ALOHA [2, стр. 371]. В сетях для передачи телефонии входящие каналы VSAT-ЦЗС организуют с частотным разделением типа "один канал на несущую" (МДЧР-ОКН) и экономичными скоростями передачи 16/24/32 кбит/с, предоставляемые абонентам телефонной сети на все время соединения. Присвоение частотных каналов на постоянной основе РАМА (Permanently Assignment Multiple Access) целесообразно, когда сеть VSAT соединяет абонентов 24 часа в сутки (долговременный сервис) и может быть изменено в любое время посредством процедуры динамического переназначения. Присвоение частотных каналов по запросу DAMA (Demand Assignment Multiple Access) целесообразно, когда сеть VSAT функционирует как коммутируемая система или АТС, позволяющая учрежденческим ПЗС подключаться к ЦЗС. Возможны два варианта подключения: полностью переменное соединение и соединение с переменной точкой назначения. Оба этих типа DAMA требуют исходящего и ответного входящего пакетов.
Иногда может применяться многостанционный доступ с кодовым разделением сигналов (МДКР), позволяющий наиболее эффективно решать проблему электромагнитной совместимости (ЭМС) сетей VSAT с наземными и другими спутниковыми, сетями, но уступающий МДВР и МДЧР по эффективности использования пропускной способности спутникового ретранслятора.
Рассмотрим подробнее организацию многостанционного доступа в сетях типа "звезда". В сетях типа "звезда" различают исходящие (ЦЗС-ПЗС) и входящие (ПЗС-ЦЗС) спутниковые каналы, которые образуются на основе МДЧР в выделенной для сети VSAT полосе частот ствола спутникового ретранслятора.
В сетях VSAT с большим числом периферийных терминалов каждому исходящему каналу ЦЗС обычно соответствует несколько (0,1,2,...,n) входящих каналов (п < 32), используемых различными группами терминалов VSAT. Структура входящих и исходящих каналов в каждом конкретном случае определяется на основе требований к сети связи, составу сети, видам и скорости передаваемой информации. В одной сети может быть организовано несколько исходящих и соответствующих им входящих каналов.

Исходящий канал ЦЗС-ПЗС организуется обычно как канал на отдельной несущей с временным разделением (ВР) и пакетированием передаваемой информации. Скорость передачи информации в исходящем канале определяется общим объемом радиального трафика от ЦЗС сети к группе обслуживаемых периферийных терминалов VSAT. Типовые скорости передачи информации в исходящих каналах действующих сетей VSAT 256... 2048 кбит/с, метод модуляции — 2ФМ или 4ФМ. ЦЗС передает информацию в исходящем канале в виде непрерывного сигнала с регулярной кадровой структурой, называемой фреймом (frame) или кадром и состоящего из временной последовательности информационных пакетов, повторяющих классическую структуру пакетов систем с ВР: 1) флаг начала пакета (преамбула), 2) заголовок пакета, 3) блок данных (полезная информация), 4) проверочная последовательность (исправление ошибок), 5) флаг окончания пакета (постамбула). Границы кадра обозначаются уникальным словом (UW) и блоком служебной информации, которые используются для сетевой кадровой синхронизации пакетов, передаваемых терминалами VSAT во входящих каналах VSAT-ЦЗС, и для управления терминалами VSAT по протоколам S, R-ALOHA.
Совокупность передаваемых в исходящем канале ЦЗС пакетов предназначена (адресуется) группе периферийных терминалов VSAT.
| Граница кадра |
Преамбула |
Заголовок пакета |
Полезная информация |
Проверочная последовательность |
Постамбула |
Граница кадра |
Каждый терминал VSAT по коду адресного поля в заголовке пакетов принимает только адресованные этому терминалу пакеты из переданной последовательности. Другие пакеты пропускаются (игнорируются). Существуют три стандартных длительности фрейма для сетей VSAT: 10, 15 и 20 мс, причем кадр длительностью 10 или 20 мс предназначен для европейского стандарта СЕРТ и потока Е1 (2048 кбит/с), а длительностью 15 мс - для североамериканского стандарта DS1 потока Т1 (1544 кбит/с).
В каждом из ответных входящих каналов ПЗС-ЦЗС, передаваемых на отдельных несущих, организуется МДВР группы терминалов VSAT с передачей информации пакетами со следующей структурой: 1) преамбула, 2) заголовок, 3) информационный блок, 4) проверочная последовательность, 5) постамбула.
Пакеты разных станций VSAT располагаются на временных интервалах в пределах общего временного кадра. Типовые скорости передачи пакетированной информации во входящих каналах 64/128 кбит/с. манипуляция - 2ФМ / 4ФМ (QPSK/ BPSK). Терминалы ПЗС ведут передачу по принципу "хоровода": станция 0 передаёт свой пакет управляющей информации, потом станция 1, потом станция 2 и т.д. Когда все ПЗС передали свою управляющую информацию, то в последнем фрейме передается информация для тестирования оборудования на предмет готовности к активной работе. Множество фреймов идентичной структуры, следующие один за другим, формируют суперфрейм. Между всеми фреймами суперфрейма имеются защитные временные промежутки, чтобы не было перекрытия пакетов.
В конце каждого пакета имеется "хвост" из нескольких символов для сброса (очистки). Точное количество символов в "хвосте" зависит от кодовой скорости (1/2, 3/4 или 7/8).
2. Определение зоны обслуживания КС с построением на карте местности. Определение параметров передающей антенны: ширины диаграммы направленности по половинной мощности и коэффициент усиления.
Республика Саха (Якутия)
При расчетах зон обслуживания часто пользуются сферической системой координат с началом в точке размещения спутника (S), показанной на рисунке

По географической карте России определим граничные точки зоны обслуживания.
В курсовом проекте рассматривается республика Саха соответственно получим:
северная точка: 74 град. с. ш.; 120 град. в. д.
южная точка: 56 град. с. ш.; 131 град. в. д.
западная точка: 65 град. с. ш.; 106 град. в. д.
восточная точка: 68 град. с. ш.; 163 град. в. д.
Спутник обслуживающий данную зону называется Экспресс, его долгота 140° в. д.
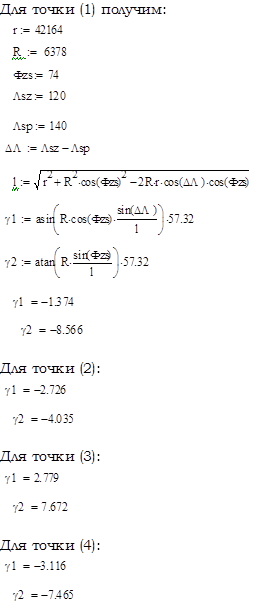
Для определения параметров луча космической станции (длины диаграммы направленности антенны) географические координаты крайних точек зоны обслуживания (точки 1, 2, 3, 4) следует пересчитать в углы
и
сферической системы координат (угловой спутниковой проекции).

Нанесём точки 1….4 на проекцию с координатами
и
.

Зона обслуживания КС в спутниковой проекции
2.1 Определение ширины ДН по половинной мощности и коэффициент усиления
![]()
![]()
![]()
g = 26 дБ
3. Определение полосы частот, необходимой для передачи одной несущей, модулированной кодированным ЦС. Определение отношения несущая шум на входе приемной ЗС, требующееся для обеспечения коэффициента ошибок 10-7 и 10-3
3.1 Определение полосы частот, необходимой для передачи одной несущей, модулированной кодированным ЦС
Скорость передачи входного потока
Bвх = Вцс + Всс
Скорость передачи одного информационного потока
Вцс = 256000 бит/с,
скорость передачи сигналов служебной связи Всс = 0
Bвх = 256000 бит/с
Скорость кодирования
R = 3/4
Скорость передачи цифрового потока на выходе помехоустойчивого кодера с учетом скорости кодирования
Вк = Bвх / R
Bk = 3.413*105 бит/c
Результирующая скорость передачи в радиоканале с модуляцией 4ФМ
Врк = Bk / (log2 M),
где М = 4 в случае использования модуляции 4ФМ.
Врк = 1.7*105 бит/с
Ширина спектра модулированного радиосигнала
Пс = Врк *(1 + α),
где коэффициент скругления спектра
α = 0.25
Пс = 2.1*105 Гц
П1 = 1.3*Пс = 2.8*105 Гц
3.2 Определение отношения несущая/шум на входе приемной ЗС, требующееся для обеспечения коэффициента ошибок 10-7 и 10-3
Значение Кош – 10-7 соответствует условиям отсутствия осадков ("ясное небо") и является достоверным в период готовности более 10% любого месяца, а значение Кош – 10-3 соответствует условиям наличия осадков ("ухудшение погоды") и является достоверным в период готовности в течение более 0,03% любого месяца.
Требуемое для обеспечения заданной достоверности hдоп на входе демодулятора приемной ЗС определяется из таблицы в пособии по курсовому проектированию в зависимости от кодовой скорости R и требуемого коэффициента ошибок Кош ЦС на выходе декодера.
При проектировании следует иметь в виду, что на входе приемной ЗС помимо полезного сигнала и теплового шума могут присутствовать также мешающие сигналы от других систем связи и интермодуляционные шумы, возникающие в передатчиках КС и ЗС, работающих в многосигнальном режиме. В первом приближении эти дополнительные помехи могут быть учтены прибавкой запаса в 1...2 дБ.
![]()
Кош = 10-7 R = 0.75 hдоп = 8.2 дБ
Кош = 10-3 R = 0.75 hдоп = 5.2 дБ
Δдоп = 1 дБ
ht = hдоп + Δдоп
Затем рассчитываются требуемые значения qf т и qт .

Чтобы обеспечить заданное отношение qf т в конце СЛС, состоящей из двух участков : участок "вверх" (↑) и участок "вниз" (↓), на каждом оно должно обеспечиваться с запасом. На участке ↑ энергетический потенциал обеспечить легче, поэтому коэффициент энергетического запаса а на этом участке выбирают больше : а = 5...10 , а на участке коэффициент энергетического запаса b рассчитывают по формуле:
![]()
и распределяют требуемое отношение qf т по участкам:

Сведем полученные данные в таблицу
| Коэф. ошибок, Кош |
hт , дБ |
qт , дБ |
qf т , дБГц |
qf т ↑, дБГц |
qf т ↓, дБГц |
| 10-3 |
6,2 |
6.9 |
60.3 |
68.7 |
60,9 |
| 10-7 |
9,2 |
9.9 |
63.3 |
71.7 |
63.9 |
Bвх = 256 кбит/с ; R = 3/4 ; Δдоп = 1 дБ ; а = 7 ; b = 1,17
4. Расчет максимально возможного количества несущих, передаваемых в одном стволе ретранслятора ССС. Определение мощности передатчика КС на одну несущую в многосигнальном режиме. Выбор походящего ствола и передающей антенны, составление плана частот для выбранного ствола, выбор конфигурации сети. Определение количества ЗС, которое можно разместить на заданной территории
4.1 Расчет максимально возможного количества несущих, передаваемых в одном стволе ретранслятора ССС
Пств = 40*106 Гц - полоса ствола КС
П1 = 2.8*105 Гц - полоса частот, требуемая для передачи одной несушей
![]()
n = 144 - количество несущих в одном стволе
4.2 Определение мощности передатчика КС на одну несущую в многосигнальном режиме
- коэффициент использования выходной мощности ретранслятора в многосигнальном режиме
Ppkc = 100 Вт - выходная мощность передатчика в ствол
![]()
![]()
P1 kc = 0.35 Вт
- мощность передатчика КС, отводимая одной несущей при МДЧР
4.3 Выбор походящего ствола и передающей антенны, составление плана частот для выбранного ствола, выбор конфигурации сети
Частота вверх = 6 ГГц
Частота вниз = 4 ГГц
Количество несущих = 144
Полоса ствола КС = 40 МГц
Полоса частот, требуемая для передачи одной несущей = 280 кГц
Защитная полоса = 56 кГц

Рис 3. План частот 6 ствола спутника "Экспресс - 140" для 144 несущих
4.4 Определение количества ЗС, которое можно разместить на заданной территории
- количество потоков, передаваемых одной ЗС
-количество земных станций
![]()
Так как скорость передачи ЦС = 256 кбит/с и количество ЗС = 24, то конфигурацией сети является "звезда".
5. Размещение десяти ЗС в ЗО. Расчет для десяти ЗС азимута, угла места и наклонную дальность. Выбор центральной (ЦЗС) и худшей (ХЗС) земных станций
5.1 Размещение десяти ЗС в ЗО
| Координаты ЗС: |
град., с.ш. |
град., в.д. |
| 1. Нерюнгри |
56 |
124 |
| 2. Алдан |
58 |
125 |
| 3. Ленск |
60 |
115 |
| 4. Олёкминск |
60 |
126 |
| 5. Покровск |
61 |
129 |
| 6. Якутск |
62 |
129 |
| 7. Мирный |
62 |
114 |
| 8. Вилюйск |
63 |
121 |
| 9. Усть-Нера |
64 |
143 |
| 10. Тикси |
71 |
129 |

Рис 4. Размещение ЗС в ЗО
Результаты расчетов геометрических параметров ЗС
| Расположение ЗС |
∆λ, град. |
l, км ∙ 104 |
y1, град. |
y2, град. |
d, км ∙ 104 |
δ, град. |
β, град. |
А, град. |
|
| 1 |
Нерюнгри |
- 11 |
3.867 |
- 1.008 |
7.786 |
3.911 |
56.7 |
25.5 |
346.8 |
| 2 |
Алдан |
- 15 |
3.891 |
- 1.288 |
7.914 |
3.928 |
59.2 |
22.8 |
342.5 |
| 3 |
Ленск |
- 25 |
3.93 |
- 1.965 |
8.001 |
3.968 |
63.1 |
18.8 |
331.7 |
| 4 |
Олёкминск |
- 14 |
3.908 |
- 1.131 |
8.045 |
3.947 |
61 |
21 |
343.9 |
| 5 |
Покровск |
- 11 |
3.913 |
- 0.864 |
8.113 |
3.953 |
61.6 |
20.3 |
347.5 |
| 6 |
Якутск |
- 11 |
3.923 |
- 0.834 |
8.169 |
3.963 |
62.6 |
19.3 |
347.6 |
| 7 |
Мирный |
- 26 |
3.946 |
- 1.905 |
8.115 |
3.989 |
65 |
16.7 |
331.1 |
| 8 |
Вилюйск |
- 19 |
3.944 |
- 1.37 |
8.2 |
3.984 |
64.6 |
17.2 |
338.9 |
| 9 |
Усть-Нера |
3 |
3.937 |
0.213 |
8.284 |
3.979 |
64 |
17.7 |
356.7 |
| 10 |
Тикси |
- 11 |
4.013 |
- 0.566 |
8.547 |
4.058 |
71.4 |
10.1 |
348.4 |
z – широта ЗС
d – долгота ЗС
v – долгота КС = 140 град.

Выбор ХЗС основывается на двух критериях: максимальная наклонная дальность и минимальный угол места. По этим параметрам практически подходит ЗС №10 (Тикси).
ЛЗС- ЗС №1 (Нерюнгри).
6. Определение для КС ЭИИМ и добротность. Расчет для ЦЗС коэффициента усиления передающей антенны и мощность передатчика с учетом полосы, занимаемой информацией, передаваемой одной ЗС. Расчет для ХЗС коэффициента усиления приемной антенны
Расчеты выполняются исходя из необходимости обеспечения заданного коэффициента ошибок (1Е-7, 1Е-3) и соблюдения ограничений на допустимую величину ППМ, создаваемую КС у поверхности Земли.
Расчет начинают с определения ослабления сигналов на участках "вверх" и "вниз" как в условиях "ясного неба" (отсутствие дождя), так и при дожде заданной интенсивности.
Обычно расчеты проводят для ХЗС.
| Расположение ЗС |
∆λ, град. |
l, км ∙ 104 |
y1, град. |
y2, град. |
d, км ∙ 104 |
δ, град. |
β, град. |
А, град. |
| Тикси |
- 11 |
4.013 |
- 0.566 |
8.547 |
4.058 |
71.4 |
10.1 |
348.4 |
Расчет общего ослабления радиоволн на участках "вверх" и "вниз":

Расчет потерь в дожде:
Исходные данные

1.Расчет эффективной высоты дождевой зоны

2.Расчет пути сигнала в дожде

3.Расчет горизонтальной проекции

4.Выбор интенсивности дождя
![]()
5.Расчет коэффициента уменьшения r001, учитывающего пространственную неравномерность дождя

6.Расчет удельного затухания сигнала в дожде, зависящего от частоты, вида поляризации и интенсивности дождя:

7. Расчет потерь в дожде, превышаемых в течение не более чем 0.01% года:

8.Расчет величины потерь в дожде, которая превышается для другого процента времени года Тг в диапазоне 0,001..1%:

Результаты расчета:
| φзс=71град с.ш.; λзс=129град в.д.; hзс=0,007км; β=10.1 град; Тг=0,047%; Lн=0,15дБ; Lп=0,2дБ |
Lд, дБ |
Lp, дБ |
|
| Линия "вверх" f=6ГГц; L0=120.171дБ; Lатм=0дБ |
ясное небо |
- |
200.171 |
| дождь |
0.081 |
200.252 |
|
| Линия "вниз" f=4ГГц; L0=116.649дБ;Lатм=0,25дБ |
ясное небо |
- |
196.649 |
| дождь |
0.02 |
196.669 |
|
6.1 Определение обобщенных энергетических параметров ЗС и КС.
1.Коэффициенты усиления передающей части антенны КС:
![]()
2.Определние ЭИИМ и добротность КС

- добротность КС
|
|
3. Расчет ЭИИМ КС в направлении ЗС в расчете на одну несущую:

4. Расчет ППМ w1 на входе КС, необходимая для обеспечения на линии "вверх" требуемого отношения qf т ↑

5. Требуемые значения ЭИИМ несущей, излучаемой ХЗС в условиях "ясного неба" и дождя:

Для компенсации дополнительных потерь в дожде в оборудовании ЗС обычно предусматривается адаптивная регулировка мощности передатчика по сигналу "маяка" КС. Поэтому ЗС должна также иметь запас по ЭИИМ на величину Ld:

Расчет требуемого значения добротности ХЗС.
Требуемое значение добротности ХЗС рассчитывается из условия обеспечения на линии "вниз" необходимых отношений qf т ↓ при "ясном небе" и дожде:

Затем определяется суммарная шумовая температура ХЗС, приведенная к облучателю приемной антенны.
Для этого первоначально определяются Tatm (β) – ЭШТ атмосферы:

Таким образом, суммарная шумовая температура ХЗС приведенная к облучателю приемной антенны равна:

Диаметр антенны ХЗС и мощность передатчика определяются из условий обеспечения рассчитанных выше значений ЭИИМ (pe 1 xzc и pe 1 xzcd ) и добротности (GTxzcnd и GTxzcd ), требующихся как в условиях "ясного неба", так и дождя. Рассчитываются два значения коэффициента усиления антенны – для "ясного неба" и дождя:

В качестве gpmxzc
выбирается большее: ![]()
Диаметр антенны ХЗС рассчитывается по формуле:

Эта же антенна на передачу на частоте f ↑ ГГц будет иметь коэффициент усиления:

Уровень и мощность одной несущей на выходе передатчика ХЗС при

а при дожде:

В случае если ЗС излучает n несущих, мощность насыщения передатчика должна быть не менее чем

Проверка уровня ППМ КС у поверхности Земли. Диапазоны частот 4 и 11 ГГц используются наземными РРЛ. Чтобы излучение КС проектируемой ССС не создавало для РРЛ недопустимых помех, плотность потока мощности (ППМ) сигнала передатчика КС у поверхности Земли W в контрольной полосе частот Pk не должна превышать допустимых значений. Эти значения, измеряемые в дБВТ/м2 , для КС ФСС приведены в таблице в методическом описании. ППМ рассчитывается по формуле:

Допустимые значения не превышаются
7. Построение диаграммы уровней (ДУ)
ДУ можно строить для одной несущей или для n несущих, передаваемых с каждой ЗС. Также следует учесть в построениях различия в расчетах потерь для случая "ясное небо" и "дождь".
В любом случае на участке "вверх" определяется уровень мощности сигнала на входе приемника КС:

Для определения отношения несущая – шум рассчитывают уровень мощности шума на входе приемника КС:

Тогда разность уровней сигнала и шума даст значение отношения несущая - шум:

Аналогично рассчитывается отношение несущая - шум для участка "вниз", для этого расчета нам будет необходимо значение gpmzc , которое рассчитывается следующим образом:

и отношение несущая – шум имеет следующий вид:

Для определения отношения несущая – шум рассчитывают уровень мощности шума на входе приемника ЗС:

Тогда разность уровней сигнала и шума даст значение отношения несущая-шум:

После этого можно строить ДУ сигнала в дБВт.
Построим ДУ для одной несущей и "ясного неба":



Рис. 5. Диаграмма уровней для одной несущей и "ясного неба"

Рис. 6. Диаграмма уровней для одной несущей во время дождя
Далее нужно рассчитать результирующее отношение несущая - шум. Для этого полученные значения несущая – шум на участках "вверх" и "вниз" пересчитывают из децибел в разы:
для КС

Далее берут обратные величины и находят результирующее отношение несущая - шум в разах:

8. Составление структурных схем ЗС и КС и схемы выбранной сети

Функциональная схема центральной станции VSAT

Функциональная схема периферийной станции VSAT

Функциональная схема ретранслятора

Схема организации связи
Пояснения к функциональным схемам ПЗС и ЦЗС VSAT.
Общие требования, предъявляемые к станциям VSAT
Основным требованием к земным станциям типа VSAT является наличие дистанционного контроля и управления со стороны центральной станции. Как минимум должна быть предусмотрена возможность отключения излучения при создании помех другим системам связи. Кроме того, желательно предусмотреть возможность дистанционного тестирования устройств станции, контроль качества обслуживания, передачи информации о результатах тестирования на центральную управляющую станцию. Специальные требования к земной станции, работающей в разрабатываемой системе: каналообразующая аппаратура должна обеспечить возможность приема сигнала от центральной станции системы.
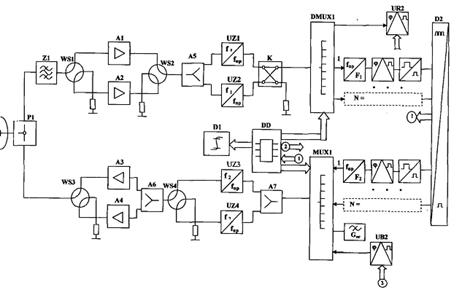
Периферийная земная станция (ПЗС)
СВЧ Блок
Сигнал принятый параболической антенной WA1 проходит поляризационный селектор Р1, который разделяет сигналы ортогональной линейной поляризации на прием и передачу и через СВЧ переключатель WS1, который необходим для функционирования системы контроля, поступает на малошумящий усилитель А1, где сигнал усиливается до уровня необходимого для работы преобразователя частоты. Затем сигнал поступает на преобразователь частоты UZ1, который преобразует несущую частоту f1 = 3675 МГц в диапазон ГТЧ fnр .
В передающей части происходит обратный процесс. Сигнал, поступающий от блока промежуточной частоты fnр, преобразуется в f2 = 6000 МГц в преобразователе частоты UZ2, а затем поступает на твердотельный усилитель мощности А2, который усиливает сигнал до необходимого уровня передачи рпзс = - 110 дБВт. После усиления сигнал через поляризационный селектор Р1 поступает в антенну, которая излучает его в направлении спутника.
Конструктивно блок внешнего оборудования оформлен во влагозащитном корпусе, расположенном непосредственно около антенного поста для обеспечения минимального ослабления сигнала в антенно-фидерном тракте.
Блок промежуточной частоты
Сигнал от преобразователя частоты UZ1 по коаксиальному кабелю поступает на блок промежуточной частоты (блок ПЧ), в котором сигнал разделяется фильтром Z3 на основную (информационную) часть и служебный сигнал, поступающий на демодулятор UR1. Основная часть сигнала поступает в преобразователь частоты UZ3, в котором осуществляется выбор одного из каналов посредством подачи на второй вход преобразователя UZ3 частоты от синтезатора частот G1 с последующей фильтровкой в Z4. В фазовом демодуляторе UR2 происходит выделение цифрового потока, который поступает на декодер U1, где по усовершенствованному алгоритму декодирования сверточного кода,
предложенного Витерби, обеспечивающего ускорение обработки, происходит декодирование и выделение исходного потока с заданной скоростью 256 кбит/с.
Далее поток поступает на аппаратно-программный интерфейс D2, где происходит сопряжения с компьютерной сетью пользователя или с ТфОП.
Обратные процессы происходят в передающей части блока ПЧ. Аппаратно-программный интерфейс D2 формирует цифровой поток заданной скорости 256 кбит/с, который кодируется сверточным кодом в кодере U2. После обработки цифровой сигнал поступает на модулятор UB3, где модулирует по фазе несущую частоту канала, вид модуляции 4-ФМ. Пройдя через фильтр Z6, имеющий полосу пропускания равную полосе сигнала Пс = 2100 кГц, сигнал попадает на преобразователь частоты UZ4, где переносится в диапазон ПЧ. После фильтрации в фильтре Z3, где отделяются ненужные продукты преобразования, сигнал поступает на блок СВЧ. Аналогичные действия происходят с другими 6-мя потоками, передаваемыми каждой ПЗС (на схеме показано прохождение сигнала одной несущей).
Система управления и контроля.
Система управления и контроля управления и контроля разнесена по двум блокам. В блоке ПЧ находится центральный процессор станции DD, снабженный специальным программным обеспечением. В программе управления станцией прописаны алгоритмы различных операций по управлению и контролю станции, которые активизируются при поступлении соответствующих команд от центральной станции. Команды от управляющей станции принимаются отдельным приемником UR1. Телеметрическая информация о состоянии станции передается в определенное время по служебному каналу. Синтезаторы каналов управляются процессором (стрелка 1) и необходимы для установки частот на приеме и передаче. Смена канала необходима для проведения тестирования, а также смены рабочего канала. Измеритель ошибок D1 необходим для оценки влияния посторонних помех в процессе тестирования. Его работой также руководит центральный процессор DD (стрелка 2). Тестирование радиочастотного тракта (блок СВЧ) осуществляется через волноводные переключатели WS1 и WS2, подключаемые через аттенюатор WU1, который имитирует ослабление на участках СЛС (стрелка 3). Центральный процессор станции DD также следит за работой интерфейса D2 (стрелка 4).
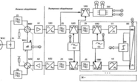
Центральная земная станция (ЦЗС)
Радиочастотная часть
Сигнал, принятый антенной WA1, пройдя поляризационный селектор Р1, необходимый для разделения ортогональных сигналов линейной поляризации приема и передачи, попадает на полосовой фильтр Z1, который выделяет полосу частот приема 6-го ствола спутника "Экспресс-140" f2 - 3675 МГц, отведенную для работы системы
C - диапазона. Затем сигнал усиливается малошумящим усилителем А1 до уровня необходимого для работы преобразователя частоты. Малошумящий усилитель А1 зарезервирован усилителем А2, который в случае необходимости подключается с помощью СВЧ переключателей WS1 и WS2. Далее с помощью разветвителя А5 сигнал подается на два преобразователя частоты UZ1 и UZ2, где из диапазона СВЧ преобразуется в диапазон ПЧ. Преобразователи включены параллельно, причем один из них находится в резерве и подключается к тракту ПЧ с помощью переключателя К1.
В передающей радиочастотной части происходят обратные процессы. Сигнал ПЧ, пройдя через разветвитель А7, переносится в диапазон СВЧ преобразователями частоты UZ3 и UZ4, один из которых находится в резерве, и подключается к блоку усилителей мощности (УМ) при помощи волноводного переключателя WS4 и разветвителя А6, в котором сигнал разделяется на два, чтобы пройти через мощный усилитель A3 или А4. Один из них находится в резерве и подключается к поляризационному селектору Р1 через переключатель WS3. Далее сигнал СВЧ C диапазона передачи f = 6000 МГц излучается антенной WA1 в направлении спутника.
Тракт промежуточной частоты
Принятый сигнал ПЧ (после преобразования частоты) поступает на демультиплексор DMUX1, который работает по фильтровой схеме и разделяет суммарный сигнал на сигналы, в соответствии с полосой, занимаемой каждым отдельным сигналом. После этого сигналы поступают на канальные блоки, устройство которых аналогично блокам промежуточной частоты периферийных станций. Количество таких блоков равно количеству несущих, принимаемых данной ЦЗС (576), причем на отдельной несущей принимается служебная информация, выделяемая в демодуляторе UR2.
В тракте передачи происходят обратные операции: объединение сигналов, поступивших от отдельных канальных блоков, добавление пилот сигнала и канала управления и последующий перенос суммарного сигнала в диапазон ПЧ.
Система управления
Для управления сетью в состав ЦЗС входит модуль управления, состоящий из: центрального процессора системы DD, блока контроля D1, в который входят: анализатор спектра и видеоконтрольное устройство, а также канал управления. На схеме показано подключение канала управления к мультиплексору MUX1 и демультиплексору DMUX1
(стрелка 2). При помощи анализатора спектра центральный процессор может оценивать уровни сигнала от каждой станции, стабильность несущих частот канальных блоков и гетеродинов преобразователей частоты. На основании результатов измерений центральный процессор DD может принять решение о временном отключении одного из каналов от сети и проведения внутреннего тестирования периферийной станции. Команды передаются по каналу управления. Результаты проведения внутренних тестов станций передаются по каналам передачи служебной информации ПЗС. Результаты работы процессора выводятся на монитор для контроля со стороны обслуживающего персонала. Если ПЗС в течение 3 секунд не получает команду от ЦЗС о возможности передачи информации, то она переходит в режим запрета на излучение. Процессор DD также управляет работой интерфейса D2 (стрелка 2).
Описание ретранслятора.
Сигналы от приемных антенн в диапазоне от 5,93 до 6,52 ГГц поступают на 2 входных порта (1 и 2) и далее через ВЧ переключатели WS1, WS2 на приемники A1 и A3. в которых усиливаются и преобразовываются в диапазон 3,6 … 4,2 ГГц. Приемник А2 – резервный. Через ВЧ переключатели WS3, WS4 и разветвители WE1 … WE3 принятые и преобразованные сигналы поступают на блоки разделительных фильтров Z1…Z5, где разделяются на стволы шириной 36 или 40 МГц. Далее сигнал каждого ствола усиливается отдельным передатчиком. Ретранслятор содержит 12 стволов. Все передатчики разбиты на 4 группы.
В первую группу входят 2 передатчика – А4, А5 (основной) и А6, А7 (резервный) мощностью 75 Вт с ЛБВ в выходном каскаде.
Вторая группа (А8 … А10) содержит 3 40-Ваттных транзисторных усилителя и переключатели, обеспечивающие резервирование.
Третья группа (А11 … А13) также собрана по схеме резервирования 3:2. но используются 20-Ваттные транзисторные усилители.
В четвертой группе на 7 стволов имеется 9 транзисторных усилителей (А14 … А22). Мощностью 20 Вт каждый. Схема резервирования 9:7.
Коэффициент усиления каждого из 17-ти передатчиков может регулироваться по командам с Земли.
В состав ретранслятора входи также радиомаяк (А23, А24), работающий на частоте 3800МГц со схемой резервирования 2:1.
Сигналы всех передатчиков и радиомаяка с выходных портов 3… 15 поступают к передающим антеннам через переключатели и фильтры сложения.
Список литературы
1. Сухорукова И. Ю., Тарасов С. С. Проектирование цифровых систем спутниковой связи (учебное пособие). – Москва. 2006
2. Сухорукова И. Ю. Физические основы спутниковой связи (учебное пособие).– Москва, 2004