| Скачать .docx |
Курсовая работа: Курсовая работа: Монтаж пристроїв та систем автоматизації
Зміст
1. Вступ
1.1 Завдання монтажних організацій
1.2 Перелік монтажних робіт
2. Опис
2.1 Що зображено на ФСА та якими лініями?
2.2 Регулюючи органи та виконавчі механізми
3. Вибір засобів автоматизації
4. Опис роботи контурів
5. Перелік засобів автоматизації
6. Монтаж відбірних пристроїв та первинних перетворювачів
6.1 Монтаж діафрагми
6.2 Монтаж термодвійки (термометру опору)
6.3 Монтаж відбірного пристрою тиску
6.4 Монтаж відбірного пристрою рівня
7. Монтаж приладів
8. Монтаж регулятора та виконавчого механізму з регулюючим органом
9. Виконання зовнішніх схем з'єднань вибір трубних проводок та кабелів
10. Розрахунок регулюючого клапана
Висновок
Література і нормативно технічна документація
1. Вступ
1.1 Завдання монтажних організацій
На основі останніх досягнень фундаментальних і прикладних наук, теорії автоматичного регулювання і управління приладів і на базі що знов розробляються, створюються системи автоматизації. Такі системи дозволяють виконувати наступні функції: контроль параметрів технологічних процесів, обробку інформації, автоматичне регулювання параметрів, дистанційне і автоматичне керування машинами і агрегатами і сигналізацію їх стану, забезпечення безпечної експлуатації технологічного устаткування, оптимізацію технологічних процесів.
Подальший прогрес в області автоматизації відбувається за рахунок розвитку фундаментальних наук, підвищення точності і надійності апаратури, створення принципово нових видів приладів і систем автоматичного регулювання і управління і вдосконалення технології їх монтажу.
Сучасні масштаби будівництва вимагають застосування високопродуктивних методів монтажних робіт, заснованих на передовій техніці і прогресивній технології. Автоматизація технологічних процесів і контроль їх основних параметрів пов'язана з підвищеними вимогами до чіткості і безвідмовності роботи приладів і систем автоматизації. Точність вироблюваних вимірювань і регулюючих дій багато в чому залежить від якості монтажу.
Монтаж приладів і систем автоматизації є одним з найбільш технічно складних розділів монтажних робіт. Від кваліфікації монтажників, знання ними сучасної технології монтажу, прийомів роботи, уміння користуватися технічно досконалими інструментами і механізмами багато в чому залежить якість і терміни будівництва і реконструкції промислових об'єктів.
Трубчасті печі – головне устаткування багатьох установок багатотоннажних виробництв в нафтопереробній і нефтехімичної галузі. Проблеми оптимізації режиму їх роботи за допомогою засобів автоматичного управління і контролю, забезпечення експлуатаційної надійності і довговічності конструкцій, раціональних методів ремонту з широким використовуванням засобів механізації робіт мають першорядне значення.
Не менш важливими задачами експлуатації могутніх печей є їх працездатність в екстремальних умовах, оскільки раптовий вихід з ладу хоча б одного вузла приводить до зупинки ланцюга технологічних установок і величезного збитку для підприємства.
Продуктивність праці робітників-монтажників, терміни виконання робіт і їх якість значною мірою залежать від рівня підготовки до виробництвамонтажних робіт, їх об'єму і змісту.
Підготовка до виробництва робіт по монтажу систем автоматизації промисловихі цивільних об'єктів включає три основні виду: інженерно-технічну, організаційну і матеріально-технічну.
Інженерно-технічна підготовка виробництва передбачає вивчення проектно-кошторисної документації, характерних особливостей і технології об'єкту, розробку проекту виробництва робіт (ПВР) на основі робочого проекту і вимірів в натурі на об'єктах. Залежно від планованих термініввиконання монтажних робіт інженерно-технічна підготовка ділитьсяна поточну і перспективну.
Організаційно-технічна підготовка. Вивчають ту частину розділу робочогопроекту «Організація будівництва» (ПОС), де відображені вимоги, пов'язаніз виконанням даного виду монтажних робіт; приймають будівельнучастину об'єкту під монтаж систем автоматизації; організовують виконанняробіт на об'єкті, забезпечуючи безпечніумови праці.
При прийманні будівельної частини об'єкту під монтаж систем автоматизації керуються наступними вимогами. До початку монтажу приладів і засобів автоматизації повинні бути споруджений постійні або тимчасовіпід'їзні шляхи з підходами і під'їздами достатньої ширини, забезпечуючиподачу монтажних виробів, блоків і конструкцій в монтажнузону, а в її межах — до місць установки; прокладені постійні або тимчасові мережі, що підводять до об'єктів електроенергію, воду, стисле повітря, з пристроями для підключення споживачів. Будівельні роботи і монтаж технологічного устаткування у виробничих і щитових приміщенняхповинні бути доведений до такого стану, при якому забезпеченібезпека монтажних робіт, захист щитів, пультів, електричних і трубних проводок і інших засобів автоматизації від впливу атмосферних опадів, ґрунтових вод і низьких температур, забруднень і пошкоджень.
До початку монтажу щитів повинні бути споруджений фундаменти під щити і пульти, кабельні канали і їх перекриття, отвори для введення в приміщення трубних і електричних проводок, змонтовані опалювання, вентиляція і електричне освітлення.
В щитових (операторних) приміщеннях до початку установки щитів і пультів будівельна організація повинна закінчити обробні роботи і виконативведення електроенергії, стислого повітряі води по постійних схемах робочих креслень проектів.
При монтажі приладів і засобів автоматизації, а також щитів зі встановленимина них приладами і апаратурою (при повнозбірному монтажі) у виробничих і щитових приміщеннях повинна підтримуватися температураповітря не нижче 5°С, якщо монтажно-експлуатаційними інструкціями на прилади не вказана інша нижня межа температури.
До початку монтажу прибирають опалубку, будівельні ліси, підмости і будівельнесміття, за винятком лісів, які можуть бути використаніпри монтажі приладів і засобів автоматизації.
В стінах і міжповерхових перекриттях будівель будівельна організація повинна виконати отворидля проходів трубних і електричних проводок з одного приміщення в інше і монтажні отвори для зібраних в блоки щитів і інших конструкцій. На зовнішніх установках закінчити спорудуестакад, тунелів і інших споруд для прокладки трубних і електричнихпроводокі установки приладів і засобів автоматизації.
Матеріально-технічна підготовка до монтажу систем автоматизації здійснюєтьсяв два етапи.
До початку монтажу систем автоматизації працівники ділянки підготовки виробництва (УПП) монтажного управління розробляють проект виробництваробіт (ПВР), який разом з робочими кресленнями є основноютехнічною документацією для виконання робіт по монтажуприладів і систем автоматизації. ПВР передбачає підвищення організаційно-технічного рівня монтажу на базі використовування новітніх досягнень науки і техніки, що забезпечує високу продуктивність праці, зниженнясобівартості монтажних робіт, скорочення тривалості і підвищення якості монтажу.
ПВР складається з двох частин: текстової і графічної.
В текстову частину ПВР входять наступні документи:
- записка пояснення;
- специфікація монтажних виробів, вживаних для установки приладів по місцю у технологічного устаткування;
- специфікація типових уніфікованих монтажних виробів;
- відомість комплектації на укрупнені вузли (складальні одиниці), блоки і стенди;
- специфікація добірних пристроїв і приладів, встановлюваних безпосередньо на технологічних трубопроводах і агрегатах ;
- відомість спеціальних виробів, що виготовляються замовником;
- перелік будівельних споруд (траншеї, естакади, галереї і ін.) і заставнихдеталей для монтажу приладів і засобів автоматизації;
- специфікації на щити і пульти ;
- відомість комплектації на прилади, апаратуру і виконавчі механізми, що поставляються замовником;
- специфікація на монтажні інструменти, пристосування, механізми для монтажу систем автоматизації.
Записка пояснення містить коротку характеристику об'єкту, опис і обґрунтовування проведених уточнень місць і способів прокладки трас трубних і електричних проводок з посиланням на робочі креслення ПВР, а також місць установки щитів, пультів, внещитової апаратури, первинних приладів, добірних пристроїв і регулюючих органів; обґрунтовування заміниматеріалів і змін конструктивних рішень, передбачених в проекті автоматизації; опис технології окремих видів монтажних робіт; вказівки по переміщенню і підйому важких і крупно габаритнихблоків і конструкцій, а також вказівки про необхідні заходи щодо техніки безпеки, специфічних для даного об'єкту.
В графічну частину ПВР входять наступні документи:
- ситуаційний або будівельний генеральний план підприємстваабо викопировка з нього;
- робочі креслення по уточненню прив'язки трас трубних і електричних проводок, а також на нетипові і не уніфіковані вузли (складальні одиниці)і конструкції;
- креслення або ескізи блоків трубних і електричних проводок;
- мережний графік на виконання монтажу приладів і засобів автоматизації;
- технологічна схема такелаж-транспортних робіт.
Технологічна схема такелаж-транспортних робіт є схемою маршруту переміщення, місць доставки, розвантаження і складування заготовленихі зібраних конструкцій, стендів приладів, блоків труб, барабанівз кабелем, щитів, виконавчих механізмів і т.п. На схемі указуютьмеханізми і пристосування, необхідні для виконання робіт такелажіві транспортних, послідовність перевезення і переміщеннямонтажних блоків і т.п.
На схемі такелаж-транспортних робіт показують також місця установки автомобільних кранів або інших вантажопідйомних механізмів; мінімальнівідстані наближення виступаючих частин автокранів до будівель, естакаді інших споруд, а також до укладеним на тимчасове зберігання металевих конструкцій, труб і монтажнихвиробів; відстані від кранів до ліній електропередачі, місць руху транспорту і пішоходів; огорожі монтажної зони.
Залежно від складності об'єкту ПВР може бути виконаний в повному або скороченому вигляді.
1.2 Перелік монтажних робіт
Перелік монтажних робіт установки засобів автоматизації управління трубчастою піччю:
Ознайомлення з проектною документацією;
Підготовка місць установки первинних перетворювачів і добірних пристроїв;
Установка розподільних щитів;
Прокладка трубних проводок;
Монтаж електричних проводок;
Прозвонка жил кабелів і дротів ;
Установка і підключення первинних перетворювачів;
Установка автоматичних регуляторів ;
Прибирання прилеглої території, фарбування трубопроводів;
Випробування системи автоматизації трубчастої печі;
Здача в експлуатацію засобів автоматизації.
2. Опис
2.1 Що зображено на ФСА та якими лініями?
Ці схеми є основним документом проекту. Вони є символічним зображенням апаратів і агрегатів технологічного процесу і трубопроводів, що сполучають їх, показують функціональні зв'язки між ними і елементами систем автоматизації.
Виконуються ФСА для кожної структурної ділянки і їх число відповідає числу оперативних постів управління. Для складних систем автоматизації ФСА можуть складатися роздільно для автоматичного контролю, технологічної сигналізації, захисту і блокувань і для системи автоматичного управління і регулювання.
Технологічне устаткування на ФСА показують умовними позначеннями, прийнятими в технологічній частині проекту, або відповідно до їх натурального вигляду без дотримання масштабу. Допускається зображення окремих вузлів і агрегатів у вигляді прямокутників з відповідними найменуваннями. Деталі і елементи устаткування зображуються у випадку, якщо існує безпосередній контакт з ними приладів і засобів автоматизації.
Технологічні трубопроводи зображуються чорними лініями товщиною до 1—2 мм, напрям потоків рідин і газів — стрілками. Па трубопроводахзображають тільки основну і регулюючу апаратуру, якавідноситься до систем автоматизації.
Прилади і засоби автоматизації зображуються у відповідності з ГОСТ 21 404—75. При умовнихпозначеннях приладів на першому місці стоїть індекс параметра (Т — температура; Р — тиск; L — рівень; F — витрата; Q — фізико-хімічний склад і т. і.), на другому — функція приладів; І — свідчення; R — реєстрація; А — сигналізація; С — регулювання з позначенням зверху закону (позиційне — Пз, пропорційне — П, пропорційно-інтегральне — ПІ). Індекс функції може стояти і на третьому місці при виконанні приладом декількох функцій.
В перетворювачах на першому місці стоїть вхідний сигнал, наприклад, Е — електричний.
Всі первинні перетворювачі і добірні пристрої показуються безпосередньона зображеннях технологічногоустаткування або в безпосередній близькості; на технологічних комунікаціях наносяться зображення регулюючихорганів і виконавчих механізмів, пов'язаних з ними механічно.
Апаратура, розміщена на щитах, виділяється в прямокутники в нижній частині під технологічною схемою. Прямокутникигрупують прилади по місцю їх розташування або іншою ознакою.
Наприклад: «Щит сигналізації», «Пульт оператора», «Допоміжний щит». Найменування щитів поміщаються в лівій частині схеми. Приладиі засоби автоматизації, які конструктивно не пов'язані з технологічнимустаткуванням, показуються в прямокутнику «Місцеві прилади». Він розташовується над прямокутниками щитів.
Точки входу і виходу сигналів на прямокутниках відповідний блоківпоказуються на сполучних лініях кухлями діаметром 1,5— 2 мм.
На сполучних лініях поблизу перетину з прямокутником щита указують максимальне робоче значення величини, що виміряється, і інші пояснення, посилання.
Якщо декілька первинних перетворювачів підключаються до одного вторинногоприладу, допускається об'єднувати сполучні лінії в одну. При виконанні ФСА складних установок допускається робити обрив ліній зв'язку, при цьому кінці їх нумеруються однією і тією ж арабською цифрою. Кінці нумеруються біля прямокутників в зростаючомупорядку зліва направо.
Кожному вимірювальному і регулюючому комплекту привласнюється порядковийномер на схемі, а кожному елементу, зображеному на ФСА — позиційне позначення (позиція). Позначення складається з номера комплекту, до якогододається буквений індекс, починаючи від первинного перетворювача і кінчаючи регулюючим органом. Наприклад, первинний перетворювач — 1а , місцевий прилад — 1б , вторинний прилад — 1в , регулятор— 1г, виконавчий механізм — 1д , регулюючий орган — 1е. Позиційнепозначення наносять в нижній частині позначення приладу (кола, овалу).
Позиційні позначення електродвигунів виконавчих механізмів, замочної і регулюючої апаратури наносять на виносних лініях — полицях поряд з пристроями.
На перших листах ФСА приводяться перелік приладів і засобів автоматизації, таблиця умовних позначень і приміток (допускається перелік виконувати окремими листами). Перелік є початковим для складання замовлених специфікацій і розташовується в правому верхньому кутку.
Всі прилади об'єднуються в групи: апаратура по місцю, апаратура на щитах і т. і.
На нашої ФСА зображено:
1. - первинний вимірювальний перетворювач (чуйний елемент) для виміру витрат, змонтованний по місцю (діафрагма, сопло та ін.)
2. - первинний вимірювальний перетворювач (чуйний елемент) для виміру температури, змонтованний по місцю
3. - прилад, для виміру тиску (разреженню), безшкальний, з дистанційною передачею показників, змонтованний по місцю
![]()
![]()
![]()
- регулюючий клапан
2.2 Регулюючи органи та виконавчі механізми
Забезпечення заданого режиму регулювання значною мірою залежить від правильної установкиі зчленовування регулюючих органів (наприклад, дросельних засланок, клапанів, засувок) з виконавчими механізмами, що здійснюють звістні переміщення регулюючих органів. При цьому повинна бути витримана задана залежність між переміщеннямрегулюючого органу, вираженим в градусах кута повороту, міліметрах і т. п., і відхиленнямрегулюючої величини.
Регулюючі органи встановлюють робітники, вмонтовуючи технологічні трубопроводи. Тому монтажники систем автоматизації, що виконують, як правило, установку окремо виконавчих механізмів, що стоять, і їх зчленовування з регулюючими органами, повинні прийматироботи по установці останніх і перевіряти відповідність їх технічним вимогам на монтаж приладів і засобів автоматизації і монтажно-експлуатаційної інструкції.
Регулюючі органи повинні бути урівноважені і вільно без заклинювання і застрявань переміщатися від одного крайнього положення до іншого. Якщо для їх переміщення потрібні значні зусилля, слід провести ревізію і усунути причини ненормальної роботи.
Перевіряти регулюючі органи бажано при нормальному тиску, температурі і швидкості потоку в трубопроводі.
Виконавчі механізми вмонтовують поблизу регулюючих органів в строгій відповідності з проектом в добре освітлених місцях, не схильних вібрації. Встановлюють їх на підлозі на спеціальних підставках або на кронштейнах, які, у свою чергу, закріплюють на стінах, колонах і інших несучих конструкціях будівель.
Конструкція кріплення виконавчих механізмів повинна бути жорсткою з урахуванням маси механізмуі що розвиваються їм зусиль.
Пневматичні виконавчі механізми з мембранним приводом конструктивно з'єднані з регулюючими органами, тому їх встановлюють організації, вмонтовуючи технологічні трубопроводи. Виконавчі механізми з регулюючими органами зчленовують жорсткою тягою. Стисле повітря подається по мідних або сталевих безшовних трубах, які приєднують до штуцерів механізму за допомогою ніпеля з накидною гайкою.
3. Вибір засобів автоматизації
Економічність роботи трубчастих печей багато в чому залежить від правильної організації управління тепловим режимом. Підтримка заданих робочих параметрів експлуатації печі за допомогою системи автоматичного контролю і регулювання дозволяє одержувати цільові продукти до максимальними виходами, підвищувати їх якість, раціонально витрачати паливо, пару, стисле повітря, електроенергію, зберігати матеріальну частину печі, збільшувати міжремонтні пробіги установок.
Схемами контролю і регулювання режиму роботи трубчастих печей передбачається підтримка певних параметрів в заданих межах відповідно до вимог технологічного процесу і безпечної експлуатації виробництва. При розробці таких схем звичайно враховують необхідність:
а) підтримка постійності заданої витрати сировини, що пропускається через змійовик, для чого на сировинному трубопроводі розміщує регулятор витрати (одноконтурна схема з використанням приладів АУС);
б) контролю і регулювання температури сировини, що нагрівається, на виході з печі;
в) підтримки постійності заданого тиску палива перед комбінованими форсунками, а також пари або повітря для розпилювання рідкого палива; для цього застосовують регулятори тиску типу РД або комплект, що складається з датчика МГП-270 і вторинного приладу ОЧ-МС-610; для підтримки постійного тиску, контрольованого манометрами, виконавчі механізми регуляторів встановлюють на лінії скидання надлишку палива з напірної лінії до форсунок в приймальну лінію до насосів;
г) контролю температури топочных газів в топці, над перевалом, на виході з камери конвекції і далі по газовому тракту; для цього застосовують термопари групи ХА з висновками на самописний прилад ЕПП-09;
д) періодичного контролю тяги і відбору проб для аналізу продуктів згоряємого палива; проводять за допомогою переносних приладів теплотехнічного контролю.
Регулювання температури сировини на виході з печі.
Основним і найважливішим параметром, що підлягає регулюванню, є температура сировини на виході з печі. При постійній витраті і постійній температурі сировини на вході температура його на виході залежить від кількості тепла, переданого трубчастому змійовику. Для більшості печей це регулювання автоматичне і здійснюється зміною кількості палива, що подається до пальників.
В печах з великою поглинаючою тепла поверхнею і мають футеровку малій теплоємності зміну кількості палива, що підводиться, достатньо швидко відображається на температурі сировини на виході з печі. Навпаки, в печах з мало розвинутою теплообмінною поверхнею, футерованих матеріалами, які володіють високою теплоємністю, зміна температури сировини на виході з печі значно запізнюється при регулюванні подачі палива на спалювання в топці унаслідок великої інерційності системи.
Крім того, утруднення в регулюванні температури сировини на виході з печі виникають при коливаннях витрати і температури сировини на вході в піч, при непостійності його складу, а також при зміні чинників, що впливають на режим спалювання палива (тиску в системі, складу, витрати і температури палива, робочих параметрів розпилюючих агентів — пари і повітря і т. п.).
Через непостійність складу і кількості що подається до печей паливного газу на багатьох підприємствах температура сировини на виході з печі регулюється за рахунок зміни подачі до комбінованих пальників рідкого палива. Проте в зимовий час виникають утруднення в експлуатації регулюючих клапанів, встановлених на лініях рідкого палива; тому на деяких установках перемикаються на регулювання подачі газоподібного палива.
На Рис. 3.1 приведена розроблена схема регулювання температури сировини на виході з печі за допомогою електронного самописного приладу ЕПД-32 з пневматичним изодромним регулюючим пристроєм типу 04. Зміна температури сировини викликає відповідну зміну термоелектродвижучеї сили термопари; ця е.д.с. перетвориться вимірювальним пристроєм потенціометра в переміщення показуючого і реєструючого механізмів приладу. Вказане переміщення через систему важелів передається регулюючому пристрою типу 04 як сигнал (поточне значення регульованого параметра). Для зміни заданого значення регульованого параметра вручну на потенціометрі переміщають задатчик, який також системою механізму важеля передає сигнал-завдання регулюючому пристрою.

Рис.3.1. Схема пропорционально-интегрального регулювання температури сировини на виході з трубчастої печі: 1 — прилад для вимірювання температури; 2,5 — прилади для вимірювання температури і витрати з Пі-регуляторами; 3— блок передування БП-28Б; 4— розділова мембрана; 6— датчиквимірника витрати; 7— діафрагма; 8— регулюючий клапан; 9 — термопари для вимірювання температури продуктів згоряє над перевалами; 10 — термопара для вимірювання температури сировини, що нагрівається; Т — температура; G — витрата; П — показуючий прилад; ПІ — пропорційно-інтегральний прилад; СПіз — самописець показуючий з ізодромним регулятором.
По цій же схемі передбачено ручне дистанційне керування пневматичним виконавчим механізмом за допомогою панелі типу БПДУ. Вказана схема регулювання отримала найбільше розповсюдження завдяки порівняльній простоті, і зручності в експлуатації, оскільки вимірювальне і регулююче пристрої, а також задатчик розміщені в загальному корпусі. Схема достатньо надійна і включає прилади невисокої вартості, проте для неї характерні відносно мала потужність вихідного сигналу, що обмежує дальність передачі пневмосигнала до 40—160 м, і велика інерційність роботи.

Рис.3.2. Схема каскадно-зв'язаного регулювання температури на виході з трубчастої печі: 1,2 — прилади для вимірювання температури; 3,4 — прилади для вимірювання температури і витрати з Пі-регуляторами; 5 —датчик вимірника витрати; 6 — діафрагма; 7 — регулирующий клапан; 8 — термопари для вимірювання температури продуктів згоряє над перевалами; 9 — термопари для вимірювання температур топочных газів (Т1 ) і сировини, що нагрівається (Т2 ); ПР — показуючий і реєструючий прилад; решта позначень та ж, що наРис.3.1.
Із значно меншим запізнюванням здійснюється каскадно-зв'язане регулювання (КЗР) температури сир’я на виході з печі, схема якого показана на Рис.3.2. Регулювання проводиться по температурі топочних газів над перевальними стінками. В схемі застосовується допоміжний регулятор, який складається з термопари 9 (Т1 ), перетворювача ЕПП-63, вторинного показуючого приладу ЗРЛ-29В і регулюючого блоку 4РБ-32А. Термопарами 8, розташованими над перевалами, вимірюється температура топочних газів і за допомогою коректуючої дії термопари 9 (Т2 ), встановленої на виході сировини з печі, подається результуючий сигнал виконавчому механізму (регулюючому клапану) на лінії подачі палива.
Використовування допоміжного регулятора в схемі регулювання по температурі топочних газів дає певні переваги: ліквідовуються багато обурюючі схему показників, різко знижується інерційність, запобігає небезпечному перегріву пічних труб і підвісок радиантного екрану. В печах, де на захисних трубках термопар відбувається відкладення коксу, регулювання по схемі на Рис.3.1взагалі малоефектно. Більш вдала схема на Рис.3.2, оскільки кількість тепла, передаваного радиантним трубам, і температура над перевалами (що виміряється термопарами, що знаходяться в безпосередній близькості від труб) залежать головним чином від режиму горіння і кількості спалюваного палива.
Температура топочних газів в процесі регулювання змінюється. Тому задачею головного регулятора є зміна (коректування) завдання допоміжному регулятору, установка його на таке значення, при якому температура сировини на виході з печі відповідатиме заданому значенню.
На схемі головний регулятор складається з термопари 9 (Т2 ), виміряючої температуру сировини, і електронного самописного потенціометра ЕПД з пневматичним регулюючим пристроєм типу 04. Від регулятора сигнал регулюючої дії через трехходовий кран-перемикач поступає в камеру завдання регулюючого блоку 4РБ-32А, встановлюючи таку температуру топочных газів над перевалами, при якій забезпечується задана температура сировини на виході з печі.

Рис.3.3. Схеми системи автоматичного регулювання процесу горіння в трубчастій печі (кількість рідкого палива регулюється при змінній витраті): схема а — 1,4 — діафрагми; 2 —- датчик тиску; 3 — датчик розрідження; 5—7 — термопари; 8 — піч; 9 — паливний насос; схема б — 1,4 — діафрагми; 2 — датчик тиску; 3, 9, 10 — датчики розрідження; 5—7 — термопари; 8 — датчики газоаналізатора; 11 — піч; 12 — паливний насос; Gм ; Р — тиск; Пр — перетворювач параметра в пиевмосигнал; ПСП — самописець показуючий з пропорційним регулятором; См — блок, що підсумовує; Cо — блок співвідношення; решта позначень та ж, що на Рис.3.2.
Наявність в схемі крана-перемикача істотно полегшує пуск і наладку системи каскадно-зв'язаного регулювання. З його допомогою допоміжний регулятор може включатися спочатку по одноконтурній схемі (на роботу від ручного задатчика), а потім — на роботу по схемі КСР.
Вказані схеми управління процесом спалювання палива передбачають стабілізацію лише окремих параметрів роботи печей. Створені пізніше системи автоматичного регулювання (САР) є багатозв'язковими системами, які дозволяють регулювати весь комплекс параметрів теплового режиму печей, діючих на рідкому паливі. Схема на Рис.3.4,а складається з вузлів каскадного регулювання температури сировини на виході з печі (позиції 6 і 7) , регулювання витрати водяної пари в певному співвідношенні з витратою мазуту (1 і 4 ), регулюваннярізниці тиску мазуту і пари з корекцією по в'язкості мазуту (2, 3 і 5).
Одночасно з каскадною САР температури сировини на виході з печі діє система регулювання витрати пари, що подається до пальників для розпиленості рідкого палива. Витрата пари регулюється стежачою системою, яка, «простежуючи» зміну витрати мазуту, змінює витрату пари так, щоб строго зберігалося задане співвідношення між витратами мазуту і пари. Автоматично регулюється і підтримується різниця тиску пари і мазуту, що необхідне для нормальної розпиленості палива. Для запобігання засмічення пальників при збільшенні в'язкості мазуту передбачена корекція по в'язкості. Зважаючи на складність вимірювання в'язкості мазуту, в системі вимірюється його температура, від якої залежить в'язкість. Коефіцієнт корекції фіксується на блоці співвідношення. Тиск в паропроводі по суті «подслежує» зміна тиску мазуту, який, у свою чергу, змінюється при коливанні його температури. Постійна величина, визначальна різниця між тиском мазуту і пари, встановлюється на блоці, що підсумовує. Відхилення від заданого значення температури сировини на виході з печі дорівнювало 2,5 °С, що значно нижче за того, що допускається за технологічним регламентом. При цьому усереднена добова економія палива склала 15 т, економія пари 7,5 т.
На Рис.3.3, б показана схема САР процесу горіння в трубчастій печі, відмінна тим, що тут співвідношення між витратами рідкого палива і пари змінюється автоматично залежно від вмісту кисню в топочних газах, що йдуть (позиція 8). По конструктивних міркуваннях крапка для аналізу газів вибрана в свині печі. В двох її крапках (поблизу пальників і в свині) перевіряється розрядка (позиції 9 і 10 ), щоб контролювати витрату первинного повітря на горіння. Аналіз газів на зміст кисню проводиться газоаналізатором МН-5106. Для введення в САР сигналу від газоаналізатора його вторинний прилад забезпечений пневмоприставкой.
На Рис.3.4 показана схема САР кількості рідкого палива при його постійній витраті. Тут завдання регулятору витрати палива коректується регулятором температури. Ця система забезпечує більш якісне в порівнянні з розглянутими САР управління температурним режимом печі у разі застосування пальників, що часто засмічуються. Працездатність даної САР підтверджена промисловими випробуваннями.
Управління тепловим режимом печі за рахунок зміни подачі мазуту до пальників вимагає його підігріву і підтримки на певному рівні температури, щоб в'язкість палива була постійною. Для цього паливна циркуляційна система має великий об'єм (звичайно рівний трех- і чотирикратній кількості палива від кількості його, спалюваного в пальниках в течію години), а всі трубопроводи і розподільний колектор забезпечуються системою обігріву і тепловою ізоляцією.
Вимірювання витрати палива. Вимірювання витрати мазуту, як і інших в'язких рідких палив, за допомогою діафрагм утруднено зважаючи на порівняно малі витрати і низькі значення числа Рейнольдса, якими характеризується рух палива по трубопроводах. При малих значеннях Re (порядка 200—500) постійність коефіцієнтів витрати зберігається лише при використовуванні звужуючих пристроїв нестандартної форми: діафрагм здвоєних і з подвійним скосом, сопів комбінованих і з профілем «четверть круга» або «півкола» і ін.

Рис.3.4. Схема системи автоматичного регулювання процесу горіння в трубчастої печі (кількість рідкого палива регулюється при постійній витраті): 1,2 — термопари; 3, 4 — діафрагми; 5, 6 — датчики тиску; 7 — датчики газоаналізатора; решта позначень та ж, що на Рис.3.1 і Рис.3.3.

Рис.3.5. Конструктивні розміри діафрагми з подвійним скосом для вимірювання витрати мазуту.
Для вимірювання витрати мазуту G може бути успішно застосована діафрагма з подвійним скосом (Рис.3.5), для якої модуль звужуючого пристрою m=0,12, а внутрішній діаметр трубопроводу d вн розраховується по формулі
Re=
(3.1)
де Gmax , р і v — відповідно максимальна витрата, густина і кінематична в'язкість мазуту.
Підставляючи у формулу (3.1) різні значення d вн , знаходять число Re при максимальній витраті мазуту Gmax і його мінімальну витрату Gmіn при Re=60. Для вибраного d вн число Re (при Gmіn воно рівне 20—25% Gmax ) повинне бути не менше 60 (при m=0,12). Відповідно до d вн розточують діаметр діафрагми, визначаючи його із залежності
d
д
= d
вн
(3.2)
причому d д -— діаметр розточування діафрагми.
Діафрагми з подвійним скосом вимагають ретельного виготовлення і індивідуального градуювання, оскільки вплив їх геометричних розмірів і чистоти обробки поверхні на точність вимірювання витрати палива вивчений ще недостатньо. Конструктивні розміри діафрагм з подвійним скосом для вимірювання витрати мазуту при Re=60—1000 показані на Рис.3.5.
Для расходоміра мазуту можуть застосовуватися прилади пневматичної системи СТАР: датчик — диференціальний манометр ДМ-ПЗ, вторинні прилади — ПВ4-23 (при контролі) і ПВ10.1Э (при автоматичному управлінні). При постійній температурі мазуту погрішність расходоміра не перевищує ±2—3%.
4. Опис роботи контурів
По числу контурів проходження сигналів автоматичної системи регулювання (АСР) ділять на одноконтурні і багатоконтурні.
Одноконтурними називаються системи, що містять один замкнутий контур, та багатоконтурними – маючих декількох замкнутих контурів. Багатоконтурні АСР можуть застосовуватися і для регулювання однієї величини з метою підвищення якості перехідного процесу.
В нашому прикладі розглядається багатоконтурна АСР, оскільки у нас:
перший контур – замкнутий контур виміру витрати палива;
другий контур – вимірювання температури продукту при виході з трубчастої печі;
третій контур – свідчення тиску топочных газів;
четвертий контур – регулювання подачі палива, по початкових результатах попередніх контурів ( див. ФСА).
5. Перелік засобів автоматизації
| № п/п | Найменування засобу | Тип | Кількість |
| 1 | Термопари | ТХК-089 | 2 |
| 2 | Преобразовувач | ЭПП-63 | 2 |
| 3 | Вторинний показуючий пристрій | ЗРЛ-29В | 2 |
| 4 | Регулюючий блок | 4РБ-32А | 3 |
| 5 | Датчик тиску | МГП-270 | 1 |
| 6 | Вторинний пристрій | ОЧ-МС-610 | 1 |
| 7 | Газоаналізувач | МН-5106 | 1 |
| 8 | Пневмоклапан | ПЭКДД | 2 |
| 9 | Сигналізатор рівня | МЭСУ | 1 |
6. Монтаж відбірних пристроїв та первинних перетворювачів
Первинні перетворювачі вмонтовують з складальних одиниць і деталей, виготовлених і випробуваних на заводах по виробництву монтажних виробів. Для установки ряду первинних перетворювачів (наприклад, манометрів, дифманометрів) розроблені типові настановні конструкції (ТК і ТМ). Місця установки первинних перетворювачів вказані в робочих кресленнях проекту. Розмітку місць установки і вирізку отворів для кріплення первинних перетворювачів виконує організація, що вмонтовує технологічне устаткування та трубопроводи.
Незалежно від виконавців всі роботи по розмітці, вирізці і пристрою отворів для первинних перетворювачів здійснюються під спостереженням відповідального представника організації, що вмонтовує прилади і засоби автоматизації.
6.1 Монтаж діафрагми
Діафрагму можна встановлювати тільки на прямій ділянці трубопроводу, незалежно від положення цієї ділянки в просторі. При виборі місця для діафрагми необхідно мати на увазі, що проходячий потік повинен цілком заповнити перетин трубопроводу. Вхідний торець діафрагми повинен бути перпендикулярний осі трубопроводу.
Доставлену до місця монтажу діафрагму розпаковують і протирають сухою ганчіркою. Особливо обережно треба поводитися з диском, щоб не пошкодити гостру кромку робочого отвору (з боку циліндрового розточування), оскільки після розточування вхідну кромку не можна додатково обробляти ні шкурою, ні напилком.
Переконавшись, що внутрішній діаметр камери рівний внутрішньому діаметру трубопроводу, а зовнішній діаметр камери (або бескамерной діафрагми) дозволяє вільно розмістити діафрагму під болтами фланцевого з'єднання, приступають до установки її в трубопроводі. Виступи на поверхнях ущільнювачів фланців повинні входити в западини плюсової і мінусової камер.
При установці камерної діафрагми трубки для зняття тиск повинен вільно входити в проміжки між болтами.
Після розміщення діафрагми, з урахуванням вищезгаданих правил, можна затягнути фланцеві болти, контролюючи правильність центрування діафрагми.
Монтаж сполучних ліній. При монтажі сполучних ліній слід керуватися наступними правилами:
а) сполучні лінії повинні бути прокладений по найкоротшій відстані вертикально або з ухилом до горизонталі не менше 1:10;
б) довжина сполучних ліній повинна забезпечувати охолодження виміряється середовища, що поступає в дифманометр, до температури навколишнього повітря;
в) внутрішній діаметр сполучних ліній повинен бути не менше 8 мм, а внутрішній діаметр трубок, що сполучають діафрагму зрівняльними або розділовими судинами, не менше 10 мм;
д) сполучні лінії повинні бути герметичними, вигини трубок сполучних ліній -плавні;
е) сполучні лінії повинні бути захищені від дії зовнішніх джерел тепла і холоду;
ж) установка вентилів в трубах, що сполучають зрівняльні судини з діафрагмою, не допускається;
з) в сполучних лініях рекомендується встановлювати прямоточні вентилі з умовним проходом, рівним внутрішньому діаметру сполучних ліній.
Монтаж розділових судин у відповідності з ГОСТ 8.563.2-97.
Розділові судини повинні розташовуватися максимально близько до діафрагми. Рівні рідини в розділових судинах повинні бути однаковими при нульовому перепаді тиску.
Для контролю рівня судини забезпечені контрольними пробками.

6.2 Монтаж термодвійки (термометру опору)
Первинні перетворювачі для вимірювання температури (рідинні скляні термометри, термобалони манометрових термометрів, термовідтворювачі опору і термоелектричні термометри) приймають в монтаж після стендової перевірки, в процесі якої визначають їх придатність до монтажу.
Безпосередньо перед установкою перетворювачі піддають зовнішньому огляду, перевіряють, чи немає бачимих пошкоджень; наявність технічної документації (заводського паспорта і протоколу стендової перевірки).
Термовідтворювачі опору. Перед монтажем перевіряють цілісність чутливого елемента і опір ізоляції по відношенню до захисної арматури. Останнє повинне бути не менше 20 МОм. Варіанти установки термовідтворювачів опору на трубопроводах показані на Рис. 6.3.
Термовідтворювачі опору, призначені для вимірювання температури в технологічних апаратах і трубопроводах, встановлюють в бобишках, внутрішнє різьблення яких повинне бути рівний зовнішньому різьбленню приєднувального штуцера термовідтворювача. Штуцер може бути рухомим або нерухомим. Довжина монтажної частини термовідтворювача опору визначається вимогами замовника і може досягати 3200 мм.

Рис.6.3. Установка термовідтворювачів опору на трубопроводах:
а, б — на горизонтальній і вертикальній ділянках, в — на коліні, г — за допомогою розширювача
Чутливий елемент термовідтворювачів опору знаходиться в кінці захисного чохла. Довжина чутливого елемента платинового термовідтворювача 120 мм, мідного — 60 мм. Встановлюють їх так, щоб середина чутливого елемента знаходилася якомога ближче до точки вимірювання, а щоб вимірювана їм температура не залежала від температури, що знаходяться поблизу поверхонь. Кінець занурюваної частини платинових термовідтворювачів опору повинен бути на 50—70 мм нижче за вісь потоку, що виміряється, а мідних — на 25—30 мм. При установці на коліні трубопроводу чутливий елемент повинен бути направлений назустріч потоку і розташований в центрі потоку середовища, що виміряється. Щоб уникнути засмоктування зовнішнього повітря в місці відбору імпульсу ретельно вставляють бобишку і ущільнюють в ній штуцер термовідтворювача.
При установці термовідтворювача в горизонтальному або похилому положенні штуцер для введення дротів в головку термовідтворювач направляють вниз, щоб на сполучні затиски не потрапляла волога. Дроти до термовідтворювача підводять, як правило, в гнучких металорукавах довжиною не менше 500 мм. Для зручності експлуатації перед термовідтворювачем залишають невеликий запас дроту.
6.3 Монтаж відбірного пристрою тиску
Відбірні пристрої для вимірювання тиску і вакууму вмонтовують на ділянках з прямолінійним потоком середовища. На горизонтальних і похилих трубопроводах відбірні пристрої встановлюють на газо- і повітропроводах у верхній частині, на трубопроводах, несучих рідини і пару, — збоку.
Для вимірювання надмірного тиску і вакууму в системах автоматизації використовують уніфіковані відбірні пристрої. Відбірні пристрої тиску (Рис. 6.4, а , б)складаються з кільцеобразної трубки 1 , ніпельного з'єднувача 2, замочного органу (вентиля або триходового крана) 3 і футорки 4 з різьбленням М20х 1 1/2" для приєднання манометра або вакуумметра. Кільцеобразна трубка необхідна для захисту при вимірюванні тиску гарячої рідини (температура більш 70° С) і пари. Її призначення — не допустити проникнення в манометр гарячої води або пари. В кільці скоплюється охолоджений конденсат і тим самим відділяє манометр від середовища, що виміряється. Крім того, кільцеобразна трубка дещо згладжує кидок тиску у момент підключення приладу. Відбірний пристрій приварюють до заставної конструкції — штуцеру, встановленому безпосередньо на трубопроводі або апараті.
Відбірні пристрої тиску і вакууму газового або повітряного середовища (Рис.6.4, в, г) встановлюють вертикально або під деяким кутом вгору. В цьому випадку що утворюється в відбірному пристрої і імпульсному трубопроводі конденсат стікатиме назад в трубопровід або технологічний апарат.
При відборі імпульсу тиску (вакууму) димових газів відбірний пристрій встановлюють в такому місці, де можлива якнайменша концентрація твердих частинок. Варіанти установки добірних пристроїв для вимірювання вакууму на вертикальних і горизонтальних ділянках цегляного газоходу і газоходу з металевою обшивкою показані на Рис.6.5.
Для зручності обслуговування слід уникати установки добірного пристрою поблизу заслінок, шиберов, вигинів трубопроводу, фланців. При монтажі особливу увагу надають якості приварювання штуцерів і бобишек: на їх внутрішній поверхні не повинні залишатися напливи грата, що утворюється при зварці. В осоружному випадку звуження внутрішнього перетину відбірних пристроїв може привести до запізнювання імпульсу тиску вакууму. Крім того, відбірні пристрої тиску і вакууму не повинні мати виступів всередину технологічного устаткування або трубопроводів щоб уникнути спотворення параметрів, що виміряються, оскільки виникаючі при цьому завихрення вносять зміни в свідчення приладів.
У разі вимірювання тиску або вакууму середовища, що має високу в'язкість або агресивно впливаючої на матеріал чутливого елемента вимірювального приладу, застосовують розділові судини. Середовищем, що при цьому виміряється, заповнюють імпульсну лінію від технологічного апарату або трубопроводу лише до розділової судини, далі всю лінію заповнюють розділовою рідиною. При виборі розділової рідини враховують наступні вимоги: рідина не повинна змішуватися і з'єднуватися з середовищем, що виміряється, повинна бути негорючою і не надавати руйнуючої дії на деталі вимірювального приладу.

Рис. 6.4. Добірні пристрої тиску і вакууму

Рис. 6.5. Установка добірних пристроїв для вимірювання вакууму:
а, б — на вертикальному і горизонтальному газоході з металевою обшивкою, в, г — на вертикальній і горизонтальній ділянках цегляного газоходу; 1 — добірний пристрій вакууму, 2 — заглушка, 3 — обсадна труба, 4 — імпульсний трубопровід
6.4 Монтаж відбірного пристрою рівня
Рівнеміри поплавкові. Особливу увагу надають установці поплавців, канатів і тяги. Тягу встановлюють так, щоб переміщення поплавця і троса або тяги відбувалося без затирань. Хід поплавця повинен бути рівний або дещо більше максимального вимірювання рівня.
Рівнемір 1 (Рис. 6.5) кріплять на кронштейні 5, закладеному в стіну, як показано на малюнку, або привареному до металевої конструкції. Поплавець 4 поміщають в заспокійливу камеру 3, виконану з труби діаметром 400 мм Щоб уникнути затирання троса блок 6 встановлюютьстрого перпендикулярно і вертикально над поплавцем. Для урівноваження рухомої системи, що складається з поплавця 4 , тросаз блоком 6 івимірювальної частини рівнеміра 1 , між поплавцем і блоком встановлюють противагу 2 .

Рис.6.5. Монтаж поплавця рівнеміра: 1 — рівнемір, 2 — противага, 3 — заспокійлива камера, 4 — поплавець, 5— кронштейн, 6 — блок
П'єзометричні рівнеміри. Вимірювальну (п'єзометричну) трубку 2 (Рис.6.6, а) встановлюють вертикально або збоку з ухилом у бік судини — місткості 1 так, щоб відкритий знизу кінець трубки був опущений нижче за мінімальний рівень контрольованої рідини. Внутрішній діаметр п'єзометричної трубки повинен бути не менше 14 мм. Повітря (або газ), що потрапляє в лініюживлення 4 , яка виконана з труби діаметром 6 мм, повинен бути заздалегідь обчищено. Для цієї мети встановлюють фільтр 7, а для регулювання подачі повітря (або газу) — редуктор 6 . Імпульсну лінію 3 , для якої також використовують труби діаметром 6 мм, приєднують безпосередньо у п'єзометричної трубки. Всі роботи по монтажу трубних проводок установки виконують ретельно, щоб запобігти можливості витоку повітря і спотворенню свідчень приладу.

Рис.6.6. Установка п'єзометричних рівнемірів для вимірювання рівня у відкритій місткості: 1 — місткість, 2 — п'єзометрична трубка, 3 — імпульсна лінія, 4— лінія живлення, 5 — манометр, 6 — редуктор, 7 —фільтр, 8 — дифманометр; р — тиск живлячих газу або повітря
Електронні індикатори рівня. Перетворювач без фланця вкручують в різьбовий штуцер (Рис.6.7, а), приварений доверхньої кришки резервуару, і затягують для забезпечення необхідної герметизації. Перетворювач з фланцем закріплюють у відповідь на фланці резервуару (Рис.6.7, б ) і затягують шістьма болтами.
Для збільшення точності і стабільності свідчень електронних індикаторів рівня рекомендується при монтажі їх перетворювачів в резервуарах з непровідних матеріалів або на відстані, перевищуючому 1 м від провідних стін резервуару, встановити паралельно осі стрижньового перетворювача металеві електроди (стрижні, труби, смуги, троси і т. п.), що розташовуються не більше ніж на 200 мм від осі перетворювача. Електроди і корпус перетворювача заземляють.
Перетворювач не розрахований на роботу в середовищі, разрушающе діючої на його деталі, а також в середовищах в'язкою, пленкообразующей і що кристалізується, діючих твердий осад на електроді перетворювача.
Правила установки вимірювального пристрою електронного індикатора рівня і з'єднання його з перетворювачем розглянуті нижче в п.7.

Рис.6.7. Установка електронного індикатора рівня (а) і перетворювача на фланці (б): 1 — перетворювач, 2 — вимірювальний пристрій, 3 — коаксіальний сполучний кабель, 4 — миліамперметр
7. Монтаж приладів
Монтаж приладів і систем автоматизації здійснюють відповідно до проекту, технічних умов, інструкцій заводів-виготівників і умов експлуатації. Місця установки приладів, апаратури і замочної арматури (кранів, вентилів, перемикачів) повинні бути доступний і зручний для обслуговування, а також добре освітлений. В труднодоступних місцях для зручності обслуговування приладів і апаратури проектом повинні бути передбачений, а будівельною організацією встановлені сходи, майданчики і т.п.
Щоб уникнути пошкодження прилади і апаратуру не допускається встановлювати: в приміщеннях з незакінченими будівельними і обробними роботами, а також до закінчення робіт по монтажу технологічного устаткування; в місцях, схильних вібрації; в умовах агресивних середовищ і місцях з підвищеною вогкістю; в місцях з сильним магнітним полем.
До монтажу приладів, встановлюваних в щитах і пультах, пред'являються спеціальні вимоги (ОСТ 36.13—76). Наприклад, при установці на фасадній панелі щита приладів завдовжки (глибиною) більше 300 мм незалежно від їх маси або масою більше 10 кг незалежно від їх глибини їх хвостову частину закріплюють на каркасі щита. Вживаний для цього вузол кріплення (Рис.7.1, а) є опорою 6 з перфорованого профілю, яка спирається на два бічні швелери 5, закріплених на стійках 7 каркаса щита. Прилади 3 фіксують на опорі 6 хомутами 4 . На малюнку показаний приклад закріплених на одній опорі двох приладів різних габаритів, внаслідок чого їх корпуси виявляються на різній відстані від опори. Для усунення цього застосовують підставки 2 з підкладками.
При установці групи приладів (Рис.7.1, б )в один ряд впритул один до одного їх притискують до опори загальним швелером за допомогою шпильок 9. Між приладами і швелером встановлюють еластичні підкладки, які оберігають прилади від пошкоджень при вібраційних навантаженнях на щит.

Рис.7.1. Приклад кріплення на каркасі щита хвостових частин одиночних приладів (а ) і групи приладів (б ): 1 — фасадна панель, 2 — підставка, 3 — прилади, 4 — хомут, 5 — бічний швелер, 6 — опора, 7 — стоїка, 8 — швелер, 9 — шпилька
Апаратуру, встановлювану усередині щитів (наприклад, блоки контактних затисків, апаратуру сигналізації, трансформатори), вмонтовують на уніфікованих деталях. Деталі, на яких кріплять апаратуру (скоби, косинці, швелери), називаються основними (Рис.7.2, а ).Зубчатіскоби 1 встановлюють на бічних площинах каркасів щитів, а також на поворотних рамах, косинці 2 і 4 — на каркасах щитів в площині, паралельній фасаду, а також в корпусах пультів.
В основній полиці скоб і косинців виконані подовжні овальні отвори і трапецієвидні виступи, кожний з яких має по одному поперечному отвору. Отвори призначені для закріплення апаратів захищеного виконання, настановні отвори яких розташовані зовні зони висновків, а проводки приєднуються спереду або ззаду. Невелика відстань між сусідніми отворами дозволяє встановлювати апарати практично на будь-якій відстані один від одного.
Трапецієвидні виступи з овальними отворами служать для закріплення апаратів, настановні отвори яких знаходяться зверху і знизу корпуси в зоні висновків, а проводки приєднуються ззаду.
Деталі, що використовуються для монтажу апаратури і проводок, називаються допоміжними (Рис.7.2, б ). Наприклад, підставку 5 використовують для установки трансформаторів і іншої апаратури масою більше 10 кг в горизонтальному положенні, кронштейни К4—К6 (6) — для монтажу в одному ряді апаратів з різними міжцентровими відстанями настановних отворів, кронштейни К55 (7 ) —для кріплення штепсельних роз'ємів ШР і СШР, кронштейни КП4 (8 )— для кріплення пластмасових вентилів, стельових патронів і інших настановних виробів. Електричні і трубні проводки в щитах і пультах кріплять на кронштейнах К51 (9 ).
Кріплять прилади і апаратуру на несучих конструкціях (щитах, пультах і стативах) кріпильними деталями, що не мають зірваних резьб, шлицев і граней. Всі різьбові з'єднання повинні бути туго затягнутий. В місцях, схильних вібрації, прилади і апаратуру встановлюють на амортизаціях, щоб повністю усунути або змінити частоту і амплітуду коливань до значень, що забезпечують нормальну роботу приладів і міцність їх кріплення. В останньому випадку різьбові з'єднання забезпечують пружинними шайбами, шплінтами або контргайками, що виключають їх мимовільне відгвинчування.

Рис.7.2. Основні (а ) і допоміжні (б ) деталі для монтажу апаратури і проводок усередині щитів і пультів: 1 — зубчата скоба, 2 —зубчатий косинець, 3 — скоба, 4 — косинець, 5 —подставка, 6-9 - кронштейни (К4-К6, К55, К114, К51)
Відповідно до СНіП 3.05.07—85 захисне заземлення систем автоматизації вмонтовують одночасно зі всіма монтажними роботами.
Технологічні установки, що автоматизуються, харчуються, як правило, від електроустановок напругою до 1000 В з глухозаземленой нейтралью. В таких установках заземлення як захисну міру безпеки від поразки електричним струмом називають зануленням (на відміну від електроустановок з ізольованою нейтралью, де застосовується термін заземлення).
При зануленні всі металеві корпуси електроприймачів і металеві конструкції електрично зв'язані через нульовий захисний дріт з глухозаземленной нейтралью сіті — від неї харчується система автоматизації. Завдяки цьому всяке замикання на корпус перетворюється на коротке замикання і аварійну ділянку відключається запобіжником або автоматом.
Сіть занулення передбачають в електротехнічній частині проекту. Її вмонтовують спеціалізовані електромонтажні організації. При монтажі систем автоматизації виконують лише приєднання елементів вказаних систем до сіті занулення за допомогою нульових захисних провідників. Занулення виконують: при напрузі змінного струму 380 В і вище і постійного струму 440 В і вище — у всіх електроустановках; при номінальних напругах змінного струму вище 42 В і постійного струму вище 110 В — тільки в електроустановках, розміщуваних в приміщеннях з підвищеною небезпекою і в особливо небезпечних, а також в зовнішніх установках; у вибухонебезпечних установках — при будь-якій напрузі змінного і постійного струму.
В технологічних установках зануленню, що автоматизуються, підлягають: металеві частини приладів і електроустановок, в яких при пошкодженні ізоляції оболонок дротів можливо поява небезпечного для життя персоналу напруги, у тому числі: корпуси манометрів ЕКМ і МЕД, дифтягомеров ДТ, гідравлічних (ГИМ) і електричних (МЕО) виконавчих механізмів і інших засобів автоматизації, апаратів управління, захисту, освітлення; щити і пульти систем автоматизації (включаючи щити живлення і сигналізації); броня і оболонки пневмока-білей, контрольних кабелів, металеві оболонки дротів; захисні сталеві труби, металеві короби і лотки, кронштейни і інші види металоконструкцій; корпуси сполучних коробок при введенні в них неброньованих кабелів з неметалічними захисними оболонками; металеві конструкції групових стендів приладів; корпусу джерел живлення, випрямлячів і трансформаторів.
Як нульові захисні провідники можуть бути використаний: нульові робочі провідники; спеціально передбачені для цієї мети провідники (четверта або третя жила кабелю, четвертий або третій дріт, сталеві смуги); металеві конструкції будівель (ферми, колони, естакади) виробничого призначення (майданчики обслуговування, обрамлення каналів); сталеві труби електропроводок; алюмінієві оболонки кабелів; металеві короби і лотки для прокладки електричних проводок і т.д.
Використовувати як нульові захисні провідники газопроводи і імпульсні трубопроводи від них, лінії каналізації і центрального опалювання забороняється.
Для надійного з'єднання сталевих труб електропроводок, що використовуються як нульові захисні провідники, при відкритій прокладці застосовують добре затягнуті муфти, ущільнені на сурику, або інші конструкції, що забезпечують надійний контакт; при прихованій прокладці і в сітях із заземленою нейтралью при відкритій прокладці — сталеві різьбові муфти, ущільнені на сурику і приварені до труб в двох-трьох крапках з обох боків. На довгій ділянці різьблення (зганянні) з боку зганяння перед муфтою встановлюють контргайку. При з'єднанні труб на чавунних муфтах і чавунних электрофитингах в обхід муфт і электрофитингов приварюють перемички з круглої сталі діаметром 6—8 мм.
Броню кабелів (Рис.7.3, а) у кінцевих закладень зануляют за допомогою провідника, один кінець якого припаюють до броні, а інший приєднують до занулюючого щита, коробки і т.п. За-нуляющий провідник до броні кабелю приєднують після оброблення кінця кабелю, до накладення ізолюючих обмоток на корінець закладення. У місця обріза броні на оболонку кабелю підмотують шнуровий азбест для запобігання місця паяння від забруднення бітумним складом. Броню кабелю зачищають і лудять припоєм ПОС-61.

Рис.7.3. Заземлення броні кабелю (а ) і екрануючої оплетки (б, в): 1 — зануляющий провідник, 2 —- бандаж із мідного дроту, 3 — мідналуджена смужка, 4 — паянняприпоєм ПОС-61
Зануляющий провідник 1, який звичайно виготовляють в монтажно-заготовчих майстерних, також лудять припоєм ПОС-61 по всій довжині і оконцовывают наконечником опресовкою. Щоб уникнути виплавки при короткому замиканні напувати наконечник на зануляющий провідник заборонено.
Провідник укладають уздовж кабелю на місцях броні, що лудять, прикріплюють до кабелю бандажем 2 з 3 — 4 витків мідного лудженого дроту діаметром 1 мм і припаюють припоєм ПОС- 61 до обох стрічок броні. Для захисту від вологи місця паяння зачищають від слідів флюсу і покривають декількома шарами асфальтового лака.
Екрануючі оплетки кабелю або дроту (Рис.7.3, б )зануляют перед місцем їх кріплення у збірки затисків або у введення в прилад або апарат. На відстані 10—15 мм від цього місця на екрануючу оплетку накладають бандаж з 6 — 7 витків мідного дроту діаметром 0,4 — 0,5 мм.
Екрануючу оплетку від кінця кабелю (або дроти) до бандажа розплітають і розділяють на два рівні пасма, розтягують і скручують кожне пасмо окремо, а потім обидва пасма між собою, утворюючи з них зануляющую перемичку. Кінець перемички припаюють припоєм ПОС-61 з каніфольним флюсом і закріплюють на ньому опресовуванням кабельний наконечник.
Якщо кабель (дріт) і занулюючий щит або коробка розташований таким чином, що довжина перемички з проволікав екрануючої оплетки недостатня для підключення до заземлителю, то екрануючу оплетку зануляют за допомогою гнучкого провідника, що припаюється до мідної лудженої смужки 10x0,2 мм (Рис.7.3, в).
В щитових конструкціях слід виконувати як електричне з'єднання металевих частин щита (пульта) між собою, так і занулення (заземлення) корпусів приладів і апаратів, що мають спеціальний висновок «Земля». Для забезпечення занулення в опорних рамах щитів шафових і панельних з каркасом (ОСТ 36.13—76) приварені пластини з двома отворами під болти М6 і М8. Такі ж пластини приварені в нижніх частинах малогабаритних щитів і пультів до заземляющим затисків, утворених болтами з гайками і шайбами.
Між всіма металевими частинами щитів і пультів, що скріпляються між собою, повинне бути надійне електричне з'єднання, що забезпечується таким чином. В щитах шафових і панельних з каркасом, а також в пультах електричне з'єднання між металевими частинами каркаса здійснюється через ті, що кріплять болти. При цьому на металеві частини каркаса в місцях сполучення не наносять лакофарбного покриття. Таким же чином забезпечено електричне з'єднання між фасадними панелями щитів шафових і панельних з каркасом і пультів, а також кришками малогабаритних щитів і їх каркасами.
Електричне з'єднання між каркасом і бічними стінками щитів шафових і панельних з каркасом, кришками шафових щитів здійснено шляхом урізування приварних скоб в кромки відповідних отворів в каркасах. Урізування відбувається при повороті скоб в процесі збірки металоконструкції.
Електричне з'єднання каркаса щитів (шафових і панельних з каркасом) із заземляющим болтом М6, поворотної рами з каркасом щита, дверей малогабаритного щита і столешниці пульта з їх каркасами виконують гнучкими провідниками (Рис.7.4); дверей шафових щитів і пультів з їх каркасами — через металеві петлі.

Рис.7.4. Електричне з'єднання каркаса щитової конструкції з її опорною рамою: 1 — каркас, 2 — опорна рама, 3 — гнучкий провідник, 4 — затиск заземлення
Електричне з'єднання між металевими деталями (для монтажу апаратури і проводок) з каркасом щита, статива і пульта з лакофарбним покриттям здійснюють гнучким нерозрізаним провідником (Рис.7.4, а). Якщо каркас щитів і пультів оцинкований, електричне з'єднання здійснюють контактним тиском через кріпильні гвинти.
Занулення (заземлення) корпусів приладів і апаратів, що мають спеціальний висновок «Земля», виконують гнучким нерозрізаним провідником.
Для приєднання гнучких провідників до висновків «Земля» застосовують наконечники (Рис.7.4, б ). Кінець провідника приєднують до заземляющему болта М6 щита або пульта, передбаченого в опорній рамі. При необхідності допускається приєднання до вільного заземляющого болта М8.
Занулення (заземлення) металевих оболонок, екранів кабелів і дротів, що прокладаються в щитах і пультах, виконують гнучкими зануляющими (заземляющими) провідниками із заземляющими затисками щитів і пультів. При великій кількості оболонок (екранів) кабелів застосовують загальний нерозрізаний провідник.
Якщо заземляющих болтів недостатньо, зануляющие (заземляющие) провідники приєднують до складок контактних затисків, сполучених із заземляющим затиском щита або пульта. При цьому провідник, що сполучає контактні затиски між собою і із заземляющим затиском щита або пульта, повинен бути нерозрізаним.
В багатопанельних щитах всі панелі повинні мати між собою надійний електричний контакт. Якщо панелі щита зібрані на загальній підщитовій рамі з швелера, сполучають кожну панель з рамою перемичкою із смугової сталі перетином не менше 15X3 мм.

Мал. 160. Приклади електричного з'єднання металевих деталей з каркасом щитової конструкції (а ) і занулення (заземлення) приладів і апаратів, що мають спеціальний висновок «Земля» (б ): 1 — косинець, 2 — стійка щита, статива, 3 — гнучкий нерозрізаний провідник, 4, 7 — заземляющие затиски М6 і М8, 5 — наконечник, 6 — прилад
Перемички приварюють до вузла занулення панелі і ребра швелера або приєднують до болта вузла заземлення панелі. За відсутності на панелях скоб занулення перемички приварюють до нижнього борту панелі.
Первинні перетворювачі, сигналізатори і виконавчі механізми приєднують до сіті занулення окремими гнучкими зануляющими провідниками. Послідовно сполучати зануляючяим провідником декілька зануляемих приладів заборонено.
Зануленню підлягають також електропроводки в приміщеннях з вибухонебезпечним середовищем і зовнішніх вибухонебезпечних установок всіх класів незалежно від напруги і роду струму. При цьому прилади і засоби автоматизації, встановлені на занулюючих металевих конструкціях, повинні мати власне незалежне занулення. Занулять слідує також кабельні конструкції, по яких прокладені кабелі будь-яких напруг з металевими оболонками, що занулюють з обох кінців лінії.
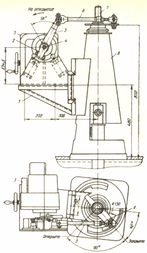
8. Монтаж регулятора та виконавчого механізму з регулюючим органом
Гідравлічні виконавчі механізми ГВМ вмонтовують на горизонтальній площині. Живлення ГВМ здійснюється через редукційний клапан типу РК-2. Клапан розрахований на живлення трьох-чотирьох механізмів, підтримує тиск води, що поступає, на рівні 0,16 МПа. Встановлюють його на відведенні живильного водопроводу, виконаному з водогазопровідних труб Dy20 мм. Для підтримки тиску води в заданих межах може бути використаний будь-який редукційний клапан з відповідною характеристикою. Для цієї ж мети використовують напірний бак, мається свій в розпорядженні на висоті 10—15 м від рівня установки виконавчих механізмів. У разі відсутності водопровідної води використовують замкнуту систему водопостачання. При цьому натиск води також створюється за рахунок бака.

Рис.8.1. Конструкція для установки гідравлічного виконавчого механізму: 1 — підставка, 2 — труба, 3 — гайка, 4 — контргайка, 5 — муфта, 6 — воронка, 7 — хомут
Для установки ГВМ застосовують нормалізовані конструкції (Рис. 8.1), що складаються з підставки 1 і закріпленої на ній труби 2 із зливною воронкою 6 . Приєднання труби до дренажного трубопроводу виконано накидною сполучною гайкою 3 , а до зливної воронки—муфтой 5 і контргайкою 4 . Кут α визначають залежно від розташування дренажного трубопроводу на місці монтажу. Під час монтажу звертають увагу на стан регулюючого органу, зчленованого з виконавчим механізмом. Регулюючий орган повинен бути урівноважений і легко переміщатися. Якщо для перестановки потрібні значні зусилля, проводять ревізію і усувають причини його неправильної роботи. Конструкція зчленовування гідравлічного виконавчого механізму з регулюючим органом повинна передбачати використовування повного ходу поршня сервомотора механізму при повному ходу регулюючого органу.
Електричні виконавчі механізми встановлюють підставою або бічною стінкою на кронштейні або якій-небудь іншій конструкції. При цьому вісь вихідного валу виконавчого механізму повинна займати горизонтальне положення. Вихідний вал виконавчого механізму зчленовують з валом регулюючого органу кривошипом і жорсткою тягою. Вузли зчленовування виконавчого механізму з регулюючим органом не повинні мати люфтів. Корпуси електричних виконавчих механізмів заземляють за допомогою дроту перетином з площею не менше 4 мм2 через спеціальний болт, передбачений на механізмі. На Рис.8.2 показана установка електричного виконавчого механізму типу МЕО, керівника поворотним регулюючим шибером. Шибер розташований вертикально в димарі нагрівальної печі і є регулюючим органом в схемі автоматичного регулювання тиску в печі. Виконавчий механізм 3 встановлюють на кронштейні 1 , який прикріплений безпосередньо до корпусу 8 колонки регулюючого шибера. Важіль 5 виконавчого механізму шарніра зчленований із сполучною тягою 6 , інший кінець якої також шарнірно зчленований з важелем 9 поворотного шибера. Переміщення важеля 5 по або проти годинникової стрілки обмежується кінцевими вимикачами. Упор 2, що переміщається одночасно з важелем 5 , впливає на кінцеві вимикачі так, що виконавчий механізм переміщає поворотний шибер в межах 90° від крайнього положення «Закрито».

Рис.8.2. Установка електричного виконавчого механізму типу МЕО, керівника поворотним регулюючим шибером: 1 — кронштейн, 2 — упор, 3 — виконавчий механізм, 4 — вихідний вал виконавчого механізму, 5 — важіль, 6 — сполучна тяга, 7 — вихідний вал регулюючого шибера, 8 —корпус колонки регулюючого шибера, 9 — важіль поворотного шибера
Вимоги до установки інших однооборотних виконавчих механізмів, таких як ДР-1М і ПР1-М, аналогічні вимогам, що пред'являються до установки механізмів типу МЕО. Слідує лише мати на увазі, що конструкція цих виконавчих механізмів розрахована на роботу тільки при горизонтальному розташуванні валу ротора електродвигуна.
Електричні виконавчі механізми ИМ встановлюють в приміщеннях з температурою навколишнього середовища від 20 до 60° С і відносною вогкістю 30—80%. На Рис.8.3 показаний приклад установки виконавчого механізму ИМ-2/120 на вертикальному трубопроводі. Вісь його вихідного валу повинна бути розташований горизонтально. Механізм кріплять до несучої конструкції підставою або однієї з бічних стінок корпусу чотирма болтами М8х20.
Командні дроти від магнітних підсилювачів регуляторів перепитом 1,5—4 мм2 вводять у виконавчий механізм 7 через кільце ущільнювача штуцерного введення. Вихідний вал 8 виконавчого механізму сполучають з вихідним валом 4 регулюючі органи кривошипом 9 і сталевою тягою 6 діаметром 10 мм. Довжина тяги повинна бути мінімальною, її вибирають залежно від відстані між виконавчим механізмом і заслінкою і типоразмера останньої.
Поворотну регулюючу заслінку 2 вбудовують в чавунний литий корпус і кріплять між фланцями трубопроводу 1 болтами, число і діаметр яких залежать від типоразмера встановлюваної заслінки і вказані в заводській інструкції.

Мал. 185. Установка електричного виконавчого механізму типу НИМ, зчленованого з поворотною регулюючою заслінкою.
9. Виконання зовнішніх схем з'єднань вибір трубних проводок та кабелів
Схеми показують лінії зв'язку між приладами засобів автоматизації і щитами. Виконуються вони по виробничій ознаці.
При виконанні схеми по її периметру розташовують табличні пояснюючі написи, які розміщують в прямокутниках. Пояснюючі написи можуть бути і індивідуальні, які розташовують над ним усередині графічних зображень елементів схеми. В пояснюючих таблицях указують найменування агрегатів, контрольованих і регульованих технологічних параметрів, місця установки добірних пристроїв, найменування апаратів.
Ближче до центру, над і під таблицями показують добірні пристрої, первинні перетворювачі, виконавчі механізми і інші засоби авгоматизации, встановлювані на технологічному устаткуванні і трубопроводах. Вказані апарати показують у вигляді кіл з умовним позначенням, прийнятим при виконанні ФСА.
Усередині умовних зображень первинних перетворювачів і інших приладів, що мають під'єднування до електричного ланцюга, показують затиски про відповідність з їх дійсним положенням на виробі, а також тип приладу. Над винесенням проставляють позицію приладу по ФСА і специфікации, а під виноской—номер настановного креслення для даного приладу.
Для апаратів, що не мають маркіровки зовнішніх висновків, указують схему внутрішніх з'єднань.
В середній частині схеми у вигляді прямокутників показують щити, пульти. Між зображенням щитів і зображеннями добірних пристроїв первинних перетворювачів і виконавчих механізмів розміщують зображення сполучних коробок, вторинних приладів і інших елементів систем автоматизації, встановлюваних по місцю.
Біля їх графічного зображення під винесенням указують тип і порядковий номер даного пристрою.
Електричні проводки між перерахованими елементами систем автоматизації креслять на схемі суцільними лініями. Біля кожної лінії наносять марку кабелю (дроти), його довжину в метрах, число жил, їх перетин. Маркірують електричні проводки порядковими номерами зліва направо і зверху вниз. При цьому першими номери дроти від первинних перетворювачів до сполучних коробок, потім — дроти від з'єднуючих коробок до щитів. На зображенні дротів указують маркіровку ланцюгів, узяту з принципових схем, заводську маркіровку затисків.
Ті ж дані проставляють у трубних проводок, що зображаються штрик-пунктирними лініями. Трубні проводки маркірують в тому ж порядку, номерами з нулем попереду.
10. Розрахунок регулюючого клапана
Схеми регулюючих органів показані на Рис.10.1. В регулюючому клапані шток виконавчого механізму жорстко пов'язаний із затвором (Рис.10.1,а ). При переміщенні останнього щодо сідла змінюється прохідний перетин і відповідно витрата речовини, що проходить через регулюючий орган. В засліночному регулюючому органі (Рис.10, б ) шток приводу через важіль, сполучений з віссю, обертає заслінку, яка змінює витрату речовини.
Виконавчий пристрій, що складається з пневматичного мембранного виконавчого механізмуі регулюючого органу, називають пневматичним регулюючим клапаном (Рис.10.2).
По виду замочного пристрою пари затвор — сідло пневматичні регулюючі клапани ділять на односідельні і двохсідельні. Перші мають неврівноважений затвор, оскільки на нього діє виштовхуюча сила середовища, і тому застосовуються у виконавчих пристроях малих розмірів при низькому тиску середовища. Другі мають урівноважений затвор і використовуються у виконавчих пристроях великих розмірів і при високому тиску середовища.
Пневматичні регулюючі клапани можуть бути «нормально відкритими» і «нормально закритими». У нормально відкритих (НО) за відсутності тиску повітря в головці клапана прохідний перетин повністю відкрито (Рис.10.2,а ); з підвищенням тиску повітря на мембрану прохідний перетин закривається. Такі клапани також називають «повітря закриває» (ВЗ). У нормально закритих (НЗ) за відсутності тиску повітря в головці клапана прохідний перетин закритий (Рис.10.2,б ); з підвищенням тиску повітря на мембрану прохідний перетин відкривається. Такі клапани також називають «повітря відкриває» (ВО).
Клапани типу НО застосовують в тих випадках, коли при аварійному припиненні подачі повітря в головку клапана за технологічних умов більш безпечно мати відкриту лінію. В осоружному випадку ставлять клапан НЗ.

Рис.10.1. Схеми регулюючих органів: а — односідельного; б — засліночного; 1 — корпус; 2 — затвор; 3 — шток;

Рис.10.2. Схеми пневматичних регулюючих клапанів: а -нормально відкритого (НО); б - нормально закритого (Н3) 1 – корпус; 2 – затвор; 3 — шток; 4 — пружина; 5 — мембрана.
Наприклад, при регулюванні за допомогою подачі пари температури реактора, в якому можливо затвердіння речовини, слід використовувати клапан НО. При виході з ладу системи подачі повітря такий клапан повністю відкриється і температура в реакторі не знизиться до неприпустимих значень. Якщо ж в цьому випадку встановити клапан НЗ, то в аналогічних умовах він закриється і припинить подачу пари, що може привести до аварії.
Робота регулюючих органів визначається їх характеристиками: конструктивної, виражаючої взаємозв'язок між переміщенням затвора і що змінюється при цьому площею прохідного перетину і витратної робочої, виражаючої взаємозв'язок між переміщенням затвооа і витратою речовини за реальних робочих умов, коли перепад тиску на регулюючому органі непостійний. Витратна робоча характеристика може бути лінійною або равнопроцентной (логарифмічної). Вибір витратної робочої характеристики регулюючого органу залежить від властивостей об'єкту регулювання і інших елементів, що входять в контур регулювання.
Для визначення роботи виконавчого пристрою в статичному стані розглянемо сталий рух потоку середовища (нестискувана рідина), що протікає через регулюючий орган виконавчого пристрою. Використовуючи рівняння Бернуллі для горизонтального потоку і властивість нерозривності середовища при рівних вхідному і вихідному перетинах регулюючого органу, можна записати
(10.1)
де P1 і Р2 — статичний тиск середовища відповідно у вхідному і вихідному перетинах регулюючого органу, Па;
р — густина рідини, кг/м3 ;
W — швидкістьрідини в регулюючому органі, м/с;
ξ — коефіцієнт гідравлічного опору.
Підставляючи в рівняння (10.1) значення W=F/A (F — витрата середовища, м3 /с; А — площа прохідного перетину регулюючого органу, м2 )і проводячи необхідні перетворення, отримаємо
F
= B
(10.2)
де В — числовий коефіцієнт;
ΔР = Р1: —Р2 — перепад тиску на регулюючому органі, Па.
Член B
називають коефіцієнтом пропускної спроможності регулюючого органу і позначають Kv.
Коефіцієнт Kv
відображає вплив гідравлічного опору і площі прохідного перетину регулюючого органу, вимірюється в м2
.
Для рідини коефіцієнт Kv розраховують по рівнянню
Kv
= 36
(10.3)
де F — витрата рідини, що проходить через регулюючий орган, м3 /с;
ΔР — перепад тиску на регулюючому органі, Па,
р — густина рідини, кг/м3 .
Для середовищ (газ або пара), що стискаються, в рівняння (10.3) вводять відповідні поправочні коефіцієнти.
Звичайно при розрахунку регулюючих органів визначають максимальну пропускну спроможність Kvmax , яка дорівнює ΔPmіn .
В промисловості користуються поняттям умовної пропускної здатний ст і регулюючого органу Kv у , яку визначають експериментально як витрата рідини в м3 /ч, має густину р =1 г/см3 і що пропускається регулюючим органом при перепаді тиску на ньому в 1 кгс/см2 . Величина коефіцієнта умовної пропускної спроможності Kvy характерна для кожного регулюючого органу. Тому її використовують з метою порівняння різних регулюючих органів по їх продуктивності в статичному режимі.
При розрахунку АСР пневматичний регулюючий клапан представляють аперіодичною ланкою 1-го порядку.
Для розрахунку ми можемо використати програму «Для розрахунку клапанів» (Додаток к курсової роботі- Диск).
Програма дозволяє визначити тип клапану згідно разрохунків, та викреслює динамічні характеристики клапану, та багато іншого.
Висновок
В процесі виконання курсової роботи ми ознайомилися з основними завданнями монтажних організацій їх функціями і методами роботи. Вже самостійно змогли скласти перелік монтажних робіт, ознайомитися з правилами установки первинних перетворювачів і добірних пристроїв, ознайомилися з монтажем трубних проводок і електричних проводок, щитів і пультів, правильністю заземлення (занулення) систем автоматизації і технікою безпеки при виробництві монтажних робіт.
Розібравшись з принципом роботи трубчастої печі, змогли розробити систему автоматизації подачі палива залежно від проміжних чинників: тиск, температури і ін. Завдяки засобам автоматизації встановлюватиметься оптимальний режим подачі палива, а це у свою чергу викличе економію палива і збільшить термін служби трубчастої печі.
Література і нормативно технічна документація
1. Автоматические приборы, регуляторы и вычислительные системы: Справ, пособие / Под ред. Б. Д. Кошарского.— 3-е изд.— Л. : Машиностроение. Ленингр. отд-ние. 1976.— 488 с.
2. Барласов Б. 3., Ильин В. И. Наладка приборов и систем автоматизации.—М. : Высш. шк., 1985.—304 с.
3.Барласов Б. 3., Демкович В. А. Предмонтажная проверка средств автоматизации.— Л. : Стройиздат. Ленингр. отд-ние.— 1979.— 264 с.
4. Емельянов А. И., Капкин О. В. Проектирование систем автоматизации производственных процессов : Справ, пособие.— 3-е изд. — М. : Энергоатом-издат, 1983.— 400 с.
5. Клюев А. С, Минаев П. А. Наладка систем контроля и автоматического управления.— Л. : Стройиздат, Ленингр. отд-ние. — 1980.— 208 с.
6. Минаев П. А. Монтаж проводок систем контроля и автоматики.— М. : Стройиздат, 1981.— 200 с.
7. Монтаж приборов и средств автоматизации: Справочник / Под ред. А. С. Клюева.— 2-е изд.— М. : Энергия, 1979.— 728 с.
8. Системы автоматизации технологических процессов. Требования к выполнению проектной документации : РМ4-107—82.— М. : Главмонтажавтоматика, 1982.— 138 с.
9. Каминский М.Л., Каминский В.М. Монтаж приборов и систем автоматизации: Учебник – М., Высшая школа, 1988 – 296с.
10. Полоцкий Л.М., Лапшенков Г.И. Автоматизация химических производств. Теория, расчет и проекетирование систем автоматизации – М., Химия, 1992 – 296с.
11. Ентус Н.Р. Трубчатые печи – М., Химия , 1977 – 224 с.
12. Гресько А.А., Долгая Л.А. Справочник слесаря по контрольно-измерительным приборам – К., Тэхника, 1978 – 176с.