| Скачать .docx |
Реферат: Расчет усилителя низкой частоты
Реферат
Курсовой проект содержит 37 листа, 23 иллюстрации, 1 таблицу.
Цель: - углубить знания студентов по курсам, связанным с темой курсового проекта;
- привить навыки самостоятельной работы с технической литературой;
- научить составлять, рассчитывать и анализировать электронные схемы;
- научить грамотно оформлять техническую документацию.
В курсовом проекте содержится краткое описание усилителей низкой частоты, их классификация, применение, основные технические решения. Также разработана структурная и электрическая принципиальная схема усилителя, и произведен ее расчет.
УСИЛИТЕЛЬ, ТРАНЗИСТОР, ВХОДНАЯ ХАРАКТЕРИСТИКА,
НЕЛИНЕЙНЫЕ ИСКАЖЕНИЯ, ВЫХОДНОЙ КАСКАД
1. Введение ………………………………………………….. 3
2. Основная часть
2.1 Аналитический обзор …………………………… 5
2.2 Составление структурной схемы усилителя …… 9
2.3 Разработка электрической принципиальной
схемы усилителя …………………………………………….. 11
2.4 Электрический расчет …………………………. ……… 14
2.5 Анализ спроектированного усилителя …………. ……... 29
3. Заключение ……………………………………………………... 30
4. Перечень ссылок ……………………………………………….. 31
5. Приложение …………………………………………………….. 32
1 Введение
Характерной особенностью современных электронных усилителей является исключительное многообразие схем, по которым они могут быть построены.
Усилители различаются по характеру усиливаемых сигналов: усилители гармонических сигналов, импульсные усилители и т. д. Также они различаются по назначение, числу каскадов, роду электропитания и другим показателям.
Однако одним из наиболее существенных классификационных признаков является диапазон частот электрических сигналов, в пределах которого данный усилитель может удовлетворительно работать. По этому признаку различают следующие основные типы усилителей:
Усилители низкой частоты, предназначенные для усиления непрерывных периодических сигналов, частотный диапазон которых лежит в пределах от десятков герц до десятков килогерц. Характерной особенностью УНЧ является то, что отношение верхней усиливаемой частоты к нижней велико и обычно составляет не менее нескольких десятков.
Усилители постоянного тока – усиливающие электрические сигналы в диапазоне частот от нуля до высшей рабочей частоты. Они позволяют усиливать как переменные составляющие сигнала, так и его постоянную составляющую.
Избирательные усилители – усиливающие сигналы в очень узкой полосе частот. Для них характерна небольшая величина отношения верхней частоты к нижней. Эти усилители могут использоваться как на низких, так и на высоких частотах и выступают в качестве своеобразных частотных фильтров, позволяющих выделить заданный диапазон частот электрических колебаний. Узкая полоса частотного диапазона во многих случаях обеспечивается применением в качестве нагрузки таких усилителей колебательного контура. В связи с этим избирательные усилители часто называют резонансными.
Широкополосные усилители, усиливающие очень широкую полосу частот. Эти усилители предназначены для усиления сигналов в устройствах импульсной связи, радиолокации и телевидения. Часто широкополосные усилители называют видеоусилителями. Помимо своего основного назначения, эти усилители используются в устройствах автоматики и вычислительной техники.
2.1 Аналитический обзор
Современные усилители низкой частоты выполняются преимущественно на биполярных и полевых транзисторах в дискретном или интегральном исполнении, причем усилители в микроисполнении отличаются от своих дискретных аналогов, главным образом, конструктивно-техническими особенностями.
В качестве источника входного сигнала в усилителях низкой частоты могут входить микрофон, звукосниматель, предыдущий усилитель. Большинство из источников входного сигнала развивают очень низкое напряжение. Подавать его непосредственно на каскад усиления мощности не имеет смысла, т. к. при слабом управляющем напряжении невозможно получить значительные изменения выходного тока, а следовательно, выходной мощности. Поэтому в состав структурной схемы усилителя, кроме выходного каскада, отдающего требуемую мощность, входят и каскады предварительного усиления.
Эти каскады принято классифицировать по характеру сопротивления нагрузки в выходной цепи транзистора. Наибольшее применение получили резистивные усилительные каскады, сопротивлением нагрузки которых служит резистор. В качестве нагрузки транзистора может быть использован и трансформатор. Такие каскады называют трансформаторными. Однако в следствии большой стоимости, значительных размеров и массы трансформатора, а также из-за неравномерности амплитудно-частотных характеристик трансформаторные каскады предварительного усиления применяются весьма редко.
В каскадах предварительного усиления на биполярных транзисторах чаще других используется схема с общим эмиттером, которая обладает высоким коэффициентом усиления по напряжению и мощности, сравнительно большим входным сопротивлением и допускает использование одного общего источника питания для цепей эмиттера и коллектора.
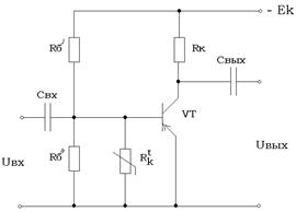
Простейшая схема резистивного усилительного каскада с общим эмиттером и питанием от одного источника показана на рис 1.

Рисунок 1
Данная схема получила название схемы с фиксированным базовым током. Смещение фиксированным током базы отличается минимальным числом деталей и малым потреблением тока от источника питания. Кроме того, сравнительно большое сопротивление резистора Rб практически не влияет на величину входного сопротивления каскада. Однако этот способ смещения пригоден лишь тогда, когда каскад работает при малых колебаниях температуры транзистора. Кроме того, большой разброс и нестабильность параметров b даже у однотипных транзисторов делают режим работы каскада неустойчивым при смене транзистора, а также с течением времени.
Более эффективной является схема с фиксированным напряжением смещения на базе, представленная на рис 2.
В этой схеме резисторы
и
подключенные параллельно источнику питания Ек
составляют делитель напряжения. Делитель, образованный резисторами
и
должен обладать достаточно большим сопротивлением, иначе входное сопротивление каскада окажется малым.
При построении схем транзисторных усилителей приходится принимать меры для стабилизации положения рабочей точки на характеристиках. Основной дестабилизирующий фактор – влияние температуры. Существуют
|

Рисунок 2
различные способы термостабилизации режима работы транзисторных каскадов. Наиболее распространенные из них реализуются с помощью схем, показанных на рис 3-5.

Рисунок 3 - c терморезистором

Рисунок 4 - с диодом

Рисунок 5 - с цепочкой эмиттерной стабилизации RэСэ
В схеме на рис 3 терморезистор с отрицательным температурным коэффициентом сопротивления включен в базовую цепь таким образом, что при повышении температуры происходит уменьшение отрицательного напряжения на базе за счет уменьшения сопротивления терморезистора. При этом происходит уменьшение тока базы, а следовательно, и тока коллектора.
Одна из возможных схем термостабилизации с помощью полупроводникового диода показана на рис 4. В этой схеме диод включен в обратном направлении, а температурная характеристика обратного тока диода должна быть аналогична температурной характеристике обратного тока коллектора транзистора. При смене транзистора стабильность ухудшается из-за разброса величины обратного тока коллектора.
Наибольшее распространение получила схема термостабилизации режима, показанная на рис 5. В этой схему навстречу фиксированному прямому напряжению смещения, снимаемому с резистора ![]()
включено напряжение, возникающее на резисторе Rэ
при прохождении через него тока эмиттера. Пусть, например, при увеличении температуры постоянная составляющая коллекторного тока возрастет. Увеличение тока коллектора приведет к увеличению тока эмиттера и падению напряжения на резисторе Rэ
. В результате напряжение между эмиттером и базой уменьшиться, что приведет к уменьшению тока базы, а следовательно, тока коллектора. В большинстве случаев резистор Rэ
шунтируется конденсатором большой емкости. Это делается для отвода переменной составляющей тока эмиттера от резистора Rэ
.
2.2 Составление структурной схемы усилителя
Структурная схема представлена на рис 6.

Рисунок 6
ВхК - входной каскад
КПУ1 - первый каскад предварительного усиления
КПУ2 - второй каскад предварительного усиления
КПУ3 - третий каскад предварительного усиления
ВыхК - выходной каскад
Входной каскад ставится на входе усилителя для увеличения входного сопротивления усилителя.
Большинство источников входного сигнала развивают очень низкое напряжение Ег = 10 мВ. Подавать его непосредственно на каскад усиления мощности не имеет смысла, так как при слабом управляющем напряжении невозможно получить значительные изменения выходного тока.
Рассчитаем максимальное напряжение в нагрузке по формуле:
В (1)
Определим максимальный ток протекающий через нагрузку:
(2)
Рассчитаем требуемый коэффициент усиления усилителя по формуле:
(3)
Определим ориентировочное количество каскадов предварительного усиления по следующей формуле:
(4)
Полученное по формуле (4) количество каскадов округляют до ближайшего целого нечетного числа (в большую сторону), так как схема с ОЭ дает сдвиг фаз 180°
n = 3
Выходной каскад ставится на выходе усилителя и обеспечивает усиление мощности полезного сигнала в нагрузку.
2.3 Разработка принципиальной электрической
схемы усилителя
Схемная реализация входного каскада представлена на рис 7.

Рисунок 7
Это схема дифференциального каскада. Я решил выбрать диф. каскад по следующим причинам:
-дифференциальный каскад обеспечивает повышенную температурную стабильность предварительного усиления
-к дифференциальному каскаду проще подключить обратную связь
-у дифференциального каскада сравнительно большое входное сопротивление.
Схемная реализация каскада предварительного усиления представлена на рис 8. Это схема усилителя на биполярном транзисторе включенном по схеме с общим эмиттером. Я выбрал эту схему так как у нее сравнительно большие коэффициенты усиления по напряжению и по току, а также большое входное сопротивление. Недостаток этой схемы – сдвиг фаз между входным и выходным сигналом равен 180°.

Рисунок 8
Схемная реализация выходного каскада представлена на рис 9.

Рисунок 9
Это схема двухтактного усилителя мощности работающего в режиме В. Двухтактный усилитель мощности обладает более низким коэффициентом нелинейных искажений, чем однотактный усилитель мощности. Также важным преимуществом двухтактной схемы является ее малая чувствительность к пульсациям питающих напряжений. Недостатком данной схемы является трудность подбора одинаковых транзисторов.
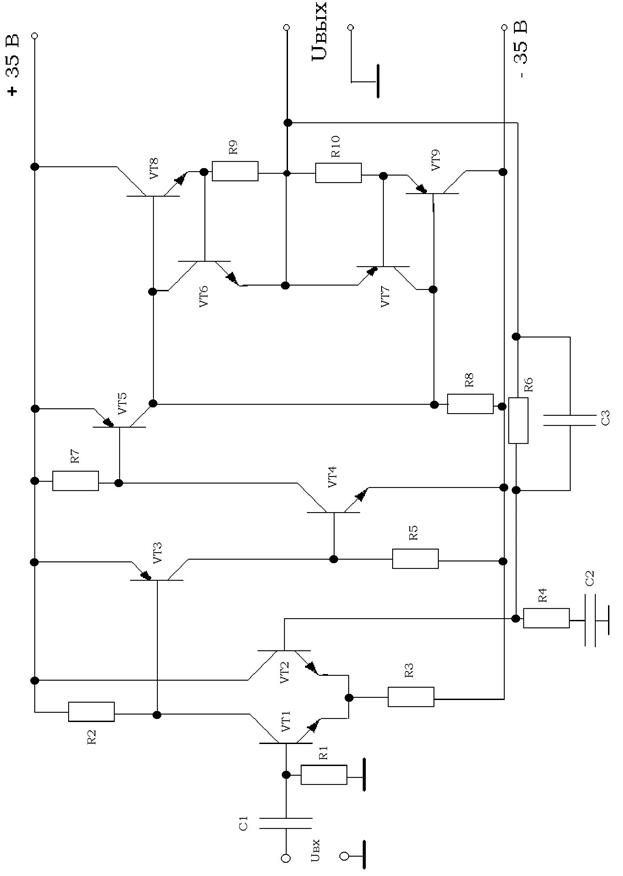
Электрическая принципиальная схема представлена на рис 10.

Рисунок 10
2.4 Электрический расчет
Рассчитаем максимальное напряжение в нагрузке по формуле:
В (5)
Определим максимальный ток протекающий через нагрузку:
(6)
Рассчитаем требуемый коэффициент усиления усилителя по формуле:
(7)
Определим ориентировочное количество каскадов предварительного усиления по следующей формуле:
(8)
Полученное по формуле (8) количество каскадов округляют до ближайшего целого нечетного числа (в большую сторону), так как схема с ОЭ дает сдвиг фаз 180°
n = 3
Рассчитаем напряжение питания усилителя по формуле:
(9)
где
- падение напряжения на переходе коллектор-эмиттер выходного транзистора в режиме насыщения, В;
- падение напряжения на резисторе, установленном в эмиттерной цепи выходного каскада, В;
Для большинства мощных транзисторов
= 0,5..2 В. Предварительно можно принять
= 1 В. Зададимся падением напряжения на резисторе, установленном в эмиттерной цепи:
= 1 В
Подставим рассчитанные напряжения в формулу (9) и определи напряжение питания усилителя:
= 32,98 В
Полученную величину округлим до ближайшего целого числа, а затем примем из стандартного ряда:
= 35 В
Зная напряжение питания усилителя и максимальный ток протекающий через нагрузку, выберем транзисторы для выходного каскада по следующим условиям:
Ikmax ³ Iнmax + Ikп
Uкэmax ³ 2× Ek
По справочной литературе [5] выбираем следующие транзисторы:
VT8 KT827B
VT9 KT825B
Со следующими параметрами:
Uкэmax8
= 100 В Ikmax8
= 20 А
= 3 В
Характеристики транзистора представлены на рис 15, 16
По рис 15 определим напряжение на переходе база-эмиттер:
![]()
Рассчитаем сопротивление резисторов R10 и R11 по формуле:
Ом (10)
Приведем рассчитанное сопротивление к ряду Е24:
0,062 Ом
По рис 16 определим ток коллектора покоя, а также статический коэффициент передачи тока транзистора VT8:
Ikп8 = 4 А h21Э8 = 39000
Рассчитаем мощность рассеиваемую на резисторе:
(11)
Определим ток базы покоя транзисторов выходного каскада:
(12)
Определим максимальный ток базы транзисторов выходного каскада:
(13)
Определим ориентировочный максимальный ток коллектора VT5:
Ikmax5 = 10×IБmax8 = 10×513×10-6 = 5.13 mA (14)
Зная максимальный ток базы транзистора VT8 и напряжение питания, выберем транзисторы для реализации защиты по току:
Ikmax ³ Iбmax8
Uкэmax ³ 2× Ek
По справочной литературе [5] выбираем следующие транзисторы:
VT6 KT215В - 1
VT7 KT214В - 1
Со следующими параметрами:
Uкэmax7 = 80 В Ikmax7 = 40 мА
Характеристики транзистора представлены на рис 17,18,19,20
Рассчитаем максимальный ток коллектора VT8:
(15)
Примем значение сопротивления резистора
равным 0,036 Ом
![]()
Рассчитаем минимальное падение напряжения на резисторе
:
(16)
Рассчитаем максимальное падение напряжения на резисторе
:
(17)
Зная максимальный ток коллектора и напряжение питания, выбираем транзистор VT5 по следующим критериям:
Ikmax
³ Iкmax5
Uкэmax ³ 2× Ek
VT5 КТ214В - 1 ![]()
![]()
Характеристики транзистора представлены на рис. 17, 18 По графику зависимости h21Э (IЭ ) определим минимальный ток коллектора VT5:
![]()
Рассчитаем ток коллектора покоя VT5 по формуле:
(18)
Из рис 18 определим статический коэффициент передачи тока для тока эмиттера равного 20,513 мА.
![]()
Определим ток базы покоя для VT5 по формуле:
(19)
По рис.17 определим напряжение база – эмиттер:
![]()
Рассчитаем максимальный ток коллектора транзистора VT5:
(20)
Рассчитаем резистор
по формуле:
(21)
Приведем рассчитанное сопротивление к ряду Е24:
![]()
Рассчитаем максимальный ток базы транзистора VT5:
(22)
Определим ориентировочный ток коллектора покоя для транзистора VT4 по формуле:
(23)
Рассчитаем ориентировочный максимальный ток коллектора для транзистора VT4 по формуле:
(24)
Зная максимальный ток коллектора и напряжение питания, выбираем трансформатора VT4 исходя из следующих условий:
Ikmax
³ Iкmax4
Uкэmax ³ 2× Ek
VT4 КТ 215В – 1 ![]()
![]()
Характеристики представлены на рис 19, 20
Из рис.20 Определим минимальный ток коллектора транзистора VT4:
![]()
Определим ток коллектора покоя для VT4:
(25)
По рис 20 определим статический коэффициент передачи тока:
![]()
Определим ток базы покоя для транзистора VT4 по формуле:
![]()
(26)
Из рис 19 определим напряжение базы – эмиттер для ![]()
![]()
Рассчитаем максимальный ток базы транзистора VT4:
(27)
Определим значение резистора
по формуле:
(28)
Приведем рассчитанное сопротивление к ряду Е24:
![]()
Определим ориентировочный ток коллектора покоя транзистора VT3
(29)
Рассчитаем ориентировочный ток коллектора транзистора VT3:
(30)
Зная максимальный ток коллектора и напряжение питания выберем
транзистор VT3 по следующим критериям:
Ikmax
³ Iкmax3
Uкэmax ³ 2× Ek
VT3 КТ 214В - 1 ![]()
![]()
![]()
Характеристики транзистора представлены на рис 17, 18
Из графика зависимости
(
) определим минимальный ток коллектора:
![]()
Рассчитаем ток коллектора покоя транзистора VT3:
(31)
По рис 18 определим статический коэффициент передачи тока:
![]()
Определим ток базы покоя транзистора VT3:
(32)
Рассчитаем максимальный ток базы транзистора VT3:
(33)
Из рис.17 определим напряжения база – эмиттер:
![]()
Определим сопротивление
по формуле:
(34)
Приведем рассчитанное сопротивление к ряду Е24:
![]()
Рассчитаем значение резистора
по формуле:
(35)
Приведем рассчитанное сопротивление к ряду Е24:
![]()
Определим ориентировочный ток коллектора покоя транзисторов VT1 и VT2 по формуле:
(36)
Рассчитаем ориентировочный максимальный ток коллектора транзисторовVT1 и VT2 по следующей формуле:
(37)
Зная максимальный ток коллектора и напряжение питания выберем транзисторы VT1 и VT2 по следующим критериям:
Ikmax ³ Iкmax1
Uкэmax ³ 2× Ek
VT1,VT2 Þ КТ 602 Б ![]()
Характеристики транзисторов приведены на рис 21, 22, 23
По рис 22 определим минимальный ток коллектора:
![]()
Рассчитаем ток коллектора покоя транзисторов VT1 и VT2:
(38)
Из рис 22 определим статический коэффициент передачи тока:
![]()
Определим ток базы покоя для транзистора VT1:
(39)
Рассчитаем максимальный ток базы для транзистора VT1:
(40)
Определим ток, протекающий через резистор
:
(41)
Из рис 23 определим напряжение коллектор – эмиттер:
![]()
Определим значение резистора
по формуле:
(42)
Приведем рассчитанное сопротивление к ряду Е24:
![]()
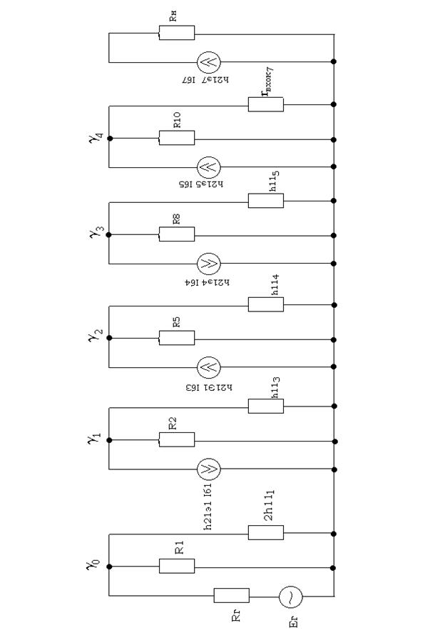
По справочной литературе [5] определим входное сопротивление транзисторов:

Из схемы замещения рис 11 определим входное сопротивление усилителя:
(43)
Определим максимальное отклонение температуры от среднего значения:
(44)

Рисунок 11
Определим изменение напряжения база – эмиттер для транзистора VT2 с изменением температуры. Зная, что при изменении температуры на
напряжение изменяется на 2.3мВ. Следовательно:
(45)
Изменение напряжения коллектор – эмиттер равно 0.7В
![]()
Определим коэффициент обратной связи по постоянному току:
(46)
Определим значение сопротивления резистора
:
(47)
Приведем рассчитанное сопротивление к ряду Е24:
![]()
Определим коэффициент усиления по току усилителя при помощи схемы замещения представленной на рис. 11
(48)
По схеме замещения определим коэффициент разветвления:
![]() |
![]() |
Определим коэффициент усиления по напряжению:
(55)
Рассчитаем коэффициент усиления по напряжению усилителя с обратной связью:
(56)
- коэффициент обратной связи по переменному току равен :
(57)
Определим значение сопротивления резистора
:
(58)
Приведем рассчитанное сопротивление к ряду Е24:
![]()
Разобьём данный нам коэффициент частотных искажений на 2 части:
(59)
Мнвх
=104/20
Мнос =104/20
Мв
=106/20
Рассчитаем ёмкость конденсатора С1 по формуле:
![]()
(60)
Рассчитаем ёмкость конденсатора С2 по формуле:
![]()
(61)
Рассчитаем ёмкость конденсатора С3 по формуле:
![]()
(62)
Определим коэффициент петлевого усиления по переменному току:
(63)
Рассчитаем коэффициент нелинейных искажений для выходного каскада методом двух ординат:
Uвых изменяем от 0 до Uн max (64)
По рис 16 для рассчитанных значений тока эмиттера определяем статический коэффициент передачи тока. Затем рассчитаем ток коллектора:
(65)
Для рассчитанных значений тока коллектора определяем ток базы:
(66)
Из рис 15 определяем напряжение база-эмиттер для рассчитанных токов базы. Рассчитываем входное напряжение:
(67)
| Uн | Iэ | h21э | Ik | Iб, мкА | Uбэ | Uвх |
| 0 | 4 | 39000 | 4 | 103 | 0,6 | 0,74 |
| 4 | 5 | 35000 | 5 | 143 | 0,6 | 4,78 |
| 8 | 6 | 29000 | 6 | 207 | 0,6 | 8,82 |
| 12 | 7 | 27000 | 7 | 259 | 0,6 | 12,85 |
| 16 | 8 | 20000 | 8 | 400 | 0,6 | 16,9 |
| 20 | 9 | 17000 | 9 | 529 | 0,6 | 20,92 |
| 24 | 10 | 15000 | 10 | 667 | 0,6 | 24,96 |
| 28 | 11 | 13000 | 11 | 846 | 0,6 | 29 |
| 31 | 11,75 | 12800 | 11,75 | 918 | 0,6 | 31,5 |
таблица 1
Построим график зависимости Uн от Uвх – рис 12.
Определим половину максимального входного напряжения и для этого значения по графику 12 определим значение напряжения на нагрузке:
![]()
Коэффициент нелинейных искажений для входного каскада:
(68)
Рассчитаем коэффициент нелинейных искажений для каскада предвари- тельного усиления методом пяти ординат.
![]()
КПУ3,2,1 VT КТ 814 В -1 ![]()
Для расчёта коэффициента нелинейных искажений по методу пяти ординат необходимо построить переходную характеристику каскада. Построение переходной характеристики производим в следующей последовательности. На входную характеристику транзистора рис.13 наносим точку покоя. Затем относительно точки покоя строим временную диаграмму входного напряжения. Проводим перпендикуляры, соответствующие минимальному и максимальному значениям Uвх, а также Uвх=0 и Uвх при w=60 и 120. Определяем значения тока базы, соответствующие этим напряжениям.

Используя значения тока базы, определяем значения тока коллектора, соответствующие им. Для этого определяют ориентировочное значение h21Э по рис 20. Для этого значения рассчитаем ток коллектора по формуле:
![]()
Наносим рассчитанное значение тока коллектора на график и определяем точное значение h21э . Точно рассчитываем ток коллектора:

![]()
![]()
![]()
![]()
![]()
![]()
![]()
![]()
Рассчитаем амплитуды 1, 2, 3 и 4-й гармоник выходного сигнала:
(69)
(70)
(71)
(72)
Расчет нелинейных искажений каскада производится по формуле:
(73)
Так как у нас одинаковые транзисторы, то и нелинейные искажения у них будут одинаковы.
Определим суммарный коэффициент нелинейных искажений:
(74)
Рассчитаем коэффициент нелинейных искажений усилителя с отрицательной обратной связью:
(75)
Для расчета коэффициента полезного действия усилителя требуется определить суммарный ток потребляемый усилителем в режиме покоя по формуле:
I0 = I,g1 + I,g3 + I,g4 + I,g5 + I,g8 = 0&000672 F (76)
Коэффициент полезного действия усилителя рассчитывается по формуле:
(77)
Расчет охладителя
Исходные данные:
tp – предельная температура рабочей области tp = 473 К
Pк – рассеиваемая прибором мощность Рк = 125 Вт
t0 – температура окружающей среды t0 = 273 K
RT п-к – внутреннее тепловое сопротивление прибора переход-корпус RT п-к = 1,4
Определим по справочной литературе [5] площадь контактной поверхности:
Sk = 40×10-3 ´28×10-3 = 1,12×10-3 м3 (78)
Рассчитаем тепловое сопротивление контакта между прибором и охладителем Rk :
(79)
Определим перегрев места крепления прибора с охладителем:
(80)
Так как перегрев места крепления транзистора очень маленький, то, я считаю, что охладитель не требуется.
2.5 Анализ спроектированного усилителя
Для спроектированного усилителя начертим амплитудно-частотную характеристику, а также фазо-частотную характеристику.
Амплитудно-частотная характеристика (АЧХ) – зависимость амплитуды сигнала на выходе устройства от частоты входного сигнала неизменной амплитуды.
Фазо-частотная характеристика (ФЧХ) – зависимость ыазового сдвига между гармоническими колебаниями на входе и выходе устройства от частоты входного сигнала.
Рассчитаем данные для построения АЧХ и ФЧХ:
G = 20×lgku = 20×lg 5061 = 74.08 (81)
(82)
(83)
(84)
3. Заключение
Спроектированный усилитель работает на двуролярном питании ±35 В при температуре окружающей среды от -10 °С до 50°С. Имеет подосу пропускания от 30 Гц до 28 кГц, а также коэффициент нелинейных искажений 1,703 %. В спроетированном усилителе предусмотрена защита выходного каскада по току.
Достоинства усилителя – большие коэффициенты усиления по току
( кi = 11892332,3) и по напряжению (кu = 5061). Также сравнительно большое входное сопротивление.
Недостатком спроектированного усилителя является подборка элементов, так как очень трудно подобрать одинаковые транзисторы. Также недостатком данного усилителя является сравнительно большое количество элементов, что приводит к трудностям при настройке схемы усилителя.
4. Перечень ссылок
Усатенко С.Т. Выполнение электрических схем по ЕСКД: Справочник. – М.: Издательство стандартов, 1989. – 325 с.
Расчет электронных схем. Примеры и задачи. /Г.И. Изъюрова М.: Высш. шк., 1987. – 325 с.; ил.
Манаев Е.И. Основы радиоэлектроники. – 3-е изд., перераб. И доп. – М.; Радио и связь, 1988 – 199 с: ил.
Кибакин В.М. Основы теории и разработки транзисторных низкочастотных усилителей мощности. – М.: Радио и связь,
1988. – 240 с.
Лавриненко В.Ю. Справочник по полупроводниковым приборам. 9-е изд., перераб. К.: Техника, 1980. – 464 с.;ил.
Полупроводниковые приборы. Транзисторы малой мощности./А.А. Зайцев:Под ред А.В. Голомедова. – М.: Радио и связь,
КубК-а 1994. – 384с.;ил.
Полупроводниковые приборы. Транзисторы средней и большой мощности./А.А. Зайцев:Под ред А.В. Голомедова. – М.: Радио и связь,
КубК-а 1994. – 384с.;ил.
Методические указания к выполнению курсового проекта по курсу « Аналоговая схемотехника».Бизянов Е.Е. – Алчевск, ДГМИ 1999.- 35с.

