| Скачать .docx |
Курсовая работа: Выбор и расчет усилителя
Содержание
Аннотация
Введение
1. Выбор структуры усилителя
2. Принцип действия усилителя
3. Задание на курсовое проектирование.
4. Выходной каскад усилителя.
5. Эмиттерный повторитель напряжения.
6. Расчет второго каскада предварительного усиления.
7. Расчет первого каскада предварительного усиления.
Заключение.
Список литературы.
Аннотация
В данной курсовой работе поэтапно рассматривается пример проектирования многокаскадного усилителя на БПТ. Производится расчет входного, согласующего каскадов и каскадов предварительного усиления. Также конструируется печатная плата усилителя в соответствии с ГОСТ.
Выполнение курсового проекта, усвоение основ теории и расчета транзисторного усилителя способствуют приобретению студентами первоначальных навыков самостоятельного проектирования электронных цепей и устройств, которые могут быть ими использованы в дальнейшей практической деятельности.
Введение
Усилитель является одним из основных узлов различной аппаратуры в устройствах автоматики, телемеханики, вычислительной и информационно-измерительной техники. Электронный усилитель - это устройство, преобразующее маломощный электрический сигнал на входе в сигнал большой мощности на выходе с минимальными искажениями формы. Усиление мощности сигнала осуществляется за счет потребления усилителем энергии от источника питания.
Усилители делятся на ряд типов по различным признакам. По роду усиливаемых электрических сигналов усилители можно разделить на две группы:
• усилители гармонических сигналов, предназначенные для усиления периодических сигналов различной величины и формы, гармонические составляющие которых изменяются много медленнее длительности устанавливающихся процессов в цепях усилителя.
• усилители импульсных сигналов, предназначенные для усиления непериодических сигналов, например непериодической последовательности электрических импульсов различной величины и формы.
По ширине полосы и абсолютным значениям усиливаемых частот усилители делятся на ряд следующих типов:
• усилители постоянного тока или усилители медленно меняющихся напряжений и токов, усиливающие электрические колебания любой частоты в пределах от низшей нулевой рабочей частоты до высшей рабочей частоты.
• усилители переменного тока, усиливающие колебания частоты от низшей границы до высшей, но неспособные усиливать постоянную составляющую сигнала.
• усилители высокой частоты (УВЧ), предназначенные для усиления электрических колебаний несущей частоты, например принимаемых приемной антенной радиоприемного устройства.
• усилители низкой частоты (УНЧ), предназначенные для усиления гармонических составляющих не преобразованного передаваемого или принимаемого сообщения.
Усилители низкой частоты характеризуются большим отношением высшей рабочей частоты к низшей, лежащим в пределах 10 - 500 для усилителей звуковых частот и превышающим 105 для некоторых типов видеоусилителей. Усилители с высшей рабочей частотой порядка сотен килогерц и выше, одновременно имеющие большое отношение высшей рабочей частоты к низшей, обычно называются широкополосными усилителями.
Избирательные усилители усиливают электрические сигналы в очень узкой полосе частот.
Из трех типов транзисторных каскадов для усиления напряжения пригодны два: каскад с общей базой и каскад с общим эмиттером. Каскад с общим коллектором может быть применен в многокаскадных системах, однако непосредственного усиления напряжения такой каскад не дает и выполняет вспомогательную роль.
Для усиления напряжения звуковых частот наиболее пригоден каскад с общим эмиттером, так как он имеет более высокое входное и более низкое выходное сопротивления по сравнению с каскадом с общей базой.
1. Выбор структуры усилителя
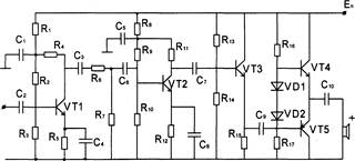
Так как заданный коэффициент усиления достигает нескольких сотен , то целесообразно составлять усилитель из нескольких простейших усилителей. Такие простейшие усилители называются усилительными каскадами. Они соединяются между собой последовательно так, чтобы выходной сигнал предыдущего каскада являлся входным сигналом последующего (рис.1), образуя совместно многокаскадный усилитель.

Рис.1.
2. Принцип действия усилителя
В аналоговых электронных устройствах наибольшее применение находят усилительные каскады, в которых транзистор включен по схеме с общим эмиттером.
В зависимости от характера нагрузки и назначения различают усилители напряжения, тока и мощности, хотя такое деление условно, так как в любам случае по существу усиливается мощность.
Усиливаемый сигнал от источника сигнала в базовую цепь транзистора подается через разделительный конденсатор С1. Сопротивление Rк является коллекторной нагрузкой. С него усиленное переменное напряжение через разделительный конденсатор С2 подается в нагрузку Rh . При последовательном включении УК сопротивлением нагрузки является входное сопротивление следующего каскада

Рис.2.
Конденсаторы С1 и С2 - разделительные, назначение которых - отделить переменный усиливаемый сигнал от постоянных напряжения и токов, действующих внутри схемы. Конденсатор С2 не пропускает постоянную составляющую входного сигнала каскада в нагрузку.
Делитель напряжения R1 -R2 предназначен для установления рабочей точки транзистора в состоянии покоя. В зависимости от соотношения между плечами делителя R1 -R2 на базу транзистора подается определенное напряжение Uбэп в состоянии покоя, которое в свою очередь определяет ток базы покоя Iбп и ток коллектора покоя Iкп. Т.о. делитель R1 -R2 характеризует состояние транзистора в отсутствие входного сигнала УК.
Резистор Rэ осуществляет последовательную ООС по постоянному току, которая обеспечивает стабилизацию положения рабочей точки на вольтамперных характеристиках транзистора при воздействии на УК внешних дестабилизирующих факторов (например, температуры окружающей среды).
Глубина ООС зависит от значения Rэ. Каскад лучше стабилизирован, если малые изменения токов Iк и Iэ транзистора приведут к большому изменению падения напряжения на Rэ. Последнее возможно, если увеличить сопротивление Rэ. Однако увеличение при этом падения напряжения на нем уменьшает напряжения питания транзистора и снижает коэффициент усиления каскада. При расчете напряжение на резисторе Rэ принимают 10.. .30% напряжения источника тока.
Конденсатор Сэ шунтирует резистор Rэ по переменному току, исключая тем самым ООС в каскаде по переменной составляющей. Отсутствие конденсатора Сэ привело бы к уменьшению коэффициентов усиления УК.
Резистор Rk осуществляет динамический режим работы транзистора. В этом режиме малые колебания тока базы транзистора вызывают колебания тока коллектора, которые в свою очередь вызывают колебания напряжения на коллекторе. Эти колебания, пройдя через разделительный конденсатор С2, являются полезным усиленным входным сигналом. Процесс усиления сигнала каскадом можно объяснить следующим образом.
Предположим, что на вход УК подается синусоидальной сигнал небольшой амплитуды. При этом РТ на входной динамической характеристике транзистора перемещается по линейному участку характеристики. Ток базы будет колебаться в пределах (Iбп-Iм;Iбп+Iм), и его можно представить как сумму тока базы в состоянии покоя и синусоидальной составляющей тока. Поскольку Iк=вIб , в результате изменений тока базы происходит изменения тока в цепи коллектора. При этом РТ на выходной динамической характеристике по нагрузочной прямой, которая строится в соответствии с уравнением Uкэ =Ек -Iк (Rк +Rэ ). Изменения тока в цепи коллектора приводит к изменениям потенциала цк коллектора транзистора, так как потенциал верхней точки резистора Rk фиксирован напряжением источника питания и равен +Ек , а падение напряжения Ur к на резисторе Rk пропорционально протекающему через него току и составляет Urк=IкRк. Потенциал коллектора также можно представить как сумму постоянной и переменной составляющих, амплитуда колебаний при этом меньше постоянной составляющей. Постоянное напряжение передается через разделительный конденсатор в отличие от переменной составляющей, которая является усиленным напряжением сигнала. Каскад меняет фазу усиленного сигнала по отношению к входному на сигналу на 180 градусов, т.е. выходное и входное напряжения каскада находятся в противофазе.
3. Задание на курсовое проектирование
Рн=13 Вт
Rн=10 Ом
Кu =2300
Rc =2.2 кОм
S=3
Tmax =50°C
fн =120 Гц
fв =35000Гц
Ксгл =800
4. Выходной каскад усилителя

В качестве выходных каскадов (усилителей мощности) широкое применение получили как трансформаторные, так и бестрансформаторные усилители. Современные усилители небольшой мощности выполняют по бестрансформаторной схеме, что позволяет уменьшить габариты, массу, стоимость и расширить полосу пропускания устройства. Так как выходные каскады являются основными потребителями энергии источников питания, они работают в режиме класса В или класса АВ, обеспечивая высокий КПД. При этом для уменьшения нелинейных искажений применяют двухтактные схемы. Такие схемы выполняют на комплементарных транзисторах; схема представляет собой соединение двух эмиттерных повторителей, работающих на общую нагрузку rh. Режим по постоянному току, соответствующий режиму работы класса АВ, обеспечивается делителем R1-VD-R2. Сопротивление диода создает необходимое напряжение по постоянному току между базами транзисторов VT1 и VT2, а также выполняет функции элемента схемы термокомпенсации.
Исходные данные:![]()
Рн = 13 Вт, Rн = 10 Oм. Транзистор выбираются по допустимой мощности рассеяния на коллекторе.
PKmax и максимальной амплитуде коллекторного тока IKmax :
![]()
![]()

На основе этих условий выбираем комплементарную пару:
КТ817В (Si n-p-n; в = 25…45; Ikmax =3A; Pkmax =25Вт)
КТ816В (Si n-p-n; в = 25…40; Ikmax =3A; Pkmax =25Вт)
Напряжение источника питания находим из условия:
Выбираем EП =40 В
На входной характеристике транзистора построим нагрузочную прямую по двум точкам:
Из входной, выходной и сквозной характеристик определяем следующие значения:

Коэффициент нелинейных искажений по 3-й гармонике без учёта ООС:

Глубина обратной связи:
,
где g21
– усредненная крутизна характеристики транзистора,
F = 51
C учётом действия ООС коэффициент нелинейных искажений по третьей гармонике:
![]()
Коэффициент нелинейных искажений по второй гармонике:
,
где х = 0.5 – коэффициент асимметрии.
Коэффициент нелинейных искажений с учетом ООС:
![]()
Полный коэффициент нелинейных искажений усилителя:
Сопротивления резисторов R1 и R2 принимают равными:
где
-
ток делителя, определяемый по ВАХ диода.
Выбираем резисторы из стандартного ряда: R1 = R2 = 750 Ом.
Входное сопротивление каскада:
где
–
сопротивление делителя по переменному току
– усреднённая входная проводимость транзистора
Амплитуда напряжения и тока входного сигнала каскада:
,
Коэффициент усиления напряжения выходного каскада:
Ёмкость разделительного конденсатора:

где Mн = 0.707 – коэффициент частотных искажений.
5. Эмиттерный повторитель напряжения

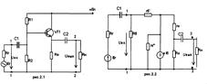
Эмиттерный повторитель напряжения представляет собой УК на БПТ с ОК. ЭПН обладает малым выходным сопротивлением и высоким входным сопротивлением. В связи с этим такой каскад часто применяют в качестве согласующего, который включают между низкоомной нагрузкой, являющейся, например, выходным каскадом усилителя, и каскадом предварительного усилителя. Базовая схема ЭПН и его эквивалентная схема приведены на рис.2.1 рис.2.2.
В схеме ЭПН выходное напряжение, снимаемое с эмиттера транзистора, близко по значению входному напряжению и совпадает с ним по фазе. Резистор Rэ в схеме с ЭПН выполняет ту же функцию, что и резистор Rkв УК о ОЭ - создание изменяющегося напряжения в выходной цепи за счет протекания в ней тока, управляемого по выходной цепи базы. Конденсаторы С 1 и С2 - разделительные, предназначены для пропускания переменной составляющей сигнала. Резисторы R1 и R2 предназначены для задания режима покоя каскада. Задаваемое смещение обеспечивает протекание коллекторного тока в течение полного периода входного сигнала. Резисторы R1 и R2 выбраны так, что в отсутствие входного сигнала потенциал базы равен примерно половине напряжения источника питания. Точку покоя устанавливают так, чтобы на выходе формировался максимально симметричный сигнал (без ограничений и срезов). Это зависит от соотношения сопротивления плеч делителя R1-R2.
Высокое входное сопротивления является одним из важнейших преимуществ каскада с ЭПН. Высокое входное сопротивление требуется в случае применения каскада в качестве согласующего звена при работе от источника входного сигнала, имеющего большое внутренне сопротивление.
Исходные данные:
Rн =199 Ом
Um н = 8 B
Im н = 66мА
Выбираем транзистор:

Выбираем КТ503А( Sin-p-nв=40... 120 Ik max =300мА Рk max =0.5Вт)
Точку покоя устанавливают так, чтобы на выходе формировался максимально симметричный сигнал (без ограничений и срезов). Это зависит от соотношения сопротивлений плеч делителя R1 - R2.
Из входной и выходной характеристик определяем следующие значения:

![]()

в = 40
Сопротивление Rэ :

Сопротивление входной цепи транзистора:
![]()
Сопротивления плеч делителя R1 - R2 найдём из следующих условий:
где:
Получим:

Условие температурной стабилизации выполняется:
![]()
Далее рассчитываем входное сопротивление каскада:
Выходное сопротивление каскада несложно получить, рассматривая эквивалентную схему рис.2.2 со стороны выходных зажимов:
![]()
Поскольку значение rэ невелико, то выходное сопротивление каскада мало. Это свойство ЭПН используют, когда необходимо согласовать выходную цепь усилителя с низкоомной нагрузкой.
Коэффициент усиления напряжения находится по выражению:
![]()
Значения разделительных емкостей С1 и С2:

6. Расчет второго каскада предварительного усиления

Усиливаемый сигнал от источника сигнала Ег (рис. 2.1) в базовую цепь транзистора подается через разделительный конденсатор С1. Сопротивление Rк является коллекторной нагрузкой. С него усиленное переменное напряжение через разделительный конденсатор С2 подается в нагрузку Rн . При последовательном включении УК сопротивлением нагрузки является входное сопротивление следующего каскада.
Рассмотрим назначение элементов схемы УК.
Конденсаторы С1 и С2 - разделительные, назначение которых -отделить переменный усиливаемый сигнал от постоянных напряжений и токов, действующих внутри схемы. Конденсатор С1 исключает шунтирование входной цепи каскада цепью источника входного сигнала по постоянному току, что позволяет, во-первых исключить протекание постоянного тока по цепи En-Rr-Rl и, во-вторых, обеспечить независимость напряжения U6n в режиме покоя от внутреннего сопротивления Rг источника Ег Конденсатор С2 не пропускает постоянную составляющую выходного сигнала в нагрузку.
Делитель напряжения R1-R2 предназначен для установления рабочей точки транзистора в состоянии покоя. Положение рабочей точки должно обеспечивать режим А работы УК. В зависимости от соотношения между плечами делителя R1-R2 на базу транзистора подает определенное напряжение Uбэп в состоянии покоя, которое в свою очередь определяет ток базы покоя Iбп.
Резистор Rkосуществляет последовательную отрицательную обратную связь (ООС) по постоянному току, которая обеспечивает стабилизацию положения рабочей точки на вольтамперных характеристиках транзистора при воздействии на УК внешних дестабилизирующих факторов.
Расчет каскада по постоянному току.
Расчет усилительного каскада производится раздельно по постоянному и переменному токам. Целью расчета по постоянному току является определение положения рабочей точки на характеристиках транзистора и ее температурную стабильность. Расчет по переменному току заключается в определении основных динамических параметров, коэффициентов усиления напряжения, тока и мощности, “шитого и выходного сопротивлений каскада и динамической крутизны. Поскольку характеристики транзистора нелинейные, то единой методики расчета УК не существует. Каскады, работающие при большом уровне сигнала, рассчитывается графоаналитические методом с использованием ВАХ транзистора, а УК с малым уровнем сигнала - аналитическим методом, который основан на использовании эквивалентных схем транзистора. Условно сигнал считается малым, если его амплитуда не превышает 15..20% постоянного значения напряжения в рабочей точке.
Исходные данные:
Rн = 6533 Ом
Um н = 19 В
Пусть коэффициент усиления каскада К=40
Выбираем транзистор:
![]()
Выбираем KT503Б(Sin-p-nв=80...240 IК max =300мА РKmax =0.5Вт). Из входной и выходной характеристик транзистора определяем следующие значения:

![]()

в = 140
Примем падение напряжения на сопротилении фильтра:
,
где
, Еп
= 40
Находим напряжение, подводимое к делителю:
![]()
Расчёт элементов, обеспечивающих рабочий режим транзистора:
Коэффициент температурной нестабильности S = 3
Сопротивление входной цепи транзистора:
![]()
Найдём Rб :
![]()
Определяем значение Rэ:
![]()
Находим значения R1 и R2:
Напряжение базы Uбп в состоянии покоя:
![]()
Определяем ток в цепи делителя базы:

Ток Iд должен в (2...5) раз превышать Iбп
Сопротивление Rф фильтра находим по формуле:
Для нахождения rk применим 2-й закон Кирхгофа к выходной цепи коллектора:

Поверочный расчёт коэффициента температурной нестабильности S:

Расчет номинальных значений ёмкостей:
Ёмкость Сф определяется из условия получения необходимой фильтрации питающего напряжения:

Расчёт значений ёмкостей С1 ,С2 и Сэ производятся по формулам:

где ![]()

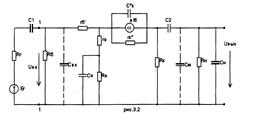
Расчёт динамических параметров усилительного каскада. Эквивалентная схема замещения каскада.

Динамическими параметрами УК являются коэффициенты усиления напряжения, тока и мощности, входное и выходное сопротивления, крутизна усиления. Эти параметры рассматриваются на основе анализа эквивалентной схемы УК для переменных составляющих токов и напряжений. Полная эквивалентная схема замещения каскада содержит следующие элементы: Свх - емкость входной цепи УК, См - емкость монтажа, Сн - емкость нагрузки, Rб= Rl || R2 ; транзистор замещен Т - образной схемой замещения (элементы r'б, rэ, rk *, Ск* и вI6); зажимы "плюс" и "минус" источника питания Еп закорочены по переменной составляющей. Обычно емкость Сф выбирается такой, чтобы ее сопротивление на самой низкой рабочей частоте было близко к нулю и закорачивало резистор Rф. Поэтому цепочка Rф-Сф на схеме не приведена.
Для упрощения анализа и расчетных соотношений принято рассматривать работу усилительного каскада раздельно в области средних, низких и высоких частот.
Анализ УК в области средних частот
На средних частотах (в центральной области полосы пропускания усилителя) сопротивление емкостей Cl , C2 и Сэ близко к нулю, а сопротивление паразитных емкостей Свх, См, а также емкостей Ск* и Си велико. Поэтому ветви схемы рис.3.2. с Cl , C2 и Сэ могут быть закорочены, а ветви с Свх, См, Ск* и Си разомкнуты.
Входное сопротивление каскада равно параллельному соединению Rвxvt и Rб:
![]()
Выходное сопротивление каскада:

Коэффициент усиления напряжения каскада найдём из формулы:
где 
Коэффициент усиления тока и мощности:
Крутизна усилительного каскада определится отношением:
Анализ УК в области низких частот:
В области низких частот следует учесть влияние на параметры каскада разделительных конденсаторов Cl и C2 и ёмкости в цепи эмиттера Сэ. При правильном выборе Параметров цепочки Rф-Сф ее влияние на частотную характеристику в области НЧ мало и в данном случае не рассматривается. Эквивалентная схема усилителя в области НЧ получается из схемы (рис.3.2.) путем включения емкостей С1,С2 и Сэ и исключения емкости Ск*.
При переходе к более низким частотам возрастают сопротивления ёмкостей Cl , C2 и Сэ, что приводит к уменьшению токов Iб и Iн и напряжения Uвых. Параметры каскада зависят от частоты. Проанализируем изменения лишь основного показателя коэффициента усиления. С целью упрощения расчетов влияние каждой из указанных выше емкостей рассмотрим отдельно.
Влияние емкости С1 .(положим С2 = Сэ = ∞)
Коэффициент усиления каскада в комплексном виде составит:
где
- постоянная времени входной цепи
Влияние емкости С2.(положим С1 = Сэ = ∞)
Коэффициент усиления каскада в комплексном виде составит:
где
- постоянная времени выходной цепи
Влияние емкости Сэ.(положим С1=С2=∞)
Коэффициент усиления каскада в комплексном виде составит:
где
- постоянная времени эмиттерной цепи
Таким образом, рассмотрев влияние конденсаторов Cl, C2 и Сэ раздельно, установили, что каждый уменьшает коэффициент усиления каскада с понижением частоты, причем структура формул одинакова.
При совместном действии рассмотренных емкостей структура формулы коэффициента усиления также не изменится:
где
-
эквивалентная постоянная времени каскада в области низких частот:
Эти соотношения позволяют записать выражение для модуля коэффициента усиления и его фазы, которые используются для построения АЧХ и ФЧХ усилителя в области низких частот:
Кн уменьшается при понижении частоты. .Это приводит к появлению частотных искажений. Для их количественной оценки используют коэффициент частотных искажений:
На нижней граничной частоте щн коэффициент Кн уменьшается в корень из двух раз по сравнению с К. На частоте щн Мн= 0.707, а щн фн = 1. Отсюда можно определить щн по заданному значению фн :
Анализ УК в области высоких частот:
Уменьшение коэффициента усиления каскада в области высоких частот (ВЧ) определяется инерционностью транзистора. Эквивалентная схема усилителя для области ВЧ следует из рис. 3.2, если в последней учесть конденсатор Ск* ,а также частотно-зависимые параметры в(jщ) и rk * (jщ)
Найдём постоянную времени каскада в области ВЧ из выражения (fв=15000Гц):

Искомое выражение для коэффициента усиления области высоких частот получим , произведя замену параметров в и гк :
Запишем выражения для АЧХ и ФЧХ усилителя в области высоких частот:
Для количественной оценки ВЧ искажений водится коэффициент частотных искажений:
На верхней граничной частоте щв коэффициент Кн уменьшается в корень из двух раз по сравнению с К. На частоте щв Мн= 0.707, а щв фв = 1.
При одновременном анализе усилителя во всем частотном диапазоне, т.е. по полной эквивалентной схеме, может быть получено следующее выражение для коэффициента усиления усилителя, модуля и фазы коэффициента частотных искажений :
Графики АЧХ и ФЧХ УК2 в области ВЧ и НЧ:


7. Расчет первого каскада предварительного усиления
Расчет каскада по постоянному току.
Исходные данные:

Пусть коэффициент усиления каскада К=30
Выбираем транзистор:
Выбираем KT206Б(Sin-p-nв=70...210 IК max =20мА PК max =15мВт)
Из входной и выходной характеристик транзистора определяем следующие значения:


Примем падение напряжения на сопротивлении фильтра:
![]()
Находим напряжение, подводимое к делителю:
Расчёт элементов, обеспечивающих рабочий режим транзистора:
коэффициент температурной нестабильности S=3
Сопротивление входной цепи транзистора:
где
- тепловой потенциал.
Найдём Rб :
![]()
Определяем значение Rэ:
Находим значения R1 и R2:
Напряжение базы Uбп в состоянии покоя:
![]()
Определяем ток в цепи делителя базы:
Ток Iд должен в (2...5) раз превышать Iбп
Сопротивление Rф фильтра находим по формуле:
Для нахождения Rk применим 2-й закон Кирхгофа к выходной цепи коллектора:
Поверочный расчёт коэффициента температурной нестабильности S:

Расчет номинальных значений ёмкостей:
Ёмкость Сф определяется из условия получения необходимой фильтрации питающего напряжения:

где fп = 100 – основная частота пульсаций
Фп = 20...75 = 50 –коэффициент фильтрации, показывающий во сколько раз напряжение пульсаций ослабляется цепочкой фильтра Rф - Сф .
Расчёт значений ёмкостей С1,С2 и Сэ производятся по формулам:

Расчёт динамических параметров усилительного каскада.
Анализ УК в области средних частот
На средних частотах (в центральной области полосы пропускания усилителя) сопротивление емкостей Cl, C2 и Сэ близко к нулю, а сопротивление паразитных емкостей Свх, См, а также емкостей Ск* и Сн велико. Поэтому ветви схемы рис.3.2. с Cl, C2 и Сэ могут быть закорочены, а ветви с Свх, См, Ск* и Сн разомкнуты.
Входное сопротивление каскада равно параллельному соединению Rвxvt и Rб:
![]()
Выходное сопротивление каскада:

Коэффициент усиления напряжения каскада найдём из формулы:
Коэффициент усиления тока и мощности:
Крутизна усилительного каскада определится отношением:

Анализ УК в области низких частот;
В области низких частот следует учесть влияние на параметры каскада разделительных конденсаторов С1 и С2 и ёмкости в цепи эмиттера Сэ. При правильном выборе Параметров цепочки Rф-Сф ее влияние на частотную характеристику в области НЧ мало и в данном случае не рассматривается. Эквивалентная схема усилителя в области НЧ получается из схемы (рис.3.2.) путем включения емкостей С1,С2 и Сэ и исключения емкости Ск*.
При переходе к более низким частотам возрастают сопротивления ёмкостей С1, С2 и Сэ, что приводит к уменьшению токов I6 и Iн и напряжения Uвых . Параметры каскада зависят от частоты. Проанализируем изменения лишь основного показателя коэффициента усиления. С целью упрощения расчетов влияние каждой из указанных выше емкостей рассмотрим отдельно.
Влияние емкости С 1.(положим С2=Сэ=∞)
Коэффициент усиления каскада в комплексном виде составит:
где
-постоянная времени входной цепи
Влияние емкости С2.(положим С1=Сэ=∞)
Коэффициент усиления каскада в комплексном виде составит:
где
- постоянная времени выходной цепи
Влияние емкости Сэ.(положим С1=С2=∞)
Коэффициент усиления каскада в комплексном виде составит:
где
-постоянная времени эмиттерной цепи
Таким образом, рассмотрев влияние конденсаторов Cl, C2 и Сэ раздельно, установили, что каждый уменьшает коэффициент усиления каскада с понижением частоты, причем структура формул одинакова.
При совместном действии рассмотренных емкостей структура формулы коэффициента усиления также не изменится:
где
- эквивалентная постоянная времени каскада в области низких частот:
Эти соотношения позволяют записать выражение для модуля коэффициента усиления и его фазы, которые используются для построения АЧХ и ФЧХ усилителя в области низких частот:
Кн уменьшается при понижении частоты. .Это приводит к появлению частотных искажений. Для их количественной оценки используют коэффициент частотных искажений:
На нижней граничной частоте щн коэффициент Кн уменьшается в корень из двух раз по сравнению с К. На частоте щн Мн= 0.707, а щн фн = 1. Отсюда можно определить щн по заданному значению фн :
Анализ УК в области высоких частот;
Уменьшение коэффициента усиления каскада в области высоких частот (ВЧ) определяется инерционностью транзистора. Эквивалентная схема усилителя для области ВЧ следует из рис. 3.2, если в последней учесть конденсатор Ск* ,а также частотно-зависимые параметры в(jщ) и rk * (jщ)
Найдём постоянную времени каскада в области ВЧ из выражения(fв=15000Гц):
с
Искомое выражение для коэффициента усиления области высоких частот получим , произведя замену параметров в и гk :
Запишем выражения для АЧХ и ФЧХ усилителя в области высоких частот:
Для количественной оценки ВЧ искажений водится коэффициент частотных искажений:
На верхней граничной частоте щв коэффициент Кн уменьшается в корень из двух раз по сравнению с К. На частоте щв Мн= 0.707, а щв фв = 1.
При одновременном анализе усилителя во всем частотном диапазоне, т.е. по полной эквивалентной схеме, может быть получено следующее выражение для коэффициента усиления усилителя, модуля и фазы коэффициента частотных искажений :

Графики АЧХ и ФЧХ УК1 в области ВЧ и НЧ:



![]()


Заключение
В данной курсовой работе рассмотрен принцип работы многокаскадного усилителя на БПТ с расчетом каждого каскада и построением выходных и входных характеристик для каждого транзистора всех каскадов усилителя. В соответствии с ГОСТ выполнены также чертеж печатной платы и спецификация сборочного чертежа печатной платы.
Рассчитывая усилитель, я усвоил основу работы усилительных устройств и электрических цепей в целом, научился пользоваться справочниками по микроэлектронике.
Список использованной литературы
1. Забродин Ю.С. “Промышленная электроника”: учебник для вузов. М.: Высш. школа,1982. 496с.
2. Носов А.А. “Проектирование усилителя на БПТ”: методические указания к курсовому проекту. Чуваш, ун-т. Чебоксары, 1996. 44 с.
3. Полупроводниковые приборы: Справ./ С.Г. Чебовский. М: Энергоатомиздат, 1985. 400с.
4. Резисторы: справ. Под ред. И.И. Четверткова. М: Энергоатомиздат. 1981.352с.
5. Справочник по электрическим конденсаторам. Под ред. И.И. Четверткова. М.:
Радио и связь. 1983 г. 352 с.
6. Справочник транзисторов для аппаратур широкого применения. Под редакцией Перельмана. М.: Радио и связь, 1981. 656 с.