| Скачать .docx |
Реферат: Контрольная работа: Структурні елементи цифрової системи передачі інформації
Зміст
Вступ
1 Структурна схема цифрової системи передачі інформації
2 Розрахунок структурних елементів цифрової системи передачі інформації
2.1 Джерело повідомлень
2.2 Кодер джерела
2.3 Кодер каналу
2.4 Модулятор
2.5 Канал зв’язку
2.6 Демодулятор
2.7 Декодер
3 Аналіз отриманих результатів розрахунку
Висновки за результатами аналізу
Закінчення
Список використаної літератури
Вступ
Передача інформації в широкому розумінні являє собою передачу різного роду повідомлень із одного чи декількох пунктів в інший чи в ряд пунктів. Повідомлення містять деякі відомості, які для різних одержувачів можуть становити різноманітну цінність залежно від їх смислового змісту. В теорії і техніці передачі інформації семантична (смислова) особливість повідомлень не враховується, і задачею системи передачі інформації є лише транспортування повідомлень у визначене місце, тому що оцінка смислового змісту отриманих повідомлень – справа самого одержувача.
Теорія і техніка передачі інформації складалися протягом багатьох років і в теперішній час продовжують швидко розвиватися. Особливе місце системи передачі інформації займають в автоматизованих системах управління, в яких необхідно забезпечувати передачу досить великих потоків інформації з високою швидкістю, достовірністю та надійністю.
1 Структурна схема цифрової системи передачі інформації
Системою передачі інформації називають функціонально об’єднану сукупність пристроїв і ланок, за допомогою яких можна передавати повідомлення з одного пункту в інший.
Безпосередня передача повідомлень в лінію зв’язку можлива лише в деяких випадках. У більшості випадків повідомлення, що передаються, необхідно перетворювати в сигнали, які відіграють роль передавача інформації по фізичних каналах зв’язку. Таке перетворення виконується в передавальному пристрої і в загальному випадку складається з двох процедур: кодування і модуляції.
Структурна схема симплексної одно канальної системи передачі дискретних повідомлень зображена на рис.1.1.

Рисунок 1.1 - Структурна схема симплексної одно канальної системи передачі дискретних повідомлень
Джерело повідомлень – це пристрій, що здійснює вибір повідомлень з ансамблю повідомлень. Таким пристроєм може бути будь-який датчик, ПЕОМ і т. ін. Залежно від типу повідомлень розрізняють дискретні та неперервні джерела. Оскільки первинні сигнали часто ототожнюють з повідомленням, що передаються, то джерелом повідомлень будемо називати джерело первинних повідомлень різної природи та перетворювач неелектричної величини в електричну.
Операція кодування – це перетворення дискретного повідомлення в послідовність кодових символів, яке виконують за визначеним правилом. Безліч кодових послідовностей, що можливі при такому правилі кодування, утворюють код. Сукупність символів, з яких складають кодові послідовності називають кодовим алфавітом, а їх кількість – основою коду. Кількість символів у кодовій комбінації рівномірного коду називають довжиною коду.
Кодування дозволяє підвищувати достовірність передачі інформації. Всі коди поділяються на прості та перешкодостійкі.
Залежно від поставлених задач розрізняють кодер для джерела та кодер для каналу. Задачею першого є економне (в розумінні мінімуму середньої кількості символів) подання повідомлення. Як кодер джерела повідомлень може виступати АЦП, який перетворює неперервний сигнал повідомлення в рівномірний простий код. Задачею другого є забезпечення необхідної достовірності передачі повідомлень застосуванням, наприклад, перешкодостійкого кодування.
Первинні сигнали, як правило, низькочастотні. Їх можливо передавати тільки по провідним лініях зв’язку. Для передачі повідомлень по радіолініях використовують спеціальні коливання, які називають носіями повідомлень. Вони повинні добре у лінії зв’язку.
Оскільки носії інформації не містять інформації, то її необхідно в них закласти. Для цього виконують операцію модуляції – зміни одного або декількох параметрів носія інформації відповідно до повідомлення, що передається. Залежно від параметра, який змінюється, розрізняють: однополярну та двополярну модуляцію, АМ, ЧМ, ФМ, АІМ, ШІМ, ЧІМ, ФІМ та КІМ у цифрових системах передачі інформації. Пристрій, що виконує операцію модуляції називають модулятором. На вхід модулятора надходить повідомлення, як правило, у вигляді низькочастотного сигналу, а на виході модулятора формується високочастотний сигнал, параметри якого змінені відповідно до повідомлення. Після модулятора сигнал надходить у лінію зв’язку.
Лінія зв’язку – це фізичне середовище, у якому поширюються сигнали. В радіолініях середовищем є частина простору, в якому поширюються електромагнітні хвилі від передавача до приймача.
Основною задачею приймального пристрою є виділення повідомлення з прийнятого сигналу. В загальному випадку це досягається виконанням над прийнятим сигналом операцій демодуляції та декодування.
Операцію демодуляції виконує демодулятор. Дана операція полягає у перетворенні прийнятого сигналу в сигнал, який описує модулюючу функцію.
У системах передачі інформації можливо два способи відтворення повідомлень: по елементний прийом та прийом в цілому. В першому випадку аналізуються лементи прийнятого сигналу, що відповідають кодовим символам. При цьому на виході демодулятора з’являється послідовність кодових символів, що підлягають декодуванню. В другому випадку аналізують цілком відрізок сигналу, що відповідає кодовій комбінації залежно від використаного критерію ототожнення з дискретним повідомленням. У таких системах операції демодуляції та декодування виконуються одним пристроєм.
Споживач повідомлень – це пристрій (магнітофон, ПЕОМ, автомат і т. ін.), для якого призначене повідомлення.
2. Розрахунок структурних елементів цифрової системи передачі інформації
Вихідні дані:
миттєві значення безперервного стаціонарного процесу
[xmin =-0,8 B; xmax =5,0 B];
смуга частот від 0 до Fс =2 кГц;
кількість рівнів квантування L=16;
вид модуляції ЧМ;
спектральна щільність потужності шуму N0 =2,0·10-7 В2 /Гц;
рівень повідомлення j=12;
номер розряду помилки i=4.
2.1 Джерело повідомлень
1) Аналітичний вираз одномірної щільності ймовірності миттєвих значень

Графік одномірної щільності ймовірності має наступний вигляд (рис.2.1)

Рисунок 2.1 - Графік одномірної щільності ймовірності
2) Математичне очікування повідомлення
m
=
Дисперсія повідомлення
D =
= 0.483
Середньоквадратичне відхилення повідомлення
= ![]()
3) Графік випадкового процесу зображено на рис 2.2. Штриховою лінією показано математичне очікування. Штрихпунктиром показано середньоквадратичне відхилення. Точками показано максимальне та мінімальне значення сигналу.

Рисунок 2.2 - Графік випадкового процесу
2.2 Кодер джерела
1) Частоту дискретизації сигналу оберемо виходячи з частотного критерію Котельникова. Функція, що описує заданий сигнал задовольняє умовам Діріхле, а її частотний спектр обмежений частотою Fс =3,9 кГц. Тоді вона цілком визначається послідовністю своїх значень у точках, що стоять на інтервалі
= 0.25 ![]()
(с)
2) Для двійкового кодування L=16 рівнів квантованого повідомлення необхідно
![]()
розряди вихідної кодової комбінації АЦП.
4) Крок квантування визначається як
= 0,3625
Середня потужність шуму квантування
![]()
Відношення середньої потужності шуму квантування до середньої потужності сигналу
![]()
4) Двійкові комбінації, що відповідають L=16 рівням квантування представлені в таблиці 1
Таблиця 1 - Двійкові комбінації
| Десяткове число | Двійкове число | Десяткове число | Двійкове число | Десяткове число | Двійкове число | Десяткове число | Двійкове число |
| 0 | 0000 | 4 | 0100 | 8 | 1000 | 12 | 1100 |
| 1 | 0001 | 5 | 0101 | 9 | 1001 | 13 | 1101 |
| 2 | 0010 | 6 | 0110 | 10 | 1010 | 14 | 1110 |
| 3 | 0011 | 7 | 0111 | 11 | 1011 | 15 | 1111 |
5) Визначимо ентропію джерела дискретних повідомлень. Оскільки повідомлення рівно ймовірні, то їх ймовірності є рівними і становлять
![]()
то середня ентропія джерела є максимальною і дорівнює
![]()
6) Кількість двійкових символів, що видає АЦП в одиницю часу (продуктивність кодера) становить
Vk =
Vk = 8 біт на повідомлення
Тривалість символів двійкового коду Т квантованого повідомлення
Т = 0,00075 (с)
2.3 Кодер каналу
1) ПобудуЕмо матрицю значень перешкодостiйких кодiв
F = ( П3 П2 П1 I4 I3 I2 I1),
в даному виразi значення перевiрочних символiв обчислюються виконавши дiю суматора за модулем2,
вiдповiдно якому П3 = I4
I3
П2 = I3
I2
П1 = I2
I1
в принципi сумування кодiв за модулем2 закладена основа передеча повiдомлень перешкодостiйких, отже розпишемо можливу матрицю значень
П3 П2 П1 I4 I3 I2 I1
0 0 0 0 0 0 0
0 0 1 0 0 0 1
0 1 1 0 0 1 0
0 1 0 0 0 1 1
1 1 0 0 1 0 0
1 1 1 0 1 0 1
1 0 1 0 1 1 0
1 0 0 0 1 1 1
1 0 0 1 0 0 0
1 0 1 1 0 0 1
1 1 1 1 0 1 0
1 1 0 1 0 1 1
0 1 0 1 1 0 0
0 1 1 1 1 0 1
0 0 1 1 1 1 0
0 0 0 1 1 1 1
Пiдчеркнутими в представленiй матрицi вважаються найбiльше лiнiйно незалежними, а отже i вони Е найбiльше ефкетивними.
Представленi коди вважаються перешкодостiйкими саме тому, що сума по модулю2 даЕ порядок iз трьох одиниць, а як вiдомо, що при перевiрцi наявнiсть одиниць, як перевiрочних. Але ця дiя виконуЕться в демодуляторi та декодерi.
Розглянемо принцип перетворення коду двiйкових послiдовностi, значення яких у 16-вiй формi
5 та А,у двiйковiй формi вони записуються як
1 1 1 0 1 0 1,а також 1 1 1 1 0 1 0
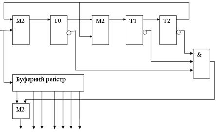
2) функціональна схема кодера завадостійкого коду представлена на рис.2.3

Рисунок 2.3 - Функціональна схема кодера
На рисунку М2 – суматори по модулю 2, Т – чарунки пам’яті регістру зсуву.
3) Надмірність отриманого коду визначається як відношення кількості перевірочних розрядів до загальної кількості символів закодованого повідомлення
![]()
де k – перевірочні розряди, m – інформаційні розряди, n – довжина кодової комбінації.
2.4 Модулятор
1)Структурна схема модулятора ЧМ представлена на рис.2.4. Це дискретний спосіб формування сигналів з частотною модуляцією.

Рисунок 2.4 - Структурна схема модулятора ЧМ
До складу формувача входять: генератор тактових імпульсів (ГТІ), два дільники частоти з коефіцієнтами ділення К1=1 та К2=2, два елементи &, інвертор (-1), елемент АБО (≥1), тригер з лічильниковим входом (Тг) та смуговий фільтр (СФ). Тригер змінює свій стан на протилежний по кожному імпульсу, що надходить на його вхід. Смуговий фільтр виділяє першу гармоніку, яку використовують як несуче коливання.
3) Аналітичний вираз для модульованого сигналу має наступний вигляд. Частота несучої визначається як f0 =100·Vk .
![]()
Тобто позитивним імпульсам відповідають сигнали з частотою заповнення f0 , а негативним імпульсам – f1 .
4) Другому рівню повідомлення, представленого кодовим словом 0001101, відповідають часові діаграми модулюючого Uk =0001101 (рис.2.5) та модульованого сигналу s(t) (рис.2.6).

Рисунок 2.5 - Часові діаграми модулюючого Uk

Рисунок 2.6 – часові діаграми модульованого сигналу
5) Вираз кореляційної функції модулюючого сигналу має наступний вигляд
![]()
де
![]()
Графік кореляційної функції модулюючого сигналу має наступний вигляд (рис.2.7)

Рисунок 2.7 - Графік кореляційної функції модулюючого сигналу
5) Вираз спектральної щільності потужності модулюючого сигналу має наступний вигляд

Графік спектральної щільності модулюючого сигналу має наступний вигляд (рис.2.8). Шкала частот в МГц.

Рисунок 2.8 - Графік спектральної щільності модулюючого сигналу
6) Практичну ширину енергетичного спектру модулюючого сигналу визначимо як
![]()
7) Амплітудний спектр ЧМ сигналу з розносом частот між сигналами, що відповідають двійковим одиниці та нулю і складає
![]()
представлено на рис.2.9.

Рисунок 2.9 – Амплітудний спектр ЧМ сигналу
Вигляд спектральної щільності потужності модульованого сигналу має наступний вигляд (рис.2.10). Шкала частот в МГц.

Рисунок 2.10 - Вигляд спектральної щільності потужності
8) Ширину енергетичного спектру модульованого ЧМ сигналу при передачі двійкових повідомлень визначимо як
![]()
Для забезпечення задовільного відтворення форми прийнятих сигналів ширина смуги пропускання каналу зв’язку повинна забезпечувати передачу всіх складових частотного спектра до третьої гармоніки частоти модуляції включно. Отже смуга пропускання каналу, що використовує сигнали з частотною модуляцією, повинна бути
![]()
2.5 Канал зв’язку
1) Потужність шуму в смузі частот каналу визначимо зі співвідношення
![]()
2) Нехай прийнятий сигнал має амплітуду 200 мВ. Тоді відношення сигнал-шум визначатиметься як

3) Пропускна здатність каналу
![]()
5) Ефективність використання пропускної здатності каналу визначимо як відношення продуктивності джерела до пропускної здатності каналу

2.6 Демодулятор
1) Алгоритм оптимального когерентного прийому за критерієм максимуму функції при рівноймовірних символах для каналу з білим гауссівським шумом можна записати у наступному вигляді
![]()

Причому y(t) – прийнятий сигнал, x(t) – очікуваний сигнал.
2) На рис.2.11 представлено демодулятор сигналів з ЧМ при передачі двійкових повідомлень на базі квазіоптимальної фільтрової обробки. Амплітудний обмежувач сигналів (АО) обмежує рівень прийнятого сигналу для виключення паразитної амплітудної модуляції. Смугові фільтри настроєні на відповідну смугу частот, що займають сигнали з частотами f0 та f1 . Амплітудний детектор (АД) виділяє обвідну сигналу на виході смугового фільтру. Фільтр низьких частот (ФНЧ) придушує залишки несучої і вищих гармонік на виході АД, тим самим наближає форму прийнятого сигналу до форми переданого.

Рисунок 2.11 - Демодулятор сигналів з ЧМ при передачі двійкових повідомлень
2) Повна ймовірність помилки для неоптимального прийому сигналів з ЧМ при відношенні сигнал/шум більше трьохвизначається за виразом

4)Очевидно, що для зменшення ймовірності помилки необхідно збільшувати енергію сигналу.
2.7 Декодер
1) Алгоритм виявлення помилок полягає в визначенні остачі від ділення кодової комбінації, що приймається F(x) на твірний багаточлен P(x), тобто у визначенні синдрому S(x). Нульове значення синдрому свідчить про відсутність помилки у прийнятій кодовій комбінації.
![]()
де H(x) – перевірочна матриця, яка для нашого випадку має наступний вигляд

Згідно варіанту завдання неспотворена кодова комбінація повідомлення 0001101. Якщо помилка виникає в і=1 розряді, то прийнята кодова комбінація матиме наступний вигляд 0001100.
При перемноженні матриць H(x) та
![]()
отриманий синдром матиме вигляд

що свідчить про наявність помилки в повідомлення.
2) Для побудови декодувального пристрою, що виправляє одноразову помилку, в схему необхідно включити детектор помилки. Детектор помилки настроєний на визначене значення остачі від ділення і у випадку її появи формує сигнал корекції спотвореного розряду.
Функціональна схема декодера завадостійкого циклічного коду представлена на рис.2.12. Дана схема виправляє помилку на другій позиції прийнятої кодової комбінації, якщо вона прийнята з помилкою. Включивши в дану схему детектори помилок і коригувальні пристрої для інших інформаційних символів, можна одержати декодувальний пристрій для виявлення і виправфлення будь-яких одноразових помилок у прийнятій кодовій комбінації.

Рисунок 2.12 – Функціональна схема декодера завадостійкого циклічного коду представлена
3) Для твірного багаточлена нашого випадку
![]()
степінь дорівнює k=3 і кількість членів, що входять до цього багаточлена також дорівнює z=3.
При незалежних помилках ймовірність невиявленої помилки складає
![]()
де Р0 – ймовірність помилки при демодуляції.
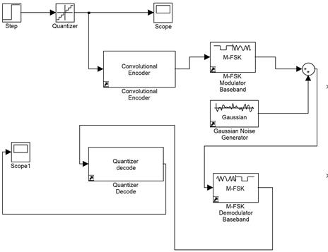
Зобразимо структурну схему ЦСПІ для заданого виду модуляції, побудованої в MATLAB(рис1) та опишемо процес, з детальним поясненням необхідності даної схеми.

Схема 1 - Структурна схема ЦСПІ
В першу чергу відмітимо те, що необхідним для передачі сигналу є сполучення необхідних елементів системи, які в свою чергу забезпечують достовірність при передачі інформації.
Щоб впевнитися, на скільки справляється із своїм завданням ЦСПІ, необхідним було її побудували, побудована в MATLAB
Містить в собі наступні етапи
1 – скориставшись бібліотеками Simulink, Basiccomm..
Логічно збираємо схему
2 – Описуємо її процес
Опишемо логічно процес, який відбувається в приведеній схемі
Джерело повідомлень формує сигнал будь якої форми, в тому числі неперервні та дискретні,а безперервні процеси можуть бути випадковими замість джерела повідомлень використаємо генератор одиничного імпульсу, зображений на схемі Step. Після того, як джерело повідомлень сформувало сигнал певної форми його одразу необхідно обробити з подальшим його перетворенням у форму модульованого сигналу.
Виконання цієї операції ми покладаємось на наступні елементи:
Quantizer – квантувач, формує повідомлення, поділивши його за квантами
Scope – осцилограф, на якому вже буде зображено сигналограми після квантування повідомлення
ConvolutionalEncoder – кодер, Який використовується як кодер каналу та разом з Quantizer-ером утворюють блок АЦП
Після розрахунку сигналу,та при його перетворенні у цифрову форму, тобто двійковій послідовності біполярних імпульсів,
Сигнал необхідно перетворити у модульований сигнал за відомим видом модуляції
Для цього використаємо
Modulator
Наступним, що необідно зробити, це його передати, відповідно використаємо суматор сигналів, на виході якого буде зображений сигнал y(t) = x(t)+n(t)
Де n(t) сигнал Гаусового шуму
GaussianNoiseGenerator
Після здійснення поширенні сигналу по лінії зв*язку
Його необхідно де модулювати та декодувати, з врахуванням відповідності при виборі модуляції
Операції такого характеру покладемо на елементи Demodulator, QuantizerDecod, які здійснюють перетворення і вивід сигналу на Scope1, який буде мати форму, відповідну до переданої
3 Аналіз отриманих результатів розрахунку
Вході виконання розрахунків окремих функціональних елементів цифрової системи передачі інформації були отримані наступні результати:
розрахований інтервал дискретизації становить 500 мкс або частота дискретизації 2 кГц, яка визначається частотним спектром випадкового процесу;
для двійкового кодування 16 рівнями необхідна розрядність АЦП повинна складати не менше 4 розряди;
середня ентропія джерела повідомлень складає 4 біт/повідомлення і є максимально можливою для даного випадку (вважаючи, що повідомлення рівно ймовірні);
розрахована продуктивність кодера становить 8000 символів/секунда;
розрахована тривалість двійкового коду складає 125 мкс;
обраний завадостійкий циклічний код дозволяє виправляти однократні помилки. Значення надмірності коду становить 0,43;
практична ширина енергетичного спектру модульованого сигналу становить 48 кГц;
при обраній амплітуді вхідного сигналу 200 мВ відношення сигнал/шум становить 6,94, пропускна здатність каналу при цьому складає 143,5 кГц, а ефективність його використання – 33%;
значення розрахованих ймовірностей помилки демодулятора становить 0,0037, а ймовірність невиявлення помилки складає 0,0036.
Висновки за результатами аналізу
За результатами аналізу отриманих в ході розрахунків параметрів функціональних елементів системи передачі інформації можна сформулювати наступні висновки:
1. невисоке значення частоти дискретизації та розрядності АЦП знижує вимоги до елементної бази системи;
2. обраний модулятор та демодулятор ЧМ сигналу мають досить просту та легко реалізовану структуру;
3. кодер та декодер циклічного коду можна побудувати повністю на цифрових інтегральних мікросхемах, що значно спрощує схемну реалізацію цих пристроїв;
4. для зменшення ймовірності помилки при демодуляції сигналу необхідно збільшувати енергію сигналу;
5. зменшення ймовірності не виявлення помилки при декодуванні повідомлення можна досягти шляхом збільшення надмірності коду.
Закінчення
Різноманітність галузей застосування систем передачі інформації і використовуваних у них каналів зв’язку обумовлює дуже широкий діапазон питань, пов’язаних зі специфікою побудови і використання різних типів цих систем. Специфіка конкретних систем повинна враховуватися при оцінці конкретних положень і висновків теорії передачі повідомлень та їх практичному використанні. Наприклад, правильна побудова системи передачі інформації неможлива без урахування досить повних відомостей про структуру і статистичні характеристики перешкод, що діють у застосовуваних каналах зв’язку.
Список використаної літератури
1.Андрощук Р.А. Основи теорії передачі інформації. Ч2.-Житомир.ЖВІРЕ, 2006.-168 с.
2.СіденкоВ.П. Основи теорії передачі інформації. Ч1-Житомир. ЖВІРЕ, 2002.-316 с.
3. ГОСТ 3008-95.