| Скачать .docx |
Реферат: Сочинение: Рассчет корректирующих цепей широкополосных усилительных каскадов на биполярных транзисторах
ВВЕДЕНИЕ
1. ИСХОДНЫЕ ДАННЫЕ ДЛЯ РАСЧЕТА
2. РАСЧЕТ НЕКОРРЕКТИРОВАННОГО КАСКАДА С ОБЩИМ ЭМИТТЕРОМ
3. РАСЧЕТ КАСКАДА С ВЫСОКОЧАСТОТНОЙ ИНДУКТИВНОЙ КОРРЕКЦИЕЙ
4. РАСЧЕТ КАСКАДА С ЭМИТТЕРНОЙ КОРРЕКЦИЕЙ
5. КОРРЕКЦИЯ ИСКАЖЕНИЙ ВНОСИМЫХ ВХОДНОЙ ЦЕПЬЮ
6. СОГЛАСОВАННЫЕ КАСКАДЫ С ОБРАТНЫМИ СВЯЗЯМИ
7. РАСЧЕТ УСИЛИТЕЛЬНЫХ КАСКАДОВ С ЧЕТЫРЕХПОЛЮСНЫМИ КОРРЕКТИРУЮЩИМИ ЦЕПЯМИ
8. РАСЧЕТ УСИЛИТЕЛЕЙ С ЧАСТОТНО-РАЗДЕЛИТЕЛЬНЫМИ ЦЕПЯМИ
СПИСОК ИСПОЛЬЗОВАННЫХ ИСТОЧНИКОВ
РАСЧЕТ КОРРЕКТИРУЮЩИХ ЦЕПЕЙ ШИРОКОПОЛОСНЫХ УСИЛИТЕЛЬНЫХ КАСКАДОВ НА БИПОЛЯРНЫХ ТРАНЗИСТОРАХ
Цель работы – получение законченных аналитических выражений для расчета коэффициента усиления, полосы пропускания и значений элементов корректирующих цепей наиболее известных и эффективных схемных решений построения усилительных каскадов на биполярных транзисторах (БТ). Основные результаты работы – вывод и представление в удобном для проектирования виде расчетных соотношений для усилительных каскадов с простой индуктивной и истоковой коррекциями, с четырехполюсными диссипативными межкаскадными корректирующими цепями четвертого порядков, для входной и выходной корректирующих цепей. Для всех схемных решений построения усилительных каскадов на БТ приведены примеры расчета.
ВВЕДЕНИЕ
В теории усилителей нет достаточно обоснованных доказательств преимущества использования того либо иного схемного решения при разработке конкретного усилительного устройства. В этой связи проектирование широкополосных усилителей во многом основано на интуиции и опыте разработчика. При этом, разные разработчики, чаще всего, по-разному решают поставленные перед ними задачи, достигая требуемых результатов. Данная работа предназначена для начинающих разработчиков широкополосных усилителей и содержит: наиболее известные и эффективные схемные решения построения широкополосных усилительных каскадов на БТ; соотношения для их расчета по заданным требованиям; примеры расчета. Поскольку, как правило, широкополосные усилители работают в стандартном 50 либо 75-омном тракте, соотношения для расчета даны исходя из условий, что оконечные каскады усилителей работают на чисто резистивную нагрузку, а входные каскады усилителей работают от чисто резистивного сопротивления генератора.
1 ИСХОДНЫЕ ДАННЫЕ ДЛЯ РАСЧЕТА
В соответствии с [1, 2, 3], приведенные ниже соотношения для расчета усилительных каскадов основаны на использовании эквивалентной схемы замещения транзистора приведенной на рисунке 1.1, либо на использовании его однонаправленной модели [2, 3] приведенной на рисунке 1.2.

Рисунок 1.1- Эквивалентная схема Джиаколетто

Рисунок 1.2 - Однонаправленная модель
Значения элементов схемы Джиаколетто могут быть рассчитаны по паспортным данным транзистора по следующим формулам [1]:




=3 - для планарных кремниевых транзисторов,
=4 - для остальных транзисторов,
;
;
;
где
- емкость коллекторного перехода;
- постоянная времени цепи обратной связи;
- статический коэффициент передачи тока в схеме с общим эмиттером;
- граничная частота коэффициента передачи тока в схеме с общим эмиттером;
- ток эмиттера в рабочей точке в миллиамперах.
В справочной литературе значения
и
часто приводятся измеренными при различных значениях напряжения коллектор-эмиттер
. Поэтому при расчетах
значение
следует пересчитать по формуле [1]
,
где
- напряжение
, при котором производилось измерение
;
- напряжение
, при котором производилось измерение
.
Поскольку
и
оказываются много меньше проводимости нагрузки усилительных каскадов, в расчетах они обычно не учитываются.
Элементы схемы замещения приведенной на рисунке 1.2 могут быть рассчитаны по следующим эмпирическим формулам [4]:
,
,
,
,
где
- индуктивность вывода базы;
- индуктивность вывода эмиттера;
- предельное значение напряжения
;
- предельное значение постоянного тока коллектора.
При расчетах по эквивалентной схеме, приведенной на рисунке 1.2, вместо
используют параметр
- коэффициент усиления транзистора по мощности в режиме двухстороннего согласования [2], равный:
=
(1.1)
где
- частота, на которой коэффициент усиления транзистора по мощности в режиме двухстороннего согласования равен единице;
- текущая частота.
2 РАСЧЕТ НЕКОРРЕКТИРОВАННОГО КАСКАДА С ОБЩИМ ЭМИТТЕРОМ
2.1 ОКОНЕЧНЫЙ КАСКАД
Схема каскада по переменному току приведена на рисунке 1.3, где
- сопротивление нагрузки;
- сопротивление в цепи коллектора.

Рисунок 2.1 - Схема оконечного некорректированного каскада.
При отсутствии реактивности нагрузки, полоса пропускания каскада определяется параметрами транзистора. В соответствии с [1] коэффициент усиления каскада в области верхних частот можно описать выражением:
,
где
; (1.2)
(1.3)
; (1.4)
; (1.5)
![]()
.
При заданном уровне частотных искажений
,
верхняя частота
полосы пропускания каскада равна:
=
. (1.6)
Входное сопротивление каскада может быть аппроксимировано параллельной RC цепью [1]:
; (1.7)
=
(1.8)
Пример 1.1.
Рассчитать
,
,
,
каскада, приведенного на рисунке 1.3 при использовании транзистора КТ610А (
=5 Ом,
=1 Ом,
=0,0083 Сим,
=4 пФ,
=160 пФ,
=1 ГГц,
=120,
=0,95 А/В,
=0,99,
=55 мА), и условий:
=50 Ом;
=0,9;
=10.
Решение.
По известным
и
в соответствии с (1.2) имеем
=10,5 Ом. Зная
находим
=13,3 Ом. По формуле (1.3) найдем
=1,03×10-9
с. Подставляя известные
и
в соотношение (1.6) получим
=74,9 МГц. По формулам (1.7) и (1.8) определим
=196 пФ,
=126 Ом.
2.2 ПРОМЕЖУТОЧНЫЙ КАСКАД
Схема каскада по переменному току приведена на рисунке 1.4, где
- сопротивление в цепи коллектора;
,
- входное сопротивление и входная емкость нагружающего каскада.

Рисунок 2.2 - Схема промежуточного некорректированного каскада.
В соответствии с [1] коэффициент усиления каскада в области верхних частот описывается выражением:
,
где
=
×
(1.9)
(1.10)
=
. (1.11)
Значения
,
,
каскада рассчитываются по формулам (1.6), (1.7), (1.8).
Пример 2.
Рассчитать
,
,
,
каскада приведенного на рисунке 1.4 при использовании транзистора КТ610А (данные транзистора приведены в примере 1.1) и условий
=0,9;
=10;
,
- из примера 1.
Решение.
По известным
и
из (1.9) получим
=10.5 Ом. Зная
из (1.11) найдем
=11,5 Ом. По формуле (1.10) определим
=3×10-9
с. Подставляя известные
,
в соотношение (1.6) получим
=25,5 МГц. По формулам (1.7) и (1.8) определим
=126 Ом,
=196 пФ.
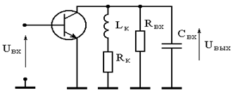
3 РАСЧЕТ КАСКАДА С ВЫСОКОЧАСТОТНОЙ ИНДУКТИВНОЙ КОРРЕКЦИЕЙ
3.1 ОКОНЕЧНЫЙ КАСКАД
Схема каскада по переменному току приведена на рисунке 3.1.

Рисунок 3.1 - Схема оконечного каскада с высокочастотной индуктивной коррекцией.
При отсутствии реактивности нагрузки высокочастотная (ВЧ) индуктивная коррекция вводится для коррекции искажений АЧХ вносимых транзистором. В соответствии с [1] коэффициент усиления каскада в области верхних частот, при оптимальном значении
равном
, (1.12)
описывается выражением
,
где
=
×
; (1.13)
=
; 1.14)
=
; (1.15)
(1.16)
и
определяются выражениями (1.4) и (1.5).
При заданном
,
каскада равна:
=
. (1.17)
Значения
,
каскада рассчитываются по формулам (1.7), (1.8).
Пример 3
Рассчитать
,
,
,
,
каскада с ВЧ индуктивной коррекцией, схема которого приведена на рисунке 3.1, при использовании транзистора КТ610А (данные транзистора приведены в примере 1) и условий
=0,9;
=10;
=50 Ом.
Решение.
По известным
и
из (1.13) получим
=10,5 Ом. Зная
из (1.14) найдем
=13,3 Ом. Рассчитывая
по (1.16) и подставляя в (1.12) получим
=13,7×10-9
Гн. Определяя tк
по (1.15) и подставляя в (1.17) определим
=350 МГц. По формулам (1.7), (1.8) найдем
=196 пФ,
=126 Ом.
3.2 ПРОМЕЖУТОЧНЫЙ КАСКАД
Схема каскада по переменному току приведена на рисунке 3.2.

Рисунок 3.2 - Схема промежуточного каскада с высокочастотной индуктивной коррекцией
В соответствии с [1] коэффициент усиления каскада в области верхних частот, при оптимальном значении
равном
=
×
,(1.18)
определяется выражением:

где
=
×
; (1.19)
=
; (1.20)
=
; (1.21)
=
, (1.22)
и
определяются выражениями (1.4), (1.5). Значения
,
,
каскада рассчитываются по формулам (1.17), (1.7), (1.8).
Пример 4.
Рассчитать
,
,
,
,
каскада с ВЧ индуктивной коррекцией, схема которого приведена на рисунке 3.2, при использовании транзистора КТ610А (данные транзистора приведены в примере 1.1) и условий:
=0,9;
=10;
,
- из примера 3.
Решение.
По известным
и
из (1.19) получим
=10,5 Ом. Зная
из (1.20) найдем
=11,5 Ом. Рассчитывая
по (1.22) и подставляя в (1.18) получим
=34,7×10-9
Гн. Определяя
по (1.21) и подставляя в (1.17) определим
=308 МГц. По формулам (1.7), (1.8) найдем
=196 пФ,
=126 Ом.
4 РАСЧЕТ КАСКАДА С ЭМИТТЕРНОЙ КОРРЕКЦИЕЙ
4.1 ОКОНЕЧНЫЙ КАСКАД
Схема каскада по переменному току приведена на рисунке 4.1.

Рисунок 4.1. Схема оконечного каскада с эмиттерной коррекцией
При отсутствии реактивности нагрузки эмиттерная коррекция вводится для коррекции искажений АЧХ, вносимых транзистором, увеличивая амплитуду напряжения эмиттер-база с ростом частоты. В соответствии с [1], модуль коэффициента усиления каскада в области верхних частот, при выборе элементов коррекции
,
соответствующими оптимальной по Брауде АЧХ, описывается выражением
, (1.23)
где ![]()
;
=
; (1.24)
- глубина ООС; (1.25)
; (1.26)
; (1.27)
(1.28)
При заданном значении
, оптимальное значение
определяется выражением
. (1.29)
Подставляя
и
в (1.23) можно получить:
, (1.30)
где
.
Входное сопротивление каскада с эмиттерной коррекцией может быть аппроксимировано параллельной RC-цепью [1].
; (1.31)
. (1.32)
Пример 5.
Рассчитать
,
,
,
,
каскада с эмиттерной коррекцией схема которого приведена на рисунке 4.1, при использовании транзистора КТ610А (данные транзистора приведены в примере 1) и условий
=0,9;
=10;
= 50 Ом.
Решение.
По известным
,
и
из (5.2) получим
=4,75. Подставляя
в (1.25) и (1.29) найдем
=4 Ом;
=1,03. Рассчитывая
по (1.28) и подставляя в (1.26), (1.27) получим
=50,5 пФ. По известным
,
,
,
и
из (1.30) определим
= 407 МГц. По формулам (1.31), (1.32) найдем
= 71 пФ,
= 600 Ом.
4.2 ПРОМЕЖУТОЧНЫЙ КАСКАД
Схема каскада по переменному току приведена на рисунке 1.10.

Рисунок 4.2. Схема промежуточного каскада с эмиттерной
коррекцией
В соответствии с [1] модуль коэффициента усиления каскада в области верхних частот, при выборе элементов коррекции соответствующими оптимальной по Брауде АЧХ, описывается выражением (1.23). В данном случае, при заданном значении
, оптимальное значение
определяется из соотношения:
, (1.33)
где
.
Значения
,
,
каскада рассчитываются по формулам (1.30), (1.31), (1.32), при этом в (1.24), (1.28) и (1.31) величина
заменяется на
.
Пример 6.
Рассчитать
,
,
,
,
каскада с эмиттерной коррекцией, схема каскада приведена на рисунке 4.2, при использовании транзистора КТ610А (данные транзистора приведены в примере 1) и условий:
=0,9;
=10;
=71,5 пФ;
=300 Ом (предполагается, что нагрузкой данного каскада является входное сопротивление каскада рассчитанного в примере 5, а в коллекторе транзистора стоит резистор с номиналом 600 Ом.
Решение.
По известным
,
и
из (1.24) получим
=28,5. Подставляя
в (1.25) найдем
=29 Ом. Зная
и
, по (1.33) определим
=0,76. Рассчитывая
по (1.28) и подставляя в (1.26), (1.27) получим
=201 пФ. По известным
,
,
,
,
из (1.30) определим
=284 МГц. По формулам (1.31), (1.32) найдем
=44 пФ;
=3590 Ом.
5 КОРРЕКЦИЯ ИСКАЖЕНИЙ ВНОСИМЫХ ВХОДНОЙ ЦЕПЬЮ
5.1 РАСЧЕТ ИСКАЖЕНИЙ ВНОСИМЫХ ВХОДНОЙ ЦЕПЬЮ
Схема входной цепи каскада по переменному току приведена на рисунке 5.1, где
- внутреннее сопротивление источника сигнала.

Рисунок 5.1. Схема входной цепи некорректированного каскада
При условии аппроксимации входного сопротивления каскада параллельной RC-цепью, коэффициент передачи входной цепи в области верхних частот описывается выражением [1]:
,
где
=
(1.34)
=
; (1.35)
=
;
=
;
Значение
входной цепи рассчитывается по формуле (1.6).
Пример 7.
Рассчитать
и
входной цепи приведенной на рисунке 5.1, при работе каскада на транзисторе КТ610А (данные транзистора приведены в примере 1.1) от генератора с
=50 Ом и при
=0,9.
Решение.
Из примера 1 имеем:
=126 Ом,
=196 пФ. По формуле (1.34) получим:
=0,716, а по формуле (1.35):
=7×10-9
с. Подставляя известные
и
в (1.6) найдем:
=11 МГц.
5.2 РАСЧЕТ ВХОДНОЙ КОРРЕКТИРУЮЩЕЙ ЦЕПИ
Из приведенных выше примеров расчета видно, что наибольшие искажения АЧХ обусловлены входной цепью. Для расширения полосы пропускания входных цепей в [5] предложено использовать схему.
Работа схемы основана на увеличении сопротивления цепи
с ростом частоты для компенсации шунтирующего действия входной емкости каскада. При заданном значении
и выборе
, соответствующей оптимальной по Брауде АЧХ, модуль коэффициента передачи входной цепи описывается выражением:
,
где
; (1.42)
;
;
;
; (1.43)
,
- входное сопротивление и входная емкость каскада.
При заданном значении
,
входной цепи равна:
, (1.44)
где
.
Пример 1.8.
Рассчитать
,
,
входной цепи приведенной на рисунке 5.2 при работе на каскад с параметрами, данными в примере 7, при уменьшении
за счет введения
в пять раз по сравнению с некорректированной входной цепью, и при
=50 Ом,
=0,9.
Решение.
Из примера 7 имеем:
=126 Ом;
=196 пф;
=0,716. Из соотношения (1.42) и условий задачи получим:
=10 Ом. Подставляя
в (1.43) найдем:
=7,54 нГн. Подставляя результаты расчета в (1.44), получим:
=108 МГц. Используя соотношения (1.6), (1.41) определим, что при простом шунтировании каскада резистором
=10 Ом
каскада оказывается равной 50 МГц.
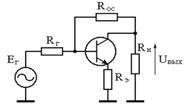
5.3 РАСЧЕТ КАСКАДА С ПАРАЛЛЕЛЬНОЙ ОТРИЦАТЕЛЬНОЙ ОБРАТНОЙ СВЯЗЬЮ
Для исключения потерь в усилении, обусловленных использованием входной корректирующей цепи (см. раздел 5.2), в качестве входного каскада может быть использован каскад с параллельной ООС, схема которого приведена на рисунке 5.3.

,
- входные сопротивление и емкость нагружающего каскада
Рисунок 5.3 Схема каскада с параллельной ООС
Особенностью схемы является то, что при большом значении
и глубокой ООС (
мало) в схеме, даже при условии
=0, появляется выброс на АЧХ в области верхних частот. Поэтому расчет каскада следует начинать при условии:
=0. В этом случае коэффициент усиления каскада в области верхних частот определяется выражением:
, (1.45)
где
;(1.46)

;
.
При заданном значении
,
каскада равна:
, (1.47)
где
.
Формулой (1.47) можно пользоваться в случае, если
. В случае
схема имеет выброс на АЧХ и следует увеличить
.
Если окажется, что при ![]()
![]()
меньше требуемого значения, следует ввести
. В этом случае коэффициент усиления каскада в области верхних частот описывается выражением:
, (1.48)
где
;
;

;
;

Оптимальная по Брауде АЧХ достигается при условии:
. (1.50)
При заданном значении
,
каскада может быть найдена после нахождения действительного корня
уравнения:
,(1.51)
где
.
При известном значении
,
равна:
. (1.52)
Пример 9.
Рассчитать
,
,
каскада с параллельной ООС схема которого приведена на рисунке 5.3, при использовании транзистора КТ610А (данные транзистора приведены в примере 1.1), при
=50 Ом;
=0,9;
=1,5 и при работе на каскад рассчитанный в примере 6 (
=3590 Ом,
=44 пФ).
Решение.
По известным
и
из (1.46) определим
=75 Ом. Рассчитывая
и
формулы (1.45) найдем, что
. Поэтому следует увеличить значение
. Выберем
=6. В этом случае из (1.46) определим:
=150 Ом. Для данного значения ![]()
. По формуле (1.47) получим:
=76 МГц. Для расширения полосы пропускания рассчитаем
по (1.50):
=57 нГн. Теперь найдем действительный корень уравнения (1.51):
, и по (1.52) определим
=122 МГц.
6 СОГЛАСОВАННЫЕ КАСКАДЫ С ОБРАТНЫМИ СВЯЗЯМИ
6.1 РАСЧЕТ КАСКАДА С КОМБИНИРОВАННОЙ ООС
Схема каскада по переменному току приведена на рисунке 6.1 [6].

Рисунок 6.1 Схема каскада с комбинированной ООС
Достоинством схемы является то, что при условиях:
и
(1.53)
схема оказывается согласованной по входу и выходу с КСВН не более 1,3 в диапазоне частот, где выполняется условие
³0,7. Поэтому практически отсутствует взаимное влияние каскадов друг на друга при их каскадировании [6].
При выполнении условий (1.53), коэффициент усиления каскада в области верхних частот описывается выражением:
, (1.54)
где
; (1.55)
;
;
;
.
Из (1.53), (1.55) не трудно получить, что при известном значении ![]()
величина резистора
определяется выражением:
. (1.56)
При заданном значении
,
каскада равна:
, (1.57)
где
.
В [8] показано, что при выполнении условий (1.53) ощущаемое сопротивление нагрузки транзистора, каскада с комбинированной ООС, равно
, а максимальная амплитуда выходного сигнала каскада уменьшается на величину:
, что следует учитывать при выборе рабочей точки транзистора.
Пример 10.
Рассчитать
,
,
каскада приведенного на рисунке 6.1 при использовании транзистора КТ610А (данные транзистора приведены в примере 1) и условий:
= 50 Ом;
=0,9;
=3.
Решение.
По известным
и
из (1.56) получим:
=200 Ом. Подставляя
в (1.53) найдем:
=12,5 Ом. Рассчитывая коэффициенты
,
формулы (1.54) и подставляя в (1.57) определим:
=95 МГц.
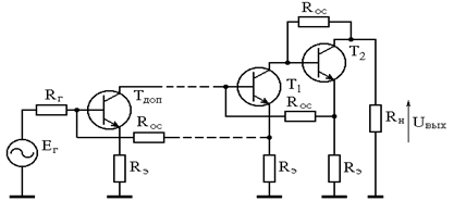
6.2 РАСЧЕТ УСИЛИТЕЛЬНЫХ КАСКАДОВ С ПЕРЕКРЕСТНЫМИ ООС
Схема усилительных каскадов по переменному току приведена на рисунке 6.2 [9].

Рисунок 6.2 Схема усилительных каскадов с перекрестными ООС
По идеологии построения рассматриваемая схема похожа на усилитель, в котором использованы каскады с комбинированной ООС. Однако при заданном коэффициенте усиления схема обладает большей полосой пропускания, которая практически не сокращается при увеличении числа каскадов, что объясняется комплексным характером обратной связи на высоких частотах.
Также как и каскад с комбинированной ООС схема оказывается согласованной по входу и выходу с КСВН не более 1,5 и 1,3 соответственно, при условиях [9, 10]:
;
(1.60)
При выполнении условий (1.60) и при пренебрежении величинами второго порядка малости, коэффициент усиления двухтранзисторного варианта усилителя изображенного на рисунке 6.2 описывается выражением:
; (1.61)
где
; (1.62)
;
;
; (1.63)
;
;
- текущая частота;
.
При заданном значении
,
двухтранзисторного варианта усилителя равна:
, (1.64)
где
.
При увеличении числа каскадов усилителя, верхняя граничная частота всего усилителя
практически не меняется и может быть рассчитана по эмпирической зависимости
,
где
- общее число каскадов;
- верхняя частота полосы пропускания двухтранзисторного варианта усилителя, рассчитываемая по формуле (1.66).
Подключение дополнительных каскадов усиления к двухтранзисторному варианту усилителя приводит к возрастанию усиления в
раз, и общий коэффициент усиления, в этом случае, равен:
.
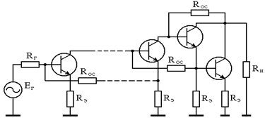
Для повышения выходной мощности рассматриваемого усилителя можно воспользоваться его модифицированной схемой приведенной на рисунке 6.3 [11].

Рисунок 6.3 Схема усилителя с повышенной выходной мощностью.
Для схемы приведенной на рисунке 6.3 справедливы все соотношения приведенные выше, однако она имеет вдвое большую величину выходной мощности благодаря параллельному включению выходных транзисторов [9
Пример 11.
Рассчитать
,
,
двухтранзисторного варианта усилителя приведенного на рисунке 6.2, при использовании транзистора КТ610А (данные транзистора приведены в примере 1) и условий:
=50 Ом;
=0,81;
=10.
Решение.
Подставляя в (1.62) различные значения
найдем, что
=10 при
=0,262. Теперь по (1.64) определим:
=101 МГц. Используя (1.63), получим:
=13,1 Ом;
=191 Ом.
6.3 РАСЧЕТ КАСКАДА СО СЛОЖЕНИЕМ НАПРЯЖЕНИЙ
Схема каскада по переменному току приведена на рисунке 6.4 [10].

Рисунок 6.4 Схема каскада со сложением напряжений
При условии:
(1.67)
напряжение, отдаваемое транзистором каскада, равно входному, ток же, отдаваемый предыдущим каскадом, практически равен току нагрузки. Поэтому ощущаемое сопротивление нагрузки каскада равно половине сопротивления
, его входное сопротивление также равно половине сопротивления
, вплоть до частот соответствующих
=0,7. Это следует учитывать при расчете рабочих точек рассматриваемого и предоконечного каскадов.
При выполнении условия (1.67) коэффициент усиления каскада в области верхних частот описывается выражением:
,
где ![]()
;
;
;
;
.
Оптимальная по Брауде АЧХ каскада реализуется при расчете
,
по формулам [12]:
; (1.68)
, (1.69)
а значение
определяется из соотношения:
. (1.70)
Пример 12.
Рассчитать
,
,
каскада со сложением напряжений приведенного на рисунке 6.4, при использовании транзистора КТ610А (данные транзистора приведены в примере 1) и условий:
=50 Ом;
=0,9.
Решение.
По формулам (1.68), (1.69) получим
=3 кОм;
=10,4 пФ. Теперь по (1.70) найдем
=478 МГц.
7 РАСЧЕТ УСИЛИТЕЛЬНЫХ КАСКАДОВ С ЧЕТЫРЕХПОЛЮСНЫМИ КОРРЕКТИРУЮЩИМИ ЦЕПЯМИ
7.1 РАСЧЕТ ВЫХОДНОЙ КОРРЕКТИРУЮЩЕЙ ЦЕПИ
В рассматриваемых выше усилительных каскадах расширение полосы пропускания было связано с потерей части выходной мощности в резисторах корректирующих цепей, либо цепей ООС. Этого недостатка лишены усилители, построенные по принципу последовательного соединения корректирующих цепей (КЦ) и усилительных элементов [2].
Пример построения такой схемы усилителя по переменному току приведен на рисунке 7.1.

Рисунок 7.1 Схема усилителя с корректирующими цепями
При этом расчеты входных, выходных и межкаскадных КЦ ведутся с использованием эквивалентной схемы замещения транзистора приведенной на рисунке 1.2. Из теории усилителей известно [3], что для получения максимальной выходной мощности в заданной полосе частот необходимо реализовать ощущаемое сопротивление нагрузки, для внутреннего генератора транзистора, равное постоянной величине во всем рабочем диапазоне частот. Это можно реализовать, включив выходную емкость транзистора (см. рисунок 1.2) в фильтр нижних частот, используемый в качестве выходной КЦ. Схема включения выходной КЦ приведена на рисунке 7.2.

Рисунок 7.2 Схема выходной корректирующей цепи
При работе усилителя без выходной КЦ, модуль коэффициента отражения |
| ощущаемого сопротивления нагрузки внутреннего генератора транзистора равен [3]:
|
|=
, (1.71)
где
- текущая круговая частота.
При этом уменьшение выходной мощности относительно максимального значения, обусловленное наличием
, составляет величину:
, (1.72)
где
- максимальное значение выходной мощности на частоте
при условии равенства нулю
;
- максимальное значение выходной мощности на частоте
при наличии
.
Описанная в [3] методика Фано позволяет при заданных
и
рассчитать такие значения элементов выходной КЦ
и
, которые обеспечивают минимально возможную величину максимального значения модуля коэффициента отражения
в полосе частот от нуля до
. В таблице 7.1 приведены нормированные значения элементов
,![]()
, рассчитанные по методике Фано, а также коэффициент
, определяющий величину ощущаемого сопротивления нагрузки
относительно которого вычисляется
.
Таблица 7.1 Нормированные значения выходной КЦ
0,1 0,2 0,3 0,4 0,5 |
0,180 0,382 0,547 0,682 0,788 |
0,099 0,195 0,285 0,367 0,443 |
0,000 0,002 0,006 0,013 0,024 |
1,000 1,001 1,002 1,010 1,020 |
0,6 0,7 0,8 0,9 1,0 |
0,865 0,917 0,949 0,963 0,966 |
0,513 0,579 0,642 0,704 0,753 |
0,037 0,053 0,071 0,091 0,111 |
1,036 1,059 1,086 1,117 1,153 |
1,1 1,2 1,3 1,4 1,5 |
0,958 0,944 0.927 0,904 0,882 |
0,823 0,881 0,940 0,998 1,056 |
0,131 0,153 0,174 0,195 0,215 |
1,193 1,238 1,284 1,332 1,383 |
1,6 1,7 1,8 1,9 |
0,858 0,833 0,808 0,783 |
1,115 1,173 1,233 1,292 |
0,235 0,255 0,273 0,292 |
1,437 1,490 1,548 1,605 |
Истинные значения элементов рассчитываются по формулам
(1.73)
Пример 13.
Рассчитать выходную КЦ для усилительного каскада на транзисторе КТ610А (
=4 пФ), при
=50 Ом,
=600 МГц. Определить
и уменьшение выходной мощности на частоте
при использовании КЦ и без нее.
Решение.
Найдем нормированное значение
:
=
=
=0,7536. В таблице 7.1 ближайшее значение
равно 0,753. Этому значению
соответствуют:
=1,0;
=0,966;
=0,111;
=1,153. После денормирования по формулам (1.73) получим:
=12,8 нГн;
=5,3 пФ;
=43,4 Ом. Используя соотношения (1.71), (1.72) найдем, что при отсутствии выходной КЦ уменьшение выходной мощности на частоте
, обусловленное наличием
, составляет 1,57 раза, а при ее использовании - 1,025 раза.
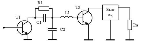
7.2 РАСЧЕТ КАСКАДА С РЕАКТИВНОЙ МЕЖКАСКАДНОЙ КОРРЕКТИРУЮЩЕЙ ЦЕПЬЮ ТРЕТЬЕГО ПОРЯДКА
![]() |
Схема каскада по переменному току приведена на рисунке 7.3 [4, 14].
Рисунок 7.3 Каскад с межкаскадной корректирующей цепью третьегопорядка
Используя однонаправленную эквивалентную схему замещения транзистора, схему (рисунок 7.3) можно представить в виде приведенном на рисунке 7.4.

Рисунок 7.4 Эквивалентная схема каскада
Согласно [2, 14], коэффициент прямой передачи каскада на транзисторе Т2, при условии использования выходной КЦ, равен:
, (1.80)
где
;
;
=
,
=
- нормированные относительно
Т1 и
значения
и
.
При заданных значениях
,
,
, соответствующих требуемой форме АЧХ каскада, нормированные значения
,
,
рассчитываются по формулам [4]:
(1.81)
где
;
;
;
;
;
;
;
,
,
=
- нормированные значения
,
,
.
В теории фильтров известны табулированные значения коэффициентов
,
,
, соответствующие требуемой форме АЧХ цепи описываемой функцией вида (1.80). Значения коэффициентов
,
,
, соответствующие различной неравномерности АЧХ, приведены в таблице 3.
Таблица 3
| Неравномерность АЧХ, дБ | |||
| 0,1 | 1,605 | 1,184 | 0,611 |
| 0,2 | 1,805 | 1,415 | 0,868 |
| 0,3 | 1,940 | 1,56 | 1,069 |
| 0,4 | 2,05 | 1,67 | 1,24 |
| 0,5 | 2,14 | 1,75 | 1,40 |
| 0,6 | 2,23 | 1,82 | 1,54 |
| 0,7 | 2,31 | 1,88 | 1,67 |
| 0,8 | 2,38 | 1,93 | 1,80 |
| 0,9 | 2,45 | 1,97 | 1,92 |
| 1,0 | 2,52 | 2,012 | 2,035 |
| 1,2 | 2,65 | 2,08 | 2,26 |
| 1,4 | 2,77 | 2,13 | 2,46 |
| 1,6 | 2,89 | 2,18 | 2,67 |
| 1,8 | 3,01 | 2,22 | 2,87 |
| 2,0 | 3,13 | 2,26 | 3,06 |
Для выравнивания АЧХ в области нижних частот используется резистор
, рассчитываемый по формуле:
. (1.82)
При работе каскада в качестве входного, в формуле (1.81) значение
принимается равным нулю.
После расчета
,
,
, истинные значения элементов находятся из соотношений:
,
,
. (1.83)
Пример 15.
Рассчитать
,
,
,
,
межкаскадной КЦ, схема которой приведена на рисунке 7.3, при использовании транзисторов КТ610А (
=3 нГн,
=5 Ом,
=4 пФ,
=86 Ом,
=1 ГГц) и условий
=50 Ом,
=0,9,
=260 МГц.
Решение.
По таблице 3 для
=0,9, что соответствует неравномерности АЧХ 1 дБ, определим
=2,52;
=2,014;
=2,0367. Находя нормированные значения
=0,56;
=0,055;
=0,058 и подставляя в (1.81), получим
=1,8;
=0,757;
=0,676. Рассчитывая
и подставляя в (1.80) найдем:
=3,2, а из (1.82) определим
=3,75 кОм. После денормирования по (1.83) получим:
=12,8 пФ;
=5,4 пф;
=35,6 нГн.
8 РАСЧЕТ УСИЛИТЕЛЕЙ С ЧАСТОТНО-РАЗДЕЛИТЕЛЬНЫМИ ЦЕПЯМИ
При разработке усилителей с рабочими частотами от нуля либо единиц килогерц до единиц гигагерц возникает проблема совмещения схемных решений построения низкочастотных и сверхвысокочастотных усилителей. Например, использование больших значений разделительных конденсаторов и дросселей питания для уменьшения нижней граничной частоты, связано с появлением некорректируемых паразитных резонансов в области сверхвысоких частот. Этого недостатка можно избежать, используя частотно-разделительные цепи (ЧРЦ). Наибольший интерес представляет схема усилителя с ЧРЦ, предназначенного для усиления как периодических, так и импульсных сигналов [15,16,17]. Схема усилителя с ЧРЦ приведена на рисунке 8.1.

1 - первый канальный усилитель
2 - второй канальный усилитель
Рисунок 8.1 Схема усилителя с ЧРЦ
Принцип работы схемы заключается в следующем. Усилитель с ЧРЦ состоит из двух канальных усилителей. Первый канальный усилитель является высокочастотным и строится с использованием схемных решений построения усилителей сверхвысоких частот. Второй канальный усилитель является низкочастотным и строится с использованием схемных решений построения усилителей постоянного тока либо усилителей низкой частоты. При условии согласованных входов и выходов канальных усилителей, выборе значения резистора
много больше значения
, а
равным
, усилитель с ЧРЦ оказывается согласованным по входу и выходу.
Если обозначить нижнюю и верхнюю граничные частоты первого высокочастотного усилителя
и
, а второго низкочастотного усилителя
и
, то дополнительным необходимым условием построения усилителя с ЧРЦ является требование:
³10
. (1.84)
В этом случае расчет усилителя с ЧРЦ сводится к следующему.
Значения резисторов
и
выбираются из условий:
³10
;
=
. (1.85)
По заданному коэффициенту усиления первого канального усилителя
определяется необходимый коэффициент усиления второго канального усилителя
из соотношения:
, (1.86)
где
- входное сопротивление второго канального усилителя.
Значения элементов ЧРЦ рассчитываются по формулам:
(1.87)
Пример 16.
Рассчитать значения элементов
,
,
,
,
,
, коэффициент усиления второго канального усилителя и его
для усилителя с ЧРЦ, схема которого приведена на рисунке 8.1, при условии:
=10;
=1 МГц;
=
;
=50 Ом.
Решение.
В соответствии с формулами (1.84) и (1.85) выберем
=10 МГц,
=500 Ом,
=50 Ом. Теперь по (1.86) найдем:
=110, а по (1.87)
=10 нф;
=25 мкГн;
=1 нф;
=2,5 мкГн.
Список использованных источников
1. Мамонкин И.Г. Усилительные устройства. Учебное пособие для вузов. - М.: Связь. 1977 г.
2. Шварц Н.З. Линейные транзисторные усилители СВЧ. - М.: Сов. радио. 1980 г.
3. Широкополосные радиопередающие устройства /Алексеев О.В., Головков А.А., Полевой В.В., Соловьев А.А.; Под ред. О.В. Алексеева.- М.: Связь. 1978 г.
4. Титов А.А., Бабак Л.И., Черкашин М.В. Расчет межкаскадной согласующей цепи транзисторного полосового усилителя мощности //Электронная техника. Сер. СВЧ-техника. 2000 Вып. 1.
5. Ангелов И., Стоев И., Уршев А. Широкополосный малошумящий усилитель для диапазона 0,7-2 ГГц //ПТЭ. 1985. № 3.
6. Никифоров В.В., Терентьев С.Ю. Синтез цепей коррекции широкополосных усилителей мощности с применением методов нелинейного программирования. - Сб. статей. Полупроводниковая электроника в технике связи. Выпуск 26. /Под ред. И.Ф. Николаевского. - М.: Радио и связь. 1986 г.
7. Эгенштафер Ф. Электроника. 1971. т.44. № 16.
8. Мелихов С.В., Колесов И.А. Влияние нагружающих обратных связей на уровень выходного сигнала усилительных каскадов. - Сб. статей. Широкополосные усилители. Выпуск 4. - Томск: Изд-во Том. ун-та. 1975 г.
9. Титов А.А. Упрощенный расчет широкополосного усилителя. //Радиотехника. 1979. № 6.
10. Абрамов Ф.Г., Волков Ю.А., Вонсовский Н.Н. и др. Согласованный широкополосный усилитель. //ПТЭ. 1984. № 2.
11. Якушевич Г.Н., Мозгалев И.А. Широкополосный каскад со сложением выходных токов транзисторов. - Сб. статей. Радиоэлектронные устройства СВЧ./Под ред. А.А. Кузьмина. - Томск: Изд-во Том. ун-та. 1992 г.
12. Бабак Л.И. Анализ широкополосного усилителя по схеме со сложением напряжений. - Сб. статей. Наносекундные и субнаносекундные усилители. /Под ред. И.А. Суслова. - Томск: Изд-во Том. ун-та. 1976.
13. Дьячко А.Н., Бабак Л.И. Расчет сверхширокополосного усилительного каскада с заданными частотными и временными характеристиками. //Радиотехника. 1988. № 10.
14. Бабак Л.И., Дергунов С.А. Расчет цепей коррекции сверхширокополосных транзисторных усилителей мощности СВЧ.- Сб. статей. Радиотехнические методы и средства измерений. - Томск: Изд-во Том.ун-та. 1985 г.
15. Ильюшенко В.Н., Титов А.А. Многоканальные импульсные устройства с частотным разделением каналов. //Радиотехника, 1991. № 1.
16. Пикосекундная импульсная техника. /В.Н. Ильюшенко, Б.И. Авдоченко, В.Ю. Баранов и др. /Под ред. В.Н. Ильюшенко.- М.: Энергоатомиздат. 1993 г.
17. Авторское свидетельство № 1653128 СССР, МКИ НОЗF 1/42. Широкополосный усилитель /В.Н. Ильюшенко, А.А. Титов //Открытия, Изобретения, 1991, №20.
