| Скачать .docx |
Курсовая работа: Курсовая работа: Усилитель мощности системы поиска нелинейностей
Министерство образования Российской Федерации
ТОМСКИЙ УНИВЕРСИТЕТ СИСТЕМ
УПРАВЛЕНИЯ И РАДИОЭЛЕКТРОНИКИ
(ТУСУР)
Кафедра радиоэлектроники и защиты информации (РЗИ)
Усилитель мощности системы
поиска нелинейностей
Пояснительная записка к курсовому проекту по дисциплине
“Схемотехника аналоговых электронных устройств”
Выполнил
студент гр.148-3
___________Барановский С.В.
Проверил
преподаватель каф. РЗИ
________________ Титов А.А.
Реферат
Курсовая работа 30 с., 16 рис., 1 табл., 13 источников, 2 прил.,
УСИЛИТЕЛЬ, ТРАНЗИСТОР, КАСКАД, ЧАСТОТНЫЕ ИСКАЖЕНИЯ, КОРРЕКТИРУЮЩАЯ ЦЕПЬ, КОЭФФИЦИЕНТ УСИЛЕНИЯ
В данной курсовой работе исследуется широкополосный усилитель мощности амплитудно и частотно модулированных сигналов, а также различные стабилизирующие и корректирующие цепи.
Цель работы - приобретение навыков расчета номиналов элементов усилительного каскада, подробное изучение существующих корректирующих и стабилизирующих цепей, умения выбрать необходимые схемные решения на основе требований технического задания.
В процессе работы были осуществлены инженерные решения (выбор транзисторов, схем стабилизации и коррекции) и расчет номиналов схем.
В результате работы получили готовую схему усилительного устройства с известной топологией и номиналами элементов, которую можно использовать для практического применения.
Полученные данные могут использоваться при создании реальных усилительных устройств.
Курсовая работа выполнена в текстовом редакторе MicrosoftWord97 и представлена на дискете 3,5” (в конверте на обороте обложки).
Содержание
Введение ------------------------------------------------------------------------ 4
Техническое задание----------------------------------------------------------- 5
1 Расчеты ------------------------------------------------------------------------ 6
1.1 Определение числа каскадов-------------------------------------------- 6
1.1.1 Структурная схема усилителя----------------------------------------- 6
1.2 Распределение искажений амлитудно-частотной
характеристики (АЧХ). -------------------------------------------------------- 6
1.3 Расчет оконечного каскада ----------------------------------------------- 6
1.3.1 Расчет каскада со сложением напряжений ------------------------- 6
1.3.2 Расчет рабочей точки, выбор транзистора ------------------------- 7
1.3.3 Расчет эквивалентных схем транзистора КТ934В -------------- 11
1.3.4 Расчет схем термостабилизации транзистора КТ 934В -------- 13
1.3.5 Расчет выходной корректирующей цепи -------------------------- 16
1.3.6 Расчет элементов каскада со сложением напряжений --------- 17
1.4 Расчет предоконечного каскада.--------------------------------------- 18
1.4.1 Активная коллекторная термостабилизаця ----------------------- 18
1.4.2 Расчет межкаскадной корректирующей цепи -------------------- 18
1.5 Расчет входного каскада.------------------------------------------------ 21
1.5.1 Расчет эквивалентной схемы транзистора------------------------- 21
1.5.2 Активная коллекторная термостабилизаця ----------------------- 21
1.5.3 Входная корректирующая цепь ------------------------------------- 22
1.6 Расчет разделительных емкостей ------------------------------------- 24
1.7 Расчет коэффициента усиления---------------------------------------- 25
Заключение -------------------------------------------------------------------- 27
Список использованных источников ------------------------------------ 27
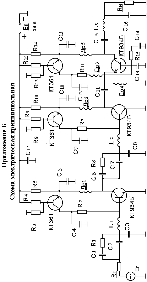
ПриложениеА Схема электрическая принципиальная ---------------- 28
ПриложениеБ Перечень элементов --------------------------------------- 30
Введение.
В теории усилителей нет достаточно обоснованных доказательств преимущества использования того либо иного схемного решения при разработке конкретного усилительного устройства. В этой связи проектирование широкополосных усилителей во многом основано на интуиции и опыте разработчика. При этом, разные разработчики, чаще всего, по-разному решают поставленные перед ними задачи, достигая требуемых результатов[1].
Основная цель работы - получение необходимых навыков практического расчета радиотехнического устройства (усилителя мощности), обобществление полученных теоретических навыков и формализация методов расчета отдельных компонентов электрических схем.
Усилители электрических сигналов применяются в широкой области современной техники: в радиоприемных и радиопередающих устройствах, телевидении, аппаратуре звукоусиления и звукозаписи, системах звукового вещания, радиолокации, ЭВМ. Как правило, усилители осуществляют усиление электрических колебаний с сохранением их формы. Усиление происходит за счет электрической энергии источника питания. Усилительные элементы обладают управляющими свойствами.
Система поиска нелинейностей состоит из блока формирования сложного сканирующего по частоте сигнала, широкополосного усилителя мощности (ШУМ), и широкополосной приемо-передающей антенны. ШУМ необходим для создания на разыскиваемой нелинейности такого уровня напряженности электромагнитного поля облучения, который позволил бы приемной аппаратурой осуществить прием продуктов нелинейного преобразования.[2]
Основными требованиями, предъявляемыми к ШУМ, являются: обеспечение заданной мощности излучения в широкой полосе частот; малый уровень нелинейных искажений; высокий коэффициент полезного действия; стабильность характеристик в диапазоне температур.
Устройство, рассматриваемое в данной работе, может широко применяться на практике в различных системах поиска нелинейноатей.
Техническое задание
Усилитель должен отвечать следующим требованиям:
Рабочая полоса частот: 10-250 МГц
Линейные искажения
в области нижних частот не более 1.5 дБ
в области верхних частот не более 1.5 дБ
Коэффициент усиления 15 дБ
Выходная мощность 10 Вт
Диапазон рабочих температур: от +10 до +50 градусов Цельсия
Сопротивление источника сигнала и нагрузки Rг=Rн=50 Ом
1 Расчетная часть
1.1. Определение числа каскадов.
Число каскадов определяется исходя из технического задания. Данное устройство должно обеспечивать коэффициент усиления 15 дБ, поэтому целесообразно использовать три каскада, отведя на каждый по 5-6дБ, оставив запас по усилению мощности примерно вполовину.[3]
1.1.1Структурная схема усилителя.
Структурная схема, представленная на рисунке 1.1, содержит кроме усилительных каскадов корректирующие цепи, источник сигнала и нагрузку.

Рисунок 1.1 Структурная схема
1.2. Распределение искажений амлитудно-частотной
характеристики (АЧХ).
Исходя из технического задания, устройство должно обеспечивать искажения не более 3дБ. Так как используется три каскада, то каждый может вносить не более 1дБ искажений в общую АЧХ. Эти требования накладывают ограничения на номиналы элементов, вносящих искажения.[4]
1.3. Расчет оконечного каскада.
1.3.1 Расчет каскада со сложением напряжений
Целесообразней использовать схему каскада со сложением напряжений, так как значительно снижаются потребляемая мощность и величина питающего напряжения. Так же выбор каскада со сложением напряжений обусловлен большой полосой пропускания, по заданию от 10МГц до 250МГц, и достаточно большой выходной мощностью – 10 Вт. При выборе другого каскада, резестивного или дроссельного, возникают проблемы с выбором транзистора, тогда как каскад со сложением напряжений позволяет достичь заданные требования.
Схема каскада по переменному току приведена на рисунке 1.1 [4].

Рисунок 1.2 Схема каскада со сложением напряжений
При условии:
(1.1)
Напряжение, отдаваемое транзистором каскада, равно входному, ток же, отдаваемый предыдущим каскадом, практически равен току нагрузки. Поэтому ощущаемое сопротивление нагрузки каскада равно половине сопротивления
, его входное сопротивление также равно половине сопротивления
, вплоть до частот соответствующих
=0,7. Это следует учитывать при расчете рабочих точек рассматриваемого и предоконечного каскадов.
1.3.2. Расчет рабочей точки, выбор транзистора.
Зададимся вопросом: что лучше для данной схемы – включение сопротивления или дросселя в коллекторную цепь. Рассмотрим оба случая:
а) В цепи коллектора используется сопротивление
Схема каскада приведена на рис. 1.3.

Рисунок 1.3 Схема оконечного каскада по переменному току.
В резистивной схеме наиболее эффективно использовать сопротивление в цепи коллектора равное сопротивлению нагрузки. Рассчитаем энергетические параметры схемы, приняв одинаковыми сопротивление нагрузки и коллектора:
Напряжение на выходе усилителя:
, (1.1)
где P- мощность на выходе усилителя, Вт;
Rн – сопротивление нагрузки, Ом.
Тогда
.
Выходной ток на сопротивлении нагрузки:
, (1.2)
В данной схеме появится эквивалентное нагрузочное сопротивление, представляющее собой параллельное включение сопротивлений
и
, в результате получится следующее:
![]()
Тогда выходной ток будет таким:
![]()
где Rэквив – сопротивление цепи коллектора по переменному току, Ом.
Теперь можно определить рабочую точку:
![]()
, где
(1.3)
![]()
Напряжение источника питания будет следующим:
(1.4)
Видно, что оно достаточно высокое.
Нагрузочные прямые по постоянному и переменному току приведены на рис.1.4.
I, А
2.81
2.1
R~
![]()
![]()
1.4
R_
![]()
18 35.6 53.2 U, В
Рисунок 1.4 – Нагрузочные прямые по постоянному и переменному току.
Расчет прямой по постоянному току производится по формуле:
(1.5)
Iк0 =0: Uкэ0 =Еп =53.2 В,
Uкэ0 =0: Iк0 = Еп / Rк =53.2/25=2.1 А.
Расчет прямой по переменному току производится по формулам:
,
,
, ![]()
Найдем так же расчетную мощность цепи и мощность потребления:
(1.6)
(1.7)
б) В цепи коллектора используется дроссель
Схема каскада приведена на рис.1.5.

Рисунок 1.5 – Схема оконечного каскада по постоянному току.
Рассчитаем энергетические параметры. Значения
не изменятся.
Эквивалентное нагрузочное сопротивление, возникшее в предыдущем пункте, здесь будет равно сопротивлению нагрузки, т.к.
заменил дроссель. Тогда выходной ток будет следующим:
![]()
ток в рабочей точке изменится:
![]()
Запишем значения тока и напряжения в рабочей точке:
Uкэ0
=18В
Iк0 =0.7А.
Напряжение источника питания:
Еп =Uкэ0 =18В.
Видно, что напряжение питания значительно уменьшилось. Нагрузочные прямые по постоянному и переменному току приведены на рис. 1.6.
I, А
1.4 R_
R~
0.7
18 34 U, В
Рисунок 1.6 – Нагрузочные прямые по постоянному и переменному току.
Расчет прямой по постоянному току:
![]()
Расчет прямой по переменному току:
,
,
,
.
Найдем так же расчетную мощность цепи и мощность потребления:
![]()
![]()
Сведем результаты расчетов в отдельную таблицу и проведем сравнительный анализ двух схем.
Таблица 1.1 - Сравнительный анализ схем
| Параметр | |||||
| Схема с |
53.2 В | 25.4 Вт | 74.9 Вт | 1.4 А | 18 В |
| Схема без |
18 В | 12.6 Вт | 12.6 Вт | 0.7 А | 18 В |
Из таблицы следует, что дроссельный каскад потребляет в несколько раз меньше, напряжение источника питания для него нужно небольшое, что выгодно отличает данную схему. В дальнейших расчетах она и будет использоваться.
Выбор транзистора осуществляется исходя из технического задания, по которому можно определить предельные электрические и частотные параметры требуемого транзистора. В данном случае они составляют (с учетом запаса 20%):[6]
Iк доп > 1.2*Iк0 =0.84 А
Uк доп > 1.2*Uкэ0 =21.6 В (1.8)
Рк доп > 1.2*Pрасс =15.2 Вт
fт = (3-10)*fв =(3-10)*250 МГц.
Этим требованиям с достаточным запасом отвечает широко распространенный транзистор КТ 934В, справочные данные которого приведены ниже [7]:
Iк =2 А
Uкэ =60 В
Pк =30 Вт
Fт = 960 МГц.
при ![]()
![]()
![]()
1.3.3. Расчет эквивалентных схем транзистора КТ934В.
|
а) Модель Джиаколетто.
Модель Джиаколетто представлена на рис.1.7.
Рисунок 1.7 - Эквивалентная схема Джиаколетто.
Необходимые для расчета справочные данные:
, постоянная цепи обратной связи.
, статический коэффициент передачи тока базы.
, емкость коллекторного перехода.
Найдем при помощи постоянной времени цепи обратной связи сопротивление базового перехода нашего транзистора:[5]
(1.9)
Из справочных данных мы знаем, что при ![]()
, а
на 18В. Для того, чтобы свести параметры к одной системе воспользуемся формулой перехода:[1]
(1.10)
в нашем случае:
![]()
Теперь, зная все параметры, можно найти сопротивление:
, тогда ![]()
Найдем значение коллекторной емкости в рабочей точке по той же формуле перехода:
![]()
Найдем значения оставшихся элементов схемы:
, где (1.11)
– паспортное значение статического коэффициента передачи,
– сопротивление эмиттеного перехода транзистора
Тогда ![]()
Емкость эмиттерного перехода:
, где
– типовое значение граничной частоты коэффициента передачи тока, взятое из паспортных данных транзистора.[7]
Найдем оставшиеся параметры схемы:
(1.12)
(1.13)
(1.14)
б) Однонаправленная модель.[4]
Однонаправленная модель представлена на рис.1.8.

Рисунок 1.8 - Однонаправленная модель.
При определении значений элементов высокочастотной модели воспользуемся паспортными данными транзистора:[7]
(1.15)
где
– входное сопротивление,
– выходная емкость,
– выходное сопротивление.В паспортных данных значение индуктивности.[7]

где
– индуктивности выводов базы и эмиттера.
В результате получим:
![]()
![]()
1.3.4. Расчет схем термостабилизации транзистора КТ 934В.
Эмиттерная термостабилизация приведена на рис.1.9.[8]

Рисунок 1.9 Схема эмитерной термостабилизации.
Расчет номиналов элементов осуществляется исходя из заданной рабочей точки. Напряжение на эмиттере должно быть не менее 3-5 В (в расчетах возьмем 3В), чтобы стабилизация была эффективной.
Рабочая точка:
Uкэ0
= 18В,
Iк0 =0.7А.
Учтя это, получим:
, где
, а коллекторный ток –
, что было получено ранее, тогда:
и
1.16)
Видно, что рассеиваемая мощность довольно велика.
Базовый ток будет в
раз меньше коллекторного тока:
, (1.17)
а ток базового делителя на порядок больше базового:
(1.18)
Учтя то, что напряжение питания будет следующим:
, (1.19)
найдем значения сопротивлений, составляющих базовый делитель:
(1.20)
(1.21)
Схема активной коллекторной термостабилизации усилительного каскада приведена на рис.1.10.

Рисунок 1.10 – Схема активной коллекторной термостабилизации.
В качестве управляемого активного сопротивления выбран транзистор КТ361А со средним коэффициентом передачи тока базы 50.[9] Напряжение на
сопротивлении цепи коллектора по постоянному току должно быть больше 1 В или равным ему, что и применяется в данной схеме [4].
Энергетический расчет схемы:
. (1.22)
Мощность, рассеиваемая на сопротивлении коллектора:
. (1.23)
Видно, что мощность рассеивания на отдельном резисторе уменьшилась в три раза по сравнению с предыдущей схемой. Рассчитаем номиналы схемы:
(1.24)
Номиналы реактивных элементов выбираются исходя из неравенств:
(1.25)
Этим требованиям удовлетворяют следующие номиналы:
L=30 мкГн (Rн =25 Ом) и Сбл =0.1 мкФ (fн =10 МГц).
Схема пассивной коллекторной термостабилизации приведена на рис. 1.11[8]
|
Рисунок 1.11 – Схема пассивной коллекторной термостабилизации.
В данной схеме напряжение на коллекторе должно изменяться в пределах от 5 до 10 В. Возьмем среднее значение– 7В.
Произведем энергетический расчет схемы:
. (1.26)
Мощность, рассеиваемая на сопротивлении коллектора:
. (1.27)
Видно, что при использовании данной схемы мощность будет максимальна.
Рассчитаем номиналы схемы:
. (1.28)
Сравнив эти схемы видно, что и с энергетической, и с практической точки зрения более эффективно использовать активную коллекторную термостабилизацию, которая и будет использоваться далее.
1.3.5. Расчет выходной корректирующей цепи.
В рассматриваемом выше усилительном каскаде расширение полосы пропускания было связано по принципу последовательного соединения корректирующих цепей (КЦ) и усилительных элементов [10].
Пример построения такой схемы усилителя по переменному току приведен на рисунке 1.12.

Рисунок 1.12 Схема усилителя с корректирующими цепями
При этом расчеты входных, выходных и межкаскадных КЦ ведутся с использованием эквивалентной схемы замещения транзистора приведенной на рисунке 1.8. Из теории усилителей известно [11], что для получения максимальной выходной мощности в заданной полосе частот необходимо реализовать ощущаемое сопротивление нагрузки, для внутреннего генератора транзистора, равное постоянной величине во всем рабочем диапазоне частот. Это можно реализовать, включив выходную емкость транзистора (см. рисунок 1.8) в фильтр нижних частот, используемый в качестве выходной КЦ. Схема включения выходной КЦ приведена на рисунке 1.13.

Рисунок 1.13Схема выходной корректирующей цепи
От выходного каскада усилителя требуется получение максимально возможной выходной мощности в заданной полосе частот [12]. Это достигается путем реализации ощущаемого сопротивления нагрузки для внутреннего генератора транзистора равным постоянной величине во всем рабочем диапазоне частот. Одна из возможных реализаций - включение выходной емкости транзистора в фильтр нижних частот, используемый в качестве выходной КЦ. Расчет элементов КЦ проводится по методике Фано, обеспечивающей максимальное согласование в требуемой полосе частот.
По имеющейся выходной емкости каскада (вычисленной в пункте 1.3.3) найдем параметр b3, чтобы применить таблицу коэффициентов [13]:
. (1.29)
Из таблицы получим следующие значения параметров с учетом величины b3 (произведя округление ее):
C1н
=b1=1.9, L1н
=b2=0.783, C1н
=b3=1.292, S=0.292,
1.605.
Разнормируем параметры и найдем номиналы элементов схемы:
. (1.30)
1.3.6 Расчет элементов каскада со сложением напряжений
При выполнении условия (1.1) коэффициент усиления каскада в области верхних частот описывается выражением.
,
где ![]()
;
;
;
;
.
Оптимальная по Брауде АЧХ каскада реализуется при расчете
,
по формулам [4]:
; (1.31)
, (1.32)
а значение
определяется из соотношения:
. (1.33)
Рассчитать
,
,
каскада со сложением напряжений приведенного на рисунке 1.1, при использовании транзистора КТ934В и условий:
=25 Ом;
=0,9.
По формулам (1.31), (1.32) получим
;
)
, ![]()
=625 Ом;
=370 пФ. Теперь по (1.33) найдем ![]()

=320 МГц.
Расчет оконечного каскада закончен.
1.4 Расчет предоконечного каскада.
1.4.1 Активная коллекторная термостабилизация.
Схема активной коллекторной термостабилизации предоконечного каскада аналогична активной коллекторной термостабилизации выходного каскада.
1.4.2 Расчет межкаскадной корректирующей цепи.
Межкаскадная корректирующая цепь (МКЦ) третьего порядка представлена на рис.1.14.[13]

Рисунок 1.14 - Межкаскадная корректирующая цепь третьего порядка.
Цепь такого вида обеспечивает реализацию усилительного каскада с АЧХ, лежащим в пределах необходимых отклонений с заданными частотными искажениями [1]. АЧХ в данном случае представляет собой полином. В теории фильтров известны табулированные значения коэффициентов
,
,
соответствующие требуемой форме АЧХ цепи описываемой функцией данного типа. Учтя заданную неравномерность АЧХ (
) запишем эти коэффициенты:
![]()
Во входном каскаде будем использовать менее мощный транзистор КТ934Б[12], а не КТ934В, это диктуется требованиями к коэффициенту усиления и обеспечивает нормальное согласование каскадов и работу всего усилителя. параметры транзистора КТ934В таковы:
![]()
при ![]()
![]()
![]()
![]()
![]()
![]()
Начиная с данного момента целесообразно воспользоваться помощью ЭВМ. Все расчеты, показанные ниже
Расчет заключается в нахождении ряда нормированных значений и коэффициентов, сперва находим нормированные значения
:
, (1.34)
=
- нормированные значения
,
,
.
Здесь
и
- выходное сопротивление и емкость транзистора КТ934В, а
и
- входное сопротивление и индуктивность транзистора КТ934В.
В результате получим:

Зная это, рассчитаем следующие коэффициенты:
;
; (1.35)
;
получим:

Отсюда найдем нормированные значения
,
, и
:

где
; (1.36)
;
;
.
При расчете получим:

и в результате:
(1.37)
Рассчитаем дополнительные параметры:
(1.38)
|
Для выравнивания АЧХ в области нижних частот используется резистор
, рассчитываемый по формуле:[4]
(1.39)
Найдем истинные значения остальных элементов по формулам:
,
,
, (1.40)
![]()
![]()
![]()
Расчет предоконечного каскада окончен.
1.5 Расчет входного каскада.
Транзистор изменился, вместо КТ934В поставили КТ934Б. Принципы построения схемы не изменились.
1.5.1 Расчет эквивалентной схемы транзистора
В качестве эквивалентной схемы расчитаем однонаправленную модель транзистора.[4]
Расчитаем элементы схемы, воспользовавшись справочными данными и формулами приведенными в пункте 1.3.2.
параметры транзистора КТ934Б таковы:[7]
![]()
при ![]()
![]()
![]()
![]()
1.5.2 Активная коллекторная термостабилизация.
Схема активной коллекторной термостабилизации приведена на рис.1.15. Расчет схемы производится по той же методике, что и для оконечного каскада.

Рисунок 1.15 – Схема активной коллекторной термостабилизации.
Все параметры для входного каскада остались прежними, но изменилась рабочая точка:
Uкэ0
= 17В,
Iк0 = Iк0предоконечного /S210 Vt предоконечного =0.7/1.85=0.37 А.
Энергетический расчет:

Мощность, рассеиваемая на сопротивлении коллектора:
.
Рассчитаем номиналы схемы:

Номиналы реактивных элементов цепи выбираются исходя из неравенств:
.
Этому удовлетворяют номиналы
L=30 мкГн и Сбл =0.1 мкФ (fн =10 МГц).
1.5.3 Входная корректирующая цепь.
|
Рисунок 1.16 – Входная корректирующая цепь третьего порядка.
Методика расчета та же самая, коэффициенты
те же, изменяются только нормированные значения
, а именно значение
, в связи с тем, что теперь на выходе стоит транзистор КТ934Б.
Произведем расчет:
,
,
= ![]()
Здесь значения входного и выходного сопротивления, выходной емкости и входной индуктивности соответствуют параметрам транзистора КТ934Б.

и ![]()
Произведем расчет:
Получим:

Зная это, рассчитаем следующие коэффициенты:
;
;
;
получим:

Отсюда найдем нормированные значения
,
, и
:

где
;
;
;
.
При расчете получим:

и в результате:

Рассчитаем дополнительные параметры:

![]()
где S210 - коэффициент передачи входного каскада.
Найдем истинные значения элементов по формулам:
- эквивалентное нагрузочное сопротивление, принцип его получения описан выше.
![]()
,
,
,
![]()
![]()
![]()
Расчет входного каскада окончен.
1.6 Расчет разделительных емкостей.
Устройство имеет 4 реактивных элемента, вносящих частотные искажения на низких частотах. Эти элементы – разделительные емкости. Каждая из этих емкостей по техническому заданию должна вносить не более 0.75 дБ частотных искажений. Номинал каждой емкости с учетом заданных искажений и обвязывающих сопротивлений рассчитывается по формуле [13]:
(1.41)
где Yн – заданные искажения;
R1 и R2 – обвязывающие сопротивления, Ом;
wн – нижняя частота, Гц.
Приведем искажения, заданные в децибелах:
, (1.42)
где М – частотные искажения, приходящиеся на каскад, Дб. Тогда

![]()
Номинал разделительной емкости оконечного каскада:
![]()
Номинал разделительной емкости предоконечного каскада:
![]()
Номинал разделительной емкости промежуточного каскада:
![]()
Номинал разделительной емкости входного каскада:
![]()
1.7 Расчет коэффициента усилителя
На общий коэффициент усиления влияют предоконечный оконечний и входной каскады:
,
Переведем его в децибелы:
![]()
Заключение.
В результате выполненной курсовой работы получена схема электрическая принципиальная широкополосного усилителя мощности АМ, ЧМ сигналов. Найдена топология элементов и их номиналы
Основными требованиями, предъявляемыми к ШУМ, являются: обеспечение заданной мощности излучения в широкой полосе частот; малый уровень нелинейных искажений; высокий коэффициент полезного действия; стабильность характеристик в диапазоне температур.
В соответствии с указанными требованиями был разработан ШУМ на транзисторах КТ934В и КТ934Б, в котором использована схема выходного каскада со сложением напряжений [6], применена активная коллекторная термостабилизация, и четырехполюсные межкаскадные корректирующие цепи [4].
Технические характеристики ШУМ: полоса рабочих частот (10-250) МГц; номинальный уровень выходной мощности 10 Вт; коэффициент усиления 15 дБ; сопротивление генератора и нагрузки 50 Ом; напряжение питания 18 В.
Устройство, рассматриваемое в данной работе, может широко применяться на практике в различных системах поиска нелинейноатей.
Список использованных источников
1Титов А.А. Григорьев Расчет элементов высокочастотной коррекции усилительных каскадов на полевых транзисторах. – Томск, 2000. - 27 с.
2Титов А.А. Расчет диссипативной межкаскадной корректирующей цепи широкополосного усилителя мощности. //Радиотехника. 1989. № 2.
3Мамонкин И.Г. Усилительные устройства: Учебное пособие для вузов. – М.: Связь, 1977.
4 Титов А.А. Расчет корректирующих цепей широкополосных усилительных каскадов на биполярных транзисторах – http://referat.ru/download/ref-2764.zip
5 Титов А.А., Ильюшенко В.Н., Авдоченко Б.И., Обихвостов В.Д. Широкополосный усилитель мощности для работы на несогласованную нагрузку. /Приборы и техника эксперимента. 1996. № 2.
6 Бабак Л.И. Анализ широкополосного усилителя по схеме со сложением напряжений. - Сб. статей. Наносекундные и субнаносекундные усилители. /Под ред. И.А. Суслова. - Томск: Изд-во Том. ун-та. 1976.
7 Зайцев А.А.,Миркин А.И., Мокряков В.В. Полупроводниковые приборы. Транзисторы средней и большей мощности: Cправочник-3-е изд. –М.: КубК-а,
1995.-640с.: ил.
8 Болтовский Ю.Г. Расчёт цепей термостабилизации электрического режима транзисторов, методические указания. Томск: Изд-во Том. ун-та. 1976
9 Зайцев А.А.,Миркин А.И., Мокряков В.В. Полупроводниковые приборы. Транзисторы малой мощности: Cправочник-3-е изд. –М.: КубК-а,
1995.-360с.: ил.
10 Цыкин Г.С. Усилительные устройства.-М.: Связь, 1971.-367с.
11 Горбань Б.Г. Широкополосные усилители на транзисторах. – М.: Энергия, 1975.-248с.
12 Проектирование радиопередающих устройств./ Под ред. О.В. Алексеева. – М.: Радио и связь, 1987.- 392с.
13 Титов А.А., Бабан Л.И., Черкашин М.В. Расчет межкаскадной согласующей цепи транзисторного полосового усилителя мощности // Электронная техника СЕР, СВЧ – техника. – 2000. – вып. 1(475).
|
||||||||||||
| РТФ КП 468740.001 Э3 | ||||||||||||
| Лит | Масса | Масштаб | ||||||||||
| Изм | Лист | Nдокум. | Подп. | Дата | УCИЛИТЕЛЬ МОЩНОСТИ СИСТЕМЫ | |||||||
| Выполнил | Барановский | |||||||||||
| Проверил | Титов А.А. | ПОИСКА НЕЛИНЕЙНОСТЕЙ | ||||||||||
| Лист | Листов | |||||||||||
| ТУСУР РТФ | ||||||||||||
| Принципиальная | Кафедра РЗИ | |||||||||||
| схема | гр. 148-3 | |||||||||||
Поз. Обозна- Чение |
Наименование |
Кол. |
Примечание |
|||||||||||
| Транзисторы | ||||||||||||||
| VT1 | КТ934Б | 1 | ||||||||||||
| VT2 | КТ361А | 1 | ||||||||||||
| VT3 | КТ934В | 1 | ||||||||||||
| VT4 | КТ361А | 1 | ||||||||||||
| VT5 | КТ934В | 1 | ||||||||||||
| VT6 | КТ361А | 1 | ||||||||||||
| Конденсаторы | ||||||||||||||
| С1 | КД-2-3.9нФ ±5% ОЖО.460.203 ТУ | 1 | ||||||||||||
| С2 | КД-2-4.3пФ ±5% ОЖО.460.203 ТУ | 1 | ||||||||||||
| С3 | КД-2-8.2пФ ±5% ОЖО.460.203 ТУ | 1 | ||||||||||||
| С4, С5 | КМ-6-0.1мкФ ±5% ОЖО.460.203 ТУ | 2 | ||||||||||||
| С6 | КД-2-4.7нФ ±5% ОЖО.460.203 ТУ | 1 | ||||||||||||
| С7 | КД-2-75пФ ±5% ОЖО.460.203 ТУ | 1 | ||||||||||||
| С8 | КД-2-10пФ ±5% ОЖО.460.203 ТУ | 1 | ||||||||||||
| С9, С10 | КМ-6-0.1мкФ ±5% ОЖО.460.203 ТУ | 2 | ||||||||||||
| С11 | КД-2-47нФ ±5% ОЖО.460.203 ТУ | 1 | ||||||||||||
| С12-С14 | КМ-6-0.1мкФ ±5% ОЖО.460.203 ТУ | 3 | ||||||||||||
| С15 | КД-2-22нФ ±5% ОЖО.460.203 ТУ | 1 | ||||||||||||
| С16 | КД-2-51лФ ±5% ОЖО.460.203 ТУ | 1 | ||||||||||||
| С17 | КМ-6-0.1мкФ ±5% ОЖО.460.203 ТУ | 1 | ||||||||||||
| С18 | КД-2-370пФ ±5% ОЖО.460.203 ТУ | 1 | ||||||||||||
| Катушки индуктивности | ||||||||||||||
| L1 | Индуктивность 4.7нГн ±5% | 1 | ||||||||||||
| L2 | Индуктивность 2.2нГн ±5% | 1 | ||||||||||||
| L3 | Индуктивность 12нГн ±5% | 1 | ||||||||||||
| L4- L8 | Индуктивность 30мкГн ±5% | 5 | ||||||||||||
| РТФ КП 468740.001 ПЗ | ||||||||||||||
| Лит | Масса | Масштаб | ||||||||||||
| Изм | Лист | Nдокум. | Подп. | Дата | УCИЛИТЕЛЬ МОЩНОСТИ СИСТЕМЫ | |||||||||
| Выполнил | Барановский | |||||||||||||
| Провер. | Титов А.А. | ПОИСКА НЕЛИНЕЙНОСТЕЙ | ПОИСКА НЕЛИНЕЙНОСТЕЙ | |||||||||||
| Лист | Листов | |||||||||||||
| ТУСУР РТФ | ||||||||||||||
| Перечень элементов | Кафедра РЗИ | |||||||||||||
| гр. 148-3 | ||||||||||||||
Поз. Обозна- Чение |
Наименование |
Кол. |
Примечание |
|||||||||||
| Резисторы | ||||||||||||||
| R1 | МЛТ – 0.125 – 1.5 кОм ±10%ГОСТ7113-77 | 1 | ||||||||||||
| R2 | МЛТ – 0.125 – 1 кОм ±10%ГОСТ7113-77 | 1 | ||||||||||||
| R3 | МЛТ – 0.125 – 12 кОм ±10%ГОСТ7113-77 | 1 | ||||||||||||
| R4 | МЛТ – 0.125 – 1.2 кОм ±10%ГОСТ7113-77 | 1 | ||||||||||||
| R5 | МЛТ – 1 – 3 Ом ±10%ГОСТ7113-77 | 1 | ||||||||||||
| R6 | МЛТ – 0.125 – 1.3 кОм ±10%ГОСТ7113-77 | 1 | ||||||||||||
| R7 | МЛТ – 0.125 – 510 Ом ±10%ГОСТ7113-77 | 1 | ||||||||||||
| R8 | МЛТ – 0.125 – 5.6 кОм ±10%ГОСТ7113-77 | 1 | ||||||||||||
| R9 | МЛТ – 0.125 – 620 Ом ±10%ГОСТ7113-77 | 1 | ||||||||||||
| R10 | МЛТ – 2 – 1.6 Ом ±10%ГОСТ7113-77 | 1 | ||||||||||||
| R11 | МЛТ – 0.125 – 510 Ом ±10%ГОСТ7113-77 | 1 | ||||||||||||
| R12 | МЛТ – 0.125 – 5.6 кОм ±10%ГОСТ7113-77 | 1 | ||||||||||||
| R13 | МЛТ – 0.125 –620 Ом ±10%ГОСТ7113-77 | 1 | ||||||||||||
| R14 | МЛТ – 2 – 1.6 Ом ±10%ГОСТ7113-77 | 1 | ||||||||||||
| R15 | МЛТ – 0.125 – 620 Ом ±10%ГОСТ7113-77 | 1 | ||||||||||||
| РТФ КП 468740.001 ПЗ | ||||||||||||||
| Лит | Масса | Масштаб | ||||||||||||
| Изм | Лист | Nдокум. | Подп. | Дата | УCИЛИТЕЛЬ МОЩНОСТИ СИСТЕМЫ ШИРОКОПОЛОСНЫЙ | |||||||||
| Выполнил | Барановский | |||||||||||||
| Провер. | Титов А.А. | ПОИСКА НЕЛИНЕЙНОСТЕЙ | ||||||||||||
| Лист | Листов | |||||||||||||
| ТУСУР РТФ | ||||||||||||||
| Перечень элементов | Кафедра РЗИ | |||||||||||||
| гр. 148-3 | ||||||||||||||



