| Скачать .docx |
Курсовая работа: Проект городской телефонной сети нового микрорайона города Черновцы
Міністерство транспорту та зв’язку України
ОДЕСЬКА НАЦІОНАЛЬНА АКАДЕМІЯ ЗВ’ЯЗКУ ім. О. С. ПОПОВА
Кафедра волоконно-оптичних ліній зв’язку
Курсовий проект
На тему: ПРОЕКТ МІСЬКОЇ ТЕЛЕФОННОЇ МЕРЕЖІ НОВОГО МІКРОРАЙОНУ МІСТА ЧЕРНІВЦІ
Студентка ________________
Керівник _________________
Перевіряючий ____________
Одеса 2009
Содержание
Задание
Введение
1. Расчет параметров симметричного кабеля
1.1 Расчет конструктивных параметров кабеля
1.2 Расчет параметров передачи
1.2.1 Расчет первичных параметров передачи
1.2.2 Расчет вторичных параметров передачи
2. Проектирование линейных сооружений РАТС
2.1 Описание города Черновцы
2.2 Выбор места установки проектируемой РАТС
2.3Выделение шкафных районов и выбор места установки шкафа
2.4Проект магистральной сети микрорайона
2.5 Проект распределительной сети выделенного шкафного района РШ5-03
2.6 Проект кабельной канализации данного микрорайона
2.7 Проектирование соединительной линии между АТС и МТС
3. Расчет соединительной линии между РАТС и АМТС
3.1 Структурная схема волоконно-оптической системы передачи
3.2 Определение размеров элементов конструкции кабеля ОКЛБг
3.3 Расчет оптических параметров кабеля
3.4 Расчет потерь в ОВ
3.5 Расчет хроматической дисперсии ОВ
3.6 Расчет длины участка регенерации по затуханию и дисперсии
3.6.1 Расчет Lp2 по затуханию
3.6.2 Расчет Lp2 по дисперсии
3.7 Расчет числа регенерационных пунктов устанавливаемых на одной СЛ
3.8 Диаграмма уровней энергетического потенциала для одного участка регенерации
4. Расчет параметров взаимного влияния
4.1 Систематические влияния
4.2 Несистематические влияния
4.3 Расчет зависимости переходного затухания на ближнем конце от длины линии
5. Разработка вопросов защиты от внешних влияний
5.1 Расчет опасного электромагнитного влияния ЛЭП на кабельную ЛС
5.1.1 Расчет Е при опасном влиянии ЛЭП в аварийном режиме работы ЛЭП с помощью метода проб
5.1.2 Расчет опасного электромагнитного влияния ЛЭП в нормальном режиме
5.2 Расчет вероятности повреждения оптического кабеля молнией
5.3 Расчет защиты медного кабеля от электрокоррозии
6. Разработка вопросов строительства и монтажа линейных сооружений кабельной магистрали
7. Ведомость объема работ на строительство линейных сооружений
Выводы
Список литературы
Задание
для студентов факультета «Информационные сети»
к курсовому проекту по дисциплине «Линии передачи»
на тему: «Проект городской телефонной сети нового микрорайона города»
Составить проект городской телефонной сети нового микрорайона города Черновцы
Длина района а=5 км
Ширина района b=4,1 км
Емкость проектируемой АТС микрорайона N=5,000 номеров.
Произвести расчет элементов конструкции кабеля марки ТПппЗП-30×2×0,64;
,
.
Длина соединительной линии между проектируемой АТС микрорайона и МТС города
км.
Используемая аппаратура уплотнения STM-1 на базе оптического кабеля марки ОКЛБг.
Показатель преломления сердцевины ОВ
.
Показатель преломления оболочки ОВ
.
Диаметр сердцевины ОВ 2а=8,5 мкм.
Диаметр ОВ по оболочке 2b=125 мкм.
Скорость передачи В=155 Мбит/с.
Строительная длина оптического кабеля
км.
Характеристики сближения соединительной линии с ЛЭП:
м;a2 = 24 м;a3 = 20 м;a4 = 30 м;a5 = 90 м;
l1 = 0,5 км l2 = 0,6 км l3 = 0,5 кмl4 = 1 км
Удельное сопротивления грунта
Ом
м
Ток короткого замыкания в ЛЭП изменяется в пределах
00А.
Рабочий ток в ЛЭП изменяется в пределах
А.
Проверить необходимость защиты волоконно-оптического кабеля от ударов молнии, если на соединительной линии среднегодовая грозодеятельность составляет Т=38 часов, а удельное сопротивления грунта равно
, Ом
.
Коррозия блуждающих токов: ![]()
Введение
Целью курсового проекта является приобретение навыков при проектировании телефонной кабельной сети микрорайона города Черновцы.
Произведем расчет первичных, вторичных параметров передачи и других параметров, направленных на защиту кабелей от внешних влияний.
В ходе курсовой работы я проектирую магистральную кабельную сеть и магистральную канализацию, распределительную кабельную сеть нового микрорайона города Черновцы, соединительную линию между РАТС, которые необходимо спроектировать, и МТС.
Ознакомлюсь с методами и приспособлениями строительства магистральной кабельной сети. Учитывая, что я буду иметь дело с симметричным кабелем и оптическим кабелем ОКЛБг, предусмотрю расчет параметров, определяющих защиту кабеля от определенных видов влияния. Должен буду просмотреть вопрос защиты от опасного электро-магнитного влияния ЛЭП в аварийных и нормальных режимах; защиты от коррозии и в случае повреждения молнией.
Заключительным расчетом является расчет затрат кабеля для построения городской телефонной сети.
1. Расчет параметров симметричного кабеля
Исходные данные:
Тип кабеля: ТПппЗП 30x2x0,64.
Диапазон частот: fmin=0.6 кГц, fmax=3,2 кГц.
1.1 Расчет конструктивных параметров кабеля
Формулы для расчета конструктивных параметров приведены в [4, стр.42-48]
Диаметр токопроводящей жилы
=0.64 мм.
Диаметр изолированной жилы определяем по формуле:
d1= d0 + 2 tиз, (1.1)
где
– толщина пористой полиэтиленовой изоляции;
![]()
d1= 0,64 +2*0,3 = 1,24 мм.
Расстояние между центрами жил (а) равно сумме диаметра жилы с изоляцией: а = d1= 1,24 мм
Диаметр пары рассчитывается:
; (1.2)
=1,65*1,24=2,05 мм.
Диаметр центрального повива:
(1.3)
где n – количество пар в центральном повиве (в моем случае, когда в кабеле 30 пар, n = 4) ;
= 2,05*(1+
) = 4,95;
Диаметр первого повива:
(1.4)
= 4,95 + 2*2,05 = 9,05 мм;
Диаметр второго повива:
=
+
,(1.5)
=9,05 + 2*2,05 = 13,15 мм;
Диаметр поясной изоляции:
,(1.6)
= 13,15 + 2*0,1 = 13,35 мм;
Диаметр с гидрофобным слоем:
,(1.7)
где tВЛ=0,2 мм – толщина влагозащитного слоя;
![]()
Диаметр по экрану:
, (1.8)
где tЭ=0,15 мм – толщина экрана;
;
Диаметр влагозащитной оболочки:
,(1.9)
где tВО=1,21 мм - толщина влагозащитной оболочки без защитного покрова;
;
Толщина кабеля ТПппЗП 30х2х0,64 по ГОСТу составляет 17,8 мм.
Толщина кабеля, расчитанная нами, – 17,65 мм. Разница между значениями объясняется погрешностью округлений.
Нормированые значения я брала из сайта http://www.nevacables.ru/product/tppzp , сайт Невского кабельного завода “Невакабель”.
Таблица 1.1 - Спецификация кабеля ТПппЗП 30х2х0,64
| Номер слоя |
Название слоя |
Толщина слоя |
Диаметр слоя |
Материал |
Назначение |
| 1 |
Жила |
- |
0,64 |
Медь |
Передача сигнала |
| 2 |
Изоляция жил |
0,3 |
1,24 |
Пористый полиэтилен |
Для изоляции токопроводящих жил от тока утечки, а также от электромагнитных влияний |
| 3 |
Центральный повив |
- |
4,95 |
- |
Для оптимизации по строению кабеля |
| 4 |
Первый повив |
- |
9,05 |
- |
Для оптимизации по строению кабеля |
| 5 |
Второй повив |
- |
13,15 |
- |
Для оптимизации по строению кабеля |
| 6 |
Поясная изоляция |
0,1 |
13,35 |
Синтетическая полиамидная лента или полиэтиленовая бумага. Накладывается продольно либо поперечно. |
Для термоизоляции и для сохранения первичных и вторичных параметров |
| 7 |
Гидрофобный слой |
0,2 |
13,75 |
Гидрофобный заполнитель, водоотталкивающая лента |
Предотвращает проникновение влаги в кабель |
| 8 |
Экран |
0,15 |
14,05 |
Алюмополимерная лента. Накладывается либо спирально, либо продольно |
Препятствует влиянию на токопроводящие жилы со стороны электромагнитных влияний |
| 9 |
Влагозащитная оболочка |
1,8 |
17,65 |
Полиэтилен либо поливинил-хлорид |
Для защиты от проникновения влаги и для механической прочности |

Рисунок 1.1 - Эскиз поперечного сечения кабеля ТППппЗП 30x2x0,64 М 8 : 1
Спецификация конструкции элементов кабеля:
1- Токопроводящая жила;
2- Изоляция жилы;
3- Центральный повив;
4- Первый повив;
5- Второй повив;
6- Поясная изоляция;
6- Слой гидрофобного заполнителя;
8- Экран;
9- Влагозащитная оболочка.
1.2 Расчёт параметров передачи
Формулы для расчета первичных и вторичных параметров передачи приведены в [3, стр. 27-32].
1.2.1 Расчёт первичных параметров передачи
К первичным параметрам передачи относятся:
R - удельное сопротивление [Ом/км];
C - удельная ёмкость [Ф/км];
G - удельная проводимость [См/км];
L - удельная индуктивность [Гн/км].
По условию Fн =600 Гц и Fв=3200 Гц. Для построения зависимостей параметров передачи возьмём две промежуточные частоты и F=800 Гц:
F1=1600 Гц;
F2=2400 Гц.
F=800Гц.
Активное сопротивление проводника рассчитаем по формуле:
, [Ом/км] (1.10)
где χ – коэффициент укрутки, который показывает удлинение проводников цепи за счёт укрутки на 1км кабеля;
χ=1.02 ÷ 1.07;
возьмём χ=1.03;
R0 –сопротивление по постоянному току, определяется как:
, (1.11)
(ρ – удельное сопротивление металла (в моем случае - меди);
F(x) – составляющая, которая учитывает эффект близости,
- составляющая, которая учитывает поверхностный эффект,
- сопротивление, которое учитывает эффект близости металлических масс:
(1.12)
Rмм – дополнительное сопротивление, вносимое потерями в смежных четвёрках и оболочках;
Rмм=Rс4+Rоб (1.13)
p – коэффициент, учитывающий тип скрутки жил в элементарной группе, (для парной р=1);
F(x), H(x), G(x), Q(x) – псевдовыраженые функции Бесселя, для их нахождения используем таблицу значений и формулы для аппроксимации:
Таблица 1.2 – Значения функций Бесселя для х=0 и х=0,5.
| x |
F(x) |
H(x) |
G(x) |
Q(x) |
| 0 |
0 |
0,0417 |
0 |
1 |
| 0,5 |
0,000326 |
0,042 |
0,000975 |
0,9998 |
(1.14)
(1.15)
(1.16)
(1.17)
(1.18)
![]()
![]()
![]()
![]()
![]()
Приведём результаты расчётов в таблицу:
Таблица 1.3 – Значения функций Бесселя при определенных значениях х.
| F, Гц |
x |
F(x) |
H(x) |
G(x) |
Q(x) |
|
| Fн |
600 |
0,165 |
0,00010732 |
0,041700064 |
0,000320981 |
0,999934158 |
| F |
800 |
0,19 |
0,00012393 |
0,041700074 |
0,000370637 |
0,999923972 |
| F1 |
1600 |
0,269 |
0,00017526 |
0,041700105 |
0,00052416 |
0,99989248 |
| F2 |
2400 |
0,329 |
0,00021465 |
0,041700129 |
0,000641962 |
0,999868315 |
| Fв |
3200 |
0,38 |
0,00024785 |
0,041700149 |
0,000741274 |
0,999847944 |
![]()





Активная индуктивность проводника определяется формулой:
(1.19)
χ – коэффициент укрутки;
a – расстояние между жилами;
d0 – диаметр жил.
Выполним подстановку значений:
Гн/км
Гн/км
Гн/км
Гн/км
Гн/км
Активная емкость определяется как:
, (1.20)
где
- поправочный коэффициент
Dр – диаметр пары;
εс – диэлектрическая проницаемость изоляции; (для пористого полиэтилена εс =1.5)
После подстановки получим:
![]()

Активная проводимость определяется формулой:
(1.21)
(1.22)
(1.23)
tgδ = 2·10-4 – тангенс угла диэлектрических потерь
После подстановки значений получим:
G0≈0
![]()
![]()
![]()
![]()
В итоге получим:
Таблица 1.4 – Первичные параметры передачи
| Частота F, Гц |
Ra, Ом/км |
L, x10-4 Гн/км |
C, нФ/км |
G, нСм/км |
|
|
47,19 |
|||
|
|
47,19 |
47,441 |
||
|
|
47,19 |
|||
|
|
47,19 |
|||
|
|
47,19 |
Изобразим на графиках частотные зависимости первичных параметров передачи:

Рисунок 1.2 – График зависимости активного сопротивления кабеля от частоты

Рисунок 1.3 – График зависимости индуктивности от частоты

Рисунок 1.4 – График частотной зависимости ёмкости

Рисунок 1.5 – График частотной зависимости проводимости
С ростом частоты активное сопротивление возрастает за счет поверхностного эффекта и эффекта близости.
Индуктивность с ростом частоты уменьшается. Это обусловлено уменьшением внутренней индуктивности проводников за счет поверхностного эффекта.
Емкость не зависит от частоты.
Проводимость изоляции с ростом частоты линейно возрастает. Ее величина зависит от качества диэлектрика, используемого в кабеле и характеризуемого величиной угла диэлектрических потерь.
1.2.2 Расчёт вторичных параметров цепи
К вторичным параметрам передачи относятся:
α – коэффициент затухания [Нп/км] или [Дб/км];
β – коэффициент фазы [рад/км];
γ – коэффициент распространения [1/км];
Zв – волновое сопротивление [Ом];
υф – фазовая скорость [м/с];
φ – угол, показывающий на сколько вектор тока опережает вектор напряжения.
Коэффициент фазы и коэффициент затухания связаны между собой через коэффициент распространения:
, (1.24)
где R, L, G, C – первичные параметры передачи цепи;
Коэффициент распространения γ можно рассчитать по формуле:
, (1.25)
где
,(1.26)
,(1.27)
(1.28)
.(1.29)
Рассчитаем М1, М2, В1, В2 для наших четырёх частот:
F=600 Гц => ![]()
![]()
![]()
![]()
F=800 Гц => ![]()
![]()
![]()
![]()
F=1600 Гц => ![]()
![]()
![]()
![]()
F=2400 Гц => ![]()
![]()
F=3200 Гц => ![]()
Для нахождения α, β, Zв, φ, υф воспользуемся следующими формулами:
,(2.2.7)
,(2.2.8)
, (2.2.9)
, (2.2.10)
, (2.2.11)
, (2.2.12)
Вычислим коэффициент затухания:
![]()
![]()
![]()
![]()
![]()
Вычислим коэффициент фазы:
![]()
![]()
![]()
![]()
![]()
Вычислим модуль волнового сопротивления:





Рассчитаем φ:
![]()
![]()
![]()
![]()
![]()
Если перевести в градусы:
![]()
![]()
![]()
![]()
![]()
Рассчитаем фазовую скорость:
![]()
![]()
![]()
![]()
![]()
Результаты вычислений запишем в таблицу:
Таблица 1.5 – Вторичные параметры передачи
| F, Гц |
α, Дб/км |
β, рад/км |
γ, 1/км |
|Zв|, Ом |
φ, ° |
υф, км/с |
|
|
0,099+i0,101 |
-44,47 |
37404,07 |
|||
| 800 |
0,114 |
0,117 |
0,099+і0,117 |
687,81 |
-44,9999 |
43058,78 |
|
|
0,159+i0,167 |
-43,61 |
60157,63 |
|||
|
|
0,193+i0,207 |
-42,92 |
72789,05 |
|||
|
|
0,220+i0,242 |
-42,24 |
83041,05 |
Приведем графики частотных зависимостей частотных параметров:

Рисунок 1.6 – Частотная зависимость коэффициента затухания

Рисунок 1.7 – Частотная зависимость коэффициента фазы

Рисунок 1.8 – Частотная зависимость φ

Рисунок 1.9 – Частотная зависимость волнового сопротивления

Рисунок 1.10 – Частотная зависимость фазовой скорости
Коэффициент затухания на постоянном токе определяется, как
и поэтому вначале растет резко, а затем менее интенсивно.
Коэффициент фазы, растет от нуля почти по прямолинейному закону.
Модуль волнового сопротивления с изменением частоты убывает и сохраняет низкие значения в области высоких частот -
. Это обусловлено снижением индуктивности с ростом частоты.
Фаза волнового сопротивления достигает пика при -45◦ градусов на частоте 800 Гц.
Фазовая скорость с увеличением частоты вначале резко возрастает, а затем постепенно приближается к скорости света, но не достигает ее.
2. Проектирование линейных сооружений РАТС
2.1 Описание города Черновцы
Адміністративний склад області.Чернівецька область, що відома під етнографічною назвою "Буковина", розташована на південному заході України. Площа, займана Чернівецькою областю, складає 8,1 тис. кв. км.
Область займає вигідне транспортно-географічне положення. Регіон граничить з Вінницькою, Івано-Франківською, Тернопільською та Хмельницькою областями. На півдні Чернівецької області проходить державний кордон з Молдовою і Румунією. Адміністративно-територіальний устрій області: 11 адміністративних районів: Кіцманський, Заставнівський, Хотинський, Новоселицький, Кельменецький, Сокирянський, Глибоцький, Сторожицький, Путивльський, Вижницький, а також місто Чернівці, 10 міст, 9 селищ міського типа, 398 сільських населених пунктів. Особливістю області є відсутність міст обласного підпорядкування, окрім центру області. Адміністративний центр - місто Чернівці.
Особливості географічного положення області та його вплив на економічний потенціал. Чернівецька область - це благодатний район багатопрофільного літнього і зимового гірничо-спортивного туризму, масового пізнавально-оздоровчого відпочинку, а також бальнеологічного лікування. За своїм географічним розташуванням, багатими рекреаційними ресурсами, економічним потенціалом Чернівецька область є привабливим регіоном для розвитку міжрегіональної та міжнародної співпраці. В 2005 році в туристичну галузь області інвестовано 45 мільйонів гривень, створено понад 800 робочих місць. Триває спорудження чотирьох туристичних комплексів в Придністров'ї - у селі Дністрівка Кельменецького району вже відкрито перший в області яхт-клуб, у січні 2006 запрацював комплекс «Зелена Діброва» в селі Валя Кузьмін Глибоцького району. Відкрито новий туристичний комплекс у селі Мигове Вижницького району. Оздоровчі та туристично-розважальні комплекси на Буковині функціонують у мікрорайоні Цецино в Чернівцях, в селі Горбове Герцаївського району, на перевалі Німчич Вижницького району та селі Глибочок Сторожинецького району. Туристів також приймають понад 60 об'єктів сільського туризму. У зовнішніх економічних зв'язках переважають експортно-імпортні операції суб'єктів підприємництва області з країнами далекого зарубіжжя. Основними торговими партнерами з цієї групи країн залишаються Німеччина, Італія, Болгарія, Польща. Активізувався товарообіг також з Австрією, Бельгією, Грецією, Іспанією, Португалією, Румунією, Сан-Маріно, Словенією, Угорщиною, Францією, Швецією, Югославією, Ізраїлем, Китаєм, Республікою Корея, Туреччиною, Канадою та США. Зовнішня торгівля здійснюється з такими партнерами, як Республіка Білорусь, Російська Федерація, Казахстан, Республіка Молдова, Таджикистан, Туркменістан.
У загальній структурі експорту товарів переважають: текстиль та текстильні вироби, деревина та вироби з неї, машини та устаткування, продукти рослинного походження, недорогоцінні метали та вироби з них, м'ясо і субпродукти харчові. У структурі імпорту товарів переважають: текстиль та текстильні вироби, машини та устаткування, мінеральні продукти, полімерні матеріали, пластмаси, недорогоцінні метали та вироби з них.
Аналіз тенденції динаміки чисельності населення області. Чисельність наявного населення області упродовж січня-липня п.р. зменшилась на 1,3 тис. осіб і на 1 серпня 2007р., за оцінкою, становила 904,9 тис. осіб. Загальне скорочення населення відбулося виключно за рахунок природного скорочення - 1452 особи, у той час як міграційний приріст становив 115 осіб.
За січень-липень п.р. зареєстровано 3521 шлюб та 1954 розлучення, кількість шлюбів у порівнянні з відповідним періодом 2006р. зменшилася на 0,6%, кількість розлучень збільшилася на 7,7%.
Віковий склад населення Чернівецької області, зафіксований Всеукраїнським переписом населення, характеризувався такими даними: зменшення частки дітей в загальній чисельності населення одночасно з істотним збільшенням частки осіб старше за працездатний вік, значно ускладнює сучасну демографічну ситуацію в області і зумовлює старіння населення.
Особливістю національного складу є його багатонаціональна, так як розташований на перехресті магістральних шляхів Центральної, Південної та Східної Європи, цей клаптик української землі, в силу свого геополітичного становища тривалий час перебував у складі інших держав. За даними Всеукраїнського перепису населення, на території області проживали представники близько 80 національностей і народностей. У національному складі населення області переважна більшість українців, чисельність яких складала 75% від загальної чисельності населення, румуни - 12,5%, молдавани - 7,3%, росіяни - 4,1%, поляки - 0,4%, білоруси - 0,2%, євреї - 0,2%, інші національності - 0,4%.
Клімат Чернівців.
Місто Чернівці розташовано в південно-західній частині України на р. Прут. У цілому клімат міста є помірно континентальним з м’якою зимою і теплим літом.
Середньорічна температура повітря становить 7,9 °С, найнижча вона у січні (мінус 4,9 °С), найвища – в липні (18,7 °С).
Найнижча середньомісячна температура повітря в січні (мінус 15,2 °С) зафіксована в 1893 р., найвища (3,6 °С) – в 2007 р. Найнижча середньомісячна температура в липні (12,1 °С) спостерігалась у 1865 р., найвища (22,4 °С) – в 1936 р. Абсолютний мінімум температури повітря (мінус 31,5 °С) зафіксовано 11 січня 1940 р., абсолютний максимум (37,7 °С) – 20 серпня 1946 р. В останні 100–120 років температура повітря в Чернівцях, так само як і в цілому на Землі, має тенденцію до підвищення. Протягом цього періоду середньорічна температура повітря підвищилася щонайменше на 1,0 °С. Більшим у цілому є підвищення температури в першу половину року.
Температура повітря по місяцях, (°С)
| Температура |
I |
II |
III |
IV |
V |
VI |
VII |
VIII |
IX |
X |
XI |
XII |
Рік |
| Середня |
-4,9 |
-2,9 |
1,7 |
8,7 |
14,3 |
17,4 |
18,7 |
18,0 |
14,3 |
8,6 |
2,9 |
-1,9 |
7,9 |
| Денна максимальна |
-3 |
0 |
5 |
13 |
18 |
23 |
24 |
23 |
19 |
12 |
6 |
0 |
12 |
| Нічна мінімальна |
-8 |
-6 |
-1 |
4 |
9 |
12 |
13 |
12 |
9 |
5 |
1 |
-4 |
4 |
У середньому за рік у Чернівцях випадає 660 мм атмосферних опадів, найменше – у жовтні та січні–лютому, найбільше – у червні–липні.
Середня кількість опадів, (мм)
| I |
II |
III |
IV |
V |
VI |
VII |
VIII |
IX |
X |
XI |
XII |
Рік |
| 32 |
32 |
36 |
58 |
77 |
105 |
103 |
61 |
51 |
32 |
36 |
37 |
660 |
Мінімальна річна кількість опадів (323 мм) спостерігалась у 1882 р., максимальна (1025 мм) – в 1933 р. Максимальну добову кількість опадів (117 мм) зафіксовано в липні 1910 р. У середньому за рік у місті спостерігається 150 днів з опадами; найменше їх (9) у вересні, найбільше (14) – у грудні. Щороку в Чернівцях утворюється сніговий покрив, проте його висота незначна.
Відносна вологість повітря в середньому за рік становить 77%, найменша вона у квітні–травні (69–70%), найбільша (85%) – у грудні.
Відносна вологість повітря, (%)
| I |
II |
III |
IV |
V |
VI |
VII |
VIII |
IX |
X |
XI |
XII |
Рік |
| 83 |
83 |
78 |
69 |
70 |
72 |
73 |
74 |
75 |
78 |
84 |
85 |
77 |
Найменша хмарність спостерігається в серпні, найбільша – у грудні.
Загальна хмарність, (бали)
| I |
II |
III |
IV |
V |
VI |
VII |
VIII |
IX |
X |
XI |
XII |
Рік |
| 7,4 |
7,6 |
7,1 |
6,7 |
6,4 |
6,2 |
5,9 |
5,2 |
5,4 |
6,0 |
7,6 |
7,9 |
6,6 |
0 балів - ясно.
Менше 5 балів нижнього ярусу, або хмар середнього ярусу, що просвічують, або будь-яка кількість хмар верхнього ярусу - невелика хмарність.
Від 1-3 до 6-9 балів або 3-8 балів хмар нижнього ярусу або щільних хмар середнього ярусу - мінлива хмарність.
Від 8-10 до 0-3 балів хмар нижнього ярусу - хмарно з проясненнями.
7-10 балів хмар нижнього ярусу - хмарно.
10 балів хмар нижнього ярусу - похмуро.
Найбільшу повторюваність у місті мають вітри з північного заходу, найменшу – з північного сходу.
Повторюваність вітру різних напрямків, (%)
| Пн |
ПнС |
С |
ПдС |
Пд |
ПдЗ |
З |
ПнЗ |
Штиль |
| 6,8 |
2,7 |
20,4 |
15,2 |
4,8 |
7,0 |
10,9 |
32,2 |
10,4 |
Найбільша швидкість вітру – у січні–квітні, найменша – у серпні–вересні. У січні вона в середньому становить 4,0 м/с, у липні – 3,3 м/с.
Швидкість вітру по місяцях, (м/с)
| I |
II |
III |
IV |
V |
VI |
VII |
VIII |
IX |
X |
XI |
XII |
Рік |
| 4,0 |
4,2 |
4,1 |
4,0 |
3,6 |
3,4 |
3,3 |
3,1 |
3,1 |
3,4 |
3,8 |
3,7 |
3,6 |
Середня температура води в р. Прут біля міста становить: травень – 15 °С, червень – 18 °С, липень – 20 °С, серпень – 20 °С, вересень – 16 °С. В окремі дні температура води сягає 26–27 °С.
2.2 Выбор места установки проектируемой РАТС
В Приложении 1 изображен план района с РАТС-5, к которой подключено 5000 абонентов. РАТС установим в телефонном центре района, так как именно в таком случае добиваются минимального расхода кабеля на устройство сети.
Для нахождения приближенного центра телефонной нагрузки мы используем следующий способ: линейку двигаем горизонтально до тех пор, пока не разделим число абонентов наполовину. Аналогично делим количество абонентов по вертикали. Точка пересечения двух линий и будет являться центром телефонной нагрузки. Сразу же была обозначена ЗПП – зона прямого питания, в которой объекты подключаются непосредственно к РАТС.
2.3 Выделение шкафных районов и выбор места установки ШР
В данной курсовой работе мы взяли план нового микрорайона города Черновцы, для составления на его основе плана подключения новых объектов жилого и народно-хозяйственного значения к РАТС. Номер данной РАТС –5.
Емкость РАТС выбиралась исходя из количества абонентов данного района. При этом предусматривался запас до 20%,что составило 1000 номеров, 5% предусматривалось на развитие таксофонной линии (250 номеров).
Далее был произведен расчет количества шкафных районов (ШР).
Емкость РАТС – 5000 номеров. В зону прямого питания попадает 756 абонентов. Поэтому на все шкафные районы приходится 3750-756=2994 номеров. Исходя из того, что в одном шкафном районе 400 абонентов получаем количество шкафных районов: 2994/400 = 8 шкафов.
Зная размеры района a = 5 км и h = 4,1 км можно найти его площадь. Вычтя из нее площадь ЗПП = 1 км2 и поделив на количество ШР получаем среднюю площадь одного шкафного района которая составляет 2,5 км2.
Теперь можно обозначить шкафные районы и расставить на них распределительные шкафы. Нумерация распределительных шкафов начинается с верхнего левого угла.
В завершение вывели из РАТС-5 к АМТС междугороднюю связь оптическим кабелем ОКЛБг.
Карта района – в Приложении 1.
2.4 Проект магистральной сети микрорайона
Приложение 2 – это магистральная сеть микрорайона.На магистральную сеть микрорайона перенесем изображения распределительных шкафов с указанными номерами и емкостями.
Кабели идущие от распределительных шкафов объединим в магистрали. Максимальный объем магистрали 1200 пар. Магистрали пронумеруем, измерим их длины, а также емкости кабелей по участкам и подпишем на схеме (Приложение 2).
Магистрали формировались таким образом:
Магистраль 01 была образована путем объединения двух РШ: РШ 5-01(00-399), РШ 5-02(400-799). К РАТС подводим кабель800х2.
Магистраль 02 образована путем объединения трех РШ: РШ 5-03(800-1199), РШ 5-04(1200 -1599), РШ 5-05(1600-1999). К РАТС подводится кабель емкостью 1200х2.
Магистраль 03 образована РШ 5-06(2000 – 2399), РШ 5-07(2400–2799), РШ 5-08(2800–3199). К РАТС подводится кабель емкостью 1200х2.
Магистраль 04 образуется с помощью ЗПП емкостью 756 абонентов.
Магистраль 05 идет на соединение с АМТС.
Расход кабеля посчитан и занесен в ведомость объема работ по прокладке кабелей магистральной сети и установке распределительных шкафов.
На месте РАТС расположим таблицу «Кросс РАТС-5», в которую введем все магистрали по номерам, зону прямого питания и соединительную линию к АМТС. Для каждой магистрали приведем номера защитных полос исходя из емкости магистрали; укажем марку кабеля. Для кабеля ТПппЗП рассчитаем диаметр токопроводящей жилы, который почитаем по формуле:
мм
где l=3310 м – расстояние до максимально удаленного шкафа.
Значит следует использовать кабель с диаметром жил
мм.
Таблица 2.1 – Ведомость объема работ по прокладке кабелей магистральной сети и установке распределительных шкафов
| № уч-ка |
№ магистрали |
Марка кабеля |
Прокладка в ТК кабелей с числом пар (четверок, м) |
Общая длина кабеля, м |
Уст-ка РШ |
Прим |
||
| 400х2 |
800х2 |
1200х2 |
||||||
| 1 |
01 |
ТПппЗП |
0 |
1960 |
0 |
1960 |
- |
|
| 2 |
01 |
ТПппЗП |
110 |
0 |
0 |
110 |
5-01 |
|
| 3 |
01 |
ТПппЗП |
610 |
0 |
0 |
610 |
5-02 |
|
| 4 |
02 |
ТПппЗП |
0 |
0 |
900 |
900 |
- |
|
| 5 |
02 |
ТПппЗП |
80 |
0 |
0 |
80 |
5-05 |
|
| 6 |
02 |
ТПппЗП |
0 |
1400 |
0 |
1400 |
- |
|
| 7 |
02 |
ТПппЗП |
980 |
0 |
0 |
980 |
5-03 |
|
| 8 |
02 |
ТПппЗП |
660 |
0 |
0 |
660 |
5-04 |
|
| 9 |
02 |
ТПппЗП |
0 |
0 |
600 |
600 |
- |
|
| 10 |
03 |
ТПппЗП |
700 |
0 |
0 |
700 |
5-06 |
|
| 11 |
03 |
ТПппЗП |
0 |
820 |
0 |
820 |
- |
|
| 12 |
03 |
ТПппЗП |
50 |
0 |
0 |
50 |
5-07 |
|
| 13 |
03 |
ТПппЗП |
790 |
0 |
0 |
790 |
5-08 |
|
2.5 Проект распределительной сети выделенного шкафного района ШР 5-03
В шкафном районе РШ 5-03 расположены два дома: один – девятиэтажный, 192 абонента; второй – пятиэтажный, 180 абонентов.
Суть проектирования распределительной сети одного шкафного района заключается в предварительном ориентировочном наброске схемы распределительной сети с целью определения точек подхода магистрального кабеля. Это позволит, путем расчетов, определить место установки шкафа в выделенном шкафном районе. Основным фактором размещения распределительно шкафа на плане проекта распределительной сети является минимизация затрат кабеля при подключении к распределительному шкафу объектов жилого и народно-хозяйственного значения.
Укажем на плане шкафного района контура домов, количество квартир в каждом доме (поскольку у нас идеальный случай примем, что кол-во абонентов равно кол-ву квартир).
Процесс составления схемы распределительной сети состоит в следующем. Продвигаясь от крайних домов шкафного района к распределительному шкафу, производится группировка распределительных кабелей для прокладки в кабельную канализацию. Кабельная канализация проектировалась следующим образом: по пути прокладки кабелей, прежде всего, были расставлены угловые и стыковые ККС. А потом на промежуточных участках были расставлены промежуточные ККС исходя из того, что расстояния между двумя соседними ККС не может превышать 70 м. На распределительной сети шкафного района использовались ККС-1, в месте подключения магистрали к распределительному шкафу был установлен ККС-3. От кабелей подведенных к домам была сделана разводка по этажам. На каждые 2 этажа ставилась распределительная коробка связи на 10 пар. Незадействованные пары подведенного кабеля были сведены в заглушку.
Таблица 2.2–Ведомость объема работ по распределительной сети ШР
| № п/п |
Наименование работ |
Един. изм. |
К - во |
Длина кабеля с числом пар |
|||||
| 300х2 |
200х2 |
100х2 |
50х2 |
30х2 |
10х2 |
||||
| 1 |
Прокладка кабеля в канализации |
м |
590 |
160 |
- |
160 |
- |
- |
|
| 2 |
Устройство колодцев типа ККС-1 |
шт. |
10 |
||||||
| 3 |
Устройство колодцев типа ККС-3 |
шт. |
1 |
||||||
2.6 Проект кабельной канализации данного микрорайона
Основой для составления схемы телефонной канализации является схема магистральной сети. Внешне схемы телефонной канализации и магистральной сети во многом подобны, что неслучайно, поскольку магистральные кабели прокладываются в каналах телефонной канализации.
Основной задачей проектирования телефонной канализации – это определение числа каналов на каждом участке магистральной сети. Определение типов и размещение смотровых устройств.
Общее число каналов телефонной канализации на каждом участке состоит из каналов магистральных кабелей, для распределительных кабелей и для межстанционных кабелей, а также из спецканалов и запасных каналов.
При проектировании учитывался пятидесятипроцентный запас по количеству каналов и выбор необходимого колодца кабельной связи производился исходя из следующих норм:
– в колодец малого типа (ККС-3) вводится от 3 до 6 каналов;
– в колодец среднего типа (ККС-4) вводится от 7 до 12 каналов;
– в колодец большого типа (ККС-5) вводится не более 24 каналов.
Колодцы ставятся на границах участков и внутри участков. Расстояния между колодцами зависят от конкретных условий на трассе, но не должно превышать 150 метров.
Рассмотрим принцип построения канализации и расчеты количества каналов на участках, и выбор нужного типа ККС. Построение канализации основано на построении магистральной сети, так как кабель прокладывается непосредственно в канализации.
При построении канализации, идущей от шкафа учитываем 1 магистральный канал, 1 распределительный, а также пятидесяти процентный запас от количества каналов на данном участке на запас и, если в шкафном районе необходима спецсвязь - для нее также нужно предусмотреть канал. На участках канализации, в которых прокладывается не одна, а несколько магистралей мы увеличили число магистральных каналов по числу магистралей. Число распределительных каналов также возрастало. Также в зависимости от числа каналов были выбраны соответствующие ККС.
На участках канализации 10 и 11 в общее число каналов были включены также 2 канала для ОКЛБг, который идет от нашей РАТС-5 к АМТС. Каналы для ОКЛБг суммируются с общим количеством каналов на данном участке. При проектировании кабельной канализации в нашем микрорайоне мы учитывали следующие условия:
- один магистральный кабель в канал;
- 3 распределительных кабеля в канал.
С учетом этих свойств была спроектирована канализация нашего микрорайона, и на его основе составлена ведомость числа каналов и колодцев телефонной канализации.
Магистраль 01 включает в себя 3 участка. Участки 1,2,3 содержат 1 магистральный, 1 распределительный и 1 запасной каналы. На данных участках используются ККС-3. Участок №1 имеет длину 1960 м и 5 канала, участок №2 – 110 м и 3 канала, участок №3 – 610 м и 3 канала.
Магистраль 02 содержит 5 участков. Участок №4 имеет длину 900 м и 7 каналов, участок №5 имеет длину 80 м и 3 канала, участок №6 – 1400 м и 5 каналов, участок №7 – 980 м и 3 канала, участок №8 – 660 м и 3 канала.
Магистраль 03 состоит из 5 участков. Участок №9 имеет длину 600 м и содержит 9 каналов. Участок №10 имеет длину 700 м и 3 канала, участок №11 – 820 м и 5 каналов, участок №12 – 50 м и 3 канала, участок №13 – 790 м и 3 канала.
Таблица 2.3 – Ведомость расчета числа каналов и колодцев КК
| № уч. |
№ маг. |
Длина уч.,м |
Марка кабеля |
Количество каналов |
к-во труб |
Кол-во колодцев |
РШ |
|||||||
| маг. |
расп |
зап. |
спец |
СЛ |
всего |
ККС-3 |
ККС-4 |
ККС-5 |
||||||
| 1 |
2 |
3 |
4 |
5 |
6 |
7 |
8 |
9 |
10 |
11 |
12 |
13 |
14 |
15 |
| 1 |
01 |
1960 |
ТПппЗП |
2 |
2 |
1 |
5 |
5 |
14 |
--- |
||||
| 2 |
01 |
110 |
ТПппЗП |
1 |
1 |
1 |
3 |
3 |
2 |
5-01 |
||||
| 3 |
01 |
610 |
ТПппЗП |
1 |
1 |
1 |
3 |
3 |
5 |
5-02 |
||||
| 4 |
02 |
900 |
ТПппЗП |
3 |
3 |
1 |
7 |
7 |
6 |
1 |
--- |
|||
| 5 |
02 |
80 |
ТПппЗП |
1 |
1 |
1 |
3 |
3 |
5-05 |
|||||
| 6 |
02 |
1400 |
ТПппЗП |
2 |
2 |
1 |
5 |
5 |
10 |
--- |
||||
| 7 |
02 |
980 |
ТПппЗП |
1 |
1 |
1 |
3 |
3 |
7 |
5-03 |
||||
| 8 |
02 |
660 |
ТПппЗП |
1 |
1 |
1 |
3 |
3 |
5 |
5-04 |
||||
| 9 |
03 |
600 |
ТПппЗП |
3 |
3 |
1 |
2 |
9 |
9 |
4 |
1 |
--- |
||
| 10 |
03 |
700 |
ТПппЗП |
1 |
1 |
1 |
3 |
3 |
5-06 |
|||||
| 11 |
03 |
820 |
ТПппЗП |
2 |
2 |
1 |
5 |
5 |
6 |
--- |
||||
| 12 |
03 |
50 |
ТПппЗП |
1 |
1 |
1 |
3 |
3 |
1 |
5-07 |
||||
| 13 |
03 |
790 |
ТПппЗП |
1 |
1 |
1 |
3 |
3 |
6 |
5-08 |
||||
| 05 |
5000 |
ОКЛБг |
2 |
2 |
2 |
|||||||||
2.7 Проектирование соединительной линии между АТС и МТС
Наш телефонный аппарат подсоединен к коммутационному оборудованию районной ATC с помощью одной витой пары проводов многопарного кабеля — это соединение называется абонентской линией. Остальные пары кабеля отданы другим абонентам. Когда вы набираете номер и, устанавливаете соединение, сигнал от коммутационного оборудования вашей станции к ATC собеседника проходит по другой витой паре проводов, называемой соединительной линией. Соединительные линии между АТС — это групповые элементы сети, и само оборудование АТС в большей степени также является групповым, поскольку используется абонентами сети совместно. На АТС есть и индивидуальное оборудование (абонентские комплекты), которое непосредственно связано с каждой абонентской линией, и в частности реагирует на поднятие абонентом трубки. Число пар соединительного кабеля между двумя АТС зависит от величины предполагаемого трафика, т. е. от вероятного числа совпадающих соединений средней продолжительности за определенный интервал времени. Обычно число таких пар равно трем, шести и более десяткам. Если расстояние между ними больше, тогда используют аппаратуру многоканального уплотнения, с помощью которой организуют несколько десятков телефонных соединительных каналов по каждой паре соединительного кабеля.
Если АТС находятся в разных городах, тогда в цепи соединения появляются еще три звена: две междугородные телефонные станции (МТС) коммутации и один междугородный канал связи. АТС связана с городской МТС другими соединительными каналами. Междугородный канал — это один из каналов многоканальной магистральной системы уплотнения, соединяющих две МТС между собой. Физическая среда передачи магистральной многоканальной системы может быть любой, например витой парой (в многопарном магистральном симметричном кабеле), коаксиальной парой (в коаксиальном магистральном кабеле), оптическим кабелем или радиостволом (радиорелейная линия, спутниковый канал). При этом число каналов на одной паре зависит от типа кабеля, а их число в радиостволе — от типа ствола.
В данном курсовом проекте для соединения АТС с МТС используется оптический кабель марки ОКЛБг 4-х модульной конструкции с центральным силовым элементом.
3. Расчет параметров оптического кабеля
3.1 Структурная схема волоконно-оптической системы передачи
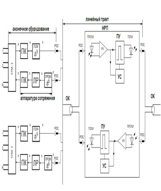
На рисунке 3.1 изображена структурная схема ВОСП на STM-1.
ВОСП – совокупность активных и пассивных устройств, предназначенных для передачи информации на расстояние с помощью оптических волн (мод) и сигналов. Оптическим сигналом служит оптическое (световое) излучение лазера и СД, переносимое в ОЛП в виде совокупности собственных оптических волн (мод) этих ЛП.
Под типом моды следует понимать э/м образ, характеризующийся своим особым распределением электро-магнитного поля этой моды в световоде и своей скоростью распространения.
На структурной схеме, изображенной на рисунке 3.1, представлены 2 комплекта оконечного оборудования и волоконно-оптический линейный тракт. Оконечное оборудование размещается в пунктах А и Б, и состоит из стандартной канало- и группообразующей ИКМ аппаратуры и оборудования стыка с оптическим трактом. Оборудование стыка содержит:
ПК – преобразователь кода и оптоэлектронные модули – ПОМ – передающий и ПРОМ – приёмный, ЛР – линейный регенератор. ПК в пункте А преобразует биполярный квазитроичный сигнал (например HDB-3) в униполярный код (например CM1), подходящий для передачи по ОВ.
ПОМ преобразует электрические импульсы этого кода в оптические. На приемном конце в пункте Б оптические импульсы превращаются в ПРОМ в электрические, которые регенерируются в ЛР, а затем в приемном ПК преобразуются в электрические импульсы квазитроичного кода, поступающие в ИКМ. Аналогично из Б в А.
Волоконно-оптический линейный тракт содержит минимум 2 ОВ в ОК, которые подключаются к аппаратуре с помощью разъёмных оптических соединителей (РОС). Через определенные участки, называемые регенерационными, включаются НРП или ОРП, предназначенные для регенерации импульса, искажённого впоследствии потерь и дисперсии в тракте.
Длина участка регенерации зависит от величины потерь и дисперсии в ОВ, скорости и требуемого качества передачи и электрических показателей ПОМ и ПРОМ.

Рисунок 3.1 – Структурная схема ВОСП
Выбранный кабель: ОКЛБг -3- ДА-13-4х4Е-0,4Ф3,5/0,3Н19-16/0
Т.е. ОК - оптический кабель; Л - магистральный, для прокладки в грунте (зоновая связь, городская связь); Бг – броня из стальных гофрированных бронелент; 3 – номер разработки (номинальный диаметр ОК составляет 2,5мм); Д – центральный силовой элемент – диэлектрический стержень (стеклопрут); А- тип усиливающего элемента – арамидные нити с коэффициентом, противостоящим растягивающему усилию, 1; 13- тип и материал защитных покрытий – броня стальная, оболочка и шланг из композитного материала (на основе ПВХ); 4х4Е – 4 оптических модуля в оптическом кабеле, 4 оптических волокон в оптическом модуле, Е – ОВ одномодовое; 0,4Ф3,5/0,3Н19 – работает в 2-х окнах прозрачности:
- Ф – длина волны – 1310нм, 0,4 дБ/км – коэффициент затухания, 3,5 ![]()
- хроматическая дисперсия.
- Н – длина волны – 1550нм, 0,3 дБ/км – коэффициент затухания, 19 ![]()
- хроматическая дисперсия;
16 – количество ОВ в ОК; 0 – количество жил дистанционного питания.

Рисунок 3.2 – Эскиз поперечного сечения кабеля М 10:1
ОКЛБг -3- ДА-13-4х4Е-0,4Ф3,5/0,3Н19-16/0
1 – оптическое волокно;
2 – оптический модуль;
3 – трубка ОМ;
4 – центральный силовой элемент;
5 – скрепляющая лента;
6 – заполнитель;
7 – внутренняя оболочка;
8 – мягкая подушка;
9 – гофрированная броня;
10 – внешняя оболочка.
11 – заглушка.
3.2 Определение размеров элементов конструкции кабеля ОКЛБг
Определим количество ОВ в ОК:
NOB = 2NSTM+50%=2∙5+5=15
Диаметр оптического модуля содержащего 4 ОВ составляет 2,5 мм.
Диаметр сердечника (из эскиза):
Dсер = 3∙Dом (3.1)
Dсер = 3∙2,5 = 7,5 мм;
Диаметр скрепляющей оболочки (с учетом толщины скрепляющей ленты из композитных полимерных материалов):
Dскр. об = Dсер + 2∙tскр. об (3.2)
Dскр. об = 7,5 + 2∙0,05 = 7,6 мм;
Диаметр армирующего слоя (с учетом толщины арамидной нити):
Dарм. сл = Dскр. об + 2∙tарм. сл (3.3)
Dарм. сл = 7,6 + 2∙0,04 = 7,68 мм;
Диаметр по полиэтиленовой оболочке:
Dоб = Dарм. сл + 2∙tоб (3.4)
Dоб = 7,68 + 2∙1 = 9,68 мм;
Диаметр по гофрированной брони:
Dгоф. бр = Dоб + 2∙tгоф. бр (3.5)
Dгоф. бр = 9,68 + 2∙0,6 = 10,88 мм;
Диаметр оптического кабеля (совпадает с диаметром шланга):
Dок = Dгоф. бр + 2∙tшл (3.6)
Dок = 10,88 + 2,2 = 14,88 мм.
Таблица 3.1 – Спецификация элементов конструкции кабеля
| №п/п |
Название элемента |
Толщина, мм |
Диаметр, мм |
Материал |
| 11. |
Сердечник |
__ |
7,5 |
______ |
| 22. |
Скрепляющая обмотка |
0,05 |
7,6 |
полибутилентирафтал |
| 33. |
Армирующего слой |
0.04 |
7,68 |
Арамидные нити |
| 44. |
Оболочка |
0.1 |
9,68 |
ПВХ |
| 55. |
Гофрированная броня |
0.6 |
10,88 |
Стальные гофрированные ленты |
| 66. |
Шланг |
2 |
4,88 |
ПВХ |
3.3 Расчет оптических параметров кабеля
Расчет числовой апертуры:
Числовая апертура
рассчитывается по формуле:
- для ступенчатого ППП ОВ:
![]()
(3.7)
![]()
![]()
- для градиентного ППП ОВ:

(3.8)
![]()
Нормированная частота:
(3.9)
Для
=1,32 мкм:
![]()
![]()
![]()
![]()
Для
=1,58 мкм:
![]()
![]()
![]()
![]()
Для СОВ V > 2,405, следовательно – многомодовый режим работы. Для ГОВ V < 2,405, следовательно – одномодовый режим работы.
Число мод в ОВ с диаметром сердцевины 2а, числовой апертурой NA на рабочей длине волны определяется:
- для СОВ , М = 2,472/2 =3,05=4(
=1,32мкм)
М=2,062/2 =2,12=3(
=1,58мкм)
- для ГОВ , М = 1,752/2 = 1,53=2(
=1,32мкм)
М=1,462/2=1,07=2(
=1,58мкм)
Рассчитаем длину волны отсечки:
(3.10)
1)![]()
2)![]()
Рассчитаем диаметр модового поля:
(3.11)
1) (
=1,32мкм)

2) (
=1,58мкм)

3.4 Расчет потерь в ОВ
Потери света в ОВ обусловлены, в основном, двумя причинами:
поглощением, которое определяется свойствами материала и рабочей длиной волны и приводит к преобразованию световой энергии в тепловую;
рассеянием, которое определяется, с одной стороны, свойствами материала ОВ, а с другой, и в большей степени – нарушением геометрической формы ОВ. При этом распространяющаяся мода, переносящая долю энергии сигнала, изменяется таким образом, что часть оптической энергии этого сигнала покидает ОВ. Будем считать, что каждая из распространяющихся в ОВ мод претерпевает примерно одинаковое суммарное затухание, механизм которого рассмотрим подробнее.
Потери сигнала в ОК, обусловлены собственными потерями с в материале ОВ и дополнительными потерями д, возникающими в результате производства ОВ, их сборки в ОК и прокладки ОК в грунт (технологические). Следовательно;
(3.12)
(3.13)
Суммарные собственные потери в ОВ определяются, в основном, в виде,[6, стр. 25]:
(3.14)
где рр – рэлеевское рассеяние, которое может быть определено по приближенной формуле из [6, стр. 25]:
(3.15)
где - следует подставлять в нанометрах,
- относительная разница показателей преломления сердцевины и оболочки:
(3.16)
![]()
![]()
Для построения графиков будем подставлять 5 значений длины волны:
=850 нм
=1320 нм
=1310 нм
=1580 нм
=1550 нм
![]()
![]()
![]()
![]()
![]()
![]()
![]()
![]()
![]()
![]()
Потери в материале
связаны с потерями на поляризацию, линейно растут с ростом частоты и могут быть определены из [6, стр. 26]как:
(3.17)
![]()
![]()
![]()
![]()
![]()
![]()
![]()
![]()
![]()
![]()
Потери сигналов, связанные с поглощением в инфракрасной области спектра ик, обусловлены хвостами резонансных поглощений ионов (атомов) и определяются [6, стр.26]:
(3.18)
![]()
![]()
![]()
![]()
![]()
![]()
![]()
![]()
![]()
![]()
Наиболее сильно эти потери проявляются на гидроксильном остатке воды – ОН, значения которых равны:


при
=850нм, 1310нм,
=1550нм,
=1320нм и
=1580нм соответственно.
При правильном выборе материала для ОВ и рабочей длины волны определяющими потерями сигнала являются рр.
Рассчитаем по формуле (3.14) суммарные собственные потери в ОВ:
1)![]()
2)![]()
3)![]()
4)![]()
5)![]()
Произведем расчет потерь сигнала в ОК по формуле (3.13):
![]()
![]()
![]()
![]()
![]()
![]()
![]()
![]()
![]()
![]()
Определим суммарное затухание:
![]()
![]()
![]()
![]()
![]()
![]()
![]()
![]()
![]()
![]()
Таблица 3.2 – Результаты расчетов затуханий
|
|
|
|
|
|
|
|
|
| 850 |
1,985 |
0,592 |
|
0,1 |
2,677 |
1,34 |
4,017 |
| 1310 |
0,352 |
0,087 |
|
0,05 |
0,489 |
0,24 |
0,729 |
| 1320 |
0,341 |
0,085 |
|
0,048 |
0,474 |
0,237 |
0,726 |
| 1550 |
0,18 |
0,051 |
|
0,03 |
0,281 |
0,14 |
0,421 |
| 1580 |
0,179 |
0,048 |
0,036 |
0,027 |
0,29 |
0,145 |
0,435 |
Согласно стандарту G 652 в дальнейших расчетах используем
=0,35 ![]()

Рисунок 3.3 - Зависимость потерь от длины волны.
Расчет хроматической дисперсии ОВ.
Формула для вычисления суммарной дисперсии имеет следующий вид:

, с/км, (3.19)
где модовая дисперсия для СОВ и для ГОВ определяется соответственно ниже приведенным формулам:
, с/км (3.20)
![]()
, с/км, (3.21)
а материальная дисперсия для СОВ и ГОВ рассчитывается так:
![]()
, с/км (3.22)
где Ммат – удельно-материальная дисперсия
(Ммат(1580)=-16 , Ммат(1320)=1,5);
– ширина спектральной лини ![]()
=0,5 нм.
Определим модовую дисперсию:




Оптимальной, а именно минимальной, является модовая дисперсия для градиентного оптического волокна.
![]()
![]()
![]()
![]()
Теперь вычислим суммарную дисперсию для СОВ:
![]()
![]()
![]()
![]()
Произведем расчеты для ГОВ:
![]()
![]()
![]()
![]()
Рассчитанные значения приблизительно равны, но проследив ход решения видно, что модовая дисперсия при ГОВ намного меньше, чем при СОВ. Значит оптимальной является суммарная дисперсия для ГОВ на длине волны λ=1,32 мкм(на этой длине она достигает минимальное значение).
Рассчитаем коэффициент хроматической дисперсии:
() =
,
(3.23)
где 0 – длина волны нулевой дисперсии (0 = 1301 нм),
S0 – коэффициент наклона дисперсионной кривой.
S0 = 0, 092 ,![]()
– длина волны, на которой работает оборудование ( 1 =1320 нм,
2= 1580 нм).
Хроматическая дисперсия ОВ на рабочих длинах волн:
![]()
() =
, ![]()
![]()
() =
,![]()
, с/км (3.24)
где
- среднекваратическое отклонение хроматической дисперсии;
D () – монохроматическая дисперсия, пс/нм км;
- ширина спектральной линии источника излучения (
= 0.5нм).
![]()
![]()
3.6 Расчет длины участка регенерации по затуханию и по дисперсии.
3.6.1 Рассчитаем длину участка регенерации по затуханию.
Диаметр светочувствительной поверхности ПИ обычно на порядок превышает диаметр сердцевины стандартного многомодового ОВ, поэтому, кроме снижения величины отражения, особых проблем при стыке ОВ с ПИ не возникает Lmin ≤ Lэку ≤ Lmax,
где Lэку – длина элементарного кабельного участка,
Lmin – минимальная длина между ретрансляторами,
Lmax – максимальная длина между ретрансляторами. Из [6,стр. 70]:
(3.25)
(3.26)
где П – энергетический потенциал системы передачи, П=32 [дБм],
αн – потери в неразьемных соединениях, αн=0.1 дБ,
αр – потери в разьемных соединениях, αр=0.5 дБ,
nр – число разьемных соединений на кабельном участке, СТМ-1,
αз – эксплуатационный запас, αз=6 дБ,
α – коэффициент потерь мощности вследствие затухания в каждой из і последовательно соединенных строительных длин,
Lсд – строительная длина, Lсд=2 км,
αару – автоматическая регулировка уровня(5 дБ).
Рассчитаем минимальную и максимальную длину между ретрансляторами:
![]()
![]()
![]()
![]()
3.6.2 Рассчитаем длину участка регенерации по дисперсии
Если скорость передачи информации больше, чем критическая, то ствол передачи ограничен дисперсионными искажениями и максимальная длина участка регенерации [6, стр.71]:
км. (3.27)
где σ- значение среднеквадратической дисперсии ОВ,
В - скорость передачи на оптическом стыке равна 622 Мбит/с.
![]()
![]()
Выберем длину участка по затуханию.
3.7 Расчет числа регенерационных пунктов устанавливаемых на соединительной линии:
nн = (Lсл/Lр) – 1, (3.28)
где Lр – длина участка регенерации ( в нашем случае принимаем ее равной потерям на затухание –70,25 км);
Lсл – длина соединительной линии, км.
nн=(5/70,25) – 1
nн=0
В нашем случае необходимости в регенерационных пунктах нет.
3.8 Диаграмма уровней энергетического потенциала для одного участка регенерации
Диаграмма уровней представляет собой график изменения уровня мощности оптического сигнала при его распространении от выхода, передающего оптоэлектронного модуля через линейный тракт одного участка регенерации до входа в приемный оптоэлектронный модуль. По горизонтальной оси в масштабе откладывается длина регенерационного участка в км. По вертикальной оси откладывается уровень оптического сигнала в дБм. В пункте А уровень оптического сигнала равен ри в дБм. Дальнейший ход кусочно-ломанной прямой учитывает потери излучения источника на разъемных соединениях между ИИ и оптическим волокном, затухание в оптическом кабеле, в соединительных муфтах, при вводе излучения в приемник излучения (на разъемных соединениях).
Пусть уровень мощности на выходе ПОМ pи = -2 дБм;
- чувствительность ПРОМ p 0 мин = - 34 дБм;
-
дБ/км;
потери в соединении ИИ-ОВ и ОВ-ПИ одинаковы и равны
дБ;
потери в соединении ОВ-ОВ –
дБ;
строительная длина ОК L сд = 2 км;
длина регенерационного участка Lp = 57,75 км;
длина соединительной линии Lсл = 5 км.
Необходимо построить диаграмму уровней энергетического потенциала для участка соединительной линии.
Точка А− -2 дБм;
Точка Б− -3 дБм;
дБ,
дБ;
Точка В− -3,7 дБм;
дБ;
Точка Г− -3,8 дБм;
дБ;
Точка Д− -4,5 дБм;
Точка Е− -4,6 дБм;
дБ;
Точка Ж− -4,95 дБм;
Точка З− -5,95 дБм;
дБ;
Точка И− -11,95 дБм; рзап = 6 дБм;

Рисунок 3.4 Диаграмма уровней энергетического потенциала для одного участка регенерации.
Построив диаграмму уровней энергетического потенциала, для длины соединительной линии на 2 строительных длинах и неполном участке в 1 км, стало видно, что для обеспечения нормальной работы аппаратуры STM- 1 необходимо поставить аттенюатор, для цифрового сигнала это устройство помогает избежать большого уровня сигнала приводящего к перегрузке приемного устройства , а при передаче аналогового сигнала недопустимо больнее нелинейного искания, как видно из диаграммы для уменьшения регулирования мощности оптического сигнала. В данном случае необходимо поставить аттенюатор на 19,55дБ.
4. Расчет параметров взаимного влияния
При распространении электромагнитной волны лишь 1/735 часть переданной энергии попадает в приемник, а остальная рассеивается в самой линии в основном на тепловые потери и поляризацию диэлектрика.
Кроме того, энергия переходит на соседние цепи в виде тока помех. Под помехами понимают посторонние токи, спектры которых совпадают со спектром передаваемого сигнала. Это совпадение может быть полным или частичным. В силу этого передача, осуществляемая по какой либо цепи, в той или иной мере прослушиваются в соседних цепях кабельных или воздушных линий. Помехи могут быть внятными (АСП) или невнятными (ЦСП).
Переход энергии из одной цепи в другую обусловлен взаимными влияниями.
4.1 Систематические влияния
Систематические влияния обусловлены электромагнитными связями постоянными по величине и фазе. Причиной их возникновения в кабелях являются, главным образом, асимметрия во взаимном расположении жил в четверке и систематические погрешности технологии.
Рассчитаем переходное затухание на ближнем конце А0сд на частоте f1= 800 Гц.
Расчет проводится по формуле:
А0сд = 20∙log |8/(ω∙k∙Zв)| , дБ (4.1)
Вычислим:
А0сд = 20∙log |8/(5026,5∙50∙10-12∙687,81)| = 93,31 , дБ
А0сд на других частотах считается по формуле:
А0сд = 20∙log |2/N12| , дБ (4.2)
где
N12 = |(g+j∙ω∙k)∙Zв + (r+j∙ω∙m)/Zв| ,
1/сд – вектор электромагнитного влияния между цепями на ближнем конце.
Для этого необходимо рассчитать первичные параметры влияния.
Первичные параметры влияния:
k – емкостная связь;
m – индуктивная связь;
g – активная составляющая электрической связи;
r – активная составляющая магнитной связи.
Зная k, подсчитаем первичные параметры влияния для частот f1=600Гц, f2 =1600Гц, f3=2400Гц и f4=3200Гц:
g = 0,2∙ω∙k (4. 3)
m = k∙Zв2 (4. 4)
r = 0,4∙ω∙m (4. 5)
Для f = 800 Гц:
g = 0,2∙5026∙50∙10-12 =5,0265·10-8 См/сд;
m = 50∙10-12∙794,132 = 2,365∙10-5 Ом/сд;
r = 0,4∙5026∙2,365∙10-5 = 0,04756 Гн/сд;
Для f1 = 600 Гц:
g1 = 0,2∙3770∙50∙10-12 =3,77·10-8 См/сд;
m1 = 50∙10-12∙794,132 = 3,15∙10-5 Ом/сд;
r1 = 0,4∙3770∙3,15∙10-5 = 0,0475 Гн/сд;
Для f2 = 1600 Гц:
g2 = 0,2∙10053∙50∙10-12 =1,005·10-7 См/сд;
m2 = 50∙10-12∙486,632 = 1,184∙10-5 Ом/сд;
r2 = 0,4∙10053∙1,184∙10-5 = 0,0476 Гн/сд;
Для f3 = 2400 Гц:
g3 = 0,2∙15080∙50∙10-12 =1,508·10-7 См/сд;
m3 = 50∙10-12∙397,662 = 7,91∙10-6 Ом/сд;
r3 = 0,4∙15080∙7,91∙10-6 = 0,0477 Гн/сд;
Для f4 = 3200 Гц:
g4 = 0,2∙20106∙50∙10-12 =2,0106·10-7 См/сд;
m4 = 50∙10-12∙344,762 = 5,94∙10-6 Ом/сд;
r4 = 0,4∙20106∙5,94∙10-6 = 0,0478 Гн/сд;
Рассчитаем вектор электромагнитного влияния на ближнем конце из []:
(4.6)
Для частоты f1:
|N12|=|(3,77∙10-8+i∙3770∙50∙10-12)∙794,13+(0.0475+і∙3770∙3,15∙10-
-5)/794,13|=3,1∙10-4 1/сд.
Подставив полученное значение в формулу переходного затухания на ближнем конце, получим:
А0сд = 20∙log |2/3,1∙10-4| = 76,12 дБ.
Для частоты f2:
|N12|=|(1,005∙10-7+i∙10053∙50∙10-12)∙486,63+(0.0476+і∙10053∙1,184∙10-
-5)/486,63|=5,1∙10-4 1/сд.
Подставив полученное значение в формулу, получим:
А0сд = 20∙log |2/5,1∙10-4| = 71,86 дБ.
Для частоты f3:
|N12|=|(1,508∙10-7+i∙15080∙50∙10-12)∙397,66+(0.0477+і∙15080∙7,91∙10-
-6)/397,66|=6,26∙10-4 1/сд.
Подставив полученное значение в формулу, получим:
А0сд = 20∙log |2/6,26∙10-4| = 70,088 дБ.
Для частоты f4:
|N12|=|(2,0106∙10-7+i∙20106∙50∙10-12)∙344,76+(0.0478+і∙20106∙5,94∙10-
-6)/344,76|=7,24∙10-4 1/сд.
Подставив полученное значение в формулу, получим :
А0сд = 20∙log |2/7,24∙10-4| = 68,73 дБ.
Полученные результаты занесем в таблицу:
Таблица 4.1 – Результаты расчетов переходного затухания на БК
| f, Гц |
g, См/сд |
m, Гн/сд |
r, Ом/сд |
|N12|, 1/сд |
А0сд, дБ |
| 800 |
– |
– |
– |
– |
93,31 |
| 600 |
3,77·10-8 |
3,15∙10-5 |
0,0475 |
3,1∙10-4 |
76,12 |
| 1200 |
1,005∙10-7 |
1,184∙10-5 |
0,0476 |
5,1∙10-4 |
71,86 |
| 2400 |
1,508∙10-7 |
7,91∙10-6 |
0,0477 |
6,26∙10-4 |
70,09 |
| 3200 |
2,011∙10-7 |
5,94∙10-6 |
0,0478 |
7,24∙10-4 |
68,73 |
По полученной таблице строим график зависимости cтроим график зависимости А0сд (f).

Рисунок 4.1– Зависимость А0сд и
от частоты
Переходное затухание монотонно убывает от частоты. Т.к. с ростом частоты возрастают взаимные влияния.
4.2 Несистематические влияния
Для ближнего конца они обусловлены влиянием за счет неоднородностей в цепи (как конструктивных, так и стыковых неоднородностей).
Рассчитаем переходное затухание на ближнем конце для одной строительной длины А0сд.
А0нсд = 10∙log(4∙α) – 10∙log[ω2∙(1 – e-4∙α∙lсд)∙Sn(2∙ω∙t)] , дБ (4.7)
где Sn(2∙ω∙t), с2/км2 – нормированная спектральная плотность случайной функции нерегулярной связи на ближнем конце;
α – коэффициент затухания, Нп/км;
lсд – строительная длина кабеля.
Для частоты f1:
α = 0,099 Нп/км;
А0нсд = 10∙log(4∙0,099) – 10∙log[37702∙(1 – e-4∙0,099∙0,4)∙10∙10-20] = 122,79 дБ.
Для частоты f2:
α = 0,114Нп/км;
А0нсд = 10∙log(4∙0,114) – 10∙log[100532∙(1 – e-4∙0,114∙0,4)∙10∙10-20] = 114,47 дБ.
Для частоты f3:
α = 0,159 Нп/км;
А0нсд = 10∙log(4∙0,159) – 10∙log[150802∙(1 – e-4∙0,159∙0,4)∙10∙10-20] = 111,06 дБ.
Для частоты f4:
α = 0,22 Нп/км;
А0нсд = 10∙log(4∙0,22) – 10∙log[201062∙(1 – e-4∙0,22∙0,4)∙10∙10-20] = 108,65 дБ.
Теперь найдем результирующее значение А0∑сд по формуле:
А0∑сд = –10∙log(10-0,1∙А0сд + 10-0,1∙А0Нсд) , дБ (4.8)
Для частоты f1 это будет:
А0∑сд = –10∙log(10-0,1∙76,12 + 10-0,1∙122,79) = 76,12 дБ.
Для частоты f2:
А0∑сд = –10∙log(10-0,1∙71,86 + 10-0,1∙114,47) = 71,86 дБ.
Для частоты f3:
А0∑сд = –10∙log(10-0,1∙70,088 + 10-0,1∙111,06) = 70,09 дБ.
Для частоты f4:
А0∑сд = –10∙log(10-0,1∙68,83 + 10-0,1∙108,65) = 68,83 дБ.
На основе таблицы 4.1 и полученных данных заполним новую таблицу, содержащую результирующее значение А0∑сд.
Таблица 4.2 – Результаты расчетов переходного затухания на БК
| f, Гц |
g, См/сд |
m, Гн/сд |
r, Ом/сд |
|N12|, 1/сд |
А0сд, дБ |
А0∑сд, дБ |
| 800 |
– |
– |
– |
– |
93,31 |
93,3 |
| 600 |
3,77·10-8 |
3,15∙10-5 |
0,0475 |
3,1∙10-4 |
76,12 |
76,12 |
| 1200 |
1,005∙10-7 |
1,184∙10-5 |
0,0476 |
5,1∙10-4 |
71,86 |
71,86 |
| 2400 |
1,508∙10-7 |
7,91∙10-6 |
0,0477 |
6,26∙10-4 |
70,09 |
70,09 |
| 3200 |
2,011∙10-7 |
5,94∙10-6 |
0,0478 |
7,24∙10-4 |
68,73 |
68,83 |
На основании таблицы строим график частотной зависимости А0∑сд.
Суммарное переходное затухание на ближнем конце монотонно убывает от частоты. Т.к. с ростом частоты возрастают взаимные влияния.

Рисунок 4.2 – Зависимость А0∑сд от частоты
4.3 Расчет зависимости переходного затухания на ближнем конце от длины линии
Расчет переходного затухания на ближнем конце от длины линии А0∑сд производится по формуле:
(4.9)
Рассчитаем А0∑сд на верхней частоте fв = 800 Гц для количества строительных длин 2, 10 и 50.
Для двух строительных длин:
,дБ
Аналогично для 10 и 50 строительных длин получаем:
А0∑сд (n=10) =86,28 дБ;
А0∑сд (n=50) = 85,52 дБ
На основании полученных результатов строим график.

Рисунок 4.3 – Зависимость А0∑сд от длинны.
На графике зависимости переходного затухания от длинны, мы наблюдаем резкое понижение затухания на первых 10 строительных длин.
При дальнейшем увеличении количества строительных длин затухание нормализуется и в последствии практически не изменяется.
5. Разработка процессов защиты от внешних влияний
5.1 Расчет опасного влияния ЛЭП на кабельную ЛС
Влияния, оказываемые ЛЭП на линии связи, могут быть электрическими и магнитными. В зависимости от режима работы ЛЭП преобладает то или иное влияние. Симметричные системы обладают высоким потенциалом и создают большие электрические воздействия. Несимметричные системы (с заземленной фазой) в аварийном режиме имеют большой уравнительный ток и являются источником сильных магнитных воздействий. Заземленные ЛЭП оказывают гальваническое влияние. Сравнивая агрессивное воздействие ЛЭП переменного и постоянного токов на ЛС, можно отметить, что первые действуют гораздо сильнее и требуют относа линий связи на значительные расстояния. Различают нормальный, вынужденный и аварийный режимы работы высоковольтных линий.
Исходные данные:
ρГР = 70 Ом∙м
a1 = 16 м
a2 = 24 м
a3 = 20 м
a4 = 30 м
a5 = 90 м
l1 = 0,5 км
l2 = 0,6 км
l3 = 0,5 км
l4 = 1 км
Iкз1 = 8200 А
Iкз5 = 2200 А
Iр = 460 А
5.1.1 Расчет Е при опасном влиянии ЛЭП в аварийном режиме работы ЛЭП с помощью метода проб
Опасные магнитные влияния создают нессиметричные системы (ЛЭП, эл. ж. д.) как в нормальном, так и в аварийном режимах их работы, а также симметричные системы (ЛЭП) в аварийном режиме. Магнитным воздействиям подвержены и кабельные и воздушные линии.
В случае сложной трассы сближения продольная ЭДС рассчитывается по эквивалентным участкам сближения и затем производится суммирование, [1, стр. 350]:
(5.1)![]()
рад/с (f=50 Гц)
коэф. взаимной индуктивности на каждом участке, мкГн/км
ток короткого замыкания на каждом участке, км
длина сближения на каждом участке, км
коэф. экранирования(для ОКЛБг
)
Изобразим схему сближения ЛЭП и ЛП.

Рисунок 5.1. – Схема сближения ЛЭП и ЛП ( где аi указывает ширину сближения, км );
Покажем на графике закон изменения тока вдоль участка сближения линии с ЛЭП:

Рисунок 5.2 – График изменения токов короткого замыкания вдоль участка сближения линии передач с ЛЭП
Для заполнения таблицы (нахождения Мі) воспользуемся номограммой Михайлова при частоте 50 Гц, [1, стр.351]. Для этого не обходимо рассчитать
:
(5.2)
=1/70=0,014286 См/м
Точка 1
![]()
![]()
М1=800 мкГн/км
Подставляя числовые значения в фор-лу(5.1), получим
![]()
![]()
ТОЧКА 2
![]()
![]()
![]()
![]()
м
М2=760 мкГн/км
![]()
![]()
ТОЧКА 3
![]()
![]()
![]()
![]()
м
М3=720 мкГн/км
![]()
![]()
ТОЧКА 4
![]()
![]()
![]()
![]()
м
М4=700 мкГн/км
![]()
![]()
ТОЧКА 5
![]()
![]()
![]()
![]()
м
М5=560 мкГн/км
![]()
![]()
Таблица 5.1- Расчет наведенных ЭДС для участков сближения ЛЭП с межстанционной соединительной линией передачи в аварийном режиме работы.
| № точки |
|
|
|
|
|
|
|
|
| 1 |
16 |
16 |
16 |
0 |
800 |
8200 |
0 |
0 |
| 2 |
16 |
24 |
19,6 |
0,5 |
760 |
4500 |
537 |
537 |
| 3 |
24 |
20 |
21,9 |
0,6 |
720 |
2800 |
380 |
917 |
| 4 |
20 |
30 |
24,5 |
0,5 |
700 |
2500 |
275 |
1192 |
| 5 |
30 |
90 |
34,6 |
1 |
560 |
2200 |
387 |
1579 |

Рисунок 5.2− График зависимости Е от
при аварийном режиме работы ЛЭП
Вывод: Допустимая продольная ЭДС в оболочке кабеля в аварийном режиме работы ЛЭП составляет Uисп волс=10000 В. Сравнивая рассчитанное суммарное продольное ЭДС с нормой, видим, что оно удовлетворяет норме.
5.1.2 Расчет опасного электромагнитного влияния ЛЭП в нормальном режиме
Расчет Е в нормальном режиме работы ЛЭП
(5.3)
рабочий ток ЛЭП при нормальном режиме работы, А.
Формула (5.3) аналогична формуле (5.1), но вместо значений
подставляем значение
. Производим перерасчет и заносим результат в таблицу 5.2
Точка 1
М1=800 мкГн/км
![]()
![]()
ТОЧКА 2
М2=760 мкГн/км
![]()
![]()
ТОЧКА 3
М3=720 мкГн/км
![]()
![]()
ТОЧКА 4
М4=700 мкГн/км
![]()
![]()
ТОЧКА 5
М1=560 мкГн/км
![]()
![]()
Таблица 5.2− Расчет наведенных ЭДС для участков сближения ЛЭП с межстанционной соединительной линией передачи в нормальном режиме работы.
| № точки |
|
|
|
|
|
|
|
|
| 1 |
16 |
16 |
16 |
0 |
800 |
460 |
0 |
0 |
| 2 |
16 |
24 |
19,6 |
0,5 |
760 |
460 |
54,89 |
54,89 |
| 3 |
24 |
20 |
21,9 |
0,6 |
720 |
460 |
62,4 |
117,29 |
| 4 |
20 |
30 |
24,5 |
0,5 |
700 |
460 |
50,55 |
167,84 |
| 5 |
30 |
90 |
34,6 |
1 |
560 |
460 |
80,89 |
248,73 |

Рисунок 5.3 − График зависимости Е от
при нормальном режиме работы ЛЭП
Допустимая ЭДС в нормальном режиме работы составляет Е=42 В. Видим, что рассчитанное значение не удовлетворяет норме.
Для предохранения сооружений связи от внешних электромагнитных влияний проводится комплекс защитных мер как на влияющих ЛЭП, так и ЛС, подверженных влиянию. В таблице 5.3 укажем меры защиты, проводимые на ЛЭП и ЛС.
Произведем относ проектируемой трассы. Для этого рассчитаем:
, где Енорма=42 В (5.4)
![]()
Затем по номограмме Михайлова определяем
, и оно в моем случае равно
м. Это и есть расстояние, ближе которого проектируемая трасса не может приближаться к ЛЭП.
Проверим рассчитанное расстояние, подставив Мкр в формулу (5.4):
![]()
![]()
![]()
![]()
![]()
![]()
![]()
![]()
![]()
![]()
![]()
![]()
Данное значение меньше 42 В, поэтому относ кабеля на 760 м является достаточным.
Таблица 5.3 – Меры защиты, проводимые на ЛЭП и ЛС
| Мероприятия, проводимые на: |
|
| Влияющих ЛЭП |
Связи |
| Автоматика Сглаживающие фильтры Экранирующие тросы |
Относ трассы Каблирование Скрещивание и симметрировани Экранирование Разрядники и предохранител Заземление Нейтрализующие и редукционные трансформаторы |
5.2 Расчет вероятности повреждения оптического кабеля молнией
Кабель ОКЛБг является кабелем первой категории, для которого действующий ток (ток, вызывающий первичное повреждение кабеля) имеет значение 105 кА.
Исходные данные:
Т=38 час/год;
=260 Ом∙м;
Рассчитаем ожидаемое вероятное количество повреждений оптического кабеля за год на длине L:
, (5.5)
где N0− общее вероятное среднегодовое количество всех ударов молнии в проектируемый кабель связи;
Kp− коэффициент риска грозоповреждений кабеля; для I0=105кА Кр=0,05;
Кn− поверхностный коэффициент, который учитывается при ширине сближения с наземным высотным объектом меньше, чем 2r0max; Кn=1;
2r0max− максимальный радиус искровой зоны.
Рассчитаем общее вероятное среднегодовое число всех ударов молнии в кабель связи:
, (5.6)
где rn0− условный радиус искровой зоны, м;
L − длина линии, км (L=Lсл)
q − удельная плотность ударов молнии на 1 км2 земли в год, 1/км2:
,(5.7)
где С=0,067 (1/час)·км2 − среднее количество ударов молнии в 1 км2 поверхности земли за 1 грозочас;
T − среднегодовая продолжительность гроз в часах;
, (5.8)
где 20,66 кА− эквивалентный ток молнии;
=260 Ом∙м − удельное сопротивление грунта, Ом·м;
Епр = 250кВ/м – пробивное напряжение электрического поля в грунте, кВ/м;
Рассчитаем по формуле (5.7) значение удельной плотности ударов q:
1/км2.
Рассчитаем значение условного радиуса искровой зоны по фор-ле (5.8):
![]()
![]()
Подставив полученные значения, рассчитаем N0 по фор-ле (5.6):
![]()
![]()
Теперь рассчитаем ожидаемое вероятное количество повреждений Nn по формуле (6.1):
![]()
![]()
Рассчитанное значение Nn должно быть меньше Nдоп:
![]()
![]()
Рассчитанное значение Nn меньше Nдоп, следовательно, меры защиты не нужны.
5.3 Расчет защиты медного кабеля от электрокоррозии
Коррозия – это процесс разрушения металлических оболочек кабеля(свинцовых, стальных, алюминиевых), а также защитных и экранирующих покровов(стальной брони, медных и алюминиевых экранов)вследствие химического, механического и электрического воздействий окружающей среды. Различают три следующие виды коррозии:
- почвенную (электрохимическую);
- межкристаллитную (механическую);
- электрокоррозию (коррозию блуждающими токами).
Коррозия оболочек приводит к потере герметичности кабеля связи, ухудшению их электрических свойств и в ряде случаев выводит кабель из строя.
Электрокоррозия – это процесс разрушения металлической оболочки кабеля за счет блуждающих токов в земле. Источниками блуждающих токов могут быть рельсовые пути трамвая, электрифицированных железных дорог, метрополитена, установок дистанционного питания, использующих в качестве обратного провода землю.
Исходные данные:
= 0,7 В
a1 = 95 м
a2 = 80 м
![]()
![]()

Максимальный потенциал на проектируемом кабеле
,(5.9)
где
=0,7 В − максимальный потенциал на существующем кабеле.
Определим в анодной зоне поверхностную плотность тока, стекающего с брони кабеля в землю
, (5.10)
где j − поверхностная плотность тока утечки, А/дм2 ;
Dбр− диаметр кабеля по броне, м;
Rпер=15ρгр− переходное сопротивление между металлическими покровами кабеля и землей, Ом∙м
q − коэффициент использования металлических покровов кабеля, для бронированных кабелей q = 0,5.
Рассчитаем значение максимального потенциала по формуле (5.9):
![]()
![]()
Подставив полученные значения в формулу (5.10) получим:


По действующим нормам плотность тока не должна превышать
А/дм2. Как видно, рассчитанное значение меньше допустимого, следовательно, защита не нужна.
На электрифицированном транспорте возможны два варианта заземления источников питания: заземление отрицательного электрода (трамвай, метрополитен, эл. ж. д.) и заземление положительного электрода (пригородная железная дорога).
Защитные меры по коррозии оболочек кабелей связи производятся как на установках электрифицированного транспорта, так и на сооружениях связи.
На электрифицированном транспорте осуществляют следующие меры защиты:
- уменьшают сопротивление рельсов путем качественной сварки стыков;
- улучшают изоляцию рельсов от земли (полотно из гравия, щебеня, песка);
- переполюсовывают источники питания так, чтобы заземлялся минусовый электрод.
На сооружениях связи такими мерами защиты являются:
- выбор трассы с менее агрессивным грунтом;
- применение кабелей с герметичными полиэтиленовыми шлангами поверх металлических оболочек;
- электрический дренаж (от электрокоррозии);
- катодные установки (от электрической и почвенной коррозии);
- изолирующие муфты (от электрокоррозии);
- протекторные установки (от почвенной коррозии);
- антивибраторы амортизирующие, рессорные подвески (от межкристаллитной коррозии).
Сталь коррозирует лишь в анодных зонах (при потенциалах, больших чем – 0,9 В). Сталь весьма чувствительна к воздействию кислотных сред и ведет себя довольно стойко в щелочных средах. Кабели связи в стальной оболочке для защиты от коррозии обязательно должны иметь поверх металла герметичную полиэтиленовую оболочку, наносимую в процессе изготовления кабеля.
С целью повышения эффективности защиты дополнительно могут быть применены электромеханические методы защиты с помощью протекторов, катодной защиты, а также электрических дренажей, оборудуемых на участках действий блуждающих токов.
6. Разработка вопросов строительства и монтажа линейных сооружений кабельной магистрали
Волоконно-оптические кабели должны разрабатываться таким образом, чтобы по возможности применялись обычные методы прокладки и предназначенное для них оборудование. Однако такие кабели имеют более низкие предельные нагрузки, чем металлические кабели, а при определенных обстоятельствах могут потребоваться специальные меры предосторожности и мероприятия, позволяющие обеспечить их успешную прокладку. Специального рассмотрения могут потребовать вопросы, касающиеся изгибов и натяжения ОК.
Строительство волоконно-оптических линий связи так же, как и электрических кабельных линий связи, осуществляется строительно-монтажными управлениями (СМУ), а также передвижными механизированными колоннами (ПМК), в системе которых организуются линейные или прорабские участки. Силами этих участков выполняются такие основные виды работ по строительству, как разбивка трассы линии и определение мест установки НРП на местности в соответствии с проектом на строительство, доставка кабеля, оборудования и других материалов на кабельную трассу, испытание, прокладка и монтаж кабеля и оконечных устройств, проведение приемосдаточных испытаний.
Подготовительные работы по строительству ВОЛС.
Строительство и реконструкция ВОЛС осуществляются по утвержденным техническим проектам. В процессе подготовки к строительству, как правило, выполняются следующие основные виды работ: изучается проектно-сметная документация; составляется проект производства работ (ППР); решаются организационные вопросы взаимодействия строительной организации с представителями заказчика; проводится входной контроль поставленного ОК; решаются задачи материально-технического обеспечения; проводится подготовка персонала по выполнению основных строительно-монтажных операций.
Существует два способа прокладки ОК:
-ручной;
-механизированый.
Для прокладки кабеля ручным способом в кабельной канализации используется комплект, который включает в себя следующие устройства и приспособления, которые обеспечиваю качественную прокладку:
Лебедка проволочная ручная;
Устройство для размотки кабеля из барабана кабельного транспортера;
Труба направляющая, гибкая – для введения кабеля через люк колодца от барабана к каналу кабельной канализации;
Комплект люкоогибающих роликов – для направленного прохождения заготовки или кабеля через люк последнего колодца;
Горизонтальная распорка внутренняя и блок кабельный – для внутреннего поворота кабеля в угловом колодце;
Лейки направляющие на трубу кабельной канализации и на полиэтиленовую трубу, проложенную в канале для предотвращения повреждения кабеля и обеспечения необходимого радиуса изгиба на входе и выходе канала;
Чулок кабельный с наконечником – для протяжки кабеля за центральный силовой элемент и полиэтиленовую оболочку;
Компенсатор кручения – для исключения осевого скручивания кабеля;
Противоугон – для предотвращения сдвига вспомогательного трубопровода при его заготовке проводом и тросом;
Динамометр – для контроля растягивающих усилий.
Технология прокладки ОК та же, что и для электрических кабелей связи. Специфика прокладки ОК определяется более низким уровнем допускаемой к ним механической нагрузки, поскольку от нее зависит затухание ОВ.Кроме того, нагрузка, превышающая допустимый уровень, может сразу привести либо к разрыву волокна, либо к дефектам ОВ (микротрещины и т. п.), которые позднее в процессе эксплуатации кабеля за счет действия механизма усталостного разрушения ОВ также при ведут к его повреждению.
В условиях эксплуатации, прокладка и монтаж кабелей производятся
при замене поврежденных участков, изменении емкости или трассы кабеля, а также при реконструкции сети.
В каналы кабельной канализации кабели затягивают через смотровые устройства. Каналы, намеченные для прокладки кабелей, предварительно проверяют и при необходимости прочищают. Прокладка ОК должна производиться при температуре воздуха не ниже минус 10,допускается прокладывать при температуре до минус 20°С после прогрева их на барабанах.
При разработке технологий прокладки ОК необходимо учитывать большие строительные длины ОК, относительно низкий уровень допустимых механических нагрузок на ОК и соответственно их ограничение при прокладке кабеля.
Прокладка ОК в кабельной канализации может выполняться вручную или механизированным способом с использованием комплекта приспособлений для прокладки кабеля.
Для защиты ОК от механических перегрузок при прокладке и эксплуатации следует применять трубы кабельной канализации с уменьшенным коэффициентом трения и использовать при прокладке тяговую систему с распределением тягового усилия.
Для уменьшения трения при затягивании кабеля во вспомогательный трубопровод можно использовать смазочные материалы на основе минеральных масел.
Подготовка кабельной канализации к прокладке ОК включает:
устройство ограждений;
подготовку колодцев;
подготовку каналов кабельной канализации;
прокладку полиэтиленовой трубы (вспомогательного трубопровода) в канале;
заготовку вспомогательного трубопровода.
После установки ограждений открывают люки смотровых устройств и проверяют их на наличие углекислого газа и метана. При наличии газов смотровые устройства вентилируют.
При прокладке ОК в исправные каналы кабельной канализации на небольшие длины пролетов между колодцами применяют машины, ручные лебедки или вручную.
Барабан со снятой обшивкой устанавливают со стороны трассы прокладки так, чтобы сматывание кабеля шло сверху.
Барабан должен свободно вращаться от руки. Конец кабеля освобождают от крепления к барабану, снимают защитный колпачок, снимают защитные покрытия, присоединяют к наконечнику(чулок).
Присоединение ОК к тяговому элементу должно осуществляться обязательно с помощью наконечника за центральный силовой элемент и полиэтиленовую оболочку через компенсатор вращения. Для уменьшения сопротивления трения во время затягивания ОК в канал кабельной канализации его необходимо смачивать либо водой, либо специальными маслами, либо силиконовыми микрошариками.
Для предотвращения повреждения оболочки кабеля краями люков и каналов используют направляющие трубки и люкоогибающие ролики, лейки и поворотные колеса.
На трассе линии связи выбирают центральный колодец и прокладывают кабель в обоих направлениях. После окончания прокладки кабеля его конец около наконечника обрезают и герметизируют полиэтиленовым колпачком.
Запас кабеля, который остается в колодце для монтажа муфты обращают кольцами диаметром 1 - 1,5м, заключают к стене и прикрепляют кронштейном. При следующем монтаже муфты в монтажно-измерительной машине запас кабеля после изложения составляет 8м. Кольца запаса кабеля прикрепляют к стене кабельной канализации.
При монтаже муфты в колодцах запас кабеля может составлять 3,5м. после выкладки кабеля снимают противоугоны, направляющие воронки и другие устройства, и устанавливают их на следующий участок трассы. Потом делают контрольные измерения затухания ОВ, которое должно быть в пределах установленной нормы.
7. Ведомость объема работ на строительство линейных сооружений
Строительные работы:
Замощение асфальтного тротуара
Расчет площади замощения асфальта, который был поврежден при строительстве кабельной канализации, произведем из следующих условий:
- ширина разрушения асфальта для одной трубы составляет 0,45м;
- ширина разрушения асфальта для двух труб составляет 0,7м;
- ширина разрушения асфальта для трех труб составляет 1м;
При расчете площади будем руководствоваться схемой распределительной сети шкафного района (РШ 5-03) и результатами таблицы из раздела 2[подраздел 2.5, таблица 2.2]. В зависимости от количества труб выбираем ширину разрушения асфальта.
l∑тр1=450·Nшр=450·8=3600 м
l∑тр2=210·8=1680 м
l∑тр3=0
S1тр= l∑тр1·0,45=3600·0,45=1620 м2
S2тр= l∑тр2·0,7=1680·0,7=1176 м2
Определим общую площадь замощения асфальтного тротуара:
S∑=1620+1176=2796 м2
Комплекс сооружений и работ по кабельной канализации.
Комплекс сооружений и работ по кабельной канализации при ее средней емкости до трех каналов.
Рассмотрим схему распределительной сети одного ШР. По данной схеме определим длину участков и умножим их на количество каналов на данном участке. Для распределительной сети количество каналов равняется 1.
L=910 м
nкан· L=1·0,91=0,91 кан.км
Умножим данное чиcло на кол-во шкафных районов:
0,91·8=7,28 кан.км
Также 2 канала имеет СЛ к АМТС. По условию Lсл=5 км
nкан· L=2·5=10 кан.км
∑=7,28+10=17,28 кан.км
Комплекс сооружений и работ по кабельной канализации при ее средней емкости от трех до восьми каналов.
Рассмотрим таблицу 2.3 из раздела 2: по данной таблице определим длину участков и умножим их на количество каналов на данном участке.
При nкан=3 : L=3980 мnкан· L=3·3980=11940 кан.км
При nкан=5 : L=4180 мnкан· L=5·4180=20900 кан.км
При nкан=7 : L=900 мnкан· L=7·900=6300 кан.км
∑=11940+20900+6300=39140 м
Комплекс сооружений и работ по кабельной канализации при ее средней емкости более восьми каналов.
Рассмотрим таблицу 2.3 из раздела 2: по данной таблице определим длину участков и умножим их на количество каналов на данном участке.
При nкан=9 : L=600 мnкан· L=9·600=5400 кан.км
∑=5400 м
Монтажные работы:
Комплекс сооружений и работ по магистральной и соединительной сети.
Для определения длины кабеля по магистральной и межстанционной сети воспользуемся таблицей 2.3 из раздела 2:
Lмаг=9310 м
Lмеж=Lсл+2%=5000+0,02·5000=5100 м.
Установочные материалы громоотвода емкостью 25х2.
Воспользуемся схемой магистральной сети. Выпишем последний номер защитной полосы. Он составила 756. Последний номер защитной полосы делим на 25 и округляем до целого большего числа.
Таблица 7.1- Ведомость объема работ на строительство линейных сооружений
| Наименование оборудования и работ |
Единица измерения |
Количество единиц |
| 1.СТРОИТЕЛЬНЫЕ РАБОТЫ 1.1 Замощение асфальтного тратуара 1.2 Комплекс сооружений и работ по кабельной канализации при ее средней емкости - до 3-х каналов - до 8-ми каналов - более 8-ми каналов |
кв. м кан.км кан.км кан.км |
2796 17,28 39,14 5,40 |
| 2. МОНТАЖНЫЕ РАБОТЫ 2.1 Комплекс сооружений и работ по: - магистральной сети; - межстанционной сети; 2.2 Комплекс сооружений и работ по распределительной сети |
км. кабеля км. кабеля км. кабеля (в 50-парн. исчислеrнии) |
9,31 5,1 34,56 |
| 3. МАТЕРИАЛЫ, НЕУЧТЕННЫЕ УКРУПНЕННЫМИ ПОКАЗАТЕЛЯМИ 3.1 Кабель магистр. сети: Кабель ТПппЗП 400х2 Кабель ТПппЗП 800х2 Кабель ТПппЗП 1200х2 3.2 Кабели распределительной сети: Кабель ТПппЗП (в 50-парном исчислении) 3.3 Установочные материалы Полоса громоотводная, емкостью 25х2 |
км км км км шт. |
3,98 4,18 1,5 34,56 31 |
Выводы
Выполнив данную курсовую работу мы изучили основы проектирования нового микрорайона города. Мы рассчитали параметры медного кабеля для магистральной и распределительной сетей, используя кабель ТПппЗП 30х2х0,64. Была построена городская телефонная сеть на 5000 абонентов. Мы произвели расчеты параметров передачи и оптического кабелей.
Также был произведен расчет внешних влияний на кабельную линию. Он показал, что в аварийном режиме работы наведенная ЭДС в оболочке кабеля удовлетворяет норме, а в нормальном режиме работы она превышает значение нормы. Поэтому пришлось проводить меры защиты, т.е. был произведен расчет расстояния, на которое нужно отнести кабель для его защиты от влияний ЛЭП – акр. Наведенная ЭДС удовлетворяет норме Енорм=42В при акр=760м.
Рассчитав вероятность повреждения кабеля молнией мы можем сказать, что дополнительной защиты не требуется.
При расчете коррозии блуждающими токами мы пришли к выводу, что дополнительной защиты от коррозии не требуется.
В последнем разделе мы подвели итого, т.е привели ведомость по необходимым затратам на строительство линейных сооружений.
Список литературы
1. Гроднев И. И., Верник С. М. Линии связи: Учебник для вузов. – 5-е изд., перераб. и доп.-М.: Радио и связь, 1988.-544 с.: ил.
2. Гроднев И.И., Курбатов Н.Д. Линейные сооружения связи. Учебник для вузов. 3-е изд, доп. и перераб.-М., «Связь», 1974.-544 с.:ил.
3. Строительство кабельных сооружений связи: Справочник/С 86 Д.А.Барон, И.И. Гроднев, В.Н. Евдокимов и др. – 4-е изд., перераб. и доп. – М.: Радио и связь, 1988. – 768 с.:ил.
4. Городские телефонные кабели: Справочник, 3-е изд., перераб. и доп./А.С. Брискер, А.Д. Руга, Д.Л. Шарле; Под ред. А.С. Брискера. – М.: Радио и связь, 1991. – 208 с.: ил.
5. Оптические системы передачи: Учебник для студентов вузов/ В.И.Корнейчук, Т.В.Макаров, И.П.Панфилов. – К.: Техника,1994. – 388 с.:ил.
6. Корнейчук В.И., Макаров Т.В., Панфилов И.П., Проживальский О.П. Проектирование волоконно-оптических систем передачи: Учеб. пособие/ Укр. государственная академия связи им. А.С.Попова. Одесса,1999. 119с.
7. Сборник методических указаний к ЛР по курсу «Линии передач»/ Сост. проф. Одинцов Н.Н., проф. Бондаренко О.В., преп. Болдырев Н.А., доц. Панюта И.Н., преп. Баларич А.В., - Одесса, 2008.
8. http://www.nevacables.ru/product/tppzp , - сайт Невского кабельного завода “Невакабель”.