| Скачать .docx |
Реферат: Регуляторы яркости "Старт"
Оглавление
1. История
2. Неисправности регуляторов типа "Старт"
Регуляторы яркости "Старт" выпускаются отечественной промышленностью на номинальные мощности 4, 8, 16, 24, 32 кВ*А и применяются для питания огней системы посадки "Свеча-3".
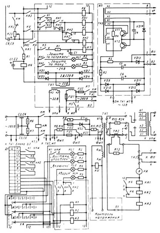
Конструктивно, регулятор представляет собой шкаф, разделенный на верхний и нижний отсеки. В верхнем отсеке расположены блок управления, амперметр для контроля тока нагрузки, микроамперметр для контроля изоляции кабельного кольца, переключатель управления режима работы регулятора и светосигнализаторы: "Включено", "Дистанционное управление", "Авария", "Изоляция понижена".
В блок управления входят следующие функциональные блоки: функциональный преобразователь ФП, усилитель рассогласования УР, фазоимпульсный преобразователь ФИП, источник питания ИП, блок задания БЗ, устройство контроля изоляции УКИ. Каждый был смонтирован на унифицированном шасси с колодкой разъема. При установке блока ножевая колодка разъема стыкуется с вилкой, расположенной на задней стенке корпуса блока управления. Ниже блока управления располагается панель, на которой установлены реле защиты по току и напряжению, а также тиристоры и предохранители.
В нижней части шкафа располагаются элементы силовой цепи: трансформатор тока, магнитный пускатель, силовой повышающий трансформатор, выводы для подвода питания 380 В, 50 Гц и для подключения кабеля нагрузки.
Структурная схема регулятора. Напряжение питания поступает на силовой трансформатор TV1 (рис. 1.1) через блок тиристоров VS1, VS2. В цепь вторичной обмотки силового трансформатора последовательно нагрузке включен токовый трансформатор ТА2, с которого сигнал обратной связи поступает во входную цепь обратной связи, где включены амперметр РА для контроля тока нагрузки, реле максимального тока КА1, КА2 и реле минимального тока КАЗ.

Рис. 1.1. Структурная схема регулятора яркости типа «Старт»
С входной цепи сигнал обратной связи поступает на функциональный преобразователь ФП, где выпрямляется и преобразуется для обеспечения однозначного изменения действующего значения тока нагрузки и среднего значения тока обратной связи. Преобразованный Сигнал сравнивается с опорным сигналом, источником которого является стабилизатор в блоке задания БЗ. Разностный сигнал подается на усилитель рассогласования УР, усиливается и подается на фазоимпульсный преобразователь ФИП, который в зависимости от значения сигнала, поступающего с усилителя, изменяет фазу управляющих импульсов, подаваемых на тиристоры VS1, VS2. Тиристоры включены последовательно в первичную цепь силового трансформатора по встречно-параллельной схеме. Такая схема обеспечивает регулирование тока в силовой цепи в положительный и отрицательный полупериоды синусоидального напряжения.
Включение регулятора. При подаче питающего напряжения 380 В, 50 Гц на клеммы 3, 4 силовой части регулятора питается трансформатор TV1 блока БЗ и от него схема УКИ (рис. 1.2).

Рис. 1.2. Электрическая схема силовой части, элементов БЗ и ИП
схема регулятор напряжение
Включение регулятора производится галетным переключателем ХА, который при местном управлении устанавливается на требуемую ступень яркости. В зависимости от выбранной ступени яркости включается одно из реле К1, К2, КЗ или их комбинация. Замыкающие контакты 8, 7 этих реле включают питание обмотки реле К5 через контакты реле КН1, КН2. Реле К5 включается и контактами 5, 6 подает питание на трансформатор TV1 источника питания, а контактами 7, 8 на обмотку реле К7. С выдержкой времени, определяемой цепочкой R1, С1, реле К7 (рис. 1.3) включается и своими контактами 5, 6 включает питание обмотки магнитного пускателя КМ, который подает питание на силовую часть регулятора. Контакты 7, 8 реле К7 снимают блокировку со входа стабилизатора тока VT1, VТ2, VT3 (рис. 1.4) блока БЗ, а контакты 9, 10 снимают блокировку с выхода стабилизатора на транзисторах VT1, VT2, VT3 блока ФП (рис. 1.5).
Для сигнализации о наличии тока в цепи нагрузки служит реле минимального тока КАЗ (см. рис. 1.2). Если ток в цепи нагрузки равен току первой ступени яркости и более, то реле КАЗ включается и своими замыкающими контактами включает питание обмотки реле К6, которое своими контактами 7, 8 подает питание на лампочку сигнализации HL3 "Включено". Если ток в цепи нагрузки будет менее 3 А, то реле КАЗ не включится и через его размыкающий контакт напряжение поступает на цепочку С8, С9, R25. После заряда конденсаторов С8, С9 напряжение поступает на реле КН1, которое включается и своим размыкающим контактом отключает реле К5, а другим контактом 10, 11 становится на самоблокировку.
Реле K5 отключает питание обмотки реле К7, которое своими контактами 5, 6 отключает питание обмотки магнитного пускателя КМ и силовая часть обесточивается. О данном режиме работы регулятора сигнализирует лампа HL1 "Защита по напряжению" в блоке БЗ и лампа HL4 "Авария" на панели управления регулятора.
При дистанционном управлении регулятором яркости переключатель ХА ставится в положение Д. В этом случае сигналы на включение реле К1, К2, КЗ поступают с аппаратуры дистанционного управления через выводы 2, 3, 4 разъема ДУ. При нормальной работе регулятора контакты реле К6 выдают сигнал на выводы 6, 7 и 10, 11 разъема ДУ. При аварии регулятора с контактов КН1, КН2 подается сигнал на выводы 7, 8 разъема ДУ.

Рис. 1.3. Электрическая схема источника питания

Рис. 1.4. Электрическая схема УР и элементов БЗ

Рис. 1.5. Электрическая схема ФП и элементов БЗ
Схема защиты по току. Она состоит из двух токовых реле КА1, КА2 и промежуточного реле К4. Обмотки реле KA1, КА2 последовательно включены в цепь вторичной обмотки токового трансформатора ТА2. Резистор R13 ограничивает ЭДС, возникающие на вторичной обмотке ТА2 при переходных процессах.
Реле КА1 отрегулировано на ток нагрузки, превышающий на 5 % номинальное значение, а КА2 - на 10 %. При нормальной работе регулятора обмотка реле КА2 блокируется контактом реле К4, поэтому ток в цепи обратной связи протекает толькочерез обмотку реле КА1.
При увеличении тока нагрузки на 5 % реле КА1 включается и своими контактами запитывает цепь обмотки реле К4, которое включается после заряда конденсаторов С1, С2. Выдержка на включение реле К4 необходима для устранения срабатывания защиты по току при кратковременных повышениях тока нагрузки.
По истечении времени выдержки реле К4 включается и своими контактами подготавливает цепь питания обмотки реле КН2, блокирует обмотку реле КА1 и снимает блокировку с обмотки реле КА2, которое включается при повышении тока нагрузки на 10 %. Контакт реле КА2 включает питание обмотки реле КН2, последнее включается, становится на самоблокировку и включает реле К5. Контакт реле К5 отключает реле К7, что приводит к отключению магнитного пускателя. Второй контакт КН2 включает лампу сигнализации HL4 "Авария" на пульте управления регулятора и HL2 "Защита по току" в блоке БЗ. Третий контакт КН2 включает сигнализацию на выводы 8, 9 разъема ДУ.
Защита по напряжению. Она обеспечивается с помощью реле KV, которое включено в цепь дополнительной обмотки силового трансформатора. При повышении выходного напряжения регулятора на
20 % выше номинального реле KVвключается и своими контактами включает питание обмотки реле КН1, последнее становится на самоблокировку и отключает реле К5. Оно в свою очередь отключает реле К7, последнее отключает магнитный пускатель КМ. Кроме того, контакты реле КН1 включают лампы сигнализации HL4 "Авария" и HL1 "Защита по напряжению".
Для повторного включения регулятора яркости после срабатывания защиты по току или напряжению устанавливают переключатель управления ХА в нулевое положение, а затем на одну из ступеней яркости.
Блок управления осуществляет преобразование сигнала обратной связи; его сравнение с опорным сигналом; усиление сигнала рассогласования; формирование управляющих импульсов и изменение их фазы для стабилизации действующего значения тока нагрузки регулятора.
Рассмотрим принципиальные электрические схемы функциональных блоков и их работу.
Функциональный преобразователь (см. рис. 1.5) служит для преобразования среднего значения сигнала обратной связи по току в сигнал, пропорциональный действующему значению тока нагрузки регулятора при различных углах включения силовых тиристоров, т.е. при различных значениях коэффициента формы кривой регулируемого тока. С этой целью выходная характеристика ФП имеет вид функции, близкой к квадратичной, которая обеспечивается методом кусочно-линейтной аппроксимации с помощью шести ступеней.
В схему ФП входит стабилизатор опорного напряжения, собранный на транзисторах VT1, VT2, VT3. Резистором R29 регулируется напряжение. Резисторы (R5 + R6), (R9 + R10), (R13 + R14), (R17 + R18), (R21 + R22), (R25 + R26) служат для создания пороговых напряжений диодных ступеней VD5... VD10. Сопротивление данных резисторов должно быть равно, кОм: R5 + R6 = 55,5 кОм; R9 + R10 = 28,85 кОм, R13 + RU = 19,32 кОм; R17 + R18 = 14,62 кОм; R21 + R22 = 11,82 кОм; R25 + R26 = = 9,9 кОм.
Резисторы R7 + R8, R11 + R12, R15 + R16, R19 + R20, R23 + R24, R27 + R28 создают наклон аппроксимирующих прямых соответствующих диодных ступеней. Резисторы R2, R3, R4 определяют коэффициент передачи функционального преобразователя.
Входной сигнал обратной связи снимается с вторичной обмотки токового трансформатора ТАЗ (см. рис. 1.3), выпрямляется диодами VD1... VD4 (см. рис. 1.5) и подается на схему диодных ступеней VD5... VD10. Когда входной сигнал превысит опорное напряжение для диода VD5, последний открывается и к резисторам R2, R3, R4 параллельно подключаются R7, R8. При входном сигнале, превышающем опорное напряжение диода VD6, к резисторам R2, R3, R4 параллельно подключаются резисторы R7, R8, R11, R12 и т. д.
Вследствие этого зависимость выходного сигнала ФП от значения входного напряжения имеет вид, близкий к квадратичной.
Основные технические данные блока ФП
Напряжение, В:
входное ……………………………………………………….. 0...24
выходное …………………………………………………....... 0...10
Сопротивление нагрузки, кОм ………………………………. 10
Потребление тока по цепям опорного напряжения, мА …… 50
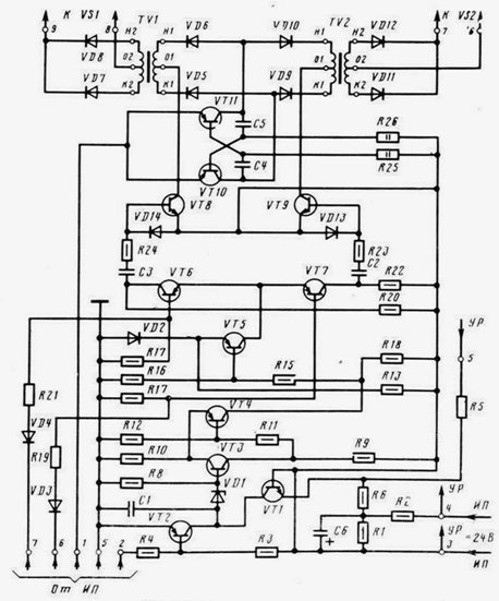
Усилитель рассогласования (см. рис. 1.4). Он выполнен по схеме МДМ (модуляция-усиление-демодуляция). Такая схема усиления позволяет получить малый температурный дрейф, что повышает стабильность работы схемы авторегулирования.
Модулятор выполнен по мостовой схеме. Два плеча моста образованы коллекторным и эмиттерным переходами транзистора VT10, а два других - резисторами R2, R3, R4. К одной диагонали моста (база транзистора VT10 - движок потенциометра R3) подводится коммутирующее напряжение прямоугольной формы с частотой 1000 Гц, поступающее с резистора R25 и минусом приложенное к базе VT10. С другой диагонали моста снимается выходной сигнал модулятора, имеющий также форму прямоугольных импульсов, амплитуда которых изменяется по закону амплитуды входного сигнала рассогласования.
Транзистор VT10 работает в ключевом режиме. В открытом состоянии транзистора VT10 входной сигнал замыкается через малое сопротивление коллекторного перехода. В закрытом состоянии транзистора входной сигнал проходит на вход первого усилительного каскада, собранного на транзисторе VT1.
Усилитель переменного тока выполнен на транзисторах VT1 ... VT5. Коллекторное напряжение двух каскадов стабилизировано стабилитроном VD2, что необходимо для устранения явлений ложной модуляции при колебаниях питающего напряжения. Явление ложной модуляции вызвано перезарядом конденсатора С1 при случайных колебаниях питающего напряжения в первом каскаде, что воспринимается модулятором как изменение входного сигнала.
Режим усилителя первого каскада, собранного на транзисторе VT1, определяется резисторным делителем напряжения R5, R6, Второй каскад собран на транзисторе VT2 и представляет собой эмиттерный повторитель. Напряжение с резистора R11 через конденсатор СЗ подается на базу транзистора VT3, на котором собран третий каскад по схеме с общим эмиттером. Для уменьшения нелинейных искажений в первом и третьем каскадах усилителя используется обратная отрицательная связь по переменному току, что осуществляется резисторами R8 и RI5 в эмиттерных цепях транзисторов VT1 и VT3.
С коллектора транзистора VT3 сигнал поступает через конденсатор С4 в первичную обмотку трансформатора TV1, вторичная обмотка которого включена в базовые цепи транзисторов VT4, VT5. Оконечный каскад усилителя собран по двухтактной схеме на транзисторах VT4, VT5, которые работают поочередно в течение соответствующего периода входного напряжения и пропускают токи прямоугольной формы. Напряжение смещения снимается с диода VD1, который одновременно осуществляет температурную стабилизацию выходного каскада. Корректирующая цепочка R20, С6 уменьшает броски напряжения на коллекторах транзисторов VT4 и VT5, обусловленные индуктивностью выходного трансформатора TV2.
Выходное напряжение усилителя переменного тока снимается с вторичной обмотки трансформатора TV2 и подается на демодулятор, который собран на транзисторах VT6 ... VT9 по двухполупериодной схеме. Два плеча демодулятора VT6, VT7 и VT8, VT9 представляют собой ключи, работающие синхронно с модулятором, так как их управление осуществляется прямоугольными импульсами с трансформатора TV3. Каждое плечо, состоящее из двух встречно включенных транзисторов, обладает двусторонней проводимостью в момент, когда потенциал баз отрицателен. Это обеспечивает надежное открытие и запирание плеч демодулятора при любой полярности напряжения сигнала переменного тока в пределах его рабочего значения. Фаза напряжения на вторичной обмотке трансформатора TV2 по отношению к коммутирующему напряжению определяется полярностью сигнала на выходе усилителя переменного тока. Выходное напряжение демодулятора формируется на конденсаторе СЗ, с которого сигнал поступает на вход схемы фазоимпульсного преобразователя.
В случае импульсного изменения тока в цепи нагрузки регулятора сигнал с входа УР передается конденсатором С8 непосредственно на выход демодулятора и корректирует его выходное напряжение.
Основные технические данные усилителя
Коэффициент усиления, дБ ..........................................................28...35
Сопротивление нагрузки, кОм …………………………………… 2
Входное сопротивление, кОм ……………………………………. 10
Напряжение питания, В …………………………………………... 24
Дрейф нуля, приведенный к входу, не более, мкВ/º ……………. 40
Несущая частота, кГц …………………………………………… 1...1,5
Фазоимпупьсный преобразователь (ФИП) обеспечивает формирование управляющих импульсов и регулировку их фазы в зависимости от входного сигнала.
В схему ФИП (рис. 1.6) входят следующие каскады: управляющий каскад на транзисторах VT1 и VT2; триггер Шмидта на транзисторах VT3, VT4; электронный коммутатор, собранный на транзисторах VT5, VT6, VT7 и предназначенный для распределений запускающих импульсов по двум каналам; электронные ключи на транзисторах VT8, VT9 служат для включения питания мультивибратора; генератор управляющих импульсов собран по схеме мультивибратора на транзисторах VT10, VT11.
Входной сигнал управления с конденсатора С7 схемы усилителя рассогласования подается через резисторы R1, R6, R5 на базу-эмиттер транзистора VT1, включенного, по схеме с общей базой и выполняющего роль регулируемого сопротивления. Через резисторы R2, 1 на базу-эмиттер транзистора VT1 подается также стабилизированное напряжение от источника питания, которое имеет полярность, способствующую открытию транзистора. Следовательно, выходное сопротивление транзистора VT1 определяется напряжением источника стабилизированного напряжения и выходным сигналом усилителя рассогласования.
Заряд конденсатора С1 проходит через коллекторно-эмиттерный переход транзистора от значения сопротивления которого зависят время заряда, а следовательно, и фаза управляющих импульсов. Значение заряда конденсатора С1 определяется напряжением пробоя стабилитрона VD1, Разряд конденсатора С1 происходит в конце полупериода синхронизирующего напряжения, которое подается на базу транзистора VT2 через резистор R4. На базу транзистора VT2 подается и напряжение смещения через резистор R8. Полярность напряжения смещения такова, что определяет открытое состояние транзистора VT2, а полярность синхронизирующего напряжения противоположна смещению. Поэтому транзистор VT2 открывается в момент перехода синхронизирующего напряжения через нуль, а при наличии синхронизирующего напряжения происходит заряд конденсатора С1 до момента пробоя стабилитрона VD1. Разряд конденсатора С1 происходит через транзистор VТ2 при его открытии.
Напряжение на резисторе R8, образуемое коллекторным током транзистора VT1 приложено минусом к базе и плюсом к эмиттеру транзистора VT3 и открывает его. При этом транзистор VT4 закрывается, что приводит к открытию транзистора VT5. В этом случае эмиттерные цепи транзисторов VT6, VT7 подключаются к плюсу источника питания 24 В, но открывается лишь тот транзистор, на базу которого а данный момент поступает синхронизирующее напряжение через диоды VD3, VD4 и резисторы R19, R21. Синхронизирующее напряжение совпадает по фазе с питающим напряжением сети, а транзистор VТ5 открывается с задержкой. Например, если синхронизирующее напряжение в данный момент поступает на базу транзистора VТ7 через диод VD3 и резистор R19, то при открытии транзистора VT5 появится цепь для эмиттерного тока транзистора VT7, и он откроется. Импульс напряжения с коллектора VT7 через конденсатор С2 и резистор R23 подводится на базу транзистора VT9, который откроется до насыщения. Резистор R23 и конденсатор С2 образуют дифференцирующую цепочку, которая служит для уменьшения длительности запускающего импульса. Через коллекторно-эмиттерный переход транзистора VT9 подводится минус 24 В источника питания на коллекторы транзисторов VT10, VT11 схемы мультивибратора, который начинает вырабатывать прямоугольные импульсы частотой 2...3 кГц в течение времени открытого состояния транзистора VT7.

Рис. 1.6. Электрическая схема ФИП
Коллекторной нагрузкой транзисторов VT10, VT11 служат импульсные трансформаторы TV1, TV2. При открытии транзистора VT9 коллекторный ток транзисторов VT10, VT11 протекает по обмотке трансформатора TV2. В этом случае прямоугольные импульсы мультивибратора трансформируются во вторичной обмотке трансформатора TV2, выпрямляются диодами VD11, VD12 и подаются к выводам на управляющий электрод и катод тиристора VS2. Диоды VD5, VD6, VD9, VD10 обеспечивают разделение цепей питания транзисторов VT10, VT11 через трансформаторы TV1 и TV2. В момент подачи управляющего импульса питающее напряжение должно иметь полярность, при которой положительный потенциал подается на анод, а отрицательный на катод тиристора. Это обеспечивается электронным коммутатором на транзисторах VT6, VT7, переключением которых управляет синхронизирующее напряжение. Например, если в рассматриваемый момент времени положительный полупериод питающего напряжения приложен к аноду тиристора VS1, то синхронизирующее напряжение поступает через диод VD4 на базу VT6. При изменении полярности питающего напряжения синхронизирующее напряжение поступает через диод VD3 на базу VT7. Форма импульсов блока ФИП приведена на рис. 1.7.
Блок задания (см. рис. 1.2) обеспечивает перевод регулятора в необходимый режим работы, предусмотренный схемой: местное управление, дистанционное управление, переключение ступеней яркости. Выбор режима производится переключателем ХА.
Трансформатор TV1 осуществляет питание катушек реле, ламп сигнализации блока задания и панели управления регулятора.
Стабилизатор напряжения собран на транзисторах VT1, VT2, VT3 (см. рис. 1.4) и служит для получения опорного сигнала, который регулируется потенциометрами R9, R17, R24 и сравнивается с сигналом обратной связи на входе усилителя рассогласования.
Для подстройки точности стабилизации служат резисторы: R24 - на первой и второй ступенях яркости; R17 - на третьей и четвертой; R9 -на пятой. Потенциометры вынесены на переднюю панель блока задании с надписью "Подстройка".
Для установки тока нагрузки на ступенях яркости служат потенциометры: R19 - первая ступень; R20 - вторая; R21 - третья; R22 -четвертая; R23 - пятая. Они вынесены на переднюю панель блока с надписью "Уставка тока".
Контрольная точка |
Форма напряжения | Амплитуда, В | Примечание |
| а) | ![]() |
50-55 | |
| б) | ![]() |
11-13 | |
| в) | ![]() |
14-16 | |
| г) | ![]() |
||
| д) | ![]() |
||
| е) | ![]() |
5-12 | При измерениях осциллограф не заземлять |
| ж) | ![]() |
При измерениях осциллограф не заземлять | |
| з) | ![]() |
Рис. 1.7. Осциллограммы напряжений регулятора яркости типа «Старт»: а – ФИП база-эмиттер VT2; б – ФИП конденсатор C1; в – ФИП коллектор VT3; г – на резистор R23; д – на резистор R24; е – управляющий электрод VS2; ж – управляющий электрод VS1; з – ИП Т TV3 (H3, K3)
Предохранители FU1, FU2 (см. рис. 1.3) обеспечивают защиту трансформатора TV1 от короткого замыкания в цепях управления и обмотки магнитного пускателя.
Устройство контроля изоляции (УКИ). Принципиальная электрическая схема УКИ (рис. 1.8) состоит из источника питания, усилителя постоянного тока и измерительной цепи.
Источник питания состоит из стабилизатора напряжения 24 В, собранного на транзисторах VT6... VT8, и преобразователя на транзисторах VT9, VT10, собранного по схеме мультивибратора, нагрузкой которого служит трансформатор TV1.

Рис. 1.8. Электрическая схема УКИ
Его вторичная обмотка питает схему выпрямителя-удвоителя напряжения {VD9, VD10, С4, С5), с выхода которой снимается напряжение 500 В. Минус источника тока напряжением 500 В подключен к корпусу регулятора, а плюс 500 В поступает через резисторы R1, R3 переключатель SA1 установки срабатывания схемы контроля УКИ, микроамперметр РА, резисторы R15 ... R24 на высоковольтный вывод силового трансформатора ТV1.
Усилитель постоянного тока собран по схеме составного эмиттерного повторителя на транзисторах VT1, VT2. Выход усилителя подключен к выводу триггера на транзисторах VT3, VT4. На транзисторе VT5 собран усилитель мощности, в коллекторную цепь которого включена обмотка реле К1.
Устройство контроля изоляции работает следующим образом. При снижении сопротивления изоляции до 1 МОм включены резисторы R1, R3, R2, R4. При этом входной сигнал с резисторов R1, R3 или R2, R4 усиливается транзисторами VT1, VT2 и поступает на базу транзистора VТ3, который открывается, а транзистор VT4 закрывается. Это обеспечивает переход транзистора VT5 в режим насыщения, и реле К1 включается. Контакт реле К1 включает лампу HL1 "Изоляция понижена" на панели управления регулятора. Если происходит кратковременное увеличение тока утечки изоляции измеряемой цепи, то исходное состояние схемы восстанавливается автоматически в связи с использованием триггера Шмидта, схема которого возвращается в исходное состояние, а транзистор VT5 закрывается и отключает реле К1.
Выбор уставки срабатывания схемы УКИ осуществляется переключателем SA1. В процессе работы регулятора яркости переключатель SA1 устанавливается в положение "1 МОм" или "4 МОм" в зависимости от состояния кабельного кольца.
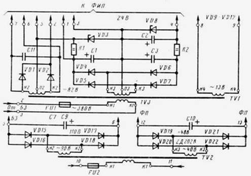
Источник питания (см. рис. 1.3) состоит из двух трансформаторов TV1, TV2, пяти выпрямительных мостов и генератора прямоугольных импульсов.
Напряжение, снимаемое с выводов Н2,К2 обмотки трансформатора TV1, используется для синхронизации фазоимпульсного преобразователя с напряжением питающей сети. Для питания усилителя рассогласования и фазоимпульсного преобразователя используется напряжение с выводов НЗ, КЗ обмотки трансформатора, которое выпрямляется диодами VD4 ... VD7, стабилизируется стабилитронами VD3, VD8. Конденсаторы С1, С2, СЗ и резистор R2 образуют сглаживающий фильтр.
На модулятор усилителя рассогласования подается напряжение с обмотки НЗ, КЗ трансформатора TV3 генератора прямоугольных импульсов, собранного на транзисторах VT1, VT2 (см. рис. 1.5). Генератор вырабатывает прямоугольные импульсы с частотой 1000 Гц. Питание его осуществляется напряжением 12 В, снимаемым с обмотки Н4, К4 трансформатора TV1 (см. рис. 1.3) и выпрямленным диодами VD9 ... VD12. Конденсаторы С5, С6 и резистор R3 образуют фильтр для сглаживания пульсаций.
Напряжение, снимаемое с обмотки Н2, К2 трансформатора TV2 и выпрямленное диодами VD15... VD18, подается в блок задания на стабилизатор напряжения, собранный на транзисторах VT1, VT2, VT3 (см. рис. 1.4). Для питания функционального преобразователя используется напряжение обмотки НЗ, КЗ трансформатора TV2. После выпрямления диодами VD19 ... VD22 напряжение 40 В подается на стабилизатор VT1, VT2, VT3 (см. рис. 1.5), с которого снимается стабильное напряжение 36 В.
Работа схемы регулятора по стабилизации тока нагрузки. При включении регулятора на одну из ступеней яркости контактами реле К1, К2, КЗ (см. рис. 1.5) подключается к входу блока ФП соответствующая цепь регулирующих резисторов блока БЗ: резисторы R10, R19 на первой ступени яркости; R11, R20 - на второй; R12, R21 - на третьей; R13, R14, R22 - на четвертой; R15, R16, R23 - на пятой. Кроме того, контакты К1, К2, КЗ производят ступенчатое переключение опорного напряжения блока БЗ (см. рис. 1.4), которое подается на вход блока УР совместно с выходным напряжением блока ФП. На первой и второй ступенях опорное напряжение снимается с резистора R24, на третьей и четвертой - с R17, на пятой-с R9.
Опорное напряжение блока БЗ и выходное напряжение блока ФП на входе блока УР имеют противоположную полярность. Разностный сигнал в момент отсутствия коммутирующего напряжения на транзисторе VT10 блока УР заряжает конденсатор C1 через резисторы R1, R6.
При токе нагрузки регулятора яркости меньше номинального значения разностный сигнал заряжает конденсатор С1 и на резисторе R6 создается напряжение, плюсом приложенное к базе, а минусом к эмиттеру транзистора VT1, что вызывает уменьшение коллекторного тока. При этом на коллекторе транзистора VT1 напряжение увеличивается, что приводит к большему открытию транзистора VT2 и к под-заряду конденсатора СЗ. Зарядный ток конденсатора С3 создает на резисторе R13 напряжение, приложенное минусом к базе транзистора VT3. Коллекторный ток транзистора VT3 увеличивается, а напряжение на коллекторе уменьшается. Конденсатор С4 будет разряжаться через коллекторно-эмиттерный переход транзистора VT3 и первичную обмотку H1, К1 трансформатора TV1.
На вторичной обмотке Н2, К2 появится напряжение, минусом приложенное к базе VТ4 и плюсом к базе транзистора VT5. Коллекторный ток транзистора VT4 увеличивается и, протекая по первичной обмотке H1, К1 трансформатора TV2, индуктирует на вторичной обмотке Н2, К2 напряжение, приложенное минусом к коллектору транзистора VT6, а плюсом - к VT8. В этот момент коммутирующий импульс трансформатора ТVЗ не поступает на базу транзистора VT10, так как имеет полярность коммутирующего напряжения (минус на выводе К4 и плюс на Н4). Такая же полярность коммутирующего напряжения будет и на других обмотках трансформатора TV3. Следовательно, коммутирующее напряжение на обмотке Н2, К2 открывает транзисторы VT6, VT7 демодулятора, через которые происходит заряд конденсатора С7.
При изменении полярности коммутирующего напряжения (плюс на выводе К4 и минус на Н4 трансформатора TV3) транзистор VT10 открывается и конденсатор С1 разряжается через его коллекторно-эмиттерный переход и резистор R6. Разрядный ток конденсатора С1 создает на резисторе R6 напряжение, приложенное плюсом к эмиттеру и минусом к базе транзистора VT1, что приводит к увеличению его коллекторного тока. Значение напряжения на коллекторе транзистора VT1 и на базе VT2 уменьшается. Сопротивление коллекторно-эмиттерного перехода транзистора VT2 увеличивается и конденсатор СЗ начинает разряжаться через резисторы R11, R13. Разрядный ток конденсатора С3 создает на резисторе RJ3 напряжение, приложенное плюсом к базе и минусом к эмиттеру транзистора VT3, что приводит к уменьшению его коэффициента усиления. В этом случае конденсатор С4 начинает заряжаться через резистор R14 и первичную обмотку трансформатора ТV1 На вторичной обмотке трансформатора ТV1 индуктируется напряжение, минусом приложенное к базе транзистора VT5, а плюсом - к VT4. Транзистор VТ5 открывается и его коллекторный ток протекает по обмотке трансформатора TV2, индуктирует на вторичной обмотке напряжение, минусом приложенное к коллектору транзистора VT8 и плюсом к коллектору VT6. Так как коммутирующее напряжение имеет полярность минус на началах, а плюс на концах обмоток TV3, то открываются транзисторы VT8, VT9. Заряд конденсатора С7 происходит по цепи: минус с вывода К2 трансформатора TV2, коллекторно-эмиттерные переходы транзисторов VT8, VT9, верхняя обкладка конденсатора С7; плюс с вывода 201 трансформатора TV2 на нижнюю обкладку конденсатора С7.
Таким образом, когда сигнал обратной связи на входе блока УР уменьшается, то на конденсатор С7 поступает напряжение с демодулятора, минусом приложенное к верхней его обкладке и плюсом к нижней.
Разряд конденсатора С7 происходит через резисторы R5, R6,R1 (см. рис. 1.6). Ток разряда создает на резисторах R6, R1 напряжение, приложенное минусом к эмиттеру и плюсом к базе транзистора блока ФИП. При этом коэффициент усиления транзистора VT1 увеличивается, а время заряда конденсатора С1 уменьшается, что приводит к уменьшению угла включения тиристоров, а следовательно, к увеличению тока нагрузки. При этом увеличивается и сигнал обратной связи на выходе блока ФП. Разностный сигнал на входе блока УР уменьшается, что приводит к уменьшению подзаряда конденсатора С7 (см. рис. 1.4).
При токе нагрузки регулятора яркости больше номинального выходное напряжение блока ФП превышает опорное напряжение на входе блока УР. Это приводит к изменению полярности выходного напряжения демодулятора и к перезаряду конденсатора С7. Тогда напряжение на резисторах Rl, R6 от разрядного тока конденсатора С7 (плюс на эмиттер и минус на базу) приводит к увеличению выходного сопротивления транзистора VT1.
На каждой ступени яркости при номинальной нагрузке схемой авторегулирования устанавливается определенный угол включения Тиристоров: на первой ступени – α1 , на второй – α2 , на третьей – α3 , и т.д. При этом α1 > α2 > α3 > α4 > α5 . Т. е. с увеличением номера ступени угол включения уменьшается.
Точность стабилизации тока нагрузки определяется нагрузочной характеристикой IH = f(RH ). Для снятия нагрузочной характеристики используют нагрузочный стенд CHAP или нагрузочное сопротивление, у которого меняется сопротивление ступенчато в пределах 25, 50, 75 и 100 % номинальной нагрузки. Для регуляторов типа "Старт" допускается отклонение выходного тока регулятора в пределах: ±3 % номинального значения для первой, второй, третьей и четвертой ступеней яркости и +1,5; -3 % для пятой ступени яркости.
Для снятия нагрузочной характеристики устанавливают переключатель управления регулятором на пятую ступень яркости при 100 %-ной номинальной нагрузке и резистором “Уставка тока” для пятой ступени устанавливают значение тока 8,3 А. Затем ступенчато изменяют нагрузку регулятора в пределах 75, 50, 25 % номинальной нагрузки и фиксируют ток нагрузки; по данным гонкам строят нагрузочную характеристику.
Если при уменьшении сопротивления нагрузки выходной ток увеличивается, то потенциометром "Уставка тока" для пятой ступени яркости при 100 %-ной номинальной нагрузке Рн уменьшают выходной ток на 1 % от значения 8,3 А, а потенциометром "Подстройка" для пятой ступени выставляют ток 8,3 А. Такую операцию повторяют столько раз, пока не добьются, чтобы при уменьшении сопротивления нагрузки выходной ток имел тенденцию уменьшаться, но не был больше 8,05 А.
Аналогично строят нагрузочную характеристику для других ступеней яркости и производят настройку точности стабилизации, учитывая, что выходной ток равен: для первой ступени - 4,3 А; второй - 5,1 А; третьей - 5,8 А; четвертой - 7,1 А.
Если при уменьшении сопротивления нагрузки выходной ток уменьшается ниже допустимого значения: для первой ступени - 4,17 А; второй - 4,95 А; третьей - 5,63 А; четвертой - 6,9 А; пятой - 8,05 А, то потенциометром "Уставка тока" увеличивают выходной ток на 1 % номинального значения, а потенциометром "Подстройка" выставляют номинальное значение выходного тока. Подобную операцию повторяют несколько раз, пока не добьются, чтобы при уменьшении сопротивления нагрузки выходной ток уменьшался, но не выходил за нижний допустимый предел:
Если при настройке используется не стенд "СНАР-1", а нагрузочное сопротивление, тогда дополнительно снимают перемычку П1 и включают в разрыв амперметр класса точности 0,5. После проведения настройки амперметр отключают, а перемычку устанавливают на место.
2. Неисправности регуляторов типа "Старт"
Преимуществом регуляторов яркости типа "Старт" является то, что блок управления состоит из отдельных функциональных блоков с подключением через штепсельные разъемы. Поэтому в случае выхода из строя регулятора яркости можно быстро его восстановить путем замены блоков, а потом производить ремонт неисправного блока.
Неисправный блок вначале подвергается внешнему осмотру, затем подключают его с помощью гибкого удлинителя к схеме регулятора.
При ремонтных работах регулятор подключают к испытательному стенду "СНАР-1" или к нагрузочному сопротивлению. Для ускорения поиска причины для регуляторов заранее снимают карту напряжений при работе исправного регулятора. На картах указываются напряжения источников питания, на электродах транзисторов и на других граничных точках. В некоторых случаях, производя анализ признаков неисправности регулятора, можно указать перечень элементов поблочно, в которых может быть дефект. Рассмотрим некоторые виды неисправностей, регулятора с анализом признаков.
1. При включении регулятора на всех ступенях ток в цели нагрузки равен 6 А. Это указывает на исправное состояние блока ФИП, на вход которого не поступает сигнал рассогласования с выхода блока УР.
Для обнаружения причины неисправности проверяют:
· наличие прямоугольных импульсов (см. рис. 1.7) на обмотке НЗ, КЗ трансформатора TV3 (см. рис. 1.3) блока ИП. Если импульсов нет, проверяют наличие напряжения 12 В на выходе выпрямителя VD9 ... VD12, исправность транзисторов VT1, VT2 (см. рис. 1.5) и элементов схемы генератора коммутирующего напряжения;
· исправность элементов схемы модулятора, транзистора VTI0, диодов VD3, VD4, VD5 (см. рис. 1.4);
· исправность транзисторов VT1 ... VT5 (см. рис. 1.6) и элементов схемы усилителя переменного тока;
· исправность транзисторов VT6 ... VT9 (см. рис. 1.4) и элементов схемы демодулятора.
2. Регулятор включается, ток в цепи нагрузки на всех ступенях яркости занижен по сравнению с номинальным значением. Причинами данной неисправности могут быть: повышение сопротивления резисторов R1, R2, R6 (см. рис. 1.4), неисправность транзисторов VT1 в блоке ФИП (см. рис. 1.5); неисправность элементов блока УР (см. рис. 1.4) (транзисторы VT1 ... VT10, конденсаторы С1, СЗ, С4. С7), неисправность резисторов R1, R7 ... R9, R10, R11, R12, R14 ... R16, R17 ... R24: неисправность генератора прямоугольных импульсов, собранного на транзисторах VT1, VT2 (см. рис. 1.2) в блоке ИП (неисправность стабилизатора напряжения на транзисторах VT1, VT2, VT3 в блоке БЗ); неисправность элементов блока ФП; пробой транзистора VT3; обрыв резисторов R7, R8; диода VD5.
Для определения причины неисправности производят замену функциональных блоков управления в следующем порядке: ФП, УР, ИП, ФИП.
Если при замене одного из блоков ток в цепи нагрузки становится равным номинальному значению, то для определения причины в данном блоке проверяют режим питания транзисторов. При нарушении режима питания проверяют источник питания, элементы схемы и транзисторы.
3. Нет стабилизации выходного тока регулятора на всех ступенях яркости. Так как стабилизация тока в цепи нагрузки обеспечивается схемой авторегулирования, то для уточнения неисправного блока производят поочередную замену блоков ФИП, УР, ФП и БЗ.
В блоке ФИП проверяют элементы входной схемы и режим их питания. К ним относятся транзисторы VT1, VT2 (см. рис. 1.6), конденсаторы С1, С6, резисторы R1 ... R6, R8, стабилитрон VD1.
В блоке УР проверяют режим питания схемы, конденсаторы С7, С4, С1, СЗ (см рис. 1.4) на частичную потерю емкости.
В блоке БЗ проверяют исправность схемы стабилизатора опорного напряжения на транзисторах VT1, VT2, VT3.
В блоке ФП проверяют стабилизатор напряжения на транзисторах VT1, VT2, VТ3 (см. рис. 1.5). Если на выходе стабилизатора напряжение меньше 36 В и не повышается резистором R29, то проверяют транзисторы и элементы схемы стабилизатора. При наличии напряжения 36 В на выходе стабилизатора проверяют исправность диодов VD5 ... VD10, резисторов R2...R29.
4. Регулятор отключается защитой по напряжению на всех ступенях яркости. При номинальной нагрузке регулятора защита срабатывает, если выходное напряжение составляет 120 % UН для пятой ступени яркости. К повышению выходного напряжения приводит увеличение напряжения в первичной цепи силового трансформатора. Это возможно при неисправных тиристорах или при малых углах включения, что указывает на неисправность схемы авторегулирования.
Так как регулятор отключается защитой на всех ступенях яркости, то причина неисправности находится в схеме блоков управления, которые "определяют угол включения тиристоров для всех ступеней. К ним относятся обрыв в цепи сигнала обратной связи, блоки БЗ, ФП, ФИП.







