| Скачать .docx |
Реферат: Основные свойства и методы расчета линейных цепей постоянного тока
Рязанский государственный радиотехнический университет
Реферат
по курсу общая электротехника и электроника
На тему:
"Основные свойства и методы расчета линейных цепей постоянного тока"
Рязань 2007
Содержание
Введение
1. Метод уравнений Кирхгофа
2. Расчет режима простейших цепей (метод сворачивания или свертки)
3. Метод наложения
4. Теорема об эквивалентном генераторе. Метод эквивалентного генератора
5. Передача мощности от активного двухполюсника в нагрузку
6. Эквивалентные преобразования структуры цепи
Список литературы
Введение
Электротехника - это наука о техническом (т.е. прикладном) использовании электрических и магнитных явлений. Большое значение электротехники заключается в том, что средствами электротехники
- эффективно получают и передают электроэнергию;
- решают вопросы
· передачи и преобразования сигналов и информации: звук человеческой речи преобразуют в электромагнитные колебания (телефон, радио);
· хранения информации (телеграф, радио, магнитная запись);
- выполняют математические операции: вычислительные машины с огромной скоростью выполняют любые математические операции, в том числе и решение сложных уравнений.
Теоретические основы электротехники заложены физикой (учением об электричестве и магнетизме) и математикой (методами описания и анализа электромагнитных явлений). Наряду с этом развитие электротехники привело к ряду новых физических понятий, новых формулировок физических законов, к развитию специальных математических методов, связанных с описанием и анализом типичных явлений, протекающих именно в электротехнических устройствах.
1. Метод уравнений Кирхгофа
Метод уравнений Кирхгофа позволяет рассчитать режим любой цепи, при любой форме сигнала, в любой момент времени.
Пусть требуется найти токи ветвей схемы, у которой число ветвей равно nв и есть nj источников тока, следовательно, (nв - nj ) неизвестных токов. Значит столько необходимо составить уравнений по законам Кирхгофа, причем уравнения должны быть линейно независимыми.
По первому закону Кирхгофа получают (nу –1) линейно независимых уравнений, где nу - число узлов. По второму закону Кирхгофа остается написать (nв - nj ) – (nу –1) линейно независимых уравнений. Уравнения по второму закону Кирхгофа получаются линейно независимыми, если каждый контур отличается от всех других хотя бы одной ветвью, а все ветви, кроме ветвей с источниками тока, входят в выбранные контуры. В простых схемах количество контуров определяют так: "закрывают" ветви с источниками тока и определяют сколько получается ячеек, столько уравнений по второму закону Кирхгофа пишут.
Примерный порядок расчета
1. Выбирают положительное направление токов ветвей и нумеруют все узлы схемы.
2. Для (nу –1) узлов записывают уравнения по первому закону Кирхгофа.
3. Для (nв - nj ) – (nу –1) контуров, не содержащих ветвей с источниками тока, записывают уравнения по второму закону Кирхгофа.
Или строят граф, выбирают дерево, определяют главные контуры. Для главных контуров, не содержащих источники тока, записывают уравнения по второму закону Кирхгофа.
4. Решают полученную систему уравнений относительно неизвестных токов ветвей.
5. Проверку правильности расчета режима цепи проводят по балансу мощностей.
Примечание:
1. Если в схеме есть управляемые (зависимые) источники, то систему уравнений по законам Кирхгофа дополняют столькими уравнениями связи, сколько управляемых источников в схеме. Каждое уравнение связи должно выражать величину управляемого источника через токи ветвей.
2. Если надо найти напряжение на всех элементах, то это делают в последнюю очередь. Напряжение на R определяют по закону Ома. Напряжение на источниках ЭДС известно: Ue
=E. Для определения напряжения на источниках тока выбирают направление напряжения Uj
и записывают уравнение по второму закону Кирхгофа для контура с источником тока:
, тогда
.![]()
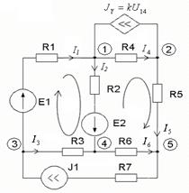
Примеры составления уравнений по законам Кирхгофа.
1) Дано:
,
,
. Найти
.

Рис. 2.1.1


где ![]()
![]()
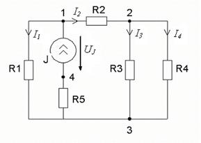
2)

Рис. 2.1.2


где
=> ![]()
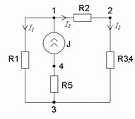
3)

Рис. 2.1.3


где ![]()
.
Недостаток метода уравнений по законам Кирхгофа состоит в том, что совместно приходится решать самую большую систему уравнений. Разработан ряд методов, позволяющих уменьшить число совместно решаемых уравнений: метод контурных токов, метод узловых потенциалов, метод эквивалентного генератора, метод свертки, метод наложения.
2. Расчет режима простейших цепей (метод сворачивания или свертки)
Простейшие цепи – это цепи с одним источником энергии и не очень сложной структурой, включающей либо последовательно, либо параллельно соединенные пассивные элементы.
Примерный порядок расчета.
1. Выбирают положительное направление токов ветвей и нумеруют все узлы схемы.
2. Начиная с самого удаленного от источника участка цепи, находят эквивалентные сопротивления участков с последовательным или параллельным соединением элементов. Процесс продолжают до тех пор, пока не получится одноконтурная схема.
3. В полученной схеме находят либо неизвестный ток Iвх , либо неизвестное напряжение Uвх в зависимости от источника схемы.
4. Двигаясь в обратной последовательности, рассчитывают неизвестные токи и напряжения, используя закон Ома и первый закон Кирхгофа.
5. Проверку правильности расчета режима цепи проводят по балансу мощностей или законам Кирхгофа.
Пример:Дано:
,
или
. Найти:
.

Рис. 2.2.1
.

Рис. 2.2.2
.

Рис. 2.2.3
.

Рис. 2.2.4
.

Рис. 2.2.5
Неизвестное напряжение
находят по закону Ома:
.
Возвращаются к схеме рис. 2.2.4 и определяют неизвестные напряжения по закону Ома:
и
.
Переходят к схеме рис. 2.2.3 и вычисляют неизвестные токи:
,
.
По схеме рис. 2.2.2 определяют
, ![]()
По схеме рис. 2.2.1 находим:
,
.
Проверка по балансу мощностей:
,
.
3. Метод наложения
В любой линейной системе реакция на сумму воздействий равна сумме реакций на каждое воздействие в отдельности.
В цепях воздействие – это источники напряжения и источники тока, а реакция – это токи ветвей и напряжения между какими - то точками схемы. Поэтому любой ток или напряжение в линейной цепи с несколькими источниками равен сумме частичных значений тока или напряжения, вызванных действием каждого источника в отдельности. Свойство наложения (суперпозиции) справедливо только для токов и напряжений. Для мощностей этот принцип не выполняется, так как мощности элементов рассчитываются по нелинейным уравнениям.
Метод наложения основан на принципе наложения.
Примерный порядок расчета
1. Выбирают положительное направление токов ветвей и нумеруют все узлы схемы.
2. Исходную схему представляют в виде нескольких подсхем. В каждой подсхеме оставляют один или несколько автономных источников в общем случае одной и той же частоты, что определяется простотой расчета. Остальные автономные источники заменяют их внутренним сопротивлением. Все автономные источники должны войти в подсхемы, но только один раз.
3. Рассчитывают частичный режим в каждой подсхеме любым рациональным методом.
4. Режим в исходной схеме определяют как алгебраическую сумму частичных режимов. Если необходимо, то рассчитывают мощности.
5. Проверку правильности расчета режима цепи проводят по балансу мощностей или законам Кирхгофа.
Примечание: если в схеме есть управляемые (зависимые) источники, то их сохраняют во всех подсхемах.
4. Теорема об эквивалентном генераторе. Метод эквивалентного генератора
При решении задач желательно упростить описание схемы. Один из приемов, позволяющий это сделать состоит в том, что часть схемы с двумя зажимами рассматривают как двухполюсник с описанными свойствами, не интересуясь процессами происходящими внутри него.
Двухполюсники – это любая часть схемы, рассматриваемая относительно двух зажимов.
Двухполюсники классифицируются следующим образом.
1. Пассивные двухполюсники – это такие, которые содержат только пассивные элементы и не содержат источников энергии.
2. Активные автономные двухполюсники содержат автономные источники. Если от двухполюсника отключить все внешние цепи и оставить его зажимы разомкнутыми, то обнаружится, что между ними есть напряжение (если замкнуть зажимы, то по ним потечет ток).
3. Активные неавтономные двухполюсники содержат пассивные элементы и только управляемые источники.
Метод эквивалентного генератора применяют для расчета тока в одной ветви схемы не содержащей управляемого источника и, в общем случае, не имеющей индуктивных связей с оставшейся частью схемы. Он основан на теореме об эквивалентном генераторе: любую часть схемы, рассматриваемую относительно двух зажимов, можно заменить эквивалентным генератором с параметрами
,
,
при этом режим во внешней цепи не изменится.
МЭГ состоит в том, что сопротивление ветви, в которой требуется найти ток, считают сопротивлением нагрузки, а всю остальную часть схемы – активным двухполюсником. Этот двухполюсник заменяют эквивалентным генератором с параметрами
,
,
и находят ток через сопротивление нагрузки.
Примерный порядок расчета
1. Выбирают положительное направление тока IН в ветви с нагрузкой.
2.Удаляют сопротивление нагрузки
и в месте разрыва изображают стрелку, направленную так же, как ток
в ветви нагрузки. Стрелка указывает направление напряжения холостого хода
.
3. Находят величину
:
- записывают уравнение по второму закону Кирхгофа для фиктивного контура, включающего
и не вносящего дополнительных неизвестных UJ
;
- в режиме холостого хода рациональным методом находят токи ветвей, входящие в уравнение для
;
- рассчитывают величину
.
4. Определяют входное сопротивление RBX относительно точек разрыва. Возможно несколько способов:
а)
,
где
- ток короткого замыкания, направленный также как
;
б) при отсутствии в схеме управляемых источников расчет входного сопротивления рациональнее всего выполнять сворачиванием схемы к входным зажимам пассивной схемы, полученной из активной схемы, путем замены автономных источников энергии их внутренними сопротивлениями;
в) в схеме с автономными и управляемым источниками энергии автономные источники энергии заменяют их внутренними сопротивлениями. К зажимам полученной схемы подключают пробный источник и рассчитывают неизвестный пробный ток. Получают
как
![]()
при одинаковом направлении
.
5. Рассчитывают ток через сопротивление нагрузки
.
Пример: Дано:
,
,
,
,
,
,
.

Рис. 2.6.1
=> ![]()
,
где
- ток
в режиме холостого хода.
можно найти:
1) из системы уравнений по законам Кирхгофа

Откуда
.
2) по методу наложения

,
,
![]()

рис. 2.6.2
Согласно рис. 2.6.2:
![]()
.
Тогда:
.
5. Передача мощности от активного двухполюсника в нагрузку
Пусть есть активный двухполюсник и нагрузка, которая может меняться. Требуется выяснить, как зависит величина мощности нагрузки от
и, в частности, можно ли получить максимальную мощность нагрузки. Такая задача возникает при построении усилителей.
По теореме об эквивалентном генераторе активный двухполюсник заменим эквивалентным генератором.

![]()
![]()
![]()
![]()
![]()
Дифференцируем
по
и приравниваем производную к нулю
![]()
Тогда ![]()
![]()
Отсюда
. В линейных цепях без управляемых источников всегда
, значит
. Такой режим работы двухполюсника называют согласованным режимом. В этом режиме:
,
,
.
Определить КПД передачи мощности в общем случае нельзя, так как нужно знать не только
, но и мощность, генерируемую внутри двухполюсника. Однако замену активного двухполюсника эквивалентным генератором проводим только из условия, что неизменным должен остаться только режим внешней цепи.
6. Эквивалентные преобразования структуры линейных цепей
Структуру цепи преобразовывают для упрощения расчета режима и анализа взаимосвязи величин, описывающих режим.
Преобразование называется эквивалентным, если режим незатронутой преобразованием части схемы, остается неизменным.
Рассмотрим примеры преобразования, которые проводятся таким образом, чтобы токи, напряжения, уравнения цепи вне преобразованной части цепи не изменялись.

рис. 2.8.1
1) Эквивалентные преобразования пассивной части схемы
Заменим ветвь аб с последовательным соединением элементов одним эквивалентным сопротивлением
, так чтобы
и
остались прежними.

рис. 2.8.2
По второму закону Кирхгофа:
- согласно рис. 2.8.1
, тогда ![]()
- согласно рис. 2.8.2
, где ![]()
Заменим ветви между точками аб одним эквивалентным сопротивлением
рис. 2.8.3

рис. 2.8.3
По первому закону Кирхгофа для исходной схемы (см. рис. 2.8.2)
![]()
;
По закону Ома:
,
, ![]()
Для эквивалентной схемы запишем:
, где![]()
2) Эквивалентные преобразования активной части схемы
Ранее мы выяснили, что любую часть схемы с двумя зажимами можно заменить эквивалентным генератором с параметрами
,
,
.

По второму закону Кирхгофа ![]()
(рис. 2.8.4).
![]()
.
По первому закону Кирхгофа:
,
, тогда
(см. рис. 2.8.5).
Сравнивая два выражения, приходим к выводу, что замена будет эквивалентной с точки зрения режима не преобразованной цепи, если выбрать
,
, следовательно
.
3) Устранение из схемы ветви типа Е
Этот прием бывает полезен, когда схема содержит несколько ветвей типа E не соединенных между собой, а очень хочется писать уравнение метода узловых потенциалов.
Пусть есть схема с ветвью типа E, которую мы хотим устранить, но так, чтобы режим в остальных ветвях не изменился должны остаться неизменными токи в остальных ветвях. Для этого необходимо сохранить такую же систему уравнений.
Включим во все ветви, соединенные с одним из узлов устраняемой ветви, дополнительные источники ЭДС по величине равные устраняемой ЭДС и направленные все одинаково относительно рассматриваемого узла. Дополнительные источники ЭДС должны быть направлены так, чтобы в устраняемой ветви дополнительный источник ЭДС оказался включенным на встречу имевшейся.
Пример:

рис. 2.8.6
Например, во все ветви соединенные с 3 узлом, включим источники
(см. рис.2.8.7).

рис. 2.8.7
Проверим, изменились ли токи?
Представим, что мы имели уравнения для схемы рис. 2.8.6. В схеме рис. 2.8.7 осталось столько же ветвей и столько же узлов, структура схемы такая же, следовательно, такими же останутся уравнения по I закону Кирхгофа. Уравнения по II закону Кирхгофа изменятся, т.к. в правой части этих уравнений появятся дополнительные источники ЭДС,
,
,
. Но численно правая часть этих уравнений не изменится, т.к. в каждое уравнение попало 2 источника ЭДС одинаковой величины и противоположного знака. Следовательно, решение системы для схемы рис. 2.8.6 и для схемы рис. 2.8.7 будет одним и тем же. Теперь ветвь с
и
имеет нулевое сопротивление и поэтому ее можно заменить проводом (см. рис.2.8.8).

рис. 2.8.8
Получившийся провод между узлами 1 и 3 сведем в точку, т.е. устраним ветвь типа E (см. рис.2.8.9).

рис. 2.8.9
Режим получившейся цепи рис. 2.8.9 рассчитываем любым рациональным методом. Возвращаемся к схеме рис. 2.8.6 и по первому закону Кирхгофа находим ток в устраненной ветви.
4) Преобразования "треугольника" сопротивлений в "звезду" и наоборот
В некоторых задачах можно было бы найти
методом сворачивания, но сделать это не удается, т.к. в них имеются не только последовательно и параллельные соединения, но и соединения типа "звезда" и "треугольник".
Пример:

Для решения таких задач необходимо знать правило перехода от заданной "звезды" к некоторому эквивалентному "треугольнику" сопротивлений и наоборот. И для схемы "звезда" и для схемы "треугольник" получим выражения через потенциал для токов ветвей подходящих к этим соединениям. Потребуем, чтобы эти токи ветвей и разности потенциалов соответствующих узлов остались неизменными.

"Звезда":
,
, то
, тогда
![]()
![]()
.
"Треугольник":
.
Сравнивая выражения для тока
в этих схемах, получаем, что если I1звезды
=I1треугольника
одинаковы в обеих схемах и
и
, одинаковы в обеих схемах, то
.
Для эквивалентных сопротивлений
,
,
![]()
Чтобы получить формулы преобразования "треугольника" с заданными сопротивлениями
,
,
в эквивалентную "звезду", примем в последних уравнениях в качестве неизвестных сопротивления
,
,
. В результате получим:
![]()
![]()
Примерный порядок преобразования:
1) в схеме находим соединение, которое хотим преобразовать;
2) удаляем элементы этого соединения;
3) к тем же самым узлам подключаем эквивалентную схему.
Список литературы
1. Л.А.Бессонов. Теоретические основы электротехники. Электрические цепи. Изд. 10. Учебник для вузов.- М.: Гардаргики, 2002. 638 с.
2. Теория электрических цепей: Методические указания к лабораторным работам / Рязан. гос. радиотехн. акад.; Сост.: С.М.Милюков, В.П.Рынин; Под ред. В.П.Рынина. Рязань, 2002. 16 с.,2004. 20 с. (№3282, №3624)
3. Электротехника и электроника: Методические указания к расчетно-графической работе / Рязан. гос. радиотехн. акад.; Сост. Г.В.Спивакова. Рязань, 2005. 16 с. (№3665)
4. Основы теории цепей: Методические указания к курсовой работе / Рязан. гос. радиотехн. акад.; Сост.: В.Н.Зуб, С.М.Милюков. Рязань, 2005. 16 с.