Реферат: Динамические ошибки в системах авторегулирования
Введение
Современная теория автоматического регулирования является основной частью теории управления. Система автоматического регулирования состоит из регулируемого объекта и элементов управления, которые воздействуют на объект при изменении одной или нескольких регулируемых переменных. Под влиянием входных сигналов (управления или возмущения), изменяются регулируемые переменные. Цель же регулирования заключается в формировании таких законов, при которых выходные регулируемые переменные мало отличались бы от требуемых значений. Решение данной задачи во многих случаях осложняется наличием случайных возмущений (помех). При этом необходимо выбирать такой закон регулирования, при котором сигналы управления проходили бы через систему с малыми искажениями, а сигналы шума практически не пропускались.
Теория автоматического регулирования прошла значительный путь своего развития. На начальном этапе были созданы методы анализа устойчивости, качества и точности регулирования непрерывных линейных систем. Затем получили развитие методы анализа дискретных и дискретно-непрерывных систем. Можно отметить, что способы расчета непрерывных систем базируются на частотных методах, а расчета дискретных и дискретно-непрерывных — на методах z-преобразования.
В настоящее время развиваются методы анализа нелинейных систем автоматического регулирования. Нарушение принципа суперпозиции в нелинейных системах, наличие целого ряда чередующихся (в зависимости от воздействия) режимов устойчивого, неустойчивого движений и автоколебаний затрудняют их анализ. Еще с большими трудностями встречается проектировщик при расчете экстремальных и самонастраивающихся систем регулирования.
1. Описание исходной схемы автоматического регулирования
Поскольку объект регулирования является элементом или звеном АСР, то свойства АСР зависят, прежде всего, от свойств объекта регулирования. Поэтому для создания работоспособной АСР обеспечивающей требуемое качество регулирования, необходимо, прежде всего, знать свойства объекта регулирования (спастические и динамические).
Объект регулирования лабораторного стенда представляет собой объект с распределенными параметрами, т.к. регулируемая величина (температура) неодинакова в различных точках объекта как в равновесном состоянии, так и переходном режиме.
Для увеличения инерционности объекта, которая должна быть в десять раз больше измеряемого в этом объекте датчиком, предусмотрен металлический стакан, наполненный стружкой, а котором расположен датчик температуры. Это поз.воляет увеличить теплообъем объекта.
Требуемая температура (эталонная) задается устройством на входе регулятора-задатчиком (tэ).
Фактическая температура преобразуется в сигнал устройством tф. Обозначая сигналы на выходе этих устройств аналогичными им буквами, выразим отклонение фактическое от требуемого в виде сигнала: ∆t = tэ – tф ; называемого отклонением или рассогласованием. Регулятор преобразует ∆t по определенному закону управления и включает исполнительное устройство. В нашем случае задача регулятора – ликвидность отклонения ∆t, вызванные действием возмущений В, т.е. различных нагрузок на объекты управления (изменение окружающей температуры, изменение положения шибера и т.д.).
Может возникнуть еще ошибка ∆t за счет изменения tэ, но, поскольку является известной заранее функцией, ошибка также может быть рассчитана заранее и скомпенсирована. Подобная система называется системой программного регулирования или просто САР.
В стенде предусмотрено двухпозиционное регулирование. При этом необходимо открыть заслонку, чтобы электронагревательный элемент постоянно обдувался воздухом. Регулирование температуры происходит за счет включения или выключения релейным элементом нагревательного элемента.
Для определения динамических свойств объекта в стенде установлен самопишущий прибор, который регистрирует изменения температуры в объекте и фиксирует их на диаграммной ленте.
Любой технологический агрегат, являющийся объектом регулирования ОР, работает в установившемся режиме, если в нем полностью соблюдается материальный и энергетический баланс. Основной параметр, характеризующий условия протекания технологического процесса (в нашем объекте это температура) в установившемся состоянии остается неизменной.
Зависимость выходной величины от входной величины в установившемся режиме называется статической характеристикой ОР. Статические характеристики могут быть как линейными, с различными коэффициентами наклона, так и нелинейными, при чем большинство реальных объектов в целом имеют нелинейные.

Рис 1. Статические характеристики ОР.
Эти характеристики ОР дают возможность оценить степень связи между различными входными и выходными величинами объекта.
Статические характеристики определяют расчетным или экспериментальным путем.
Динамической характеристикой объекта регулирования называется зависимость выходной величины от входной величины в переходном режиме.
Поскольку имения выходной величины ОР при различных возмущениях могут происходить по-разному, для исследования динамических характеристик объекта обычно используют типовые внешние воздействия.
Кривая разгона САР температуры (рис.2.) указывает динамические свойства ОР.

Рис 1.2. Кривая разгона
По рисунку видно, что объект обладает способностью постепенно приостанавливать отклонение выходной величины от первоначального значения и вновь восстанавливается равновесное состояние, т.е. объект обладает свойством самовыравнивания. Такие объекты называются статическими.
Объект обладает запаздыванием Тоб, и т.к. оно не значительно, в дальнейшем им будем пренебрегать.
Постоянная времени объекта Тоб – это условное время, в течение которого выходная величина изменилась бы от начального до нового установившегося значения, если бы это изменение происходило со скоростью, постоянной и максимальной для данного переходного процесса. Постоянная времени характеризует инерционность объекта, под которой понимают его способность замедленно накапливать и расходовать вещество и энергию, что становится возможным благодаря наличию в составе ОР сопротивлений и емкостей, препятствующих их поступлению и выходу.
Коэффициент передачи Коб ОР, представляет собой изменение выходной величины объекта при переходе из начального в новое в установившееся состояние, отнесенное к единичному возмущению на входе.
Единичным возмущением считают однопроцентное изменение входной величины объекта (перемещение регулирующего органа).
2. Динамические ошибки в системах авторегулирования
Системы автоматического регулирования всегда находятся под влиянием двух видов воздействий: задающего и возмущающего. Задающее воздействие определяет, каким должен быть выходной процесс, и оно единственное. Возмущающих воздействий может быть много и прикладываются они к различным точкам системы, но в линейных системах всех их можно привести к входу и заменить одним, более или менее сложным, возмущающим воздействием.
В следящей системе требуется, чтобы выходной процесс y(t) совпадал с задающим воздействием xз(t). Разница между ними является ошибкой δ(t) = xз(t) – y(t). Модель для расчета ошибки приведена на рис. 23.














Рис. 23Изображение ошибки
Δ(p) = Xз(p) – Y(p) = Xз(p) – [Xз(p) + Xв(p)]Kз(р) =
= [1 –Kз(p)]Xз(p) – Kз(p)Xв(p) = Kош(p)Xз(p) – Kз(p)Xв(p). (10)
Как видим, ошибка состоит из двух составляющих. Первая зависит от задающего воздействия и будет отсутствовать, если Кз(jω) = 1 во всем диапазоне частот, занятых спектром задающего воздействия. На практике частотная характеристика Кз(jω) отличается от 1 в области верхних частот. Значит, будут с ошибкой отрабатываться высокочастотные изменения задающего воздействия, и ошибка поэтому называется динамической. Вторая составляющая связана с возмущающим воздействием и появляется, если в области частот, занятых спектром возмущающего воздействия, АЧХ замкнутой системы будет отлична от нуля.
Ошибка может определяться при самых разнообразных задающем и возмущающем воздействиях. Обычно воздействие берется одним из типовых: скачкообразным, гармоническим, полиномиальным или стационарным случайным процессом. Рассмотрим ошибки при двух последних воздействиях.
Если задающее воздействие является медленно меняющимся процессом, то в течение некоторого временного интервала его можно описать полиномом: xз(t) = α0 + α1t + α2t2 +… Ошибку удобно представить в виде ряда по производным входного воздействия:
,
где коэффициенты Si определяются по передаточной функции ошибки Кош(p):

.
Если S0 ≠ 0, система называется статической, если S0 = 0, – астатической. Число первых нулевых коэффициентов определяет порядок астатизма.
Ниже в таблице приведены выражения для первых трех коэффициентов для систем с различными передаточными функциями Кр(р).
| Тип системы |
Статическая |
Астатическая 1-го порядка |
Астатическая 2-го порядка |
| Kp(p) |
K
(1+p)(1+pT)
|
K
p(1+pT)
|
K(1+p)
P2(1+pT)
|
| S0 |
1
1+K
|
0 |
0 |
| S1 |
K(1+T)
(1+K)2
|
1
K
|
0 |
| S2 |
K[(1+K)T-(1+T)2]
(1+K)3
|
KT – 1
K2
|
1
K
|
Практический интерес представляют ошибки для каждого из слагаемых полиномиального воздействия. Если воздействие постоянно (xз = =x0), то ошибку называют статической δст; если xз(t) = Vxt, – скоростной δск, а при xз(t)=аxt2/2 – ошибкой по ускорению δуск. Так как эти воздействия имеют конечное количество производных, то ошибки определяются первыми членами ряда:
δст = S0x0,
δск = S0Vxt + S1Vx, (11)
δуск = S0axt2/2 + S1axt + S2ax.
Для расчета этих ошибок надо знать только три первых коэффициента.
На рис. 24 показано, как отрабатываются постоянное и линейное воздействия в статической и астатических системах. Видим, что статическая система обладает наибольшими ошибками. Чем выше порядок астатизма, тем точнее система отрабатывает полиномиальное воздействие.











Рис. 24Рассмотрим теперь ошибки при случайных воздействиях. Задающее воздействие описывается медленно меняющимся случайным процессом, спектральная плотностьSxз(ω) которого сосредоточена в области низких частот. Возмущающее воздействие является широкополосным процессом со спектральной плотностью Sxв(ω), и его часто считают белым шумом. Если задающее и возмущающее воздействия некоррелированы, то в соответствии с выражением (10) энергетический спектр динамической ошибки
Sдин(ω) = Sxз(ω)|Кош(jω)|2.
Дисперсия динамической ошибки
.
Дисперсия ошибки по возмущению
.
Рассмотрим, как влияет тип системы (статическая или астатическая) на ошибки при случайных воздействиях. На рис. 25,а изображены ЛАХ и ЛФХ разомкнутой системы для трех типов систем, передаточные функции которых приведены в таблице. Эти характеристики различаются лишь в области нижних частот, а в области средних и верхних частот одинаковы. Если коэффициент передачи разомкнутой системы К достаточно большой, то

и АЧХ замкнутой системы для всех трех типов будут близки друг к другу (см. рис. 25,б). Следовательно, статическая и астатические системы будут иметь примерно одинаковые ошибки.






























Рис. 25Как правило, изменение какого-либо параметра системы (коэффициента передачи К или постоянной времени Т) приводит к противоположному изменению дисперсий динамической ошибки и ошибки по возмущению. Рассмотрим это на примере астатической системы первого порядка.
Допустим, задающее воздействие формируется из белого шума с спектральной плотностью Sз0 пропусканием его через интегрирующую цепь с постоянной времени Tx. Тогда дисперсия задающего воздействия
автоматический регулирование передача
.
Для расчета дисперсии динамической ошибки нужно знать частотную характеристику ошибки Кош(jω):
.
Дисперсия динамической ошибки:
.
Вводя относительные величины α = 1/Txи β = T/Tx и учитывая выражение для дисперсии задающего воздействия, получаем:
. (12)
Видим, что при К = 0 дисперсия динамической ошибки равна дисперсии задающего воздействия. Это объясняется тем, что при К = 0 выходной процесс y(t) = 0 и ошибка становится равной задающему воздействию. С увеличением коэффициента передачи К дисперсия уменьшается и стремится к постоянной величине, равной β. На первый взгляд может показаться, что получен результат, противоречащий здравому смыслу. Ведь с увеличением коэффициента передачи разомкнутой системы расширяется полоса пропускания замкнутой системы, значит, должны лучше отрабатываться высокочастотные составляющие задающего воздействия, и ошибка должна стремиться к нулю. Но никакого противоречия нет. Результат объясним, если учесть форму частотной характеристики ошибки. С увеличением К уменьшается запас устойчивости по фазе и, следовательно, увеличивается подъем АЧХ замкнутой системы в области верхних частот. А так как Кош(jω) = 1 – Кз(jω), то уменьшение спектральной плотности задающего воздействия компенсируется увеличением модуля частотной характеристики ошибки.
Дисперсия ошибки по возмущению при условии, что возмущающее воздействие является белым шумом со спектральной плотностью Sв0, равна:
.
Дисперсия пропорциональна коэффициенту передачи разомкнутой системы и не зависит от постоянной времени Т. Это объясняется следующим образом. При малом К, когда К < 1/T, частота среза равна К и полоса пропускания замкнутой системы растет пропорционально К. Когда К > 1/T, частота среза увеличивается в меньшей степени, чем растет К, но из-за уменьшения запаса устойчивости по фазе в АЧХ замкнутой системы появляется подъем в области верхних частот. Это иллюстрируется частотными характеристиками, представленными на рис. 26. Площадь под |Кз(jω)|2 остается неизменной, а именно она определяет дисперсию ошибки по возмущению.
Дисперсия суммарной ошибки при некоррелированных задающем и возмущающем воздействиях σ2Σ = σ2дин + σ2воз. Зависимость дисперсий
























Рис. 26ошибок от коэффициента передачи К приведена на рис. 27.Видим, что существует оптимальный коэффициент передачи К, при котором дисперсия суммарной ошибки минимальна, хотя этот оптимум не очень ярко выражен и при изменении коэффициента передачи в 2 раза дисперсия практически не изменяется. Если задающее и возмущающее воздействия коррелированы, то при расчете ошибок нужно учесть составляющие, связанные с взаимными энергетическими спектрами воздействий.
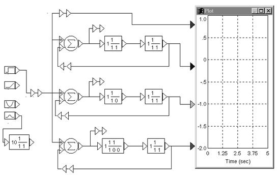
Исследование проводится параллельно на трех идентичных моделях (рис. 28). Модель содержит два линейных звена, задаваемых передаточными функциями. Передаточную функцию второго звена принять равной К/(1 + pT), а первого – в зависимости от типа системы: для статической – 1/(1 + p), для астатической первого порядка – 1/p, для астатической второго порядка – (1 + р)/p2.

Рис. 28
На вход системы можно подать любое из воздействий: постоянное, линейное, квадратичное или узкополосный случайный процесс, подсоединив выход соответствующего блока к входу системы.
Заключение
Формирование систем автоматического регулирования, как правило, выполняют на основе аналитических методов анализа или синтеза. На этом этапе проектирования систем регулирования на основе принятые допущений составляют математическую модель системы и выбирают предварительную ее структуру. В зависимости от типа модели (линейная или нелинейная) выбирают метод расчета для определения параметров, обеспечивающих заданные показатели устойчивости, точности и качества. После этого уточняют математическую модель и с использованием средств математического моделирования определяют динамические процессы в системе. При действии различных входных сигналов снимают частотные характеристики и сравнивают с расчетными. Затем окончательно устанавливают запасы устойчивости системы по фазе и модулю и находят основные показатели качества.
Далее, задавая на модель типовые управляющие воздействия; снимают характеристики точности. На основании математического моделирования составляют технические требования на аппаратуру системы. Из изготовленной аппаратуры собирают регулятор и передают его на полунатурное моделирование, при котором объект регулирования набирают в виде математической модели.
Развитие теории автоматического регулирования на основе уравнений состояния и z-преобразований, принципа максимума и метода динамического программирования совершенствует методику проектирования систем регулирования и позволяет создавать высокоэффективные автоматические системы для самых различных отраслей народного хозяйства. Полученные таким образом системы автоматического регулирования обеспечивают высокое качество выпускаемой продукции, снижают ее себестоимость и увеличивают производительность труда.
Список литературы:
1. Коновалов Г.Ф. Радиоавтоматика: Учебник для вузов. М.: Радиотехника, 2003. 288 с.
2. Первачев С.В. Радиоавтоматика: Учебник для вузов. М.: Радио и связь, 1982. 296 с.
3. Радиоавтоматика: Учебное пособие / Под ред. В.А.Бесекерского. М.: Высшая школа, 1985.271 с.
4. Системы радиоавтоматики и их модели: Учеб. пособие / Ю.Н.Гришаев; Рязан. радиотехн. институт. Рязань, 1977. 46 с.
5. Шахгильдян В.В., Ляховкин А.А. Системы фазовой автоподстройки частоты. М.: Связь, 1972.448 с.
6. Синтез частотных характеристик линейных систем автоматического регулирования: Метод. указания / Рязан. гос. Радиотехн.акад.; Сост. Ю.Н.Гришаев. Рязань, 2000. 12 с.