| Скачать .docx |
Курсовая работа: Устройства генерирования и формирования сигналов
Министерство образования Российской Федерации
Уральский государственный технический университет – УПИ
Кафедра ВЧСРТ
Пояснительная записка
к курсовому проекту по дисциплине
“Устройства генерирования и формирования сигналов”
Екатеринбург 2002
Задание
Составить структурную схему передатчика, рассчитать режим оконечной ступени со следующими параметрами:
- мощность Р1 = 2,5 Вт,
- частота f = 48 МГц,
- антенна – штырь 0,8 м,
- коэффициент подавления второй гармоники Ф2 = 35 дБ.
Рассчитать согласующее устройство оконечной ступени и пояснить назначение всех элементов схемы.
Содержание
Введение
1 Расчетная часть
1.1 Составление структурной схемы передатчика
1.2 Расчет режима оконечного каскада
1.3 Расчет параметров антенны
1.4 Расчет согласующего устройства
1.5 Конструктивный расчет катушек индуктивности
оконечного каскада передатчика
2 Назначение элементов схемы
Заключение
Список использованной литературы
Введение
Радиопередающее устройство (РПУ) - необходимый элемент любой системы передачи информации по радио - будь то система радиосвязи, телеметрическая или навигационная системы. Параметры радиопередатчиков весьма разнообразны и определяются конкретными техническими требованиями к системе передачи данных. РПУ представляют сложную систему, в состав которой входит высокочастотный тракт, модулятор для управления колебаниями высокой частоты в соответствии с передаваемой информацией, источники питания, устройства охлаждения и защиты. Диапазон СВЧ обладает огромной информационной емкостью. Радиопередатчики в диапазоне СВЧ применяют в радиолокационных станциях (РЛС), телевидении, ретрансляционных линиях связи, для тропосферной и космической связи, для радиоуправления и бортовой аппаратуры радиопротиводействия и для многих других специальных назначений. РПУ можно классифицировать по назначению, диапазону волн, мощности, виду модуляции, условиям работы и др. Эти признаки определяют специфику проектирования каждого вида передатчиков. Например, рабочий диапазон волн и мощность на выходе обуславливают выбор активного элемента и конструкцию колебательных систем. Амплитудную и импульсную модуляцию колебаний осуществляют в выходных ступенях, частотную модуляцию - в возбудителях, причем для обеспечения высокой стабильности несущей частоты применяют систему автоматической подстройки частоты (АПЧ).
1. Расчетная часть
1.1 Составление структурной схемы передатчика
По заданной принципиальной схеме (см. Приложение 1) составлена структурная схема передатчика, которая изображена на рис. 1.

Рис. 1. Структурная схема передатчика
Принятые микрофоном звуковые колебания преобразуются в электрические и подаются на усилитель. В усилителе эти колебания усиливаются и на его выходе получается модулирующее напряжение. Это модулирующее напряжение UW подается на варикап, с помощью которого модулируется по частоте кварцевый автогенератор. Кварцевый генератор работает на частоте 16 МГц, затем его частота умножается в 3 раз до рабочего значения, сигнал подается на предоконечный, а затем на оконечный усилитель мощности и через цепь связи в антенну.
1.2 Расчет режима оконечного каскада РПУ
В заданной схеме оконечный каскад усилителя выполнен на транзисторе КТ904, который имеет следующие параметры:
Сопротивление насыщения транзистора: rнас ВЧ = 1,73 Ом;
Сопротивление материала базы rб = 3 Ом;
Постоянная времени коллекторного перехода: τK = 15 пс;
Сопротивление эмиттера: rэ ≈ 0,0 Ом;
Коэффициент усиления по току в схеме с ОЭ: βо = 24;
Граничная частота усиления по току в схеме с ОЭ: f т = 350 МГц;
Барьерная емкость коллекторного перехода: Ск = 12 пФ;
Барьерная емкость эмиттерного перехода: Сэ = 124 пФ;
Индуктивность эмиттерного вывода: Lэ = 4 нГн;
Индуктивность базового вывода: Lб = 4 нГн;
Индуктивность коллекторного вывода: Lк = 4 нГн;
Максимальная выходная мощность: Рmax = 5 Вт;
Предельно допустимая постоянная величина коллекторный ток: Ik 0. max =0.8 А;
Предельно допустимое напряжение коллектор-эмиттер: Uкэ. max = 40 В;
Предельно допустимое напряжение база-эмиттер: Uбэ. max = 4 В;
Напряжение отсечки: Е’ = 0,7 В;
Схема включения: ОЭ.
Расчет коллекторной цепи выходного каскада
Расчет коллекторной цепи проводится по методике, изложенной в [2], для транзистора, работающего в критическом режиме с углом отсечки – Q= 85°.
Исходные данные для расчета следующие:
Р1 =2,5 Вт – колебательная мощность транзистора,
В – напряжение питания коллектора,
rнас ВЧ = 1,73 Ом – сопротивление насыщения транзистора,
Iк0. max = 0,8 А – допустимая постоянная составляющая коллекторного тока;
Коэффициенты, зависящие от угла отсечки были рассчитаны по следующим формулам:



![]()
![]()
И при угле отсечки 85о получились следующие значения:
g0 (q)=0,276
g0 (p-q)=0,363
g1 (q)=0,445
a0 (q)=0,302
a1 (q)=0,487
1. Коэффициент использования по напряжению в критическом режиме
;
2. Максимальное значение коллекторного тока
А
3. Амплитуда первой гармоники напряжения на коллекторе в критическом режиме
В;
4. Амплитуда первой гармоники коллекторного тока
А;
5. Постоянная составляющая коллекторного тока
А;
6. Мощность, потребляемая от источника коллекторного питания
Вт;
7. Коэффициент полезного действия коллекторной цепи
;
8. Мощность, рассеиваемая на коллекторе транзистора
Вт;
9. Сопротивление коллекторной нагрузки
Ом;
Расчет входной цепи оконечного каскада
1. Величина шунтирующего добавочного сопротивления
Ом;
2. Амплитуда тока базы
А,
где ![]()
3. Максимальное обратное напряжение на эмиттерном переходе
В
4. Постоянные составляющие базового и эмиттерного токов

5. Напряжение смещения на эмиттерном переходе


Рис. 2 Эквивалентная схема входного сопротивления транзистора
6. Значения Lвх оэ , rвх оэ , Rвх оэ , Свх оэ в эквивалентной схеме входного сопротивления транзистора.

7. Резистивная и реактивная составляющие входного сопротивления транзистора (Zвх =rвх + jXвх )

8. Входная мощность
![]()
9. Коэффициент усиления по мощности
![]()
1.3 Расчёт параметров антенны
Исходными данными для расчета параметров антенны являются
- длина антенны la =0.8м,
- длина волны l=6,25м,
- радиус антенны r=1,5мм.
Найдем волновое сопротивление антенны:
Поскольку длина антенны меньше четверти длины волны, то
![]()
Найдем входное сопротивление антенны:
Ом
где ![]()
1.4 Расчёт согласующего устройства
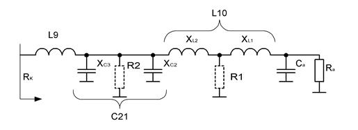
Для согласования коллекторной нагрузки Rк =21,098 Ом с сопротивлением антенны Za =6.468-j152.514 Ом используется Т-образный четырехполюсник (рис 3).
![]() |
Рис. 3 Схема Т-образного четырехполюсника
Для удобства расчетов представим это четырехполюсник как 3 Г-образных (рис 4)

Рис 4.
Пересчитаем сопротивление антенны из последовательного включения ra и xa в параллельное Ra и Xa по формулам:


рассчитаем добротность первого согласующего Г-образного четырехполюсника, состоящего из Ха и ХL 1
![]()
тогда сопротивление R1 получится:
![]()
а необходимое для компенсации Ха индуктивное сопротивление ХL 1 :

примем R2=300 Ом, тогда добротность второго четырехполюсника:
![]()
отсюда найдем сопротивление ХL 2 :
![]()
и сопротивление ХС2 :
![]()
найдем добротность третьего четырехполюсника:

отсюда найдем сопротивление ХС3 :
![]()
и сопротивление ХL 9 :

Рассчитаем номиналы элементов согласующего устройства:
![]()
![]()
![]()
Рассчитаем номиналы блокировочных элементов
Возьмем ХL 8 =100RK , тогда
![]()
Сопротивление емкости С22 примем равным ra /200, тогда
![]()
По формуле приведенной в [1] рассчитаем коэффициент подавления второй гармоники Ф2

где Ххх – сопротивления элементов на основной частоте,
ra 2 и ха2 – активное и реактивное сопротивление антенны для второй гармоники.
В случае, если Ф2 не удовлетворяет заданию, нужно увеличивать сопротивление R2. В нашем случае получившийся коэффициент удовлетворяет заданию (Ф2 =35дБ).
1.5 Конструктивный расчет катушек индуктивности оконечного каскада передатчика
Расчет катушек индуктивности
Методика расчета катушек индуктивности описана в [ 2 ].
Порядок расчета.
1. Уточняется расчетное значение индуктивностей:
LРАСЧ @(1.1 – 1.2)٠L
2. Задаются отношением длины намотки катушки l к ее диаметру D (для катушек диаметром до 50 мм обычно берут l/D=0.5…0.8, а для больших катушек мощных каскадов l/D=1…2).
3. Диаметр провода катушки выбираем исходя из соображений ее допустимого нагрева:
![]()
где d – диаметр провода, [мм];
I – радиочастотный ток, [А];
ΔT – разность температур провода и окружающей среды, [К] (для катушек ГВВ принимают ΔT=40…50 К);
f – частота тока, [МГц].
4. Выбирается шаг намотки (теоретические исследования и практика проектирования рекомендуют g=(1.3…1.5)d).
5. Число витков спирали катушки
,
где Lрасч – расчетное значение индуктивности, [Гн];
D – диаметр катушки, [мм];
F(l/D) – коэффициент формы катушки ([3], Рис. 10.3, стр. 294).
Катушка L 9:
1. Lрасч =1.2٠L=305,2 нГн.
2. l/D=0.5 DL 9 =10 мм lL бл =5 мм
3.
![]()
![]()
стандартный диаметр: dL 9 =0.64 мм
4.
gL
9
=0.97 мм.
FL 9 =12,5٠10-3
5.
![]()
Катушка L 10:
1. Lрасч =1.2٠LLрасч =780,2 нГн.
2. l/D=1 DL 10 =10 мм lL 10 =10 мм
3.
![]()
![]()
стандартный диаметр: dL 10 =0.64 мм
4.
gL
10
=0.97 мм.
FL 10 =7,5٠10-3
5.
![]()
Катушка L 8:
1. Lрасч =1.2٠LLрасч =8,4мкГн.
2. l/D=1 DL 8 =20 мм lL 8 =20 мм
3.
![]()
![]()
стандартный диаметр: dL 8 =0.55 мм
4.
gL
бл
=0.81 мм.
FL бл =7,5٠10-3
5.
![]()
2. Назначение элементов схемы
Микрофон М1 предназначен для преобразования звука в электрический сигнал, т.е. при изменении давления акустической волны на мембрану микрофона изменяется ток, протекающий через него, а поскольку питание на него подается через резистор R1 (получается делитель напряжения R1-M1), то на микрофоне выделяется переменное напряжение с частотой звука. Конденсатор С1 – это блокировочная емкость, которая имеет относительно малое сопротивление на частоте звука и не пропускает постоянный ток, т.е. исключает влияние R1 на делитель напряжения R2,R3 которым задается постоянное напряжение на не инвертирующем входе операционного усилителя (ОУ) А1 равное половине напряжения питания. Это напряжение необходимо для нормальной работы ОУ, т.к. у него должно быть двухполярное питание, а в нашей схеме он питается от однополярного, поэтому половина напряжения питания на входе усилителя создает для него квазиноль. Элементы C2,R4,R5 составляют цепь обратной связи для ОУ, которая в данной схеме включения определяет коэффициент передачи усилителя по напряжению следующим образом:
(2.1)
Но для постоянного напряжения XC
2
= ¥, поэтому
, т.е. постоянное напряжение приложенное к не инвертирующему входу ОУ будет передаваться на выход без изменений, а переменное в соответствии с формулой (2.1).
Напряжение на выходе ОУ - это напряжение смещения для варикапа VD1, которое подается через резистор R7, предназначенный для предотвращения влияния высокочастотных колебаний на низкочастотную схему. Напряжение смещения варикапа изменяется по закону колебания звуковой частоты принятого микрофоном и усиленного усилителем относительно некоторого постоянного уровня (половина напряжения питания), вследствие чего изменяется емкость варикапа, а следовательно и частота автогенератора, собранного на транзисторе VT1.
Генератор собран по схеме емкостной трехточки, где С7 – емкость между базой и эмиттером транзистора, С8 – между эмиттером и коллектором, а роль индуктивного сопротивления выполняет цепочка состоящая из Q1,L1,С4,С5,VD1. Емкости С4 и С5 служат для линеаризации зависимости емкости (сопротивления) варикапа от напряжения смещения, т.е. для уменьшения нелинейных искажений, но при этом уменьшается также девиация частоты. Зависимости емкостей и сопротивлений цепочки С4,С5,VD1 от напряжения смещения варикапа можно посмотреть в Приложении 2 и Приложении 3.
Катушка индуктивности L1 предназначена для увеличения диапазона регулировки частоты, т.е. она увеличивает диапазон частот, где общее сопротивление цепочки Q1,L1,С4,С5,VD1 имеет индуктивное сопротивление, необходимое для самовозбуждения автогенератора. Резисторы R8 и R9 – это цепь автосмещения для автогенератора. Колебательный контур, состоящий из С9,L2 расстроен относительно частоты генерации так чтобы выполнялось условие самовозбуждения емкостной трехточки. При помощи магнитной связи высокочастотные колебания с катушки L2 передаются на катушку L3, которая вместе с конденсатором С11 образует колебательный контур настроенный на частоту автогенератора. Напряжение с этого контура подается на базу транзистора VT2, который выполняет роль активного элемента умножителя частоты. Резистор R11 – это цепь автосмещения VT2 по постоянному току, т.к. по переменному току его шунтирует малым сопротивлением конденсатор С13. Поскольку VT2 работает с отсечкой, то его коллекторный ток содержит высшие гармоники, и контур состоящий из С12,L4 настроен на третью гармонику и выделяет напряжение частотой в три раза больше частоты автогенератора. С помощью трансформаторной связи с L4 в L5 сигнал передается через блокировочную емкость С14 на базу транзистора VT3. С14 необходим для того чтобы не «садить» по постоянному току базу VT3 через L5 на общий провод. R13,R14 – это делитель напряжения, с которого через дроссель DL1 подается напряжение смещения на транзистор VT3. Дроссель DL1 и конденсатор С15 нужны для того чтобы переменное напряжение не проходило с базы VT3 на делитель напряжения.
Индуктивность L6 – это блокировочная индуктивность, которая служит для подачи постоянного напряжения питания на коллектор VT3 и блокировки прохождения переменного тока коллектора в цепь питания. Цепь состоящая из L7,C17,C18 – это цепь согласования выходного сопротивления предоконечного каскада усилителя на VT3 с входным сопротивлением оконечного каскада, собранного на VT4. Емкость С17 также развязывает по постоянному току коллектор VT3 и базу VT4.
Дроссель DL4 обеспечивает нулевое смещение по постоянному току на базе VT4, а резистор R15 необходимую амплитуду переменного напряжения. Индуктивность L8 – это блокировочная индуктивность и выполняет те же функции для VT4, что L6 для VT3.
Цепочка состоящая из L9,L10,C21 выполняет функции согласующего устройства сопротивления антенны с коллекторным сопротивлением и одновременно является фильтром нижних частот, который обеспечивает заданный коэффициент подавления второй гармоники выходного сигнала. Конденсатор С22 является блокировочной емкостью, которая предотвращает выход из строя элементов схемы и/или источника питания при замыкании антенны на корпус.
С3, R6, C6, R10, C10, R12 образуют RC фильтр по питанию маломощной части схемы. Поскольку мощность мала, а следовательно и токи, то падение напряжения на резисторах будет незначительно и не скажется на работе схемы. С6 также обеспечивает условие самовозбуждения генератора, т.е. соединяет по переменному току коллектор VT1 с общим проводом.
Поскольку усилители на VT3 и VT4 относительно мощные, то резисторы в фильтре питания применять нельзя, поэтому там включены дроссели DL2, DL3, которые с конденсаторами С16, С19, С20 и образуют фильтры.
Заключение
В результате выполнения данного курсового проекта был произведен расчет оконечного каскада передатчика и цепи согласования с антенной удовлетворяющий техническому заданию. Составлена структурная схема РПУ, соответствующая принципиальной схеме. Принципиальная схема приведена в приложении. Проведено пояснение назначения всех элементов схемы. Таким образом, задание и цели курсового проекта можно считать выполненными.
Список использованной литературы
1. Проектирование радиопередающих устройств: Учебное пособие для вузов/ В. В. Шахгильдян, В.А. Власов, Б.В. Козырев и другие; Под ред. В.В. Шахгильдяна. – 3-е изд., перераб. и доп. – М.: Радио и связь, 1993, 512 с., ил.
2. Шумилин М.С., Козырев В.А., Власов В.А. Проектирование транзисторных каскадов передатчиков: Учебное пособие для техникумов.- М.: Радио и связь, 1987, 320 с., ил.
